Energy Storage Characteristic Analysis of Voltage Sags Compensation for UPQC Based on MMC for Medium Voltage Distribution System
Abstract
1. Introduction
2. UPQC Based on MMC and Control Strategy
2.1. UPQC Based on MMC
2.2. The Equivalent Model of the MMC Converter
2.3. Control Strategy
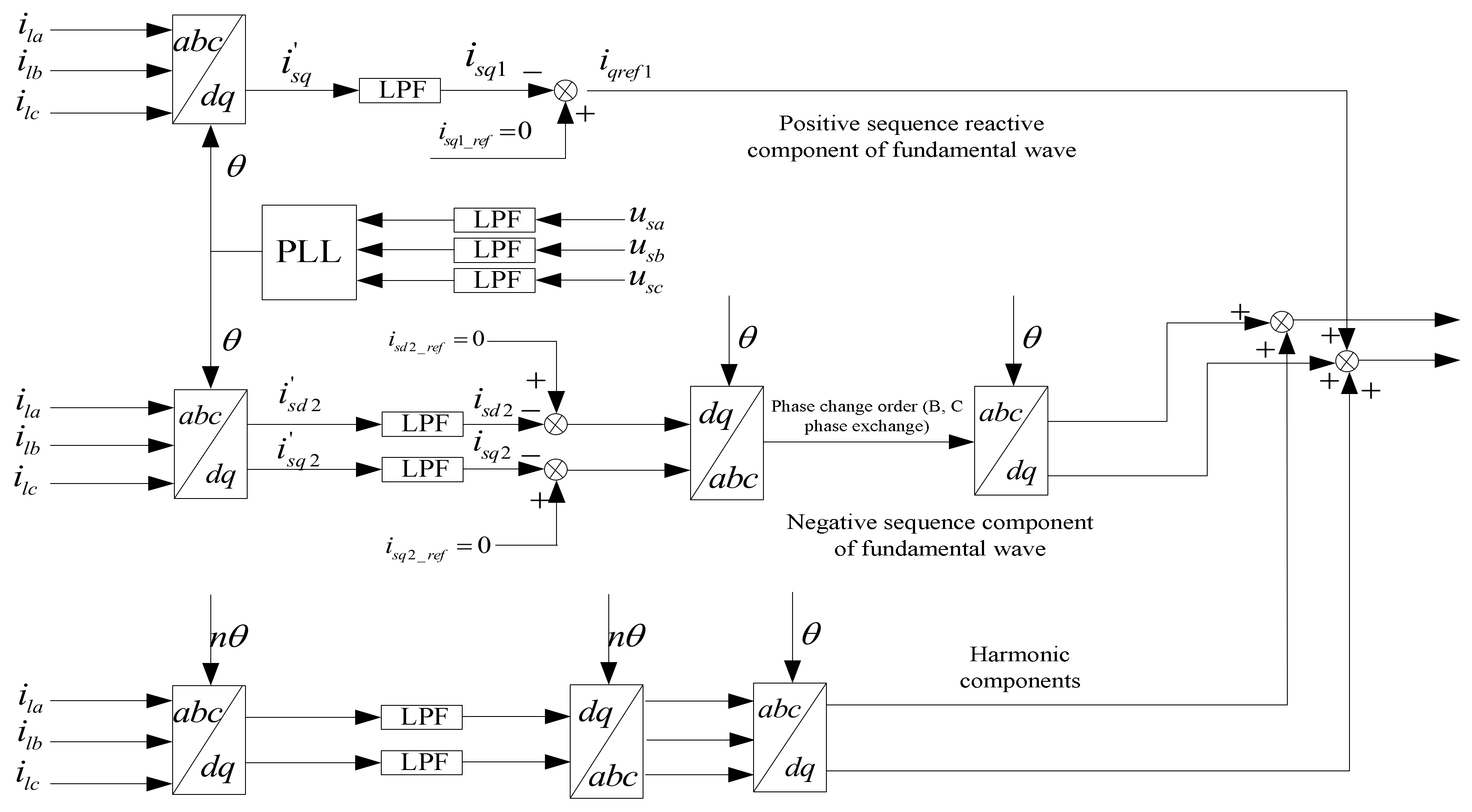
2.3.1. Control Strategy of Parallel Side Converter
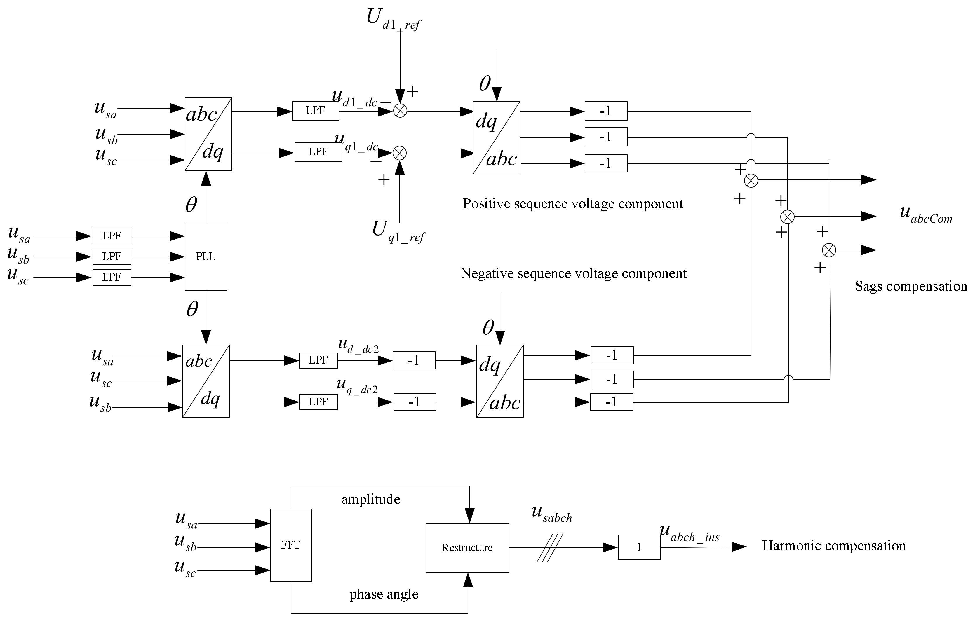
2.3.2. Control Strategy of Series Side Converter
2.3.3. Analysis of Voltage Sag Compensation for the UPQC and the Coordinated Control
3. Energy Storage Characteristics of the UPQC
4. Simulation Analysis and Experimental Study
4.1. Simulation Analysis
4.2. Experimental Study
5. Conclusions
Acknowledgments
Author Contributions
Conflicts of Interest
Abbreviations and Nomenclature
| MMC | modular multilevel converter |
| UPQC | unified power quality controller |
| APF | active power filter |
| SVC | static var compensator |
| SM | sub module |
| VSC | voltage source converter |
| NLM | nearest level modulation |
| PLL | phase locked loop |
| UCC | unit capacitance constant |
| PWM | pulse width modulation |
| SVPWM | space vector pulse width modulation |
| PI | proportional integral |
| FFT | fast Fourier transformation |
| RMS | root meam square |
| ITIC | Information Technology Industry Council |
References
- Arrillaga, J.; Bollen, M.H.J.; Watson, N.R. Power quality following deregulation. Proc. IEEE 2000, 88, 246–261. [Google Scholar] [CrossRef]
- Ward, D.J. Power quality and the security of electricity supply. Proc. IEEE 2001, 89, 1830–1836. [Google Scholar] [CrossRef]
- Akagi, H.; Inoue, S.; Yoshii, T. Control and Performance of a Transformerless Cascade PWM STATCOM With Star Configuration. IEEE Trans. Ind. Appl. 2007, 43, 1041–1049. [Google Scholar] [CrossRef]
- Li, N.; Liu, Y.; Wang, J.; Ji, Y.; Xie, B. Dynamic allocation method of DC side power based on the SoC of battery for STATCOM/BESS. Electr. Power Syst. Res. 2015, 125, 141–149. [Google Scholar] [CrossRef]
- Vodyakho, O.; Mi, C.C. Three-Level Inverter-Based Shunt Active Power Filter in Three-Phase Three-Wire and Four-Wire Systems. IEEE Trans. Power Electron. 2009, 24, 1350–1363. [Google Scholar] [CrossRef]
- Ho, N.M.; Chung, H.S.H.; Au, K.T.K. Design and Implementation of a Fast Dynamic Control Scheme for Capacitor-Supported Dynamic Voltage Restorers. IEEE Trans. Power Electron. 2008, 23, 237–251. [Google Scholar] [CrossRef]
- Lakshmikanth, A.; Morcos, M.M. A power quality monitoring system: A case study in DSP-based solutions for power electronics. IEEE Trans. Instrum. Meas. 2001, 50, 724–731. [Google Scholar] [CrossRef]
- Fujita, H.; Akagi, H. The unified power quality conditioner: The integration of series- and shunt-active filters. IEEE Trans. Power Electron. 2002, 13, 315–322. [Google Scholar] [CrossRef]
- Akagi, H. New trends in active filters for power conditioning. IEEE Trans. Ind. Appl. 1996, 32, 1312–1322. [Google Scholar] [CrossRef]
- Marquardt, R. A New Modular Voltage Source Inverter Topology; Universität der Bundeswehr München: Munich, Germany, 2003. [Google Scholar]
- Chang, Y.; Cai, X.; Zhang, J.; Shi, G. Bifurcate modular multilevel converter for low-modulation-ratio applications. IET Power Electron. 2016, 9, 145–154. [Google Scholar] [CrossRef]
- Akagi, H. Classification, terminology, and application of the modular multilevel cascade converter. IEEE Trans. Power Electron. 2011, 26, 3119–3130. [Google Scholar] [CrossRef]
- Liu, G.; Xu, Z.; Xue, Y.; Tang, G. Optimized Control Strategy Based on Dynamic Redundancy for the Modular Multilevel Converter. High Volt. Eng. 2014, 30, 339–348. [Google Scholar] [CrossRef]
- Ding, G.; Tang, G.; He, Z.; Ding, M. New technologies of voltage source converter (VSC) for HVDC transmission system based on VSC. In Proceedings of the 2008 IEEE Power and Energy Society General Meeting—Conversion and Delivery of Electrical Energy in the 21st Century, Pittsburgh, PA, USA, 20–24 July 2008; pp. 1–8. [Google Scholar]
- Retzmann, D. HVDC PLUS-Innovative Multilevel Technology for Power Transmission; Simens AG: Erlangen, Germany, 2009. [Google Scholar]
- Zhang, X.; Green, T.C. The Modular Multilevel Converter for High Step-Up Ratio DC–DC Conversion. IEEE Trans. Ind. Electron. 2015, 62, 4925–4936. [Google Scholar] [CrossRef]
- Sun, C.; Zhang, J.; Cai, X.; Shi, G. Voltage balancing control of isolated modular multilevel dc–dc converter for use in dc grids with zero voltage switching. IET Power Electron. 2016, 9, 270–280. [Google Scholar] [CrossRef]
- Debnath, S.; Qin, J.; Saeedifard, M. Control and Stability Analysis of Modular Multilevel Converter Under Low-Frequency Operation. IEEE Trans. Ind. Electron. 2015, 62, 5329–5339. [Google Scholar] [CrossRef]
- Li, B.; Zhang, Y.; Wang, G.; Sun, W.; Xu, D.; Wang, W. A Modified Modular Multilevel Converter With Reduced Capacitor Voltage Fluctuation. IEEE Trans. Ind. Electron. 2015, 62, 6108–6119. [Google Scholar] [CrossRef]
- Song, J.; Feng, X.; Cui, F.; Lu, Z.; Zhou, F. Dynamic modeling and internal characteristic simulation research of MMC-UPFC. Proc. CSEE 2014, 34, 67–75. [Google Scholar]
- Fei, R.; Cheng, L.; Huang, S. A Novel Grid-connected PV System Based on MMC. Proc. CSEE 2015, 35, 5976–5984. [Google Scholar]
- Tai, B.; Gao, C.; Liu, X.; Lv, J. Combination system of var compensation and photovoltaic power generation based on modular multilevel converter. In Proceedings of the IECON 2015—41st Annual Conference of the IEEE Industrial Electronics Society, Yokohama, Japan, 9–12 November 2015; pp. 2932–2937. [Google Scholar]
- Lu, J.; Xiao, X.; Zhang, J.; Xu, Y. MMC-UPQC coordinated control method based on fixed active current limit value control. Trans. China Electrotech. Soc. 2015, 30, 196–204. [Google Scholar]
- Beaulieu, G.; Bollen, M.H.J.; Malgarotti, S.; Ball, R. Power quality indices and objectives. Ongoing activities in CIGRE WG 36-07. In Proceedings of the IEEE Power Engineering Society Transmission and Distribution Conference, Chicago, IL, USA, 21–25 July 2002; pp. 789–794. [Google Scholar]
- Choi, S.S.; Li, J.D.; Vilathgamuwa, D.M. A generalized voltage compensation strategy for mitigating the impacts of voltage sags/swells. IEEE Trans. Power Deliv. 2005, 20, 2289–2297. [Google Scholar] [CrossRef]
- Choi, S.S.; Li, B.H.; Vilathgamuwa, D.M. Dynamic voltage restoration with minimum energy injection. IEEE Trans. Power Syst. 2000, 15, 51–57. [Google Scholar] [CrossRef]
- Wang, Q.; Choi, S.S. An Energy-Saving Series Compensation Strategy Subject to Injected Voltage and Input-Power Limits. IEEE Trans. Power Deliv. 2008, 23, 1121–1131. [Google Scholar] [CrossRef]
- Li, R.; Xu, L.; Guo, D. Accelerated switching function model of hybrid MMCs for HVDC system simulation. IET Power Electron. 2017, 10, 2199–2207. [Google Scholar] [CrossRef]
- Solas, E.; Abad, G.; Barrena, J.A.; Cárear, A.; Aurtenetxea, S. Modelling, simulation and control of Modular Multilevel Converter. In Proceedings of the 14th International Power Electronics and Motion Control Conference, Ohrid, Macedonia, 6–8 September 2010. [Google Scholar]
- Sirisukprasert, S.; Lai, J.S.; Liu, T.H. Optimum harmonic reduction with a wide range of modulation indexes for multilevel converters. IEEE Trans. Ind. Electron. 2002, 49, 875–881. [Google Scholar] [CrossRef]
- Ding, G.J.; Tang, G.F.; Ding, M.; Zhi-Yuan, H.E. Topology Mechanism and Modulation Scheme of a New Multilevel Voltage Source Converter Modular. Proc. CSEE 2009, 29, 1–8. [Google Scholar]
- Li, R.; Fletcher, J.E. A novel MMC control scheme to increase the DC voltage in HVDC transmission systems. Electr. Power Syst. Res. 2017, 143, 544–553. [Google Scholar] [CrossRef]
- Zheng, X.U.; Xiao, H.; Zhang, Z. Design of Main Circuit Parameters of Modular Multilevel Converters. High Volt. Eng. 2015, 41, 2514–2527. [Google Scholar]
- Hagiwara, M.; Akagi, H. Control and Experiment of Pulsewidth-Modulated Modular Multilevel Converters. IEEE Trans. Power Electron. 2009, 24, 1737–1746. [Google Scholar] [CrossRef]



















| Variable | Value | Unit |
|---|---|---|
| System voltage | 10 | kV |
| Load capacity | 5 | MVA |
| Maximum compensation capacity on series side | 3 | MVA |
| Arm inductance | 32 | mH |
| Common DC operating voltage | 28.8 | kV |
| Common DC side minimum operating voltage | 24 | kV |
| Number of bridge arm modules | 32 | |
| Normal operating voltage of submodule DC | 0.9 | kV |
| Submodule DC side minimum operating voltage | 0.75 | kV |
| Submodule DC capacitance | 4.7 | mF |
| Series Compensation Range | Minimum DC Voltage | Release Energy (kJ) | Support Time (ms) |
|---|---|---|---|
| 60% | 24 | 223.34 | 74 |
| 50% | 20 | 378.44 | 151 |
| 40% | 16 | 505.34 | 253 |
| 30% | 16 | 505.34 | 337 |
| 20% | 16 | 505.34 | 505 |
| 10% | 16 | 505.34 | 1011 |
© 2018 by the authors. Licensee MDPI, Basel, Switzerland. This article is an open access article distributed under the terms and conditions of the Creative Commons Attribution (CC BY) license (http://creativecommons.org/licenses/by/4.0/).
Share and Cite
Yang, Y.; Xiao, X.; Guo, S.; Gao, Y.; Yuan, C.; Yang, W. Energy Storage Characteristic Analysis of Voltage Sags Compensation for UPQC Based on MMC for Medium Voltage Distribution System. Energies 2018, 11, 923. https://doi.org/10.3390/en11040923
Yang Y, Xiao X, Guo S, Gao Y, Yuan C, Yang W. Energy Storage Characteristic Analysis of Voltage Sags Compensation for UPQC Based on MMC for Medium Voltage Distribution System. Energies. 2018; 11(4):923. https://doi.org/10.3390/en11040923
Chicago/Turabian StyleYang, Yongchun, Xiangning Xiao, Shixiao Guo, Yajing Gao, Chang Yuan, and Wenhai Yang. 2018. "Energy Storage Characteristic Analysis of Voltage Sags Compensation for UPQC Based on MMC for Medium Voltage Distribution System" Energies 11, no. 4: 923. https://doi.org/10.3390/en11040923
APA StyleYang, Y., Xiao, X., Guo, S., Gao, Y., Yuan, C., & Yang, W. (2018). Energy Storage Characteristic Analysis of Voltage Sags Compensation for UPQC Based on MMC for Medium Voltage Distribution System. Energies, 11(4), 923. https://doi.org/10.3390/en11040923
