Next Article in Journal
Novel Cyclic Blade Pitching Mechanism for Wind and Tidal Energy Turbine Applications
Previous Article in Journal
Icing Degree Characterization of Insulators Based on the Equivalent Collision Coefficient of Standard Rotating Conductors
 
 
Font Type:
Arial Georgia Verdana
Font Size:
Aa Aa Aa
Line Spacing:
Column Width:
Background:
Article

Control Strategy Proposal for Modular Architecture of Power Supply Utilizing LCCT Converter

Department of mechatronics and electronics, Faculty of electrical engineering, University of Zilina, 01026, Zilina, Slovakia
*
Author to whom correspondence should be addressed.
Energies 2018, 11(12), 3327; https://doi.org/10.3390/en11123327
Submission received: 6 November 2018 / Revised: 23 November 2018 / Accepted: 26 November 2018 / Published: 28 November 2018
(This article belongs to the Section F: Electrical Engineering)

Abstract

Following the invention of resonant power converters, lots of new topologies with significant improvements considering increase of efficiency and power density are arising. The main differences are related to the configuration of the resonant tank structure. In this paper, LCCT topology is proposed, while main aim is focused on the application of the modular architecture of power supply (MAPS) systems. Initially, principal analysis is given which describes basic features and components selection of LCCT resonant converter. After principal analysis, the application is oriented for above mentioned modular architecture of power supply, where more than one LCCT converter operated simultaneously is considered. The main asset within the presented system investigation is the proposal for the control strategy of the modular power supply system. Instead of the requirement on the most efficient operation within the whole operational power range of MAPS, the proposal for control strategy is given, while it is expected that each module of MAPS will be loaded evenly. The control strategy is based on the digital control, whereby sequential switching of the individual power stages is autonomous based on the information’s of the actual power load. Presented solution gives improvements of the parameters where extended range of input voltage, extended range of output power, flat characteristic of efficiency, and lower ripple current and/or voltage will be required.

1. Introduction

The concept of resonant converters has greatly expanded into various industrial and consumer applications, such as power supplies for distributed systems, laptops, LCD televisions, aerospace, automotive, and telecom sectors as well. To reach the satisfactory electrical parameters and behavior of converter, it is necessary to utilize new concepts of its main circuit [1,2,3,4,5,6]. Focusing on the expectation of next days the perspective topologies must withstand crucial requirements on the power density, efficiency, reliability, and operational life for various specific or industrial applications. Instead of that, the quality of electrical variables (voltage, current) and extended regulation range are also required to be above standard normative [7,8,9,10,11,12]. Furthermore, very narrow tolerances are necessary even during load transient at the same time while guaranteeing high reliability and efficiency [13,14,15,16,17,18,19]. To satisfy load requirements, modular architecture of switched mode power supply and suitable control strategies must be used. As paralleled modules must share the same load current, the problem of detecting the load sharing between the modules arises [20,21,22,23]. The common approach is to use a resistive shunt, but this solution decreases efficiency, particularly in high-current low-voltage applications [24,25,26,27]. Different modular topologies have been explored in the past aimed mainly to reduce the need of having long strings of PV panels [28,29]. However, for the case of other applications, long stacks of cells are not avoidable. Thus, a different converter structure, control scheme, and modified stack structure become necessary if for example automotive or telecom application is considered [30,31].
The main contribution of this paper is the presentation of control strategy proposal for modular architecture of power supplies, while the main aim is achievement of the even distribution of power delivery between individual modules. Opposed to the previous studies the proposal is simple, whereby it utilizes precise lossless current sensing (output values through hall sensors) and current control that is independent for individual modules. Voltage control is also independent and is ensured by the MASTER module, which can be any of the modular concept. Through this approach, where voltage control is superior oppose to current control, and thanks to independent frequency control of individual modules, even current sharing is secured, and frequency influencing is eliminated (beat frequencies etc.). Instead of that, the focus was oriented on the most valuable efficiency operation of the modular power supply. The advantages from the presented approach are strongly coupled to the reliability and lifetime issues of switched mode power supplies. Given proposal is practically implemented at fourth order DC–DC resonant converter with LCCT network within modular architecture of power supply, operated at parallel-input and parallel-output configuration. It is expected that three modules are operated simultaneously, while redundancy, overloading capability, short-circuit prevention, and no-load are expected applications [32,33].
The structure of the paper is as follows:
  • LCCT converter topology and calculation of circuit components for proposed application
  • Transfer characteristic of proposed converter and description of operational regions
  • Modular architecture and possible configurations for the use within telecom data centers
  • Parallel cooperation of converters without sequential switching and autonomous power sharing
Implementation of control strategy master-voltage and current-slave regulator within modular architecture

2. LCCT Converter for Modular Architecture of Power Supply

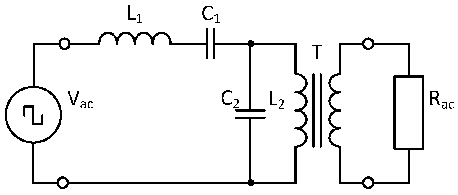
Based on the study of several papers, and based on the industrial standards, which are already known, the definition of nominal parameters for LCCT converter (Figure 1), which may be used within modular architecture of power supply, is defined first.
Industrial standard for distributed systems is defined with 400 Vdc of bus voltage, and with 48 Vdc of output voltage. For these reasons the definition of the basic input–output parameters of proposed LCCT converter are as follows:
  • Input voltage = 400 Vdc
  • Output voltage = 48 Vdc
  • Output power = 500 W
  • Switching frequency = 100 kHz
Based on the nominal input–output parameters, it is possible to estimate main circuit components, i.e., resonant inductors and capacitors (Figure 1). Calculation of resonant components for proposed converter is given within simplified procedure by Equations (1)–(6). The mathematical model of LCCT converter that is derived from LCLC converter is given in Appendix A. General formula for nominal input impedance of resonant converter is given by (1).
L . ω r e s = 1 ω r e s . C = | Z N | ;   | Z N | = V o u t N 2 P o u t N
where VoutN is nominal output voltage at the output of resonant tank, PoutN—is nominal output power of converter, L is resonant inductor, C is resonant capacitor and ωres—is resonant frequency.
Definition of quality factor of resonant circuit under nominal load is given by (2).
q N = L . ω r e s | Z N | = 1 ω r e s . C . | Z N |
We can calculate resonant element values by using Equations (3)–(6).
L 1 = V o u t N 2 . q N ω r e s . P o u t N
L 2 = V o u t N 2 ω r e s . P o u t N . q N
C 1 = P o u t N ω r e s . V o u t N 2 . q N
C 2 = P o u t N . q N ω r e s . V o u t N 2
The previous simple analysis is valid for LCLC converter [34], while the analogy between those equations for computation of resonant elements for LCCT converter is valid.
For previously given nominal input–output parameters the computation of main circuit components was provided. Resonant components are calculated regarding the fact that nominal output voltage at the output of resonant tank is VoutN = 200 Vdc. This voltage is transformed by high frequency transformer to the required output voltage value, which for target application shall be 50 Vdc. Based on that, the voltage transfer ratio of transformer is n = 4. Nominal power of one converter module was defined to PoutN = 500 W, what is relevant for industrial standards. Resonant frequency of resonant tank is fres = 100 kHz and nominal quality factor is qN = 2. The value of qN was selected according to the requirement related with the steeper character of transfer characteristic of proposed resonant tank. With the use of (1)–(6) following values of components: L1 = 254.78 µH, L2 = 63.69 µH, C1 = 9.95 nF, C2 = 39.8 nF were calculated, where L2 shall be considered as leakage inductance of the primary side of transformer.
Within the design of the transformer core, RM12 shape is selected. Table 1 summarizes basic parameters of the transformer.

3. Transfer Characteristic of Proposed LCCT Converter and Its Operational Regions

AC sweep analysis of the proposed resonant tank (LCCT) was performed for the purposes of operational regions identification through investigation of voltage-gain characteristic (Figure 2). It can be seen, that resonant point is located at main resonant frequency fres = 100 kHz. The gain characteristics is designed for nominal load (100% of Pout), overload (200% Pout) and for light-load (20% Pout) condition. From Figure 2 can be deduced that load change will not have any effect on the value of output voltage when switching frequency is equal to fres, because voltage gain for resonant point is equal to unity for any value of the load. This ability is comparable to well-known LLC converter, and such property acts as advantage from regulation point of view [35]. Instead of that, shape of characteristic is mirrored, thus high gain can be achieved for loads below 100 % in both areas (above and below resonance).
Another advantage is that ZVS (Zerro Voltage Switching) regions, which are preferred for operation, are visible both on left and right side from resonant frequency. Basically, it can be said that LCCT topology of resonant circuit gives possibility for wider regulation of output variables, almost because of the shape of transfer characteristic and ZVS region that is presented through the wide range of switching frequency.
Furthermore, for verification of transfer specifics of proposed LCCT converter, two variations were investigated (Figure 3). The first one has transformer voltage ratio equal to one, second has voltage ratio 1:0.25 what is required to achieve Vout = 50 Vdc within nominal control point of resonant converter.
Shape of voltage transfer characteristic is similar comparing both situations, near the same if we exclude trace for state of short circuit (Figure 3). The only difference is naturally the value of the voltage gain, which is proportional to voltage ratio of transformer. For resonant point of operation, the value of voltage gain for second alternative is −12.4314 dB, what means that the voltage on secondary winding of transformer is given by Equation (7). This is relevant for the required value of the output voltage which shall be 50 V.
V N 2 = V i n 2 10 12.4314 20 = V i n 2 0.239
On the other side, visible difference can be seen for critical mode of operation—short circuit of the output. It is seen, that converter, whose voltage ratio is 1:0.25 does not have as high attenuation as is for ratio 1:1. Based on this fact, it can be said that the higher the voltage ratio is, the worse the short-circuit abilities converter has.
Based on previous analysis, several investigations regarding steady-state operation as well as dynamic properties identification have been realized within selected operating conditions and operating regions [36]. As was found, the proposed converter has expected abilities i.e., overload possibilities, short-circuit immunity, and fast dynamic response as well as wide operation range considering input voltage. Those properties are valuable within modular architectures of the power supplies where high level of redundancy is required.

4. Modular Architecture of Power Supply

At this point the use of LCCT converter within the architecture of modular power supply is described. As was already mentioned, configuration of modular power supply is suitable for various applications. Within this paper, we have focused on the use for telecom data storage servers (Figure 4a). Several specifications are given for selected application and are related with input supply voltage, output voltage and power of individual modules, while efficiency must relate to given industrial standards.
For given configuration (Figure 4a) several input–output configurations of PSU can be considered (Figure 4b). Most common use is parallel combination at the input and output of individual stages (PIPO), or serial–parallel combination SIPO–serial input, parallel output (Figure 4b). With the use of these possibilities, it is possible to supply required value of output voltage, while power delivery can be extended by connection of individual power stages based on the application requirements.
Mutual control of modular architecture is important task due to several issues like, uniform power delivery, uniform thermal stress, the most efficient operational point, etc. Standard single DC/DC converter has principal efficiency characteristic that is shown on Figure 5. When parallel combination of DC/DC stages will be used, the operational region with the peak efficiency can be extended for wide power range of modular power supply system (Figure 6). The proper control of individual modules therefore must be focused on the achievement of the highest efficiency operational point. Other advantages of modular architecture oppose to single stage converters are:
  • Low output ripple of current and voltage
  • High-efficiency operation for various power deliveries
  • Individual outputs of several modules, or common output DC link
  • Redundancy and higher reliability oppose to one power supply
For the experimental investigation of the modular power supply system properties, the physical sample of proposed LCCT converters have been realized in the configuration PIPO (Figure 7a). The main circuit parameters of the one module are listed in Table 1, while the input–output configuration of the entire modular system (Figure 7b,c) are:
  • Input voltage = 400 Vdc
  • Output voltage = 48 Vdc
  • Output modular power = 1500 W

5. Control Strategies for the Proposed Modular Power Supply System

For the control proposal of the modular architecture of power supply system, several approaches can be utilized. The first one can be described as non-synchronized, while each converter is identical to others, thus common pulsed-width modulation is applied for each converter. This solution is not proper, because qualitative indicators of the power supply system is harmed through this approach, i.e.,:
  • Not optimized voltage and current ripples at the output of converter
  • Existence of beat frequencies
  • Wrong voltage or current control due to component intolerances
  • Not optimized efficiency performance of whole system
Another solution is decentralized control what means that individual modules do not have information about the power loading of the others. Such strategy is optimal within applications, where repeated or frequent dynamic load changes are not presented. The mentioned approach is mostly used within current sourced power supplies [37,38]. In this paper, two improved control strategies are presented. They are considered as centralized control strategies, thus supervising system (MASTER module) is being utilized, while control commands for each SLAVE module are managed by the MASTER module.

5.1. Control Strategy of MAPS Based on Frequency Follower Technique

The first control proposal is based on the frequency follower (Figure 8). The MASTER module can be any of the individual converters, whereby its control loop is different in comparison with SLAVE modules. Each module contains own output current regulator and the regulator for compensation of the output voltage drop. The computation of the required output current value at the output of each module is based on (8).
I r e f = V r e f V o u t R d r o o p
where Rdroop is 0.1 Ω, Iref is compared with actual output current value. Because each of the module is independent from the current regulator point of view, the condition related to the system redundancy is achieved.
For the communication between individual subsystems, CAN bus is utilized. This approach was selected due to availability of this function on the control system which was based on the LaunchpadXL 28069M (Texas Instruments, Dallas, Texas, TX, USA). The MAPS is regulated on the constant output voltage (48 Vdc), while the current has limited maximal allowable value.
MASTER module is monitoring the value of output voltage, value of the output current, and contains the PI regulator for the control of constant output voltage. The PWM signals are then transmitted through the CAN bus to the other SLAVE modules, based on the information from the regulator of the MASTER module.
The dynamic performance was investigated, i.e., start-up of the system for full load (Figure 9) and for 20% of POUT (Figure 10). Also, dynamic change from initial 100% of POUT to 20% of POUT was investigated (Figure 11).
It is seen on Figure 9 that the output voltage waveform (blue line) is common for each module, while the differences within the output currents (blue, cyan, brown lines) are visible. These differences are related to the differences of the transfer characteristics of individual modules (component tolerances), thus current unbalance of MAPS is evident. The more visible current unbalance is for the start-up sequence of MAPS when 20% of POUT is applied at the output.
The dynamic load change experiment was realized (Figure 10), while the MAPS responds to the requirement on the output power reduction from initial 100% to 20%. It is again seen, that the current unbalance is again valid, thus the converters are unevenly loaded. The consequence of this fact is higher depreciation of the module which has the highest load, which can be negatively reflected within lifetime of the individual components. Another negative issue is uneven thermal performance of individual modules.
To eliminate these unbalances, the second control strategy is proposed and is based on the uniform power share at any condition of the MAPS.

5.2. Control Strategy of MAPS Based on MASTER-Voltage and SLAVE-Current Technique

The optimized solution for the control of MAPS is represented by the control technique, which considers problematics related to the current sharing of the individual modules (Figure 11). This approach eliminates the lack of the previous centralized control technique.
The main MASTER module contains PI regulator of the output voltage and sensor for the output current IOUT1. The data relevant to the value of IOUT1 are then transmitted through the CAN bus to other SLAVE modules. This information acts as the current reference value, which is processed by the current regulators of SLAVE modules. The procedure can be then described as follows, i.e., the more current the SLAVE modules will supply the more output voltage rise will be evident on the common output. This will cause reaction on the MASTER module, which starts to initialize the IOUT1 to be reduced, what will stabilize the output voltage as well as output currents (IOUT1, IOUT2, IOUT3).
The switching frequency of each module is independent, because each regulator defines its value for individual modules, thus the value of the IOUT1, IOUT2,, IOUT3 must be even (Figure 12). Presented approach is valuable due to existence of the component tolerances.
According to the operational characteristic at various output power of the MAPS and considering MASTER-voltage and SLAVE-current control strategy, the optimization of the sequential switching of the individual modules based on the actual load is realized. This approach is done because of the requirements on the efficiency performance of the MAPS (Figure 6) targeting the most efficient operation at any point.
The approach for the proposed system is that for POUT between 0–25% just MASTER module operates (Figure 13). SLAVE 1 module enters to the operation if the value of the IOUT exceeds 8A (80% of output power of single module). From this point two modules operate, while for the elimination of the negative influences from the start-up of SLAVE 1, the operational area of MASTER + SLAVE1 modules is limited by the hysteresis of the IOUT. From Figure 13 is seen, that if IOUT drops below 4A, SLAVE1 is disconnected from to operation. MAPS full operation comes to account, when the IOUT exceeds 16A (50% of total POUT). From this point up to full load operation all modules operate, while each module is loaded by the same value of the power, thus the system is balanced. The sequential switching itself can be influenced also by the thermal performance, whereby if the allowable temperature of a single module will be exceeded during its long-term operation, then other can be switched to balance the actual state. Presented approach can be applied on the various number of the modules.
Figure 14 shows experimental results from the sequential switching of MAPS, while the output voltage and output currents waveforms are shown. Initial dynamic change from 25% to 35% is shown, whereby after IOUT1 (MASTER) exceeds 8A SLAVE 1 is being switched. Result is that IOUT1 is reduced and both IOUT1 and IOUT2 have the same value.
Reverse experiment was realized for the situation when MASTER and SLAVE 1 have been operating and the requirement on the POUT reduction to 15% was initialized. From Figure 15 is seen, that the IOUT2 of SLAVE 1 has decreased to zero, and just MASTER module continues the operation. In this way, the requirement on the efficient operation of MAPS is guaranteed (Figure 6).
Final confirmation of the sequential switching operation was realized for the POUT increase from 40% (two module operation) up to 60% (three module operation). Figure 16 is showing that during load increase above 16A, SLAVE 2 initialized its operation and all output currents IOUT1–IOUT3 reached even value, thus the balanced operation is guaranteed.

5.3. Efficiency Performance of Proposed Control Strategy

The evaluation of proposed control strategy was verified also by the efficiency investigation. The experiment set to the relevancy of the expectations, which were described on Figure 6. Initially, the operation of individual modules was done, thus one module was operated up to its nominal power (500 W). Then two modules in PIPO configuration have been investigated, while the PWM signals of both converters have been mutually phase-shifted by 180°. The nominal power of this two-module configuration was 1000 W. After it the three-module operation was investigated from efficiency point of view, while again the modules were connected in PIPO and the nominal output power was the same as for the proposed MAPS system (1500 W). For three-module operation the PWM signals were also mutually phase-shifted by 120°. Finally, the proposed control strategy MASTER-voltage, SLAVE-current for proposed MAPS was tested (Figure 17). It is seen, that through the use of proposed control strategy it is possible to achieve the most efficient operation considering parallel operation of converter modules. At this point it shall be noticed, that proposed control strategy is suitable for various converter topologies where constant output voltage is required. It means that the efficiency improvement can also be done through utilization of perspective devices, materials, and variations of converter’s main circuit.

6. Conclusions

In this paper, the LCCT converter was discussed as possible solution for modular architecture of power supply (MAPS) systems. Initially design of main circuit of proposed converter was briefly described following description of its operational regions. Consequently, experimental samples of LCCT converter with 48 V/500 W parameters have been prepared, while solution for three-module MAPS was considered during investigation of the control strategy of such system. For the flexible modification and user comfort, digital control was used based on the LaunchpadXL 28069M. For the comparison purposes, standard control technique based on frequency follower was initially verified for the MAPS operation. It was found that within this method the converters are operating unevenly from the power delivery point of view. Such an approach may negatively affect thermal performance of the system as well as life-time and reliability. Therefore, it was necessary to improve control strategy in the way of the even power sharing of individual modules within MAPS system operation. For this purpose, MASTER-voltage, SLAVE-current technique has been proposed and experimentally verified, while it was found that during various operational conditions, the converters evenly share delivered power. Also, sequential switching was proposed based on the value of the delivered power in order to utilize individual modules at the most proper operational point considering efficiency. The final verification of proposed control strategy was done in the way of the investigation of efficiency of MAPS system, where frequency follower technique and MASTER-voltage, SLAVE-current have been compared. It was found that proposed control improves efficiency performance of the system within low-power range of the system, i.e., 0%–50% of POUT. Future works will be focused on the utilization of proposed technique on multi-element converter systems (above three modules) and on the efficiency optimization through the use of perspective devices and main circuit topologies.

Author Contributions

M.F. prepared the paper structure and has organized individual works within the paper preparations, made experimental approach and finally he wrote the paper. J.M. has designed experimental prototype of proposed converter has organized laboratory measurements. P.S. is responsible for the state of the art review within the area of the proposed converter. B.D. has performed all the mathematical support for the investigated converter topology.

Funding

This work was supported by project ITMS: 26210120021, co-funded from EU sources and European Regional Development Fund.

Acknowledgments

The authors wish to thank Slovak grant agency APVV for the project no. 0396-15 - Research of perspective high-frequency converter systems with GaN technology and to research grant agency VEGA for project funding Nr. 1/0119/18 - Methods research for optimization of electromagnetic compatibility of systems for wireless energy transfer (WET).

Conflicts of Interest

The authors declare no conflict of interest.

Appendix A. Complex Mathematical Model of Proposed LCCT Converter

The design process of LC resonant tanks should be considered from three different points of view or criteria:
  • Considering the nominal voltage and current stresses at steady-state operation
  • Considering minimum voltage and current stresses during transient responses
  • Considering the required value of total harmonic distortion of the output voltage
Note: Using real transformer, its parasitic like resistances of transformer ferromagnetic, the capacitance between winding, etc. can be infiltered within the resonant LCLC or LCCT filter. The main difference between LCLC and LCCT configuration is that L2 from LCLC topology is assumed to be magnetizing inductance of the transformer (Figure A1).
Figure A1. A Numerical solution using the state-variable method.
Figure A1. A Numerical solution using the state-variable method.
Energies 11 03327 g0a1
A. Numerical solution using the state-variable method
The numerical expression of the output voltage of the switching part of single-phase inverter i.e., input voltage of the resonant LCCT filter
v I N ( k ) = 2   V D C   sin [ integer ( 4 T Δ T   k ) π 2 + π 4 ]
where U D C —the input voltage of inverter; T —time period; Δ T k —discrete time.
Continuous dynamic model of resonant LCCT filter with R load
d i L 1 d t = r 1 L 1 i L 1 1 L 1 v C 1 1 L 1 v C 2 + 1 L 1 v ( t ) d v C 1 d t = 1 C 1 i L 1 d v C 2 d t = 1 C 2 i L 1 1 C 2 i L 2 ( 1 r 2 + 1 R ) 1 C 2 v C 2 d i L 2 d t = 1 L 2 v C 2 .
Numerical dynamic model of resonant LCLC filter using Euler explicit method
i L 1 ( k + 1 ) = i L 1 ( k ) + Δ T [ r 1 L 1 i L 1 ( k ) 1 L 1 v C 1 ( k ) 1 L 1 v C 2 ( k ) + 1 L 1 v I N ( k ) ] v C 1 ( k + 1 ) = v C 1 ( k ) + Δ T [ 1 C 1 i L 1 ( k ) ]   ( A 3 a , b , c , d ) v C 2 ( k + 1 ) = v C 2 ( k ) + Δ T [ 1 C 2 i L 1 ( k ) 1 C 2 i L 2 ( k ) ( 1 r 2 + 1 R ) 1 C 2 v C 2 ( k ) ] i L 2 ( k + 1 ) = i L 2 ( k ) + Δ T [ 1 L 2 v C 2 ( k ) ]
where v C 2 is the output voltage of the resonant LCCCT filter ( v C 2 = v o u t ) .
Using successive approximation method, we can solve as steady states as a transient dynamic state. Resulted values of state variable as i L 1 ,   v C 1 ,   v C 2 ,   i L 2 and their rms values ( V o u t N ) can be used for determining of resonant element values in Equations (3)–(6) in the text Section 2.
B. Analysis in frequency domain (AC sweep)
Nominal impedance and nominal admittance resonant LLTC filter with a resistive load
| Z N | = V o u t N 2 P o u t N ;   | Y N | = P o u t N V o u t N 2
The impedance of the series and the parallel part of the resonant LCCT filter is defined by the following equations
Z 1 ( ω ) = r 1 + j ( ω L 1 1 ω C 1 ) = r 1 N | Z N | + j | Z N | q N ( f r e l 1 f r e l ) = | Z N | [ r 1 + j q N ( f r e l 1 f r e l ) ]
where: r 1 N = r 1 | Z N | ; —the parasitic resistance of the series part of the filter; f r e l = ω ω r e s —is relative variable frequency (practically, in real apparatus, ω ω s w i t c h i.e., of the inverter); q N —nominal quality factor; Z N —nominal impedance.
Thus
| Z 1 | ( ω ) | Z N | ( ω ) = r 1 2 + [ q N ( f r e l 1 f r e l ) ] 2 ,
and similarly, we can calculate the impedance of the parallel part of the parallel part of the filter. For the admittance of this part valid
Y 2 ( ω ) = 1 r 2 + 1 R + j ( ω C 2 1 ω L 2 ) = 1 r 2 N | Y N | + 1 r N | Y N | + j | Y N | q N ( f r e l 1 f r e l ) = = | Y N | [ ( 1 r 2 + 1 r ) + j q N ( f r e l 1 f r e l ) ]
where: 1 r 2 N = 1 r 2 | Y N | —parasitic conductance of parallel part of the filter; 1 r N = 1 R | Y N | conductance of the load resistance; f r e l = ω ω r e s —is relative variable frequency (practically, in real apparatus, ω ω s w i t c h i.e., of the inverter); q N —nominal quality factor; Y N —nominal admittance.
Thus
Y 2 ( ω ) Y N ( ω ) = ( 1 r 2 + 1 r ) + j q N ( f r e l 1 f r e l ) ,   and   | Y 2 ( ω ) | | Y N ( ω ) | = ( 1 r 2 + 1 r ) 2 + [ q N ( f r e l 1 f r e l ) ] 2 ,
hence
Z 2 ( ω ) Z N ( ω ) = 1 ( 1 r 2 + 1 r ) + j q N ( f r e l 1 f r e l ) = ( 1 r 2 + 1 r ) j q N ( f r e l 1 f r e l ) ( 1 r 2 + 1 r ) 2 + [ q N ( f r e l 1 f r e l ) ] 2
Since we denote the denominator as
D E N = ( 1 r 2 + 1 r ) 2 + [ q N ( f r e l 1 f r e l ) ] 2 | Z 2 ( ω ) | | Z N ( ω ) | = ( 1 r 2 + 1 r ) 2 + [ q N ( f r e l 1 f r e l ) ] 2 D E N 2 = 1 D E N
and relative input impedance
Z i n ( ω ) Z N ( ω ) = Z 1 ( ω ) + Z 2 ( ω ) | Z N ( ω ) | = [ r 1 + ( 1 r 2 + 1 r ) D E N ] + j [ ( f r e l 1 f r e l ) ( q N q N D E N ) ]
The module of the relative input impedance Z i n ( ω ) of a resonant LCCT filter in the relation of the nominal impedance Z N ( ω )
| Z i n ( ω ) | | Z N ( ω ) | = [ r 1 + ( 1 r 2 + 1 r ) D E N ] 2 + [ ( f r e l 1 f r e l ) ( q N q N D E N ) ] 2
The voltage-frequency transfer (voltage gain) will be
G ( ω ) = | V o u t ( ω ) | | V i n ( ω ) | = | Z 2 ( ω ) | | Z i n ( ω ) | = 1 D E N { [ r 1 + ( 1 r 2 + 1 r ) 1 D E N ] 2 + [ ( f r e l 1 f r e l ) ( q N q N D E N ) ] 2 } .
Graphical interpretation of G ( ω ) is given in Figure 2 and Figure 3 in the text of the paper.
It is important to note, that for f r e l equal one (switching frequency = resonant frequency) the voltage gain does not practically depend on the load. Consequently, by the change of switching frequency is possible partially to control the output voltage of the resonant LCCT filter. Another way for how to control the output voltage is the use of classical pulse-width control (or phase-shift control, respectively) when the amplitude of fundamental harmonic is
V 1 R M S = 2 2 π   V D C   sin ( β 2 )
where β is the width of voltage pulses.

References

  1. Yang, B. Topology Investigation for Front End dc/dc Power Conversion for Distributed Power System. Ph.D Thesis, Virginia Polytechnic Institute and State University, Blacksburg, VA, USA, 2003. [Google Scholar]
  2. Yang, B.; Lee, F.C.; Zhang, A.J.; Huang, G. LLC resonant converter for front end dc/dc conversion. IEEE APEC 2002, 2, 1108–1112. [Google Scholar]
  3. Guo, X.; Wang, H.; Lu, Z.; Wang, B. New inverter topology for ground current suppression in transformerless photovoltaic system application. MPCE J. Mod. Power Syst. Clean Energy 2014, 2, 191–194. [Google Scholar] [CrossRef]
  4. Juraj, K.; Roman, M.; Slavomír, K.; Michal, P. Review of selected multi-element resonant topologies. Trans. Electr. Eng. 2015, 4, 86–90. [Google Scholar]
  5. Saeedian, M.; Firouzjaee, M.E.A.; Hosseini, S.M.; Adabi, J.; Pouresmaeil, E. A Novel Step-Up Single Source Multilevel Inverter: Topology, Operating Principle and Modulation. IEEE Trans. Power Electron. 2018. [CrossRef]
  6. Saeedian, M.; Hosseini, S.M.; Adabi, J. Step-up switched-capacitor module for cascaded MLI topologies. IET Power Electron. 2018, 11, 1286–1296. [Google Scholar] [CrossRef]
  7. Kindl, V.; Kavalir, T.; Pechanek, R. Key construction aspects of low frequency wireless power transfer system using parallel resonance. In Proceedings of the 2015 17th European Conference on Power Electronics and Applications (EPE’15 ECCE-Europe), Geneva, Switzerland, 8–10 September 2015; pp. 1–5. [Google Scholar]
  8. Brandstetter, P.; Chlebis, P.; Simonik, P. Active Power Filter with Soft Switching. Int. Rev. Electr. Eng. 2010, 5, 2516–2526. [Google Scholar]
  9. Kovacova, I.; Kovac, D. Inductive coupling of power converter´s EMC. Acta Polytechn. Hung. 2009, 6, 41–53. [Google Scholar]
  10. Chen, S.-M.; Haung, Y.-H.; Chung, Y.-Y.; Hsieh, Y.-H.; Liang, T.-J. A novel interleaved LLC resonant converter. In Proceedings of the 39th Annual Conference of the IEEE Industrial Electronics Society (IECON 2013), Vienna, Austria, 10–13 November 2013; pp. 293–297. [Google Scholar]
  11. Wu, L.M.; Chen, P.S. Interleaved three-level LLC resonant converter with fixed-frequency PWM control. In Proceedings of the 2014 IEEE 36th International Telecommunications Energy Conference (INTELEC), Vancouver, BC, Canada, 28 September–2 October 2014; pp. 1–8. [Google Scholar]
  12. Dai, W. Modeling and efficiency-based control of interleaved LLC converters for PV DC microgrid. In Proceedings of the 2015 IEEE Industry Applications Society Annual Meeting, Addison, TX, USA, 18–22 October 2015; pp. 1–8. [Google Scholar]
  13. Cacciato, M.; Consoli, A.; Scarcella, G.; Scelba, G.; Testa, A. Modified Space-Vector-Modulation Technique for Common Mode Currents Reduction and Full Utilization of the DC Bus. In Proceedings of the 2009 Twenty-Fourth Annual IEEE Applied Power Electronics Conference and Exposition, Washington, DC, USA, 15–19 February 2009; pp. 109–115. [Google Scholar]
  14. Hruska, K.; Kindl, V.; Pechanek, R.; Skala, B. Determination of critical thermal operation for small squirrel cage motor. In Proceedings of the IECON 2014—40th Annual Conference of the IEEE Industrial Electronics Society, Dallas, TX, USA, 29 October–1 November 2014; pp. 502–507. [Google Scholar]
  15. Hruška, K.; Kindl, V.; Pechánek, R. Concept, design and coupled electro-thermal analysis of new hybrid drive vehicle for public transport. In Proceedings of the 14th International Power Electronics and Motion Control Conference EPE-PEMC 2010, Ohrid, Macedonia, 6–8 September 2010; pp. S4-5–S4-8. [Google Scholar]
  16. Wu, M.; Lu, D.D.-C. Active stabilization methods of electric power systems with constant power loads: A review. MPCE J. Mod. Power Syst. Clean Energy 2014, 2, 233–243. [Google Scholar] [CrossRef]
  17. Apeland, I.; Myhre, R. Phase-Shifted Resonant Converter Having Reduced Output Ripple. US Patent 6970366B2, 29 November 2005. [Google Scholar]
  18. Jensen, S.; Corradini, L.; Rodriguez, M.; Maksimovic, D. Modelling and digital control of LCLC resonant inverter with varying load. In Proceedings of the 2011 IEEE Energy Conversion Congress and Exposition (ECCE 2011), Phoenix, AZ, USA, 17–22 September 2011; pp. 3823–3829. [Google Scholar]
  19. Gong, W.; Hu, S.; Shan, M.; Xu, H. Robus currnet control design of a three phase voltage source converter. MPCE J. Mod. Power Syst. Clean Energy 2014, 2, 16–22. [Google Scholar] [CrossRef]
  20. Figge, H.; Grote, T.; Boecker, N.F.J.; Ide, P. Paralleling of LLC resonant converter using frequency controlled current balancing. In Proceedings of the IEEE Power Electronics Specialists Conference (PESC 2008), Rhodes, Greece, 15–19 June 2008; pp. 1080–1085. [Google Scholar]
  21. Singh, B.; Singh, S.; Bhuvaneswari, G. Boost full bridge DC-DC converter based modular converter for Telecom Power Supplies. In Proceedings of the 2012 IEEE Fifth Power India Conference, Murthal, India, 19–22 December 2012; pp. 1–5. [Google Scholar]
  22. Kindl, V.; Kavalir, T.; Pechanek, R.; Hruska, K. Basic operating characteristics of wireless power transfer system for small portable devices. In Proceedings of the IECON 2014—40th Annual Conference of the IEEE Industrial Electronics Society, Dallas, TX, USA, 29 October–1 November 2014; pp. 3819–3823. [Google Scholar]
  23. Böhm, R.; Rehtanz, C.; Franke, J. Inverter-based hybrid compensation systems contributing to grid stabilization in medium voltage distribution networks with decentralized, renewable generation. Electr. Eng. 2016, 98, 355. [Google Scholar] [CrossRef]
  24. Bendrat, F.; Chhor, J.; Sourkounis, C. LCL filter design for a modular power conditioning system with uninterruptible power supply capability. In Proceedings of the IECON 2017—43rd Annual Conference of the IEEE Industrial Electronics Society, Beijing, China, 29 October–1 November 2017; pp. 303–309. [Google Scholar]
  25. Scelba, G.; Scarcella, G.; Pulvirenti, M.; Cacciato, M.; Testa, A.; de Caro, S.; Scimone, T. Current-Sharing Strategies for Fault-Tolerant AC Multidrives. IEEE Trans. Ind. Appl. 2015, 51, 3943–3953. [Google Scholar] [CrossRef]
  26. Dallago, M.P.; Sassone, G. Lossless current sensing in low-voltage high-current dc/dc modular supplies. IEEE Trans. Ind. Electron. 2000, 47, 1249–1252. [Google Scholar] [CrossRef]
  27. Uljans, A.; Zakis, J. Voltage balancing circuit for modular step-down dc/dc converter. In Proceedings of the 2015 56th International Scientific Conference on Power and Electrical Engineering of Riga Technical University (RTUCON), Riga, Latvia, 14 October 2015; pp. 1–4. [Google Scholar]
  28. Consoli, A.; Attanasio, R.; Cacciato, M.; Scarcella, G.; Gennaro, F.; Testa, A. A Novel Converter System for Fuel Cell Distributed Energy Generation. In Proceedings of the 2005 IEEE 36th Power Electronics Specialists Conference, Recife, Brazil, 12–16 June 2005; pp. 1621–1627. [Google Scholar]
  29. Palma, L.; Enjeti, P.N. A Modular Fuel Cell, Modular DC-DC Converter Concept for High Performance and Enhanced Reliability. IEEE Trans. Power Electron. 2009, 24, 1437–1443. [Google Scholar] [CrossRef]
  30. Nayak, D.K.; Reddy, S.R.; Arab, J. Comparison of the synchronous-rectified Push-Pull converter with LLC DC to DC Converter. Sci. Eng. 2013, 38, 913. [Google Scholar] [CrossRef]
  31. Jin, T.; Smedley, K. Multiphase LLC series resonant converter for microprocessor voltage regulation. In Proceedings of the IEEE 41st Industry Applications Conference—IAS, Tampa, FL, USA, 8–12 October 2006; Volume 5, pp. 2136–2143. [Google Scholar]
  32. Frivaldsky, M.; Pridala, M.; Dobrucky, B. Comparative analysis and circuit simulation of LCLC inverter with both voltage and current DC-output using correction design procedure. In Proceedings of the 2017 19th International Conference on Electrical Drives and Power Electronics (EDPE), Dubrovnik, Croatia, 4–6 October 2017; pp. 33–36. [Google Scholar]
  33. Frivaldsky, M.; Dobrucky, B.; Pridala, M. Analysis of LCLC DC-DC resonant converter in steady state operation. In Proceedings of the IECON 2016—42nd Annual Conference of the IEEE Industrial Electronics Society, Florence, Italy, 24–27 October 2016; pp. 3253–3258. [Google Scholar]
  34. Juraj, K.; Jozef, Š.; Branislav, D. Modeling of resonant converter with nonlinear inductance. In Proceedings of the 19th International Conference on Applied Electronics, Pilsen, Czech Republic, 9–10 September 2014; pp. 153–156. [Google Scholar]
  35. Branislav, D.; Mariana, B.; Slavomír, K. LCTLC resonant converter analysis with direct AC and rectifying output. In Proceedings of the ELEKTRO 2012—9th International Conference, Žilina, Slovakia, 21–22 May 2012; pp. 115–120. [Google Scholar]
  36. Dobrucky, B.; Prazenica, M.; Kascak, S.; Kass, J. HF Link LCTLC Resonant Converter with LF AC Output. In Proceedings of the IECON Annual Meeting, Montreal, CA, Canada, 25–28 October 2012; pp. 447–452. [Google Scholar]
  37. Dobrucky, B.; Laskody, T.; Prazenica, M.; Kascak, S. Analysis of VSI and MxC Converters Fed Two-Phase Induction Motor with the Same Magnitude of Fundamental Harmonic Voltages. Int. Rev. Electr. Eng 2014, 9, 898–902. [Google Scholar] [CrossRef]
  38. Frivaldský, M.; Dobrucký, B.; Koscelník, J.; Praženica, M. Multi-resonant LCL2C2 tank. In Proceedings of the IECON 2014—40th Annual Conference of the IEEE Industrial Electronics Society, Dallas, TX, USA, 29 October–1 November 2014; pp. 5047–5052. [Google Scholar]
Figure 1. Simplified equivalent circuit of resonant tank for LCCT converter.
Figure 1. Simplified equivalent circuit of resonant tank for LCCT converter.
Energies 11 03327 g001
Figure 2. Voltage gain characteristic with operating regions.
Figure 2. Voltage gain characteristic with operating regions.
Energies 11 03327 g002
Figure 3. Impact of turn ratio on the voltage gain of resonant tank, (a) ratio 1:1, (b) ratio 1:0.25.
Figure 3. Impact of turn ratio on the voltage gain of resonant tank, (a) ratio 1:1, (b) ratio 1:0.25.
Energies 11 03327 g003
Figure 4. Modular architecture of power supply unit (a) and possible configurations (b).
Figure 4. Modular architecture of power supply unit (a) and possible configurations (b).
Energies 11 03327 g004
Figure 5. Efficiency curve of standard DC/DC converter stage.
Figure 5. Efficiency curve of standard DC/DC converter stage.
Energies 11 03327 g005
Figure 6. Efficiency curves of parallel configuration of five DC/DC stages.
Figure 6. Efficiency curves of parallel configuration of five DC/DC stages.
Energies 11 03327 g006
Figure 7. Physical prototype of proposed LCCT converter (a), and its modular concept (b), within experimental set-up (c).
Figure 7. Physical prototype of proposed LCCT converter (a), and its modular concept (b), within experimental set-up (c).
Energies 11 03327 g007
Figure 8. Block diagram of the control strategy proposal for MAPS based on the frequency follower.
Figure 8. Block diagram of the control strategy proposal for MAPS based on the frequency follower.
Energies 11 03327 g008
Figure 9. MAPS start-up sequence for frequency follower control strategy. (a) (POUT = 100%), (b) (POUT = 20%).
Figure 9. MAPS start-up sequence for frequency follower control strategy. (a) (POUT = 100%), (b) (POUT = 20%).
Energies 11 03327 g009
Figure 10. Dynamic load change from 100% to 20% of POUT for frequency follower control strategy.
Figure 10. Dynamic load change from 100% to 20% of POUT for frequency follower control strategy.
Energies 11 03327 g010
Figure 11. Block diagram of the control strategy proposal for MAPS based on the MASTER-voltage, SLAVE-current.
Figure 11. Block diagram of the control strategy proposal for MAPS based on the MASTER-voltage, SLAVE-current.
Energies 11 03327 g011
Figure 12. MAPS start-up sequence for MASTER-voltage, SLAVE-current control strategy (POUT = 100%).
Figure 12. MAPS start-up sequence for MASTER-voltage, SLAVE-current control strategy (POUT = 100%).
Energies 11 03327 g012
Figure 13. Technique of the sequential switching of MAPS within MASTER-voltage, SLAVE-current control strategy.
Figure 13. Technique of the sequential switching of MAPS within MASTER-voltage, SLAVE-current control strategy.
Energies 11 03327 g013
Figure 14. Experimental results from sequential switching of MASTER-voltage SLAVE-current control strategy (POUT = 25% to 35%).
Figure 14. Experimental results from sequential switching of MASTER-voltage SLAVE-current control strategy (POUT = 25% to 35%).
Energies 11 03327 g014
Figure 15. Experimental results from sequential switching of MASTER-voltage SLAVE-current control strategy (POUT = 35% to 15%).
Figure 15. Experimental results from sequential switching of MASTER-voltage SLAVE-current control strategy (POUT = 35% to 15%).
Energies 11 03327 g015
Figure 16. Experimental results from sequential switching of MASTER-voltage SLAVE-current control strategy (POUT = 40% to 60%).
Figure 16. Experimental results from sequential switching of MASTER-voltage SLAVE-current control strategy (POUT = 40% to 60%).
Energies 11 03327 g016
Figure 17. Efficiency performance of individual module operation (frequency follower) in comparison with MASTER-voltage, SLAVE-current technique.
Figure 17. Efficiency performance of individual module operation (frequency follower) in comparison with MASTER-voltage, SLAVE-current technique.
Energies 11 03327 g017
Table 1. Basic transformer parameters.
Table 1. Basic transformer parameters.
ComponentValueUnits
Primary inductance254.78µH
Leakage inductance63.69µH
Air gap168µm
Number of primary turns N18-
Number of secondary turns N24-

Share and Cite

MDPI and ACS Style

Frivaldsky, M.; Spanik, P.; Morgos, J.; Pridala, M. Control Strategy Proposal for Modular Architecture of Power Supply Utilizing LCCT Converter. Energies 2018, 11, 3327. https://doi.org/10.3390/en11123327

AMA Style

Frivaldsky M, Spanik P, Morgos J, Pridala M. Control Strategy Proposal for Modular Architecture of Power Supply Utilizing LCCT Converter. Energies. 2018; 11(12):3327. https://doi.org/10.3390/en11123327

Chicago/Turabian Style

Frivaldsky, Michal, Pavol Spanik, Jan Morgos, and Michal Pridala. 2018. "Control Strategy Proposal for Modular Architecture of Power Supply Utilizing LCCT Converter" Energies 11, no. 12: 3327. https://doi.org/10.3390/en11123327

APA Style

Frivaldsky, M., Spanik, P., Morgos, J., & Pridala, M. (2018). Control Strategy Proposal for Modular Architecture of Power Supply Utilizing LCCT Converter. Energies, 11(12), 3327. https://doi.org/10.3390/en11123327

Note that from the first issue of 2016, this journal uses article numbers instead of page numbers. See further details here.

Article Metrics

Back to TopTop