PV System Design and Flight Efficiency Considerations for Fixed-Wing Radio-Controlled Aircraft—A Case Study
Abstract
1. Introduction
1.1. PV Systems for Unmanned Electric Aircrafts
1.2. State of the Art and History Perspectives
1.3. Theoretical Examination
2. Materials and Methods
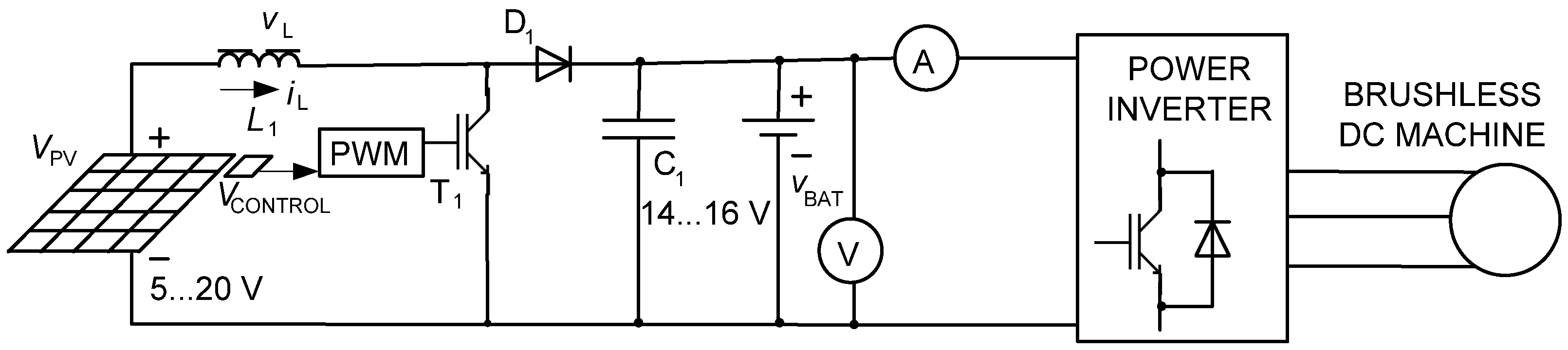
2.1. Boost DC/DC Power Converter Design
2.2. Fixed-Wing Radio-Controlled Aircraft Model Design and its Modifications
3. Results and Discussion
3.1. Uniform Flight Tests
3.2. Discussion
4. Conclusions
Author Contributions
Funding
Conflicts of Interest
References
- Zsiborács, H.; Bai, A.; Popp, J.; Gabnai, Z.; Pályi, B.; Farkas, I.; Hegedűsné Baranyai, N.; Veszelka, M.; Zentkó, L.; Pintér, G. Change of Real and Simulated Energy Production of Certain Photovoltaic Technologies in Relation to Orientation, Tilt Angle and Dual-Axis Sun-Tracking. A Case Study in Hungary. Sustainability 2018, 10, 1394. [Google Scholar] [CrossRef]
- Kannan, N.; Vakeesan, D. Solar energy for future world: A review. Renew. Sustain. Energy Rev. 2016, 62, 1092–1105. [Google Scholar] [CrossRef]
- Pudney, P.; Howlett, P. Critical Speed Control of a Solar Car. Optim. Eng. 2002, 3, 97–107. [Google Scholar] [CrossRef]
- Solar Impulse Project. Available online: http://www.solarimpulse.com/ (accessed on 20 August 2018).
- Romeo, G.; Frulla, G. Heliplat: High-altitude very-long endurance solar-powered UAV for telecommunication and Earth observation applications. Aeronaut. J. 2004, 108, 277–293. [Google Scholar] [CrossRef]
- Shiau, J.-K.; Ma, D.-M.; Chiu, C.-W.; Shie, J.-R. Optimal sizing and cruise speed determination for a solar-powered airplane. J. Aircr. 2010, 47, 622–629. [Google Scholar] [CrossRef]
- Reinders, A.H.M.E.; Verlinden, P.J.; van Sark, W.G.J.H.M.; Freundlich, A. Photovoltaic Solar Energy: From Fundamentals to Applications; John Wiley & Sons: London, UK, 2016. [Google Scholar]
- Mkahl, R.; Sidi Moh, A.N.; Wack, M. Modeling and Simulation of Standalone Photovoltaic Charging Stations for Electric Vehicles. In Proceeding of the International Conference on Computer Communication and Information Sciences, and Engineering, Coimbatore, India, 8 January 2015. [Google Scholar]
- Pintér, G.; Heged Baranyai, N.; Wiliams, A.; Zsiborács, H. Study of Photovoltaics and LED Energy Efficiency: Case Study in Hungary. Energies 2018, 11, 790. [Google Scholar] [CrossRef]
- Rahim, M.; Yoshino, J.; Yasuda, T. Evaluation of solar radiation abundance and electricity production capacity for application and development of solar energy. Int. J. Energy Environ. 2012, 3, 687–700. [Google Scholar]
- Zhu, X.; Li, N.; Sun, Y.; Zhang, H.; Wang, K.; Tsai, S.B. A Study on the Strategy for Departure Aircraft Pushback Control from the Perspective of Reducing Carbon Emissions. Energies 2018, 11, 2473. [Google Scholar] [CrossRef]
- Zhu, X.; Guo, Z.; Hou, Z.; Gao, X.; Zhang, J. Parameter’s sensitivity analysis and design optimization of solar-powered airplanes. Aircr. Eng. Aerosp. Technol. 2016, 88, 550–560. [Google Scholar] [CrossRef]
- Spangelo, S.C.; Gilbert, E.G. Power optimization of solar-powered aircraft with specified closed ground tracks. J. Aircr. 2013, 50, 232–238. [Google Scholar] [CrossRef]
- Rodriguez, J.B.; Morales, G.C.; Benavides, E.M. A First Approach to Solar Aviation with the Use of Axiomatic Design. Procedia CIRP 2015, 34, 186–192. [Google Scholar] [CrossRef]
- Noth, A.; Siegwart, R.; Engel, W. Design of Solar Powered Airplanes for Continuous Flight. Available online: https://www.ethz.ch/content/dam/ethz/special-interest/mavt/robotics-n-intelligent-systems/asl-dam/documents/projects/Design_Skysailor.pdf (accessed on 20 August 2018).
- Leutenegger, S.; Jabas, M.; Siegwart, R.Y. Solar Airplane Conceptual Design and Performance Estimation. J. Intell. Robot. Syst. 2011, 61, 545–561. [Google Scholar] [CrossRef]
- Noth, A. Design of Solar Powered Airplanes for Continuous Flight. Ph.D. Thesis, ETH Zurich, Zürich, Switzerland, 2008. Available online: http://http://www.sky-sailor.ethz.ch/docs/Conceptual_Design_of_Solar_Powered_Airplanes_for_continuous_flight.pdf (accessed on 20 August 2018).
- Bruscoli, S. Airfoil optimization for a solar powered aircraft. Master’s Thesis, Universita Degli Studi di Pisa, Pisa, Italy, 2011. [Google Scholar]
- Noth, A.; Engel, W.; Siegwart, R. Flying Solo and Solar to Mars. IEEE Robot. Autom. Mag. 2006, 13, 44–52. [Google Scholar] [CrossRef]
- Bӧswald, M.; Govers, Y.; Vollan, A.; Basien, M. Solar Impulse—How to validate the numerical model of a superlight aircraft with A340 dimensions. In Proceedings of the International Conference on Noise & Vibration Engineering, Leuven, Belgium, 20–22 October 2010. [Google Scholar]
- Shiau, J.-K.; Wei, Y.-C.; Lee, M.-Y. Fuzzy controller for a voltage-regulated solar-powered mppt system for hybrid power system applications. Energies 2015, 8, 3292–3312. [Google Scholar] [CrossRef]
- Zhang, H.; Cheng, S. A New MPPT Algorithm Based on ANN in Solar PV Systems. In Lecture Notes in Electrical Engineering; Springer: Berlin, Germany, 2011. [Google Scholar]
- Commercial Radio-Controlled Aircraft Arrow. Available online: http://www2.arnes.si/~cetim6/plans/arrowlayout.pdf (accessed on 20 August 2018).
- Rakesh, C.; Sunil Kumar, N. Design and Analysis of Solar Powered RC Aircraft. IJES 2015, 4, 29–41. [Google Scholar]
- Buchireddy, K.R.; Aneesh, P.; Bhanu, K.; Natarjan, M. Design Analysis of Solar-Powered Unmanned Aerial Vehicle. J. Aerosp. Technol. Manag. 2016, 8, 397–407. [Google Scholar]
- Espinoza-Fraire, T.; Dzul, A.; Cortes-Martinez, F.; Giernacki, W. Real-time Implementation and Flight Tests using Linear and Nonlinear Controllers for Fixed-wing Miniature Aerial Vehicle (MAV). Int. J. Control Autom. Syst. 2018, 16, 392–396. [Google Scholar] [CrossRef]
- Baschel, S.; Koubli, E.; Roy, J.; Gottschalg, R. Impact of Component Reliability on Large Scale Photovoltaic Systems’ Performance. Energies 2018, 11, 1579. [Google Scholar] [CrossRef]
- Mirbagheri Golroodbari, S.Z.; de Waal, A.C.; van Sark, W. Improvement of Shade Resilience in Photovoltaic Modules Using Buck Converters in a Smart Module Architecture. Energies 2018, 11, 250. [Google Scholar] [CrossRef]
- Bright, J.M.; Smith, C.J.; Taylor, P.G.; Crook, R. Stochastic generation of synthetic minutely irradiance time series derived from mean hourly weather observation data. Sol. Energy 2015, 115, 229–242. [Google Scholar] [CrossRef]
- Durisch, W.; Keller, J.; Bulgheroni, W.; Keller, L.; Fricker, H. Solar irradiation measurements in Jordan and comparisons with Californian and Alpine data. Appl. Energy 1995, 55, 111–124. [Google Scholar] [CrossRef]
- Di Piazza, A.; Di Piazza, M.C.; Vitale, G. Statistical Processing of Data Coming from a Photovoltaic Plant for Accurate Energy Planing. RE&PQJ 2008, 1, 654–658. [Google Scholar]
- European Commission, Photovoltaic Geographical Information System. Available online: http://re.jrc.ec.europa.eu/pvg_tools/en/tools.html#PVP (accessed on 20 August 2018).
- Nižetić, S.; Duić, N.; Papadopulos, A.M.; Tina, G.M.; Grubišić-Čabo, F. Energy efficiency evaluation of a hybrid energy system for building applications in a Mediterranean climate and its feasibility aspect. Energy 2015, 90, 1171–1179. [Google Scholar] [CrossRef]
- Boxwell, M. Solar Electricity Handbook 2017 Edition. Available online: http://solarelectricityhandbook.com/solar-irradiance.html (accessed on 20 August 2018).
- Meek, D.W. Estimation of maximum possible daily global solar radiation. Agric. For. Meteorol. 1997, 87, 223–241. [Google Scholar] [CrossRef]
- Brecl, K.; Topic, M. Photovoltaics (PV) System Energy Forecast on the Basis of the Local Weather Forecast: Problems, Uncertainties and Solutions. Energies 2018, 11, 1143. [Google Scholar] [CrossRef]
- Valavanis, K.; Vachtsevanos, G. Handbook of Unmanned Aerial Vehicles; Springer: Berlin, Germany, 2015. [Google Scholar]
- Kumar, A.; Asha, G.H. Aquila (The Solar Powered Drone). IJIEEE 2016, 4, 36–43. [Google Scholar]
- Algarín, C.R.; Taborda Giraldo, J.; Rodríguez Álvarez, O. Fuzzy Logic Based MPPT Controller for a PV System. Energies 2017, 10, 2036. [Google Scholar] [CrossRef]
- Pandey, A.; Dasgupta, N.; Mukerjee, A.K. A Simple Single-Sensor MPPT Solution. IEEE Trans. Power Electron. 2007, 22, 698–700. [Google Scholar] [CrossRef]
- Petrone, G.; Spagnuolo, G.; Vitelli, M. Distributed Maximum Power Point Tracking: Challenges and Commercial Solutions. Automatika 2012, 53, 128–141. [Google Scholar] [CrossRef]
- Zhao, Q.; Shao, S.; Lu, L.; Liu, X.; Zhu, H. A New PV Array Fault Diagnosis Method Using Fuzzy C-Mean Clustering and Fuzzy Membership Algorithm. Energies 2018, 11, 238. [Google Scholar] [CrossRef]
- Gutiérrez Galeano, A.; Bressan, M.; Jiménez Vargas, F.; Alonso, C. Shading Ratio Impact on Photovoltaic Modules and Correlation with Shading Patterns. Energies 2018, 11, 852. [Google Scholar] [CrossRef]
- Kropp, T.; Schubert, M.; Werner, J.H. Quantitative Prediction of Power Loss for Damaged Photovoltaic Modules Using Electroluminescence. Energies 2018, 11, 1172. [Google Scholar] [CrossRef]
- Gaglia, A.G.; Lykoudis, S.; Argiriou, A.A.; Balarasa, C.A.; Dialynas, E. Energy efficiency of PV panels under real outdoor conditions–An experimental assessment in Athens, Greece. Renew. Energy 2017, 101, 236–243. [Google Scholar] [CrossRef]





| Time (min) | Battery Voltage (VBAT) | Current (A) | Consumed Charge (mAh) | Trip (km) |
|---|---|---|---|---|
| 0 | 16.8 | 0 | 0 | 0 |
| 1 | 16.2 | 3.3 | 137 | 1.1 |
| 2 | 16.1 | 2.2 | 203 | 1.8 |
| 3 | 16.0 | 2.3 | 275 | 2.5 |
| 4 | 15.9 | 2.3 | 353 | 3.2 |
| 5 | 15.9 | 2.2 | 421 | 3.8 |
| 6 | 15.6 | 2.0 | 486 | 4.5 |
| 7 | 15.4 | 2.1 | 557 | 5.2 |
| 8 | 15.2 | 1.9 | 625 | 5.9 |
| 9 | 15.2 | 1.8 | 695 | 6.4 |
| 10 | 15.1 | 1.7 | 760 | 7.0 |
| 11 | 15.1 | 1.6 | 803 | 7.7 |
| 12 | 15.0 | 1.7 | 849 | 8.3 |
| 13 | 15.0 | 1.8 | 889 | 9.1 |
| 14 | 14.9 | 1.7 | 934 | 9.9 |
| 15 | 14.9 | 1.7 | 976 | 10.6 |
| Time (min) | Battery Voltage (VBAT) | Current (A) | Consumed Charge (mAh) | Trip (km) |
|---|---|---|---|---|
| 0 | 16.3 | 0 | 0 | 0 |
| 1 | 15.5 | 3.6 | 140 | 0.9 |
| 2 | 15.5 | 2.4 | 207 | 1.6 |
| 3 | 15.4 | 3 | 253 | 2.2 |
| 4 | 15.3 | 1.8 | 365 | 2.7 |
| 5 | 15.3 | 1.3 | 383 | 3.4 |
| 6 | 15.2 | 1.7 | 452 | 4.0 |
| 7 | 15.1 | 2.2 | 490 | 4.6 |
| 8 | 15.0 | 1.8 | 594 | 5.2 |
| 9 | 15.0 | 1.4 | 624 | 5.8 |
| 10 | 14.9 | 1.8 | 721 | 6.4 |
| 11 | 14.8 | 1.7 | 752 | 7.0 |
| 12 | 14.8 | 1.6 | 783 | 7.6 |
| 13 | 14.7 | 1.8 | 857 | 8.2 |
| 14 | 14.7 | 1.5 | 885 | 8.7 |
| 15 | 14.6 | 1.6 | 915 | 9.4 |
| UAV Type | Consumption (mAh) | Average Current (mA) | Mass (g) | Consumption Savings (%) | Mass Growth/Consumption Ratio (g/%) |
|---|---|---|---|---|---|
| Plane without PV System | 976 | 2300 | 774 | - | - |
| PV Module | ≈−150 | ≈−600 | 293 | - | - |
| Plane with PV System | 915 | 2150 | 1067 | 6.25 | 46.88 g/% |
© 2018 by the authors. Licensee MDPI, Basel, Switzerland. This article is an open access article distributed under the terms and conditions of the Creative Commons Attribution (CC BY) license (http://creativecommons.org/licenses/by/4.0/).
Share and Cite
Kranjec, B.; Sladic, S.; Giernacki, W.; Bulic, N. PV System Design and Flight Efficiency Considerations for Fixed-Wing Radio-Controlled Aircraft—A Case Study. Energies 2018, 11, 2648. https://doi.org/10.3390/en11102648
Kranjec B, Sladic S, Giernacki W, Bulic N. PV System Design and Flight Efficiency Considerations for Fixed-Wing Radio-Controlled Aircraft—A Case Study. Energies. 2018; 11(10):2648. https://doi.org/10.3390/en11102648
Chicago/Turabian StyleKranjec, Bojan, Sasa Sladic, Wojciech Giernacki, and Neven Bulic. 2018. "PV System Design and Flight Efficiency Considerations for Fixed-Wing Radio-Controlled Aircraft—A Case Study" Energies 11, no. 10: 2648. https://doi.org/10.3390/en11102648
APA StyleKranjec, B., Sladic, S., Giernacki, W., & Bulic, N. (2018). PV System Design and Flight Efficiency Considerations for Fixed-Wing Radio-Controlled Aircraft—A Case Study. Energies, 11(10), 2648. https://doi.org/10.3390/en11102648

