Energy and Exergy Analysis of a Cruise Ship †
Abstract
1. Introduction
1.1. Background
1.2. Previous Work
1.3. Aim
- Analyze the demand of a cruise ship in terms of propulsion power, electric power and heat, based on operational measurements. The lack of existing information with reference to the heat demand is considered a particular element of novelty when compared to existing literature in the subject.
- Analyze the current efficiency of the system, and potential ways to improve it, by means of applying exergy analysis.
- Provide reference operational conditions and typical operational days for further use in the field of energy systems optimization.
2. Materials and Methods
2.1. Case Study Vessel
2.2. Energy and Exergy Analysis
2.2.1. Energy Analysis
2.2.2. Exergy Analysis
2.2.3. System Performance
- the exergy efficiency , defined as the ratio between the exergy product and fuel of a given component or system:
- the efficiency defect , presented in the work of Kotas [33], defined as the fraction of the total exergy input destroyed in the successive irreversible processes:
- the irreversibility share , suggested in the work of Tsatsaronis [36], defined as the ratio between the exergy destroyed in the i-th component in relation to the exergy destroyed in the entire system:
2.3. Modeling the Energy System of the Ship
2.3.1. Diesel Engines
2.3.2. Electric Power Demand
2.3.3. Heating and Cooling Systems
2.4. Operational Mode
- High-speed sailing Ship speed above 15 kn
- Low-speed sailing Ship speed between 4 and 15 kn
- Maneuvering Ship speed between 2 and 4 knots OR Thrusters power larger than 0
- Port stays/ship drifting All other points
2.5. Determination of Typical Operational Conditions
- the average intra-cluster distance to assess the density of each cluster, preferably small;
- the average inter-cluster distance to assess the distance between each, preferably high;
- the expected square error, a statistical measure of the accuracy of the reconstructed profile, preferably low;
- the profile deviation (deviation between original and typical period profiles), ;
- the deviation from the load duration curve of the average values of each period, ;
- the relative error in load duration curve deviation ;
- the maximum duration load curve difference ;
- the number of periods with relative errors higher than 7%.
- the total power consumption, including the mechanical and electrical loads;
- the total heating demand, further divided into the LT and HT needs, which is related to the external temperature;
- the total exergy destruction on-board, which quantifies the thermodynamic performance of the ship energy systems.
3. Results
3.1. Exploratory Analysis
3.2. Energy Analysis
3.3. Exergy Analysis
3.4. Typical Operational Days
4. Discussion
4.1. Potential for System Improvement
4.2. Limitations and Future Work
5. Conclusions
Supplementary Materials
Author Contributions
Funding
Acknowledgments
Conflicts of Interest
Abbreviations
| GHG | Greenhouse gas |
| IMO | International Maritime Organization |
| APCA | Adaptive piecewise constant approximation |
| AB | Auxiliary boiler |
| HVAC | Heat, ventilation and air conditioning |
| PH | Preheater |
| RH | Reheater |
| HW | HHot water heater |
| TH | Fuel Tank heating |
| OT | Other tanks heating |
| MSH | Machinery space heating |
| HH | HFO heater |
| HTH | HFO tank heating |
| EGB | Exhaust gas boilers |
| HTHR | High temperature heat recovery |
| SMHI | Swedish Meteorological and Hydrological Institute |
| ME | Main engine |
| AE | Auxiliary engine |
| HT | High temperature |
| LT | Low temperature |
Appendix A. Extended Method Description
Appendix A.1. Data Gathering and Pre-Processing
Appendix A.2. Diesel Engines Modeling


| Variable | Unit | M/C | 30% | 50% | 70% | 90% | |
|---|---|---|---|---|---|---|---|
| Compressor | |||||||
| C | M | 302 | |||||
| C | C | 356.0 | 409.4 | 434.1 | 461.7 | ||
| kg/s | C | 4.24 | 7.62 | 8.51 | 10.28 | ||
| - | M | ||||||
| Turbine | |||||||
| C | C | 698.8 | 702.2 | 763.3 | 786.0 | ||
| C | M | 639.3 | 592.9 | 633.2 | 631.0 | ||
| kg/s | C | 4.35 | 7.79 | 8.73 | 10.57 | ||
| - | C | ||||||
| Bypass valve | |||||||
| kg/s | C | 0.98 | 2.05 | 1.02 | 0.39 | ||
| Cylinders | |||||||
| kg/s | C | 3.25 | 5.57 | 7.49 | 9.89 | ||
| kg/s | C | 0.11 | 0.17 | 0.22 | 0.28 | ||
| kg/s | C | 3.37 | 5.74 | 7.71 | 10.17 | ||
| C | M | 323.7 | 323.2 | 323.1 | 323.5 | ||
| C | M | 698.8 | 702.2 | 763.3 | 786.0 | ||
| CAC-LT stage | |||||||
| C | C | 355.2 | 350.1 | 360.0 | 368.7 | ||
| C | M | 323.7 | 323.2 | 323.1 | 323.5 | ||
| C | M | 309.3 | 309.6 | 309.5 | 309.6 | ||
| C | C | 310.4 | 311.0 | 311.8 | 313.0 | ||
| kg/s | C | 23.36 | 26.09 | 29.1 | 31.53 | ||
| CAC-HT stage | |||||||
| C | C | 356.0 | 409.4 | 434.1 | 461.7 | ||
| C | C | 355.2 | 350.1 | 360.0 | 368.7 | ||
| C | C | 360.8 | 360.2 | 359.6 | 358.7 | ||
| C | C | 360.8 | 362.6 | 363.6 | 365.4 | ||
| kg/s | C | 33.21 | 33.18 | 33.33 | 33.33 | ||
| LOC | |||||||
| C | C | 346.6 | 348.9 | 349.8 | 350.5 | ||
| C | M | 335.1 | 336.8 | 338.1 | 338.3 | ||
| C | C | 310.4 | 311.0 | 311.8 | 313.0 | ||
| C | C | 317.4 | 317.6 | 317.5 | 318.5 | ||
| JWC | |||||||
| C | C | 423 | |||||
| C | M | 358.1 | 358.4 | 357.6 | 356.4 | ||
| C | C | 360.8 | 360.2 | 359.6 | 358.7 | ||
| Variable | Unit | M/C | 30% | 50% | 70% | 90% | |
|---|---|---|---|---|---|---|---|
| Compressor | |||||||
| C | M | 284.2 | 285.3 | 284.9 | 294.6 | ||
| C | C | 323.2 | 357.9 | 391.6 | 430.9 | ||
| kg/s | C | 1.96 | 2.65 | 3.5 | 4.27 | ||
| - | M | ||||||
| Turbine | |||||||
| C | M | 729.5 | 762.1 | 770.3 | 798.5 | ||
| C | M | 652.8 | 667.8 | 654.2 | 659.4 | ||
| kg/s | C | 2.02 | 2.74 | 3.61 | 4.41 | ||
| - | C | ||||||
| Cylinders | |||||||
| kg/s | C | 1.96 | 2.65 | 3.5 | 4.27 | ||
| kg/s | C | 0.05 | 0.08 | 0.11 | 0.14 | ||
| kg/s | C | 2.02 | 2.74 | 3.61 | 4.41 | ||
| C | M | 320.8 | 322.3 | 327.6 | 329.1 | ||
| C | C | 729.5 | 762.1 | 770.3 | 798.5 | ||
| CAC-LT stage | |||||||
| C | C | 323.2 | 356.3 | 366.7 | 372.0 | ||
| C | M | 320.8 | 322.3 | 327.6 | 329.1 | ||
| C | M | 317.1 | 316.3 | 317.5 | 314.1 | ||
| C | C | 317.2 | 318.2 | 320.5 | 318.3 | ||
| kg/s | C | 11.16 | 11.16 | 10.98 | 10.78 | ||
| CAC-HT stage | |||||||
| C | C | 323.2 | 357.9 | 391.6 | 430.9 | ||
| C | C | 323.2 | 356.3 | 366.7 | 372.0 | ||
| C | C | 362.5 | 364.2 | 368.0 | 368.2 | ||
| C | C | 362.5 | 364.3 | 369.3 | 371.9 | ||
| kg/s | C | 16.66 | 16.67 | 16.55 | 16.67 | ||
| LOC | |||||||
| C | C | 348.2 | 350.3 | 354.0 | 357.3 | ||
| C | M | 336.6 | 337.4 | 339.7 | 340.4 | ||
| C | C | 317.2 | 318.2 | 320.5 | 318.3 | ||
| C | C | 325.9 | 327.8 | 331.4 | 331.3 | ||
| JWC | |||||||
| C | C | 423 | |||||
| C | M | 360.0 | 359.7 | 362.3 | 361.5 | ||
| C | C | 362.5 | 364.2 | 368.0 | 368.2 | ||
| Energy Flow | Type | 30% | 50% | 70% | 90% |
|---|---|---|---|---|---|
| Power output | Mech | 1767 | 2946 | 4118 | 5293 |
| Exhaust gas (after turbine) | Heat | 1672 | 2566 | 3227 | 3938 |
| CAC-LT | Heat | 80 | 197 | 353 | 613 |
| CAC-HT | Heat | 0 | 256 | 470 | 763 |
| JWC | Heat | 501 | 507 | 549 | 620 |
| LOC | Heat | 501 | 507 | 549 | 620 |
| Energy Flow | Type | 30% | 50% | 70% | 90% |
|---|---|---|---|---|---|
| Power output | Mech | 828 | 1381 | 1932 | 2482 |
| Exhaust gas (after turbine) | Heat | 808 | 1144 | 1456 | 1753 |
| CAC-LT | Heat | 5 | 92 | 139 | 185 |
| CAC-HT | Heat | 0 | 4 | 87 | 256 |
| JWC | Heat | 278 | 366 | 436 | 510 |
| LOC | Heat | 278 | 366 | 436 | 510 |
Appendix A.3. Electric Demand Modeling
Appendix A.3.1. HVAC Systems


Appendix A.3.2. Thrusters

Appendix A.4. Heat Demand

| Heat Flow Name | Equation |
|---|---|
| HVAC Preheater | |
| HVAC Reheater | |
| Hot water heater | |
| Galley | |
| Low temperature tank heating | |
| HFO tank heating | |
| Machinery space heating | |
| HFO heater |
Appendix A.4.1. Heat Generation
Appendix A.4.2. Heat Balance Parameter Estimation
| Parameter Name | Symbol | Unit | Lower Boundary | Higher Boundary | Optimal Value |
|---|---|---|---|---|---|
| Constant HTHR heat demand | kW | 0 | 1000 | 20.5 | |
| Constant steam demand | kW | 0 | 1000 | 0 | |
| Weight factor of the HVAC Re-heater | - | 0.5 | 1 | 0.40 | |
| Weight factor of the HVAC Pre-heater | - | 0 | 1 | 1.00 | |
| Weight factor of hot water heater | - | 0.5 | 1 | 0.72 | |
| Weight factor of the galley | - | 0.5 | 1 | 0.68 | |
| Weight factor of the other consumers | - | 0.5 | 1 | 0.21 | |
| HTHR inlet temperature | K | 343 | 353 | 348 | |
| Effectiveness of the HTHR HEX | - | 0.5 | 0.9 | 0.5 | |
| Boiler drum steam storage capacity | MJ | 100 | 100,000 | 9.5 × | |
| Boiler heat rate | kW | 2000 | 8000 | 5100 |
Appendix A.4.3. Uncertainty Quantification of Heat Demand
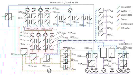
Appendix A.5. Full List of Exchangers in the Ship’s Heat Exchanger Network
| Identifier | Full Name | |
|---|---|---|
| Low temperature cooling | Charge air cooler, LT stage (ME1) | |
| Lubricating oil cooler (ME1) | ||
| Charge air cooler, LT stage (ME3) | ||
| Lubricating oil cooler (ME3) | ||
| Charge air cooler, LT stage (AE1) | ||
| Lubricating oil cooler (AE1) | ||
| Charge air cooler, LT stage (AE3) | ||
| Lubricating oil cooler (AE3) | ||
| Generator cooler (AE) | ||
| Propeller oil cooler | ||
| Shaft bearing cooler (ME) | ||
| Steam condenser | ||
| Fin stabiliser cooler | ||
| Gearbox cooler | ||
| High temperature cooling | Jacket water cooler (ME1) | |
| Charge air cooler, HT stage (ME1) | ||
| Jacket water cooler (ME3) | ||
| Charge air cooler, HT stage (ME3) | ||
| Jacket water cooler (AE1) | ||
| Charge air cooler, HT stage (AE1) | ||
| Jacket water cooler (AE3) | ||
| Charge air cooler, HT stage (AE3) | ||
| Heat recovery from HT cooling (eng.room1/3) | ||
| Hot water heat recovery system | Heat recovery from HT cooling (eng.room1/3) | |
| Heat recovery from HT cooling (eng.room 2/4) | ||
| Steam heater | ||
| AC-Reating | ||
| AC-Preheating | ||
| Hot water heater | ||
| Technical water generator | ||
| Steam systems | Heat recovery steam generator (AE1) | |
| Heat recovery steam generator (AE3) | ||
| Heat recovery steam generator (ME3) | ||
| Heat recovery steam generator (AE2) | ||
| Heat recovery steam generator (AE4) | ||
| Heat recovery steam generator (ME2) | ||
| Auxiliary boiler 1 | ||
| Auxiliary boiler 2 |
References
- IPCC. Climate Change 2014: Synthesis Report. Contribution of Working Groups I, II and III to the Fifth Assessment Report of the Intergovernamental Panel on Climate Change; Core Writing Team, Pachauri, R.K., Meyer, L.A., Eds.; Synthesis Report; IPCC: Geneva, Switzerland, 2014. [Google Scholar]
- Smith, T.; Jalkanen, J.P.; Anderson, B.; Corbett, J.J.; Faber, J.S.H.; O’Keeffe, E.; Parker, S.; Johansson, L.; Aldous, L.; Raucci, C.; et al. Third IMO GHG Study; Technical Report; International Maritime Organization (IMO): London, UK, 2014. [Google Scholar]
- Taljegard, M.; Brynolf, S.; Grahn, M.; Andersson, K.; Johnson, H. Cost-effective choices of marine fuels in a carbon-constrained world: results from a global energy model. Environ. Sci. Technol. 2014, 48, 12986–12993. [Google Scholar] [CrossRef] [PubMed]
- Sadeghinezhad, E.; Kazi, S.; Sadeghinejad, F.; Badarudin, A.; Mehrali, M.; Sadri, R.; Reza Safaei, M. A comprehensive literature review of bio-fuel performance in internal combustion engine and relevant costs involvement. Renew. Sustain. Energy Rev. 2014, 30, 29–44. [Google Scholar] [CrossRef]
- Andersson, K.; Brynolf, S.; Lindgren, J.F.; Wilewska-Bien, M. Shipping and the Environment; Springer: Berlin, Germany, 2016. [Google Scholar]
- MEPC. Meeting Summary of the Marine Environment Protection Committee (MEPC), 72nd Session. Available online: http://www.imo.org/en/MediaCentre/MeetingSummaries/MEPC/Pages/MEPC-72nd-session.aspx (accessed on 6 August 2018).
- CLIA. 2018 Cruise Industry Outlook; Technical Report; Cruise Lines International Association: Washington, DC, USA, 2017. [Google Scholar]
- Eijgelaar, E.; Thaper, C.; Peeters, P. Antarctic cruise tourism: The paradoxes of ambassadorship, “last chance tourism” and greenhouse gas emissions. J. Sustain. Tour. 2010, 18, 337–354. [Google Scholar] [CrossRef]
- Brynolf, S.; Baldi, F.; Johnson, H. Energy Efficiency and Fuel Changes to Reduce Environmental Impacts. In Shipping and the Environment; Springer: Berlin, Germany, 2016. [Google Scholar]
- Bouman, E.A.; Lindstad, E.; Rialland, A.I.; Strømman, A.H. State-of-the-art technologies, measures, and potential for reducing GHG emissions from shipping—A review. Transp. Res. Part D-Transp. Environ. 2017, 52, 408–421. [Google Scholar] [CrossRef]
- Shi, W.; Stapersma, D.; Grimmelius, H.T. Analysis of energy conversion in ship propulsion system in off-design operation conditions. WIT Trans. Ecol. Environ. 2009, 121, 449–460. [Google Scholar] [CrossRef]
- Theotokatos, G.; Tzelepis, V. A computational study on the performance and emission parameters mapping of a ship propulsion system. Proc. Inst. Mech. Eng. Part M J. Eng. Marit. Environ. 2015, 229, 58–76. [Google Scholar] [CrossRef]
- Martelli, M.; Vernengo, G.; Bruzzone, D.; Notti, E. Holistic modeling of the global propulsion energy index in waves for small craft. Int. J. Offshore Polar Eng. 2017, 27, 442–447. [Google Scholar] [CrossRef]
- Jafarzadeh, S.; Pedersen, E.; Notti, E.; Sala, A.; Ellingsen, H. A bond graph approach to improve the energy efficiency of ships. In Proceedings of the ASME 2014 33rd International Conference on Ocean, Offshore and Arctic Engineering, San Francisco, CA, USA, 8–13 June 2014; Volume 8B. [Google Scholar] [CrossRef]
- Yan, X.; Sun, X.; Yin, Q. Multiparameter sensitivity analysis of operational energy efficiency for inland river ships based on backpropagation neural network method. Mar. Technol. Soc. J. 2016, 49, 148–153. [Google Scholar] [CrossRef]
- Yuan, Y.; Li, Z.; Malekian, R.; Yan, X. Analysis of the operational ship energy efficiency considering navigation environmental impacts. J. Mar. Eng. Technol. 2017, 16, 150–159. [Google Scholar] [CrossRef]
- Galli, A.M.; Gualeni, P.; Stranieri, G.; Qualitch, S.; Cusano, G. Monitoring and analysis of the performance data of a RO-PAX ship in the perspective of energy efficiency. Pol. Mar. Res. 2014, 21, 18–26. [Google Scholar] [CrossRef]
- Thomas, G.; O’Doherty, D.; Sterling, D.; Chin, C. Energy audit of fishing vessels. Proc. Inst. Mech. Eng. Part M J. Eng. Marit. Environ. 2010, 224, 87–101. [Google Scholar] [CrossRef]
- Buglioni, G.; Notti, E.; Sala, A. E-audit: Energy use in Italian fishing vessels. In Sustainable Maritime Transportation and Exploitation of Sea Resources; CRC Press: Boca Raton, FL, USA, 2011; Volume 2, pp. 1043–1047. [Google Scholar]
- Basurko, O.C.; Gabiña, G.; Uriondo, Z. Energy performance of fishing vessels and potential savings. J. Clean. Prod. 2013, 54, 30–40. [Google Scholar] [CrossRef]
- Parker, R.; Tyedmers, P. Fuel consumption of global fishing fleets: Current understanding and knowledge gaps. Fish Fish. 2015, 16, 684–696. [Google Scholar] [CrossRef]
- Parker, R.; Gardner, C.; Green, B.; Hartmann, K.; Watson, R. Drivers of fuel use in rock lobster fisheries. ICES J. Mar. Sci. 2017, 74, 1681–1689. [Google Scholar] [CrossRef]
- Coraddu, A.; Figari, M.; Savio, S. Numerical investigation on ship energy efficiency by Monte Carlo simulation. Proc. Inst. Mech. Eng. Part M J. Eng. Marit. Environ. 2014, 228, 220–234. [Google Scholar] [CrossRef]
- Simonsen, M.; Walnum, H.J.; Gössling, S. Model for Estimation of Fuel Consumption of Cruise Ships. Energies 2018, 11, 1059. [Google Scholar] [CrossRef]
- Baldi, F.; Johnson, H.; Gabrielii, C.; Andersson, K. Energy and exergy analysis of ship energy systems—The case study of a chemical tanker. Int. J. Thermodyn. 2015, 18, 82–93. [Google Scholar] [CrossRef]
- Marty, P.; Corrignan, P.; Gondet, A.; Chenouard, R.; Hétet, J. Modelling of energy flows and fuel consumption on board ships: Application to a large modern cruise vessel and comparison with sea monitoring data. In Proceedings of the 11th International Marine Design Conference, Glasgow, UK, 11–14 June 2012. [Google Scholar]
- Shu, G.; Liang, Y.; Wei, H.; Tian, H.; Zhao, J.; Liu, L. A review of waste heat recovery on two-stroke IC engine aboard ships. Renew. Sustain. Energy Rev. 2013, 19, 385–401. [Google Scholar] [CrossRef]
- Mondejar, M.; Andreasen, J.; Pierobon, L.; Larsen, U.; Thern, M.; Haglind, F. A review of the use of organic Rankine cycle power systems for maritime applications. Renew. Sustain. Energy Rev. 2018, 91, 126–151. [Google Scholar] [CrossRef]
- Mondejar, M.E.; Ahlgren, F.; Thern, M.; Genrup, M. Quasi-steady state simulation of an organic Rankine cycle for waste heat recovery in a passenger vessel. Appl. Energy 2017, 185, 1324–1335. [Google Scholar] [CrossRef]
- Baldi, F.; Ahlgren, F.; Melino, F.; Gabrielii, C.; Andersson, K. Optimal load allocation of complex ship power plants. Energy Convers. Manag. 2016, 124, 344–356. [Google Scholar] [CrossRef]
- SMHI. Explorer SMHIs Data. Online Resource. Available online: http://opendata-catalog.smhi.se/explore/ (accessed on 7 August 2018).
- Bejan, A.; Tsatsaronis, G.; Moran, M. Thermal Design and Optimization; John Wiley & Sons: Hoboken, NJ, USA, 1996. [Google Scholar]
- Kotas, T.J. The Exergy Method of Thermal Plant Analysis; Elsevier: New York, NY, USA, 2013. [Google Scholar]
- Tsatsaronits, G. Definitions and nomenclature in exergy analysis and exergoeconomics. Energy 2007, 32, 249–253. [Google Scholar] [CrossRef]
- Szargut, J. Chemical exergies of the elements. Appl. Energy 1989, 32, 269–286. [Google Scholar] [CrossRef]
- Tsatsaronis, G. Thermoeconomic analysis and optimization of energy systems. Prog. Energy Combust. Sci. 1993, 19, 227–257. [Google Scholar] [CrossRef]
- Kanungo, T.; Mount, D.M.; Netanyahu, N.S.; Piatko, C.D.; Silverman, R.; Wu, A.Y. An efficient k-means clustering algorithm: Analysis and implementation. IEEE Trans. Pattern Anal. Mach. Intell. 2002, 24, 881–892. [Google Scholar] [CrossRef]
- Fazlollahi, S.; Bungener, S.L.; Mandel, P.; Becker, G.; Maréchal, F. Multi-objectives, multi-period optimization of district energy systems: I. Selection of typical operating periods. Comput. Chem. Eng. 2014, 65, 54–66. [Google Scholar] [CrossRef]
- Keogh, E.; Chakrabarti, K.; Pazzani, M.; Mehrotra, S. Locally adaptive dimensionality reduction for indexing large time series databases. ACM Sigmod. Rec. 2001, 30, 151–162. [Google Scholar] [CrossRef]
- Baldi, F.; Maréchal, F.; Tammi, K. Process integration as a tool for the improvement of cruise ships energy efficiency. In Proceedings of the Shipping in Changing Climate Conference, London, UK, 4–5 September 2017. [Google Scholar]
- Ahlgren, F.; Mondejar, M.E.; Genrup, M.; Thern, M. Waste heat recovery in a cruise vessel in the Baltic Sea by using an Organic Rankine Cycle: A case study. J. Eng. Gas Turbines Power 2016, 138, 011702. [Google Scholar] [CrossRef]
- Sakalis, G.N.; Frangopoulos, C.A. Intertemporal optimization of synthesis, design and operation of integrated energy systems of ships: General method and application on a system with Diesel main engines. Appl. Energy 2018, 226, 991–1008. [Google Scholar] [CrossRef]
- Trivyza, N.L.; Rentizelas, A.; Theotokatos, G. A novel multi-objective decision support method for ship energy systems synthesis to enhance sustainability. Energy Convers. Manag. 2018, 168, 128–149. [Google Scholar] [CrossRef]
- Banks, C.; Turan, O.; Incecik, A.; Theotokatos, G.; Izkan, S.; Shewell, C.; Tian, X. Understanding Ship Operating Profiles with an Aim to Improve Energy Efficient Ship Operations. In Proceedings of the Low Carbon Shipping Conference, London, UK, 9–10 September 2013; pp. 1–11. [Google Scholar]
- Bock, H.G. (Ed.) Model Based Parameter Estimation: Theory and Applications; Number v.4 in Contributions in Mathematical and Computational Sciences; Springer: Berlin, Germany; New York, NY, USA, 2013. [Google Scholar]
- Crowe, C.M. Data reconciliation—Progress and challenges. J. Process Control 1996, 6, 89–98. [Google Scholar] [CrossRef]
- McKinney, W. Data Structures for Statistical Computing in Python. In Proceedings of the 9th Python in Science Conference, Austin, TX, USA, 28–30 June 2010; pp. 51–56. [Google Scholar]























| Unit Name | N | Rated Power | Other Info |
|---|---|---|---|
| Main engine | 4 | 5850 | 4-stroke, Nominal speed: 500 rpm, 6 cyl, Bore: 460 mm, Stroke: 580 mm, bsfc at rated power: 175 g/kWh |
| Auxiliary engine | 4 | 2760 | 4-stroke, Nominal speed: 750 rpm, 6 cyl, Bore: 320 mm, Stroke: 400 mm, bsfc at rated power: 184 g/kWh |
| HRSG (ME) | 2 | 800 | Based on 1000 kg/h steam at 7 bar. Only installed on ME2 and ME3 |
| HRSG (AE) | 4 | 640 | Based on 800 kg/h steam at 7 bar |
| Sea water cooler | 2 | 5400 | Based on a max water flow of 725 m/h |
| Electric generator | 4 | 3312 (kVA) | 8 poles, 50 Hz |
| Auxiliary boiler | 2 | 4500 | |
| HVAC–Preheater | 1 | 3500 | |
| HVAC–Reheater | 1 | 1780 | |
| HVAC–Compressors | 2 | 2015 |
| Component Name | Contribution to Exergy Losses |
|---|---|
| Turbochargers | 28.9% |
| HRSGs | 10.7% |
| Steam heater | 10.5% |
| HVAC preheater | 10.4% |
| Sea water cooler | 8.5% |
| Electric generators | 6.1% |
| 0.65 | 0.10 | |
| 0.11 | 0.11 | |
| 0.23 | 0.07 | |
| 0.18 | 0.06 | |
| 155.00 | 168.00 |
© 2018 by the authors. Licensee MDPI, Basel, Switzerland. This article is an open access article distributed under the terms and conditions of the Creative Commons Attribution (CC BY) license (http://creativecommons.org/licenses/by/4.0/).
Share and Cite
Baldi, F.; Ahlgren, F.; Nguyen, T.-V.; Thern, M.; Andersson, K. Energy and Exergy Analysis of a Cruise Ship. Energies 2018, 11, 2508. https://doi.org/10.3390/en11102508
Baldi F, Ahlgren F, Nguyen T-V, Thern M, Andersson K. Energy and Exergy Analysis of a Cruise Ship. Energies. 2018; 11(10):2508. https://doi.org/10.3390/en11102508
Chicago/Turabian StyleBaldi, Francesco, Fredrik Ahlgren, Tuong-Van Nguyen, Marcus Thern, and Karin Andersson. 2018. "Energy and Exergy Analysis of a Cruise Ship" Energies 11, no. 10: 2508. https://doi.org/10.3390/en11102508
APA StyleBaldi, F., Ahlgren, F., Nguyen, T.-V., Thern, M., & Andersson, K. (2018). Energy and Exergy Analysis of a Cruise Ship. Energies, 11(10), 2508. https://doi.org/10.3390/en11102508

