Multivalued Coefficient Prestorage and Block Parallel Method for Real-Time Simulation of Microgrid on FRTDS
Abstract
:1. Introduction
2. Electromagnetic Transient Simulation Model
2.1. Power Supply and Lumped Resistor
2.2. Lumped Elements (L, C)
2.3. Fault Model and Circuit Breaker Model
3. Subnetwork Multiport Hybrid Equivalent and Internal Solution Method
4. Network Equation and Solving Method
4.1. Write the Network Equation
4.2. Solve the Network Equation
5. Local Iterative Method for Nonlinear Networks
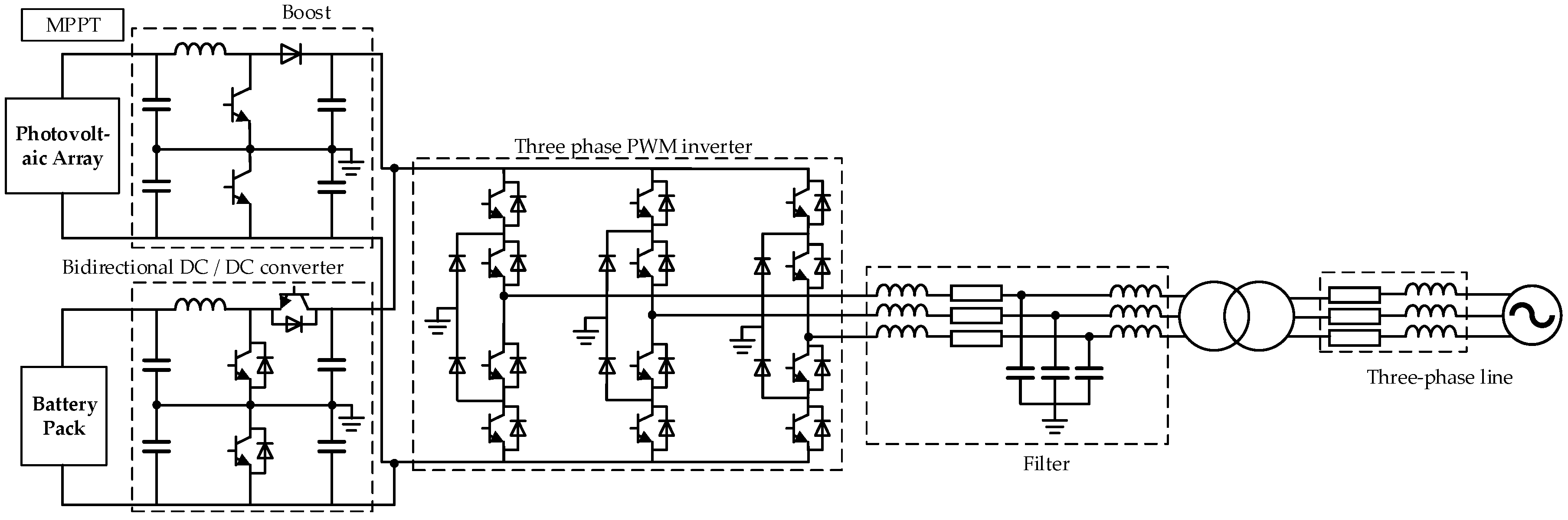
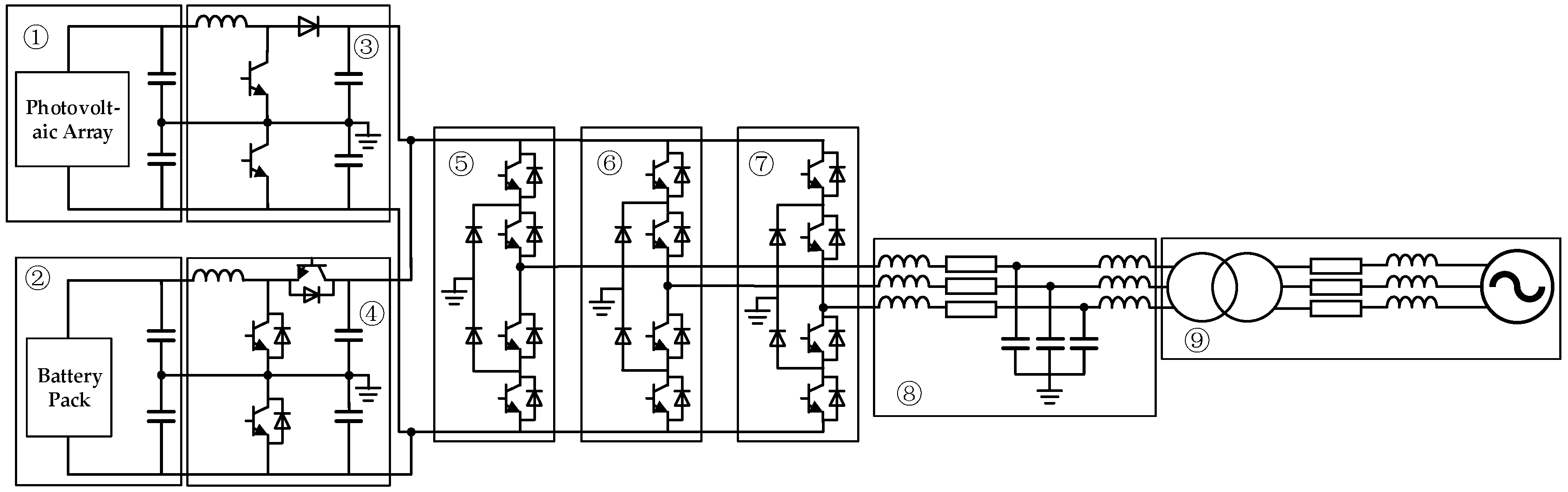
6. Real-Time Simulation Case Study
6.1. Simulation Platform
6.2. Simulation and Analysis
7. Conclusions
Acknowledgments
Author Contributions
Conflicts of Interest
References
- Yan, B.; Wang, B.; Zhu, L.; Liu, H.; Liu, Y.; Ji, X.; Liu, D. A novel, stable, and economic power sharing scheme for an autonomous microgrid in the energy internet. Energies 2015, 8, 12741–12764. [Google Scholar] [CrossRef]
- Huang, A.Q.; Crow, M.L.; Heydt, G.T.; Zheng, J.P.; Dale, S.J. The future renewable electric energy delivery and management (FREEDM) system: The energy internet. Proc. IEEE 2010, 99, 133–148. [Google Scholar] [CrossRef]
- Bolla, R.; Bruschi, R.; Davoli, F.; Cucchietti, F. Energy efficiency in the future internet: A survey of existing approaches and trends in energy-aware fixed network infrastructures. IEEE Commun. Surv. Tutor. 2011, 13, 223–244. [Google Scholar] [CrossRef]
- Jeon, J.H.; Kim, J.Y.; Kim, H.M.; Kim, S.K.; Cho, C.; Kim, J.M.; Ahn, J.B.; Nam, K.Y. Development of hardware in-the-loop simulation system for testing operation and control functions of a microgrid. IEEE Trans. Power Electron. 2010, 25, 2919–2929. [Google Scholar] [CrossRef]
- Matar, M.; Karimi, H.; Etemadi, A.; Iravani, R. A high performance real-time simulator for controllers hardware-in-the-loop testing. Energies 2012, 5, 1713–1733. [Google Scholar] [CrossRef]
- Razzaghi, R.; Mitjans, M.; Rachidi, F.; Paolone, M. An automated FPGA real-time simulator for power electronics and power systems electromagnetic transient applications. Electr. Power Syst. Res. 2016, 141, 147–156. [Google Scholar] [CrossRef]
- Qi, L.; Langston, J.; Steurer, M.; Sundaram, A. Implementation and validation of a five-level STATCOM model in the RTDS small time-step environment. In Proceedings of the PES’09 IEEE Power and Energy Society General Meeting, Calgary, AB, Canada, 26–30 July 2009. [Google Scholar]
- Wang, J.; Tang, X.; Yin, Z. Research on medium voltage battery energy storage system based on RT-LAB. In Proceedings of the IEEE Transportation Electrification Asia-Pacific Conference, Beijing, China, 31 August–3 September 2014. [Google Scholar]
- Chen, Y.; Dinavahi, V. Digital hardware emulation of universal machine and universal line models for real-time electromagnetic transient simulation. IEEE Trans. Ind. Electron. 2012, 59, 1300–1309. [Google Scholar] [CrossRef]
- Myaing, A.; Dinavahi, V. FPGA-based real-time emulation of power electronic systems with detailed representation of device characteristics. IEEE Trans. Ind. Electron. 2011, 58, 358–368. [Google Scholar] [CrossRef]
- Tavana, N.R.; Dinavahi, V. A general framework for FPGA-based real-time emulation of electrical machines for HIL applications. IEEE Trans. Ind. Electron. 2015, 62, 2041–2053. [Google Scholar] [CrossRef]
- Matar, M.; Iravani, R. Massively parallel implementation of AC machine models for FPGA-based real-time simulation of electromagnetic transients. IEEE Trans. Power Deliv. 2011, 26, 830–840. [Google Scholar] [CrossRef]
- Liu, J.; Dinavahi, V. A real-time nonlinear hysteretic power transformer transient model on FPGA. IEEE Trans. Ind. Electron. 2014, 61, 3587–3597. [Google Scholar] [CrossRef]
- Chen, Y.; Dinavahi, V. Multi-FPGA digital hardware design for detailed large-scale real-time electromagnetic transient simulation of power systems. IET Gener. Transm. Distrib. 2013, 7, 451–463. [Google Scholar] [CrossRef]
- Wang, X.; Zhang, B.; Chen, X. Implementation of fine granularity parallelization in power system real-time simulation. J. Tianjin Univ. (Sci. Technol.) 2016, 49, 513–519. [Google Scholar] [CrossRef]
- Zhang, B.; Wang, L. Real-time simulation training system for substation based on FPGA. Power Syst. Prot. Control 2017, 45, 55–61. [Google Scholar] [CrossRef]
- Chen, Y.; Dinavahi, V. An iterative real-time nonlinear electromagnetic transient solver on FPGA. In Proceedings of the IEEE Power and Energy Society General Meeting, Detroit, MI, USA, 24–29 July 2011. [Google Scholar]
- Kato, T.; Inoue, K.; Fukutani, T.; Kanda, Y. Multirate analysis method for a power electronic system by circuit partitioning. IEEE Trans. Power Electron. 2009, 24, 2791–2802. [Google Scholar] [CrossRef]
- Matar, M.; Iravani, R. FPGA implementation of the power electronic converter model for real-time simulation of electromagnetic transients. IEEE Trans. Power Deliv. 2010, 25, 852–860. [Google Scholar] [CrossRef]
- Kai, S.; Carlson, E. Nested fast and simultaneous solution for time-domain simulation of integrative power-electric and electronic systems. IEEE Trans. Power Deliv. 2006, 22, 277–287. [Google Scholar] [CrossRef]
- Chen, Y.; Dinavahi, V. FPGA-based real-time EMTP. IEEE Trans. Power Deliv. 2009, 24, 892–902. [Google Scholar] [CrossRef]
- Blanchette, H.F.; Ould-Bachir, T.; David, J.P. A state-space modeling approach for the FPGA-based real-time simulation of high switching frequency power converters. IEEE Trans. Ind. Electron. 2012, 59, 4555–4567. [Google Scholar] [CrossRef]
- Krismadinata, C.; Rahim, N.A.; Ping, H.W.; Selvaraj, J. Photovoltaic module modeling using Simulink/Matlab. Procedia Environ. Sci. 2013, 17, 537–546. [Google Scholar] [CrossRef]
- Tremblay, O.; Dessaint, L.A.; Dekkiche, A.I. A Generic battery model for the dynamic simulation of hybrid electric vehicles. In Proceedings of the Vehicle Power and Propulsion Conference (VPPC), Arlington, TX, USA, 9–12 September 2007. [Google Scholar]
- Strous, T.D.; Polinder, H.; Ferreira, J.A. Brushless doubly-fed induction machines for wind turbines: Developments and research challenges. IET Electr. Power Appl. 2017, 11, 991–1000. [Google Scholar] [CrossRef]
- Gaonkar, D.N.; Pillai, G.N.; Patel, R.N. Dynamic performance of microturbine generation system connected to a grid. Electr. Power Compon. Syst. 2008, 36, 1031–1047. [Google Scholar] [CrossRef]
- Patterson, M.; Macia, N.F.; Kannan, A.M. Hybrid microgrid model based on solar photovoltaic battery fuel cell system for intermittent load applications. IEEE Trans. Energy Convers. 2015, 30, 359–366. [Google Scholar] [CrossRef]
- Li, P.; Wang, C.; Huang, B.; Gao, F.; Ding, C.; Yu, H. Methodology of transient simulation in time domain for DG and microgrid (3): Case study and validation. Electr. Power Autom. Equip. 2013, 33, 35–43. [Google Scholar] [CrossRef]

















| Subnetwork Label | ① | ② | ③ | ④ | ⑤ | ⑥ | ⑦ | ⑧ | ⑨ |
|---|---|---|---|---|---|---|---|---|---|
| x | 20 | 15 | 35 | 49 | 27 | 27 | 27 | 52 | 40 |
| y | 200 | 75 | 280 | 392 | 1728 | 1728 | 1728 | 52 | 1080 |
| Microprocessor Core Label | 1 | 2 | 3 | 4 | 5 | 6 | 7 | 8 |
|---|---|---|---|---|---|---|---|---|
| x | 1575 | 1496 | 1884 | 1736 | 1707 | 1345 | 1526 | 1683 |
| y | 824 | 793 | 913 | 867 | 869 | 851 | 832 | 873 |
© 2017 by the authors. Licensee MDPI, Basel, Switzerland. This article is an open access article distributed under the terms and conditions of the Creative Commons Attribution (CC BY) license (http://creativecommons.org/licenses/by/4.0/).
Share and Cite
Zhang, B.; Zhao, D.; Jin, Z.; Wu, Y. Multivalued Coefficient Prestorage and Block Parallel Method for Real-Time Simulation of Microgrid on FRTDS. Energies 2017, 10, 1248. https://doi.org/10.3390/en10091248
Zhang B, Zhao D, Jin Z, Wu Y. Multivalued Coefficient Prestorage and Block Parallel Method for Real-Time Simulation of Microgrid on FRTDS. Energies. 2017; 10(9):1248. https://doi.org/10.3390/en10091248
Chicago/Turabian StyleZhang, Bingda, Dan Zhao, Zhao Jin, and Yanjie Wu. 2017. "Multivalued Coefficient Prestorage and Block Parallel Method for Real-Time Simulation of Microgrid on FRTDS" Energies 10, no. 9: 1248. https://doi.org/10.3390/en10091248
APA StyleZhang, B., Zhao, D., Jin, Z., & Wu, Y. (2017). Multivalued Coefficient Prestorage and Block Parallel Method for Real-Time Simulation of Microgrid on FRTDS. Energies, 10(9), 1248. https://doi.org/10.3390/en10091248
