Evaporation and Ignition Characteristics of Water Emulsified Diesel under Conventional and Low Temperature Combustion Conditions
Abstract
:1. Introduction
2. Experimental Apparatus and Procedures
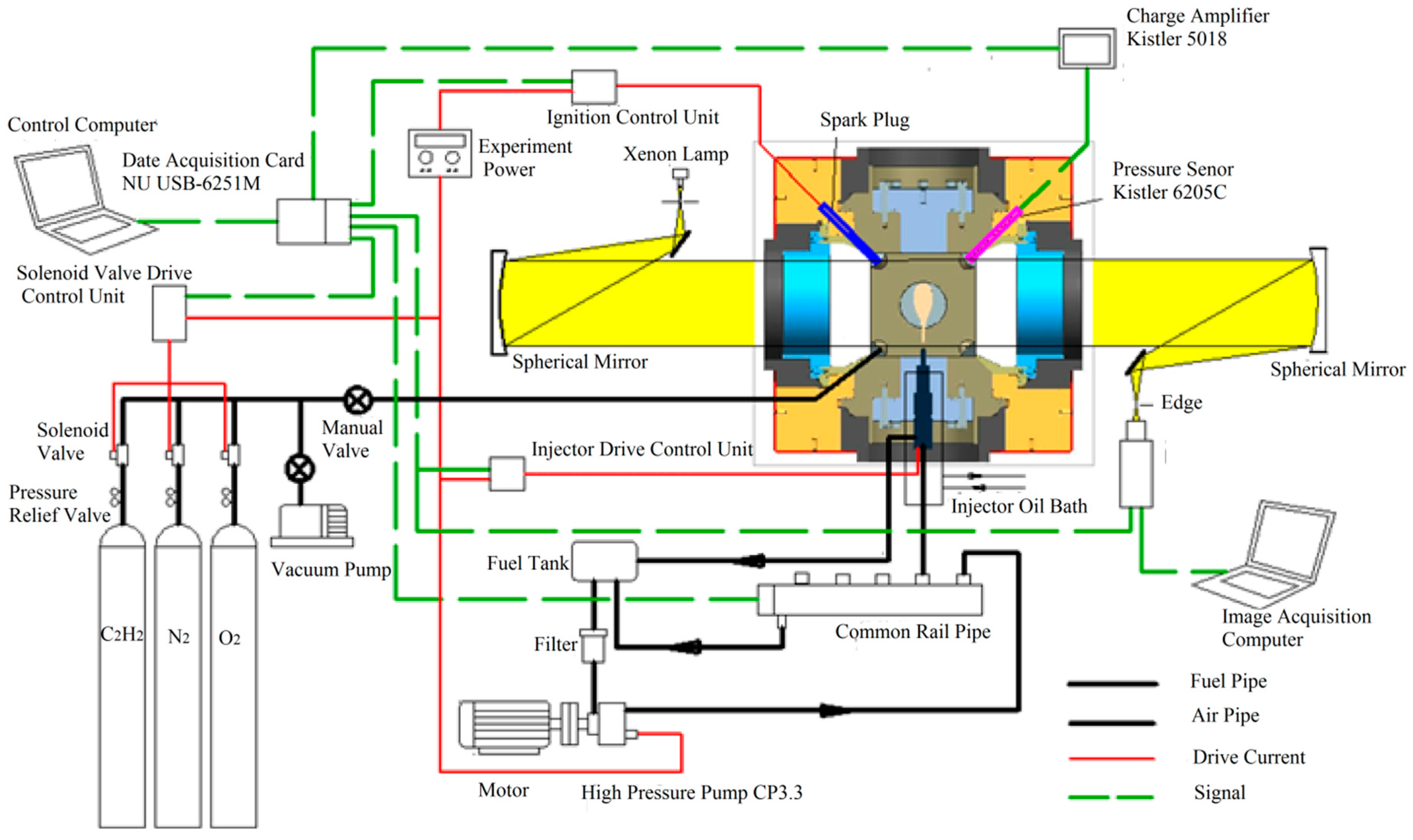
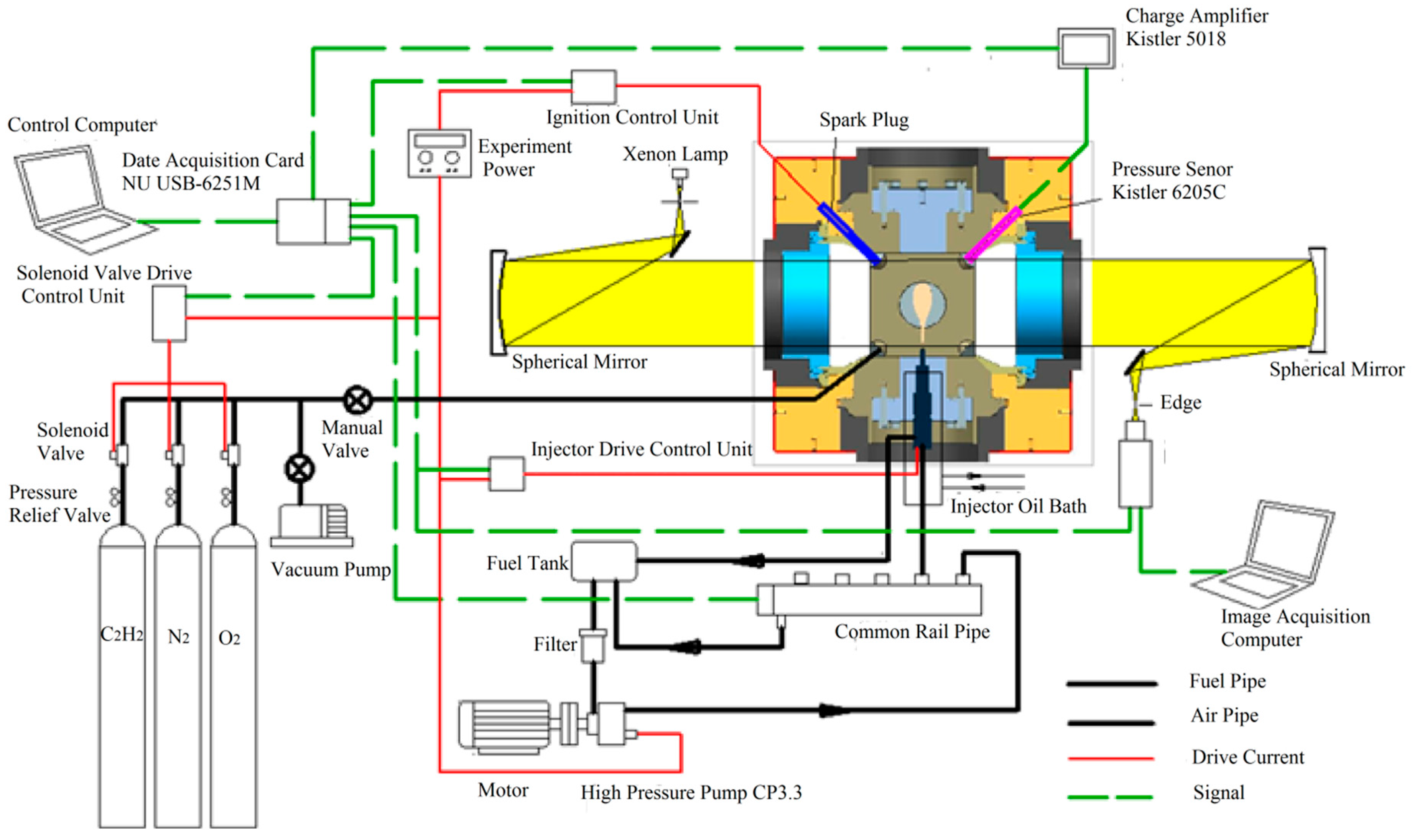
2.1. Constant Volume Chamber Optical System
2.2. Malvern Laser Particle Size Analyzer
2.3. Preparation of Water-Emulsified Diesel and Image Processing
2.4. Experimental Conditions
3. Results and Discussion
3.1. Effects of Ambient Temperature on the Spray Evaporation Characteristics
3.2. Effects of Ambient Temperature on the Ignition Characteristics
3.3. Effects of Ambient Temperature on Flame and Luminosity
4. Conclusions
- (1)
- The liquid core length, shape and area of the spray were similar at various ambient temperatures in the evaporating condition, indicating that the ambient temperature had little effect on the spray structure. The spray structure was mainly determined by the injection parameters, rather than the ambient temperature. However, higher ambient temperature reduced the Sauter Mean Diameter (SMD) of the spray droplets.
- (2)
- The auto-ignition delay time increased significantly with the decrease of the ambient temperature. The ignition process always occurred at the entrainment region near the front periphery of the liquid core. This entrainment region was evolved from the early injected fuel droplets which were heated and mixed by the continuous entrainment until the local temperature and equivalence ratio reached the ignition condition.
- (3)
- The maximum value of integrated natural flame luminosity (INFL) reduced by 60% when the ambient temperature dropped from 1000 to 800 K, indicating a significant decrease of the soot emissions could be achieved by Low Temperature Combustion (LTC) compared with the conventional diesel engine combustion mode.
Acknowledgments
Author Contributions
Conflicts of Interest
References
- Chintala, V.; Subramanian, K.A. Hydrogen energy share improvement along with NOx (oxides of nitrogen) emission reduction in a hydrogen dual-fuel compression ignition engine using water injection. Energy Convers. Manag. 2014, 83, 249–259. [Google Scholar] [CrossRef]
- Hountalas, D.T.; Mavropoulos, G.C.; Zannis, T.C.; Mamalis, S.D. Use of water emulsion and intake water injection as NOx reduction techniques for heavy duty diesel engines. SAE Tech. Pap. 2006. [Google Scholar] [CrossRef]
- Ithnin, A.M.; Ahmad, M.A.; Bakar, M.A.A.; Rajoo, S.; Yahya, W.J. Combustion performance and emission analysis of diesel engine fuelled with water-in-diesel emulsion fuel made from low-grade diesel fuel. Energy Convers. Manag. 2015, 90, 375–382. [Google Scholar] [CrossRef]
- Ogunkoya, D.; Li, S.; Rojas, O.J.; Fang, T. Performance, combustion, and emissions in a diesel engine operated with fuel-in-water emulsions based on lignin. Appl. Energy 2015, 154, 851–861. [Google Scholar] [CrossRef]
- Tauzia, X.; Maiboom, A.; Shah, S.R. Experimental study of inlet manifold water injection on combustion and emissions of an automotive direct injection diesel engine. Energy 2010, 35, 3628–3639. [Google Scholar] [CrossRef]
- Hountalas, D.T.; Mavropoulos, G.C.; Zannis, T.C. Comparative evaluation of EGR, intake water injection and fuel/water emulsion as NOx reduction techniques for heavy duty diesel engines. SAE Tech. Pap. 2007. [Google Scholar] [CrossRef]
- Zhang, W.; Chen, Z.; Shen, Y.; Shu, G.; Chen, G.; Xu, B.; Zhao, W. Influence of water emulsified diesel & oxygen-enriched air on diesel engine NO-smoke emissions and combustion characteristics. Energy 2013, 55, 369–377. [Google Scholar]
- Fahd, M.E.A.; Wenming, Y.; Lee, P.S.; Chou, S.K.; Yap, C.R. Experimental investigation of the performance and emission characteristics of direct injection diesel engine by water emulsion diesel under varying engine load condition. Appl. Energy 2013, 102, 1042–1049. [Google Scholar] [CrossRef]
- Kegl, B.; Pehan, S. Reduction of diesel engine emissions by water injection. SAE Tech. Pap. 2001. [Google Scholar] [CrossRef]
- Alahmer, A.; Yamin, J.; Sakhrieh, A.; Hamdan, M.A. Engine performance using emulsified diesel fuel. Energy Convers. Manag. 2010, 51, 1708–1713. [Google Scholar] [CrossRef]
- Huo, M.; Lin, S.; Liu, H.; Lee, C.-F.F. Study on the spray and combustion characteristics of water-emulsified diesel. Fuel 2014, 123, 218–229. [Google Scholar] [CrossRef]
- Iwai, M.; Yoshida, K.; Iijima, A.; Shoji, H. Study on performance of diesel engine applied with emulsified diesel fuel. SAE Tech. Pap. 2011. [Google Scholar] [CrossRef]
- Watanabe, H.; Suzuki, Y.; Harada, T.; Matsushita, Y.; Aoki, H.; Miura, T. An experimental investigation of the breakup characteristics of secondary atomization of emulsified fuel droplet. Energy 2010, 35, 806–813. [Google Scholar] [CrossRef]
- Park, S.; Woo, S.; Kim, H.; Lee, K. The characteristic of spray using diesel water emulsified fuel in a diesel engine. Appl. Energy 2016, 176, 209–220. [Google Scholar] [CrossRef]
- Samec, N.; Kegl, B.; Dibble, R.W. Numerical and experimental study of water/oil emulsified fuel combustion in a diesel engine. Fuel 2002, 81, 2035–2044. [Google Scholar] [CrossRef]
- Chen, X. Visualization Study on Spray and Combustion Characteristics of Emulsified Diesel Blending with Water by a Constant Volume Chamber; Huazhong University of Science and Technology: Wuhan, China, 2015. [Google Scholar]
- Akihama, K.; Takatori, Y.; Inagaki, K.; Sasaki, S.; Dean, A.M. Mechanism of the smokeless rich diesel combustion by reducing temperature. SAE Tech. Pap. 2001. [Google Scholar] [CrossRef]
- Kim, K.; Bae, C.; Johansson, B. Spray and combustion visualization of gasoline and diesel under different ambient conditions in a constant volume chamber. SAE Tech. Pap. 2013. [Google Scholar] [CrossRef]
- Zhang, J.; Jing, W.; Roberts, W.L.; Fang, T. Soot measurements for diesel and biodiesel spray combustion under high temperature highly diluted ambient conditions. Fuel 2014, 135, 340–351. [Google Scholar] [CrossRef]
- Joo, H.I.; Gülder, Ö.L. Experimental study of soot and temperature field structure of laminar co-flow ethylene–air diffusion flames with nitrogen dilution at elevated pressures. Combust. Flame 2011, 158, 416–422. [Google Scholar] [CrossRef]
- Pickett, L.M.; Siebers, D.L. Soot in diesel fuel jets: Effects of ambient temperature, ambient density, and injection pressure. Combust. Flame 2004, 138, 114–135. [Google Scholar] [CrossRef]
- Musculus, M.P.B.; Miles, P.C.; Pickett, L.M. Conceptual models for partially premixed low-temperature diesel combustion. Prog. Energy Combust. Sci. 2013, 39, 246–283. [Google Scholar] [CrossRef]
- Huang, Y.; Huang, S.; Huang, R.; Hong, G. Spray and evaporation characteristics of ethanol and gasoline direct injection in non-evaporating, transition and flash-boiling conditions. Energy Convers. Manag. 2016, 108, 68–77. [Google Scholar] [CrossRef]
- Huang, S.; Deng, P.; Huang, R.; Wang, Z.; Ma, Y.; Dai, H. Visualization research on spray atomization, evaporation and combustion processes of ethanol–diesel blend under LTC conditions. Energy Convers. Manag. 2015, 106, 911–920. [Google Scholar] [CrossRef]
- Wang, Z.; Chen, X.; Huang, S.; Chen, Y.; Mack, J.H.; Tang, J.; Li, L.; Huang, R. Visualization study for the effects of oxygen concentration on combustion characteristics of water-emulsified diesel. Fuel 2016, 177, 226–234. [Google Scholar] [CrossRef]
- Ma, Y.; Huang, S.; Huang, R.; Zhang, Y.; Xu, S. Spray and evaporation characteristics of n-pentanol–diesel blends in a constant volume chamber. Energy Convers. Manag. 2016, 130, 240–251. [Google Scholar] [CrossRef]
- Lillo, P.M.; Pickett, L.M.; Persson, H.; Andersson, O.; Kook, S. Diesel spray ignition detection and spatial/temporal correction. SAE Int. J. Engines 2012, 5, 1330–1346. [Google Scholar] [CrossRef]
- Nakamura, M.; Nishioka, D.; Hayashi, J.; Akamatsu, F. Soot formation, spray characteristics, and structure of jet spray flames under high pressure. Combust. Flame 2011, 158, 1615–1623. [Google Scholar] [CrossRef]
- Wang, X.; Huang, Z.; Kuti, O.A.; Zhang, W.; Nishida, K. An experimental investigation on spray, ignition and combustion characteristics of biodiesels. Proc. Combust. Inst. 2011, 33, 2071–2077. [Google Scholar] [CrossRef]
- Chen, R.; Nishida, K. Spray evaporation of ethanol–gasoline-like blend and combustion of ethanol–gasoline blend injected by hole-type nozzle for direct-injection spark ignition engines. Fuel 2014, 134, 263–273. [Google Scholar] [CrossRef]
- Britto, R.F.; Martins, C.A. Experimental analysis of a diesel engine operating in Diesel–Ethanol Dual-Fuel mode. Fuel 2014, 134, 140–150. [Google Scholar] [CrossRef]
- Wang, Z.; CHEN, X.; Vuilleumier, D.; Huang, S.; Tang, J. Experimental study on spray characteristics of emulsified diesel blending with water in a constant volume chamber. At. Sprays 2016, 26, 513–533. [Google Scholar] [CrossRef]
- Ma, Y.J.; Huang, R.H.; Deng, P.; Huang, S. The development and application of an automatic boundary segmentation methodology to evaluate the vaporizing characteristics of diesel spray under engine-like conditions. Meas. Sci. Technol. 2015, 26, 045004. [Google Scholar] [CrossRef]
- Pickett, L.M.; Kook, S.; Williams, T.C. Visualization of diesel Spray penetration, cool-flame, ignition, high-temperature combustion, and soot formation using high-speed imaging. SAE Int. J. Engines 2009, 2, 439–459. [Google Scholar] [CrossRef]
- Dec, J.E.; Espey, C. Chemiluminescence imaging of autoignition in a DI diesel engine. SAE Tech. Pap. 1998. [Google Scholar] [CrossRef]
- Ma, Y.; Huang, S.; Huang, R.; Zhang, Y.; Xu, S. Ignition and combustion characteristics of n-pentanol–diesel blends in a constant volume chamber. Appl. Energy 2017, 185, 519–530. [Google Scholar] [CrossRef]











| Measuring Principle | Laser Diffraction |
|---|---|
| Optical model | Mie and the Fraunhofer approximation models |
| Particle size range | 1 to 2000 μm |
| Light source | 5 mw, He-Ne, 633 nm |
| Optical lens | 300 mm |
| Sampling frequency | 10 KHz |
| Trigger mode | Automatic triggering based on light transmittance |
| Parameters | Conditions |
|---|---|
| Test fuel | W20 |
| Fuel temperature | 293 K |
| Injector | Bosch CRIN 2, single hole, SAC |
| Nozzle diameter | 0.234 mm |
| Injection duration | 2.5 ms |
| Injection pressure | 150 MPa |
| Ambient density | 15.0 kg/m3 |
| Ambient oxygen concentration | 21% (combustion condition) 0% (cold and evaporating conditions) |
| Ambient temperature | 383 K (cold condition) 800 K, 900 K, 1000 K and 1100 K (evaporating and combustion conditions) |
© 2017 by the authors. Licensee MDPI, Basel, Switzerland. This article is an open access article distributed under the terms and conditions of the Creative Commons Attribution (CC BY) license (http://creativecommons.org/licenses/by/4.0/).
Share and Cite
Wang, Z.; Wu, S.; Huang, Y.; Chen, Y.; Shi, S.; Cheng, X.; Huang, R. Evaporation and Ignition Characteristics of Water Emulsified Diesel under Conventional and Low Temperature Combustion Conditions. Energies 2017, 10, 1109. https://doi.org/10.3390/en10081109
Wang Z, Wu S, Huang Y, Chen Y, Shi S, Cheng X, Huang R. Evaporation and Ignition Characteristics of Water Emulsified Diesel under Conventional and Low Temperature Combustion Conditions. Energies. 2017; 10(8):1109. https://doi.org/10.3390/en10081109
Chicago/Turabian StyleWang, Zhaowen, Shang Wu, Yuhan Huang, Yulin Chen, Shuguo Shi, Xiaobei Cheng, and Ronghua Huang. 2017. "Evaporation and Ignition Characteristics of Water Emulsified Diesel under Conventional and Low Temperature Combustion Conditions" Energies 10, no. 8: 1109. https://doi.org/10.3390/en10081109
APA StyleWang, Z., Wu, S., Huang, Y., Chen, Y., Shi, S., Cheng, X., & Huang, R. (2017). Evaporation and Ignition Characteristics of Water Emulsified Diesel under Conventional and Low Temperature Combustion Conditions. Energies, 10(8), 1109. https://doi.org/10.3390/en10081109

