A Polar Fuzzy Control Scheme for Hybrid Power System Using Vehicle-To-Grid Technique
Abstract
1. Introduction
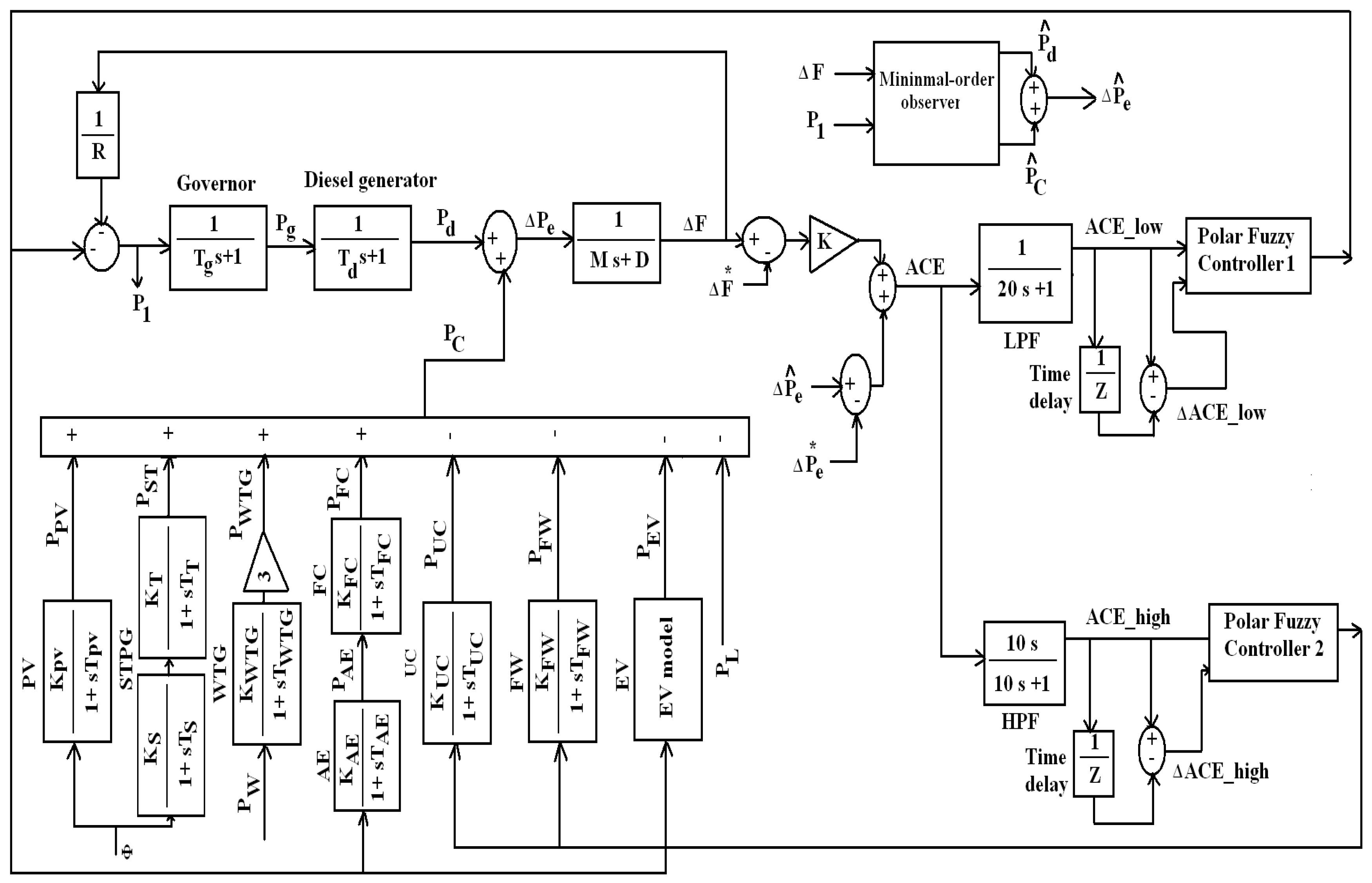
2. Hybrid Power System Configuration
2.1. Wind Turbine Generator Model
2.2. Photovoltaic Model
2.3. Solar Thermal Power Generator Model
2.4. Ultra-Capacitor Model
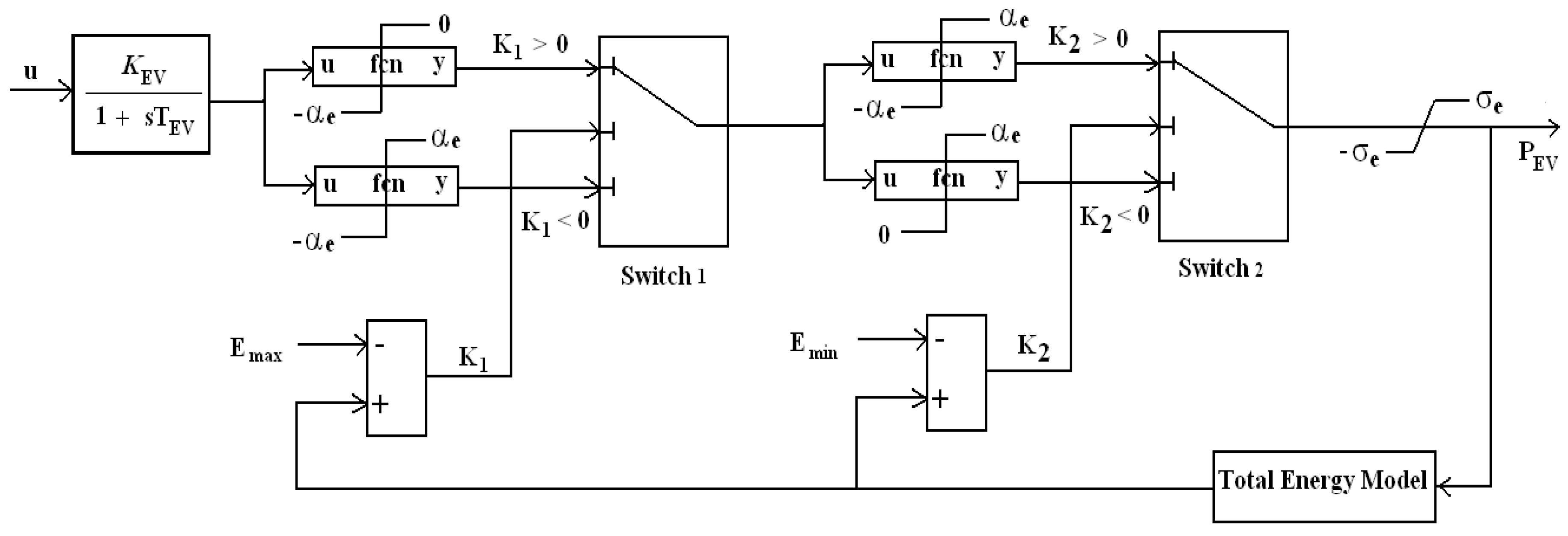
2.5. Electric Vehicle Model
2.6. Power and Frequency Deviations
3. Controllers Design Approach
3.1. Minimal-Order Observer Implementation
- Step 1. A matrix S is formulated in the form:where W is a suitable matrix for |S|≠ 0.
- Step 2. Calculate the following equations:
- Step 3. Derive and using L with selected poleswhere L is calculated by solving the following equation:The poles of the minimal-order observer are chosen as: = −0.45, = −12.5, = −17.4 by good estimation to achieve the proposed simulation results.
- Step 4. Use the above values to get the observer parameters as follows:
3.2. Polar Fuzzy-Based Controllers Scheme
- In Section I, the control signal from FLC, , should be large negative, as both scaled ACE and ΔACE are positive.
- In Section II, the control signal from FLC would be medium negative as scaled ACE is large positive and scaled ΔACE is small negative.
- In Section III, the control signal from FLC should be small negative as scaled ACE is small negative and scaled ΔACE is large positive.
- In Section IV, the control signal from FLC should be large positive, as both scaled ACE and ΔACE are negative.
- In Section V, the control signal from FLC should be medium positive as scaled ACE is large negative, while scaled ΔACE is small positive.
- In Section VI, the control signal from FLC should be small positive, as scaled ACE is small positive and scaled ΔACE is large negative.
4. Results
4.1. Case 1
4.2. Case 2
4.3. Case 3
4.4. Case 4
5. Conclusions
- (1)
- Manage power flow for , , , and instantaneously depending on the changes of wind speed, load demand and solar radiation, to mitigate the supply error and system frequency oscillations.
- (2)
- Overcome the major drawback of the conventional FLC represented in the large number of control rules required in formulating its knowledge base that accordingly increase the computational time and memory requirement dramatically. Therefore, the proposed technique used only two control rules for its knowledge base, which makes it beneficial for the practical implementation.
- (3)
- Withstand severe scenarios such as actual data and sudden increase/decrease of wind speed, load demand, solar radiation, faulty conditions in addition to system parameter variations to confirm its robustness and effectiveness for various operating conditions and to compensate the main disadvantage of almost all of the previous researches that can not catch the characteristics of the system for wide range of operating conditions.
- (4)
- Decrease fluctuations of all components of hybrid power system (DEG, FC, UC, FW, EV). Hence, a smaller size of all of these systems will be required if this control scheme is utilized, which modify the system overall efficiency and at the same time decrease its total cost.
Author Contributions
Conflicts of Interest
References
- Marzband, M.; Sumper, A.; Gomis-Bellmunt, O.; Pezzini, P.; Chindris, M. Frequency control of isolated wind and diesel hybrid microgrid power system by using fuzzy logic controllers and PID controllers. In Proceedings of the 11th International Conference on Electrical Power Quality and Utilisation, Lisbon, Portugal, 17–19 October 2011; pp. 1–6. [Google Scholar]
- Hunter, R.; Eillot, G. Wind-Diesel Systems: A Guide to Technology and Its Implementation; Cambridge University Press: Cambridge, UK, 1994. [Google Scholar]
- Nacfaire, H. Wind-Diesel and Autonomous Energy Systems; Elsevier Science Publishers Ltd: Amsterdam, The Netherlands, 1989. [Google Scholar]
- Khelif, A.; Talha, A.; Belhamel, M.; Hadj Arab, A. Feasibility study of hybrid diesel-PV power plants in the southern of Algeria: Case study on ARFA power plant. Int. J. Electr. Power Energy Syst. 2012, 43, 546–553. [Google Scholar] [CrossRef]
- Sedaghat, B.; Jalilvand, A.; Noroozian, R. Design of a multilevel control strategy for integration of stand-alone wind/diesel system. Int. J. Electr. Power Energy Syst. 2012, 35, 123–137. [Google Scholar] [CrossRef]
- Palmer, M.; Uehara, T.; Shigenobu, R.; Matayoshi, H.; Senjyu, T.; Datta, M. Suppression of power system voltage and frequency fluctuations by decentralized controllable loads. J. Renew. Sust. Energy 2016, 8, 045905. [Google Scholar] [CrossRef]
- Hara, R.; Kita, H.; Tanabe, T.; Sugihara, H.; Kuwayama, A.; Miwa, S. Testing the technologies. IEEE Power Energy Mag. 2009, 7, 77–85. [Google Scholar] [CrossRef]
- Hajizadeh, A.; Golkar, M. Control of hybrid fuel cell/energy storage distributed generation system against voltage sag. Int. J. Electr. Power Energy Syst. 2010, 32, 0142–0615. [Google Scholar] [CrossRef]
- Nandar, C. Robust PI control of smart controllable load for frequency stabilization of microgrid power system. Renew. Energy. 2013, 56, 16–23. [Google Scholar] [CrossRef]
- Ali, R.; Mohamed, T.; Qudaih, Y.; Mitani, Y. A new load frequency control approach in an isolated small power systems using coefficient diagram method. Int. J. Electr. Power Energy Syst. 2014, 56, 110–116. [Google Scholar] [CrossRef]
- Jiayi, H.; Chuanwen, J.; Rong, X. A review on distributed energy resources and microgrid. Renew. Sust. Energy Rev. 2008, 12, 2472–2483. [Google Scholar] [CrossRef]
- Howlder, A.; Izumi, Y.; Uehara, A.; Urasaki, N.; Senjyu, T.; Saber, A. A robust H∞ controller based frequency control approach using the wind-battery coordination strategy in a small power system. Int. J. Electr. Power Energy Syst. 2014, 58, 190–198. [Google Scholar] [CrossRef]
- Pan, I.; Das, S. Kriging based surrogate modeling for fractional order control of microgrids. IEEE Trans. Smart Grid 2015, 6, 36–44. [Google Scholar] [CrossRef]
- Lee, D.; Wang, L. Small-signal stability analysis of an autonomous hybrid renewable energy power generation/energy storage system part I: Time-domain simulations. IEEE Trans. Energy Convers. 2008, 23, 311–320. [Google Scholar] [CrossRef]
- Singh, V.; Mohanty, S.; Kishor, N.; Ray, P. Robust H∞ load frequency control in hybrid distributed generation system. Int. J. Electr. Power Energy Syst. 2013, 46, 294–305. [Google Scholar] [CrossRef]
- Masuta, T.; Yokoyama, A. Supplementary load frequency control by use of a number of both electric vehicles and heat pump water heaters. IEEE Trans. Smart Grid 2012, 3, 1253–1262. [Google Scholar] [CrossRef]
- Zhang, S.; Mishra, Y.; Shahidehpour, M. Fuzzy-logic based frequency controller for wind farms augmented with energy storage systems. IEEE Trans. Power Syst. 2016, 31, 1595–1603. [Google Scholar] [CrossRef]
- Manjarres, P.; Malik, O. Frequency regulation by fuzzy and binary control in a hybrid islanded microgrid. J. Mod. Power Syst. Clean Energy 2015, 3, 429–439. [Google Scholar] [CrossRef]
- Palmer, M.; Tachibana, M.; Senjyu, T.; Funabashi, T.; Saber, A.; Datta, M. Grid stabilization with decentralized controllable loads using fuzzy control and droop characteristics. Int. J. Emerg. Elect. Power Syst. 2014, 15, 357–365. [Google Scholar] [CrossRef]
- Ronilaya, F.; Miyauchi, H. A load frequency control in an off-grid sustainable power system based on a parameter adaptive PID-type fuzzy controller. Int. J. Emerg. Elect. Power Syst. 2014, 15, 429–441. [Google Scholar] [CrossRef]
- Datta, M.; Senjyu, T. Fuzzy control of distributed PV inverters/energy storage systems/electric vehicles for frequency regulation in a large power system. IEEE Trans. Smart Grid 2013, 4, 479–488. [Google Scholar] [CrossRef]
- Han, Y.; Young, P.; Jain, A.; Zimmerle, D. Robust control for microgrid frequency deviation reduction with attached storage system. IEEE Trans. Smart Grid 2015, 6, 557–565. [Google Scholar] [CrossRef]
- Bevrani, H.; Feizi, M.; Ataee, S. Robust frequency control in an islanded microgrid: H∞ and μ-synthesis approaches. IEEE Trans. Smart Grid 2016, 7, 706–717. [Google Scholar]
- Sekhar, P.; Mishra, S. Storage free smart energy management for frequency control in a diesel-PV-fuel cell-based hybrid ac microgrid. IEEE Trans. Neural Netw. Learn. Syst. 2016, 27, 1657–1671. [Google Scholar] [CrossRef] [PubMed]
- Bevrani, H.; Habibi, F.; Babahajyani, P.; Watanabe, M.; Mitani, Y. Intelligent frequency control in an ac microgrid: Online PSO-based fuzzy tuning approach. IEEE Trans. Smart Grid 2012, 3, 1935–1944. [Google Scholar] [CrossRef]
- Sa-ngawong, N.; Ngamroo, I. Intelligent photovoltaic farms for robust frequency stabilization in multi-area interconnected power system based on PSO-based optimal Sugeno fuzzy logic control. Renew. Energy. 2015, 74, 555–567. [Google Scholar] [CrossRef]
- Pan, I.; Das, S. Fractional order fuzzy control of hybrid power system with renewable generation using chaotic PSO. ISA Trans. 2016, 62, 19–29. [Google Scholar] [CrossRef] [PubMed]
- Vachirasricirikul, S.; Ngamroo, I. Robust LFC in a smart grid with wind power penetration by coordinated V2G control and frequency controller. IEEE Trans. Smart Grid 2014, 5, 371–380. [Google Scholar] [CrossRef]
- Shankar, G.; Mukherjee, V. Load frequency control of an autonomous hybrid power system by quasi-oppositional harmony search algorithm. Int. J. Electr. Power Energy Syst. 2016, 78, 715–734. [Google Scholar] [CrossRef]
- Mi, Y.; Fu, Y.; Li, D.; Wang, C.; Loh, P.; Wang, P. The sliding mode load frequency control for hybrid power system based on disturbance observer. Int. J. Electr. Power Energy Syst. 2016, 74, 446–452. [Google Scholar] [CrossRef]
- Pahasa, J.; Ngamroo, I. PHEVs Bidirectional charging/discharging and SoC control for microgrid frequency stabilization using multiple MPC. IEEE Trans. Smart Grid 2015, 6, 526–533. [Google Scholar] [CrossRef]
- Yang, J.; Zeng, Z.; Tang, Y.; Yan, J.; He, H.; Wu, Y. Load frequency control in isolated micro-grids with electrical vehicles based on multivariable generalized predictive theory. Energies 2015, 8, 2145–2164. [Google Scholar] [CrossRef]
- Khooban, M.; Niknam, T.; Blaabjerg, F.; Dragievi, T. A new load frequency control strategy for micro-grids with considering electrical vehicles. Electr. Power Syst. Res. 2017, 143, 585–598. [Google Scholar] [CrossRef]
- Chaturvedi, D.; Umrao, R.; Malik, O. Adaptive polar fuzzy logic based load frequency controller. Int. J. Electr. Power Energy Syst. 2015, 66, 154–159. [Google Scholar] [CrossRef]
- Rana, G.; Umrao, R.; Chaturvedi, D. Automatic generation control with polar fuzzy controller considering generation rate constraint in deregulated power system. In Proceedings of the 2012 International Conference on Advances in Engineering, Science and Management (ICAESM), Nagapattinam, India, 30–31 March 2012; pp. 610–615. [Google Scholar]
- Ou, T.; Hong, C. Dynamic operation and control of microgrid hybrid power systems. Energy 2014, 66, 314–323. [Google Scholar]
- Hong, C.; Ou, T.; Lu, K. Development of intelligent MPPT (maximum power point tracking) control for a grid-connected hybrid power generation system. Energy 2013, 50, 270–279. [Google Scholar] [CrossRef]
- Pan, M.; Yan, J.; Tu, Q.; Jiang, C. Fuzzy control and wavelet transform-based energy management strategy design of a hybrid tracked bulldozer. J. Intell. Fuzzy Syst. 2015, 29, 2565–2574. [Google Scholar] [CrossRef]
- Ortmeyer, T.; Hiyama, T. Frequency response characteristics of the fuzzy polar power system stabilizer. IEEE Trans. Energy Conversion 1995, 10, 333–338. [Google Scholar] [CrossRef]
- Ou, T.; Lu, K.; Huang, C. Improvement of transient stability in a hybrid power multi-system using a designed NIDC (novel intelligent damping controller). Energies 2017, 10, 488. [Google Scholar] [CrossRef]
- Ou, T.; Su, W.; Liu, X.; Huang, S.; Tai, T. A modified bird-mating optimization with hill-climbing for connection decisions of transformers. Energies 2016, 9, 671. [Google Scholar] [CrossRef]
- Moura, A.; Lopes, J.; Moura, A.; Sumaili, J.; Moreira, C. IMICV fault analysis method with multiple PV grid-connected inverters for distribution systems. Electr. Power Syst. Res. 2015, 119, 119–125. [Google Scholar] [CrossRef]
- Ou, T. A novel unsymmetrical faults analysis for microgrid distribution systems. Int. J. Electr. Power Energy Syst. 2012, 43, 1017–1024. [Google Scholar] [CrossRef]
- Lin, W.; Ou, T. Unbalanced distribution network fault analysis with hybrid compensation. IET Gen. Tran. Dist. 2011, 5, 92–100. [Google Scholar] [CrossRef]
- Ou, T. Ground fault current analysis with a direct building algorithm for microgrid distribution. Int. J. Electr. Power Energy Syst. 2013, 53, 867–875. [Google Scholar] [CrossRef]
- Granizo, R.; Blanquez, F.; Rebollo, E.; Platero, C. A Novel ground fault non-directional selective protection method for ungrounded distribution networks. Energies 2015, 8, 1291–1316. [Google Scholar] [CrossRef]
- Lotfy, M.; Senjyu, T.; Farahat, M.; Abdel-Gawad, A.; Yona, A. A frequency control approach for hybrid power system using multi-objective optimization. Energies 2017, 10, 80. [Google Scholar] [CrossRef]
- Das, D.; Roy, A.; Sinha, N. GA based frequency controller for solar thermal-diesel-wind hybrid energy generation/energy storage system. Int. J. Electr. Power Energy Syst. 2012, 43, 262–279. [Google Scholar] [CrossRef]
- Shimizu, K.; Masuta, T.; Ota, Y.; Yokoyama, A. Load frequency control in power system using vehicle-to-grid system considering the customer convenience of electric vehicles. In Proceedings of the 2010 International Conference on Power System Technology (POWERCON), Hangzhou, China, 24–28 October 2010; pp. 1–8. [Google Scholar]
- Senjyu, T.; Nakaji, T.; Uezato, K.; Funabashi, T. A hybrid power system using alternative energy facilities in isolated island. IEEE Trans. Energy Convers. 2005, 20, 406–414. [Google Scholar] [CrossRef]
- Datta, M.; Senjyu, T.; Yona, A.; Funabashi, T. Minimal-order observer-based coordinated control method for isolated power utility connected multiple photovoltaic systems to reduce frequency deviations. IET Renew. Power Gen. 2010, 4, 153–164. [Google Scholar] [CrossRef]
- Howlader, A.; Izumi, Y.; Uehara, A.; Urasaki, N.; Senjyu, T.; Yona, A.; Saber, A. A minimal order observer based frequency control strategy for an integrated wind-battery-diesel power system. Energy 2012, 46, 168–178. [Google Scholar] [CrossRef]
- Umrao, R.; Chaturvedi, D. A novel fuzzy control approach for load frequency control. In Recent Advancements in System Modeling Applications. Lecture Notes in Electrical Engineering; Springer: New Delhi, India, 2013; Volume 188, pp. 239–247. [Google Scholar]
- Qudaih, Y.; Ali, R.; Mitani, Y. Microgrid design including fuzzy logic controlled storage system. J. Power Energy Eng. 2014, 2, 374–380. [Google Scholar]
- Odeim, F.; Roes, J.; Heinzel, A. Power management optimization of an experimental fuel cell/battery/ supercapacitor hybrid system. Energies 2015, 8, 6302–6327. [Google Scholar] [CrossRef]
- The Japan Weather Association. Available online: http://www.jwa.or.jp/english (accessed on 28 June 2017).
- The Okinawa Electric Power Company, Inc. Available online: http://www.okiden.co.jp/en/ (accessed on 28 June 2017).


















| = 0, speed regulation R = 2.4 Hz/puMW and K = 500 |
| = 1 and = 1.5 s |
| = 1/100 and = 0.15 s |
| = 0.36 puMW and = 0.075 puMW/s |
| = 1.8, , = 1.8 s and = 0.3 s |
| = 1, = 1.85 s, = 1 s and = 1/100 |
| = 1/25, = 0.5 s, = 1/5 and = 4 s |
| = 1/300 and = 0.1 s |
| ΔACE | NL | NM2 | NM2 | NS | Z | PS | PM1 | PM2 | PL | |
|---|---|---|---|---|---|---|---|---|---|---|
| ACE | ||||||||||
| NL | PL | PL | PM2 | PM2 | PM1 | PM1 | PS | PS | Z | |
| NM2 | PL | PM2 | PM2 | PM1 | PM1 | PS | Z | Z | Z | |
| NM1 | PL | PM2 | PM1 | PM1 | PS | Z | Z | Z | Z | |
| NS | PL | PM2 | PM1 | PS | PS | Z | Z | Z | NS | |
| Z | PM2 | PM1 | PS | PS | Z | NS | NM1 | NM1 | NM2 | |
| PS | PS | Z | Z | Z | NS | NM1 | NM1 | NM2 | NM2 | |
| PM1 | Z | Z | Z | Z | NS | NM1 | NM2 | NM2 | NL | |
| PM2 | Z | Z | Z | NS | NM1 | NM2 | NM2 | NL | NL | |
| PL | Z | NS | NM1 | NM2 | NM2 | NM2 | NL | NL | NL | |
| PF | FLC | ||
|---|---|---|---|
| Case 1 | |||
| 0.0057 | 0.0092 | ||
| Case 2 | |||
| 0.0052 | 0.0089 | ||
| Case3 | |||
| 0.0065 | 0.0156 | ||
© 2017 by the authors. Licensee MDPI, Basel, Switzerland. This article is an open access article distributed under the terms and conditions of the Creative Commons Attribution (CC BY) license (http://creativecommons.org/licenses/by/4.0/).
Share and Cite
Lotfy, M.E.; Senjyu, T.; Farahat, M.A.-F.; Abdel-Gawad, A.F.; Matayoshi, H. A Polar Fuzzy Control Scheme for Hybrid Power System Using Vehicle-To-Grid Technique. Energies 2017, 10, 1083. https://doi.org/10.3390/en10081083
Lotfy ME, Senjyu T, Farahat MA-F, Abdel-Gawad AF, Matayoshi H. A Polar Fuzzy Control Scheme for Hybrid Power System Using Vehicle-To-Grid Technique. Energies. 2017; 10(8):1083. https://doi.org/10.3390/en10081083
Chicago/Turabian StyleLotfy, Mohammed Elsayed, Tomonobu Senjyu, Mohammed Abdel-Fattah Farahat, Amal Farouq Abdel-Gawad, and Hidehito Matayoshi. 2017. "A Polar Fuzzy Control Scheme for Hybrid Power System Using Vehicle-To-Grid Technique" Energies 10, no. 8: 1083. https://doi.org/10.3390/en10081083
APA StyleLotfy, M. E., Senjyu, T., Farahat, M. A.-F., Abdel-Gawad, A. F., & Matayoshi, H. (2017). A Polar Fuzzy Control Scheme for Hybrid Power System Using Vehicle-To-Grid Technique. Energies, 10(8), 1083. https://doi.org/10.3390/en10081083

