Research on Capacitance Current Compensation Scheme of Current Differential Protection of Complex Four-Circuit Transmission Lines on the Same Tower
Abstract
:1. Introduction
2. The Distributed Capacitance Current Compensation Method of Current Differential Protection
2.1. Influence of Capacitive Current on the Current Differential Protection
2.2. Principle Analysis of Capacitive Current Compensation of Current Differential Protection
2.2.1. Capacitive Current Compensation on Single Circuit
- (1)
- Select the numerical filter algorithm, the phase voltage sampling value of the line at both ends to be filtered to obtain the amplitude and phase of the fundamental wave voltage.
- (2)
- Using the symmetrical component method to get the positive, negative and zero-sequence voltage from the three-phase fundamental voltage.
- (3)
- The positive, negative and zero-sequence compensated currents of the line at both ends can be calculated by using Equation (5).where Y represents the code for the line port (M,N), , and is the voltage of the two ends of the lines.
- (4)
- The compensation capacitor current is calculated by using the inverse operation of the symmetrical component, to obtain the three phase capacitor current. If XC1 = XC2, the compensation capacitance current of the A phase in the steady state can be obtained as follows:In the same way, we can obtain the compensation capacitor current of B phase and C phase.
- (5)
- The compensated differential current and the braking current of each phase can be obtained by Kirchhoff's current law. Half-length compensated differential current terminals m and n can be obtained as follows:
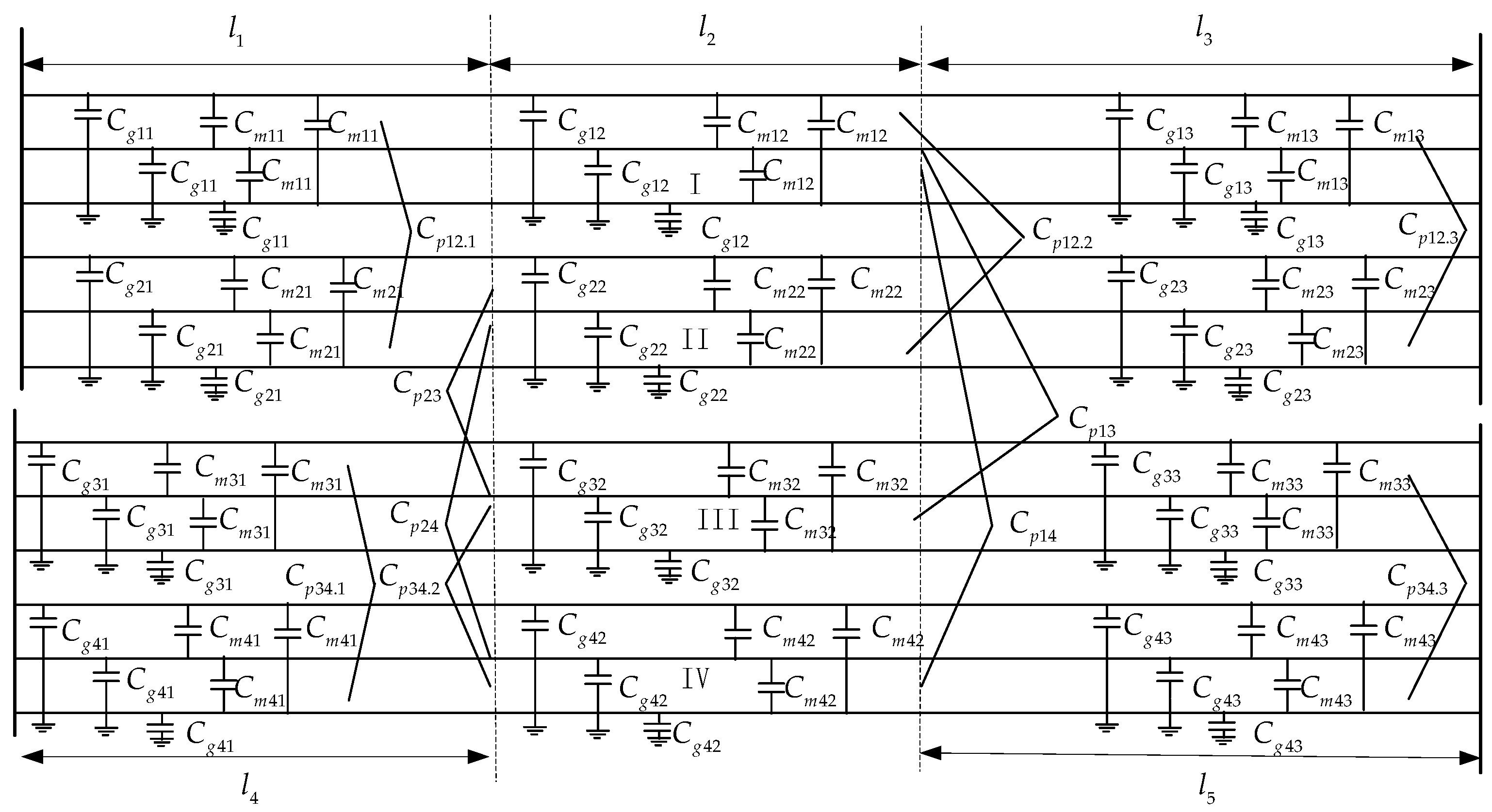
2.2.2. Capacitive Current Compensation on Complex Four-Circuit Lines on the Same Tower
3. Influence of Operation Modes on the Capacitive Current Compensation
3.1. Analysis of the Influence of Operation Mode on the Parameters of Distributed Capacitance
- (1)
- One circuit line is in normal operation and the other three circuit lines are grounded for maintenance.
- (2)
- Two lines are in normal operation and the other two lines are grounded for maintenance.
- (3)
- Two lines are in normal operation and the other two lines are disconnected.
- (4)
- Three lines are in normal operation and another circuit line are grounded for maintenance.
- (5)
- Four lines are in parallel operation.
3.2. Capacitor Current Compensation Scheme of Phase Current Differential Protection
3.3. Capacitor Current Compensation Scheme of Zero-Sequence Current Differential Protection
4. Simulation Verification of the Capacitive Current Compensation of Four-Circuit Lines on the Same Tower
4.1. Simulation Model of Four-Circuit Lines on the Same Tower
4.2. Analysis of Positive and Negative Sequence Capacitance Current Compensation Scheme
4.3. Analysis of Zero-Sequence Capacitance Current Compensation Scheme
5. Conclusions
- (1)
- The simulation result indicated that the compensation effect on the positive and negative sequence capacitance current was almost the same under different operation modes. Furthermore, as the effect of compensation on four-circuit lines was obviously better than that of the single-circuit and double-circuit lines, the change of operation modes of the complex four-circuit lines on the same tower had no effect on the positive-sequence and negative-sequence capacitance current compensation. However, the zero-sequence capacitance current was still affected by the variation of the operating mode when compensated on four-circuit lines.
- (2)
- Based on the characteristics of the zero-sequence capacitance under different operating conditions, the setting value of the zero-sequence capacitance current compensation could be adjusted as per different operation modes, to meet the switching of different operation modes. This switching method can ensure the selectivity of current differential protection and can also improve the action sensitivity of the phase differential protection.
- (3)
- For phase segregated current differential protection, the compensation method can be carried out as per four lines in parallel operation on the same tower. For zero sequence current differential protection, it can be used to compensate the zero sequence current based on the M2 operation mode.
Acknowledgments
Author Contributions
Conflicts of Interest
Appendix A
- (1)
- One circuit line is in normal operation and the other three circuit lines are disconnected.
- (2)
- One circuit line is in normal operation, two circuit lines are disconnected, and one circuit line is grounded for maintenance.
- (3)
- One circuit line is in normal operation, one circuit line is disconnected, and two circuit lines are grounded for maintenance.
- (4)
- Two lines are in normal operation, one is grounded for maintenance, and another is disconnected.
- (5)
- Three lines are in normal operation and the other circuit line is disconnected.
Appendix B


References
- Feng, G.; Wang, Y.; Zhang, B. Study on electromagnetic environment of multi-circuit transmission lines on same tower. Proceedings of 2008 Joint International Conference on Power System Technology and IEEE Power India Conference, New Delhi, India, 12–15 October 2008. [Google Scholar]
- Novitskiy, A.; Westermann, D. Interaction of multi-circuit overhead transmission lines of different voltages located on the same pylons. Proceedings of 2012 Electric Power Quality and Supply Reliability Conference (PQ), Tartu, Estonia, 11–13 June 2012. [Google Scholar]
- Song, G.; Suonan, J.; Xu, Q.; Chen, P.; Ge, Y. Parallel transmission lines fault location algorithm based on differential component net. IEEE Trans. Power Deliv. 2005, 20, 2396–2406. [Google Scholar] [CrossRef]
- Wang, X.; Xu, L.; Zhang, X. Line protection feature study on four-circuit transmission lines on a same tower. Autom. Electr. Power Syst. 2007, 31, 80–85. (In Chinese) [Google Scholar]
- Xu, Z.Y.; Du, Z.Q.; Ran, L.; Wu, Y.K.; Yang, Q.X.; He, J.L. A current differential relay for a 1000-kV UHV transmission line. IEEE Trans. Power Deliv. 2007, 22, 1392–1399. [Google Scholar] [CrossRef]
- Sachdev, M.S.; Sidhu, T.S.; Liu, X. High-speed differential protection of parallel teed transmission lines. Proceedings of IEEE Wescanex ′95 Communications, Power, and Computing Conference, Winnipeg, MB, Canada, 15–16 May 1995. [Google Scholar]
- Guo, Z.; He, G. Novel principle of pilot differential relay protection of transmission lines. Autom. Electr. Power Syst. 2004, 28, 1–5. (In Chinese) [Google Scholar]
- Chen, J.; Fan, C.; Liu, L. New longitudinal differential protection scheme for four-circuit transmission line with different voltage grades. Power Syst. Prot. Control 2011, 39, 72–79. (In Chinese) [Google Scholar]
- Zheng, Y.P.; Wu, T.H.; Ding, Y.; Chen, Y. Applied criterion of current differential protection based on bergeron model. Autom. Electr. Power Syst. 2004, 28, 50–55. (In Chinese) [Google Scholar]
- Rane, P.S.; Jawale, R.D.; Bhaisare, S.D.; Debre, P.D. Impact of capacitive current of EHV/UHV lines on current differential protection. Proceedings of 2016 International Conference on Energy Efficient Technologies for Sustainability (ICEETS), Nagercoil, India, 7–8 April 2016. [Google Scholar]
- Bi, T.S.; Yu, Y.L.; Huang, S.F.; Yang, Q.X. An Accurate compensation method of distributed capacitance current in differential protection of UHV transmission line. In Proceedings of the 2005 IEEE Power Engineering Society General Meeting, San Francisco, CA, USA, 12–16 June 2005. [Google Scholar]
- Li, Y.; Chen, D.S.; Zhang, Z.; Yin, X. The emulation analysis for the influence of capacitance current of UHV transmission line on differential current protection and compensating countermeasure. Relay 2001, 29, 6–9. (In Chinese) [Google Scholar]
- Zhang, Y.; Suonan, J.; Xu, B.; Jiao, Z. Current differential protection using time-domain compensation of capacitive current. Proceedings of 7th IET International Conference on Advances in Power System Control, Operation and Management, Hong Kong, China, 30 October–2 November 2006. [Google Scholar]
- Zhang, Q.; Tai, N.; Yuan, C.; Chen, K. Analysis of capacitance current compensation of current differential protection on four-parallel lines. Autom. Electr. Power Syst. 2010, 34, 46–50. (In Chinese) [Google Scholar]
- Zhang, Y.; Jiale, S. Phaselet-based current differential protection scheme based on transient capacitive current compensation. IET Gener. Transm. Distrib. 2008, 2, 469–477. [Google Scholar]
- Yang, Y.; Yin, X.; Tang, C.; Zhang, Z.; Wang, X. Research on capacitive current compensation for current differential protection of segment parallel lines for different voltage levels. Proceedings of 2015 5th International Conference on Electric Utility Deregulation and Restructuring and Power Technologies (DRPT), Changsha, China, 26–29 November 2015. [Google Scholar]
- Wang, X.T.; Wang, C.C.; Jiang, W.D. Research on capacitance current compensation of differential protection on double-parallel lines. Energy Eng. 2013, 1, 26–30. [Google Scholar]




| OM | No Compensated /kA | Compensated on Single-Circuit /kA | Compensated on Double-Circuit /kA | Compensated on Four-Circuit /kA | ||||||||
|---|---|---|---|---|---|---|---|---|---|---|---|---|
| A | B | C | A | B | C | A | B | C | A | B | C | |
| M1 | 0.197 | 0.097 | 0.124 | 0.044 | 0.021 | 0.028 | 0.027 | 0.012 | 0.018 | 0.001 | 0.001 | 0.001 |
| M2 | 0.199 | 0.094 | 0.119 | 0.045 | 0.020 | 0.028 | 0.028 | 0.013 | 0.018 | 0.001 | 0.002 | 0.002 |
| M3 | 0.199 | 0.943 | 0.119 | 0.045 | 0.020 | 0.028 | 0.028 | 0.011 | 0.018 | 0.001 | 0.002 | 0.002 |
| M4 | 0.199 | 0.094 | 0.119 | 0.045 | 0.020 | 0.028 | 0.028 | 0.011 | 0.018 | 0.001 | 0.002 | 0.002 |
| M5 | 0.200 | 0.095 | 0.117 | 0.046 | 0.021 | 0.026 | 0.029 | 0.012 | 0.016 | 0.003 | 0.003 | 0.002 |
| OM | No Compensated/kA | Compensated on Double-Circuit /kA | Compensated on Four-Circuit (on Operation Mode M2) /kA | Compensated on Four-Circuit (on Operation Mode M3) /kA | ||||||||
|---|---|---|---|---|---|---|---|---|---|---|---|---|
| A | B | C | A | B | C | A | B | C | A | B | C | |
| M1 | 0.078 | 0.205 | 0.217 | 0.012 | 0.044 | 0.047 | 0.023 | 0.023 | 0.023 | 0.026 | 0.027 | 0.025 |
| M2 | 0.099 | 0.197 | 0.203 | 0.012 | 0.028 | 0.029 | 0.001 | 0.001 | 0.002 | 0.002 | 0.003 | 0.002 |
| M3 | 0.101 | 0.197 | 0.201 | 0.014 | 0.027 | 0.028 | 0.002 | 0.002 | 0.003 | 0.001 | 0.002 | 0.001 |
| M4 | 0.099 | 0.198 | 0.201 | 0.013 | 0.028 | 0.028 | 0.002 | 0.001 | 0.002 | 0.002 | 0.002 | 0.001 |
| M5 | 0.100 | 0.199 | 0.200 | 0.013 | 0.029 | 0.026 | 0.003 | 0.002 | 0.003 | 0.003 | 0.002 | 0.002 |
| Operation Mode | No Compensated /kA | Compensated on Double-Circuit /kA | Compensated on Four-Circuit (on Operation Mode M2) /kA | Compensated on Four-Circuit (on Operation Mode M3) /kA |
|---|---|---|---|---|
| M1 | 0.17383 | 0.08964 | 0.06836 | 0.07705 |
| M2 | 0.104184 | 0.018834 | 0.003154 | 0.006826 |
| M3 | 0.099445 | 0.014962 | 0.006635 | 0.003247 |
| M4 | 0.102194 | 0.016992 | 0.009044 | 0.006544 |
| M5 | 0.099969 | 0.015887 | 0.005261 | 0.005265 |
© 2017 by the authors. Licensee MDPI, Basel, Switzerland. This article is an open access article distributed under the terms and conditions of the Creative Commons Attribution (CC BY) license (http://creativecommons.org/licenses/by/4.0/).
Share and Cite
Tang, C.; Yin, X.; Zhang, Z. Research on Capacitance Current Compensation Scheme of Current Differential Protection of Complex Four-Circuit Transmission Lines on the Same Tower. Energies 2017, 10, 1071. https://doi.org/10.3390/en10071071
Tang C, Yin X, Zhang Z. Research on Capacitance Current Compensation Scheme of Current Differential Protection of Complex Four-Circuit Transmission Lines on the Same Tower. Energies. 2017; 10(7):1071. https://doi.org/10.3390/en10071071
Chicago/Turabian StyleTang, Cui, Xianggen Yin, and Zhe Zhang. 2017. "Research on Capacitance Current Compensation Scheme of Current Differential Protection of Complex Four-Circuit Transmission Lines on the Same Tower" Energies 10, no. 7: 1071. https://doi.org/10.3390/en10071071
APA StyleTang, C., Yin, X., & Zhang, Z. (2017). Research on Capacitance Current Compensation Scheme of Current Differential Protection of Complex Four-Circuit Transmission Lines on the Same Tower. Energies, 10(7), 1071. https://doi.org/10.3390/en10071071

