A Novel Multi-Point Excitation Fatigue Testing Method for Wind Turbine Rotor Blades
Abstract
:1. Introduction
2. Comparison of the Multi-Point Excitation and Traditional Fatigue Tests
3. Dynamic Analysis of Multi-Point Excitation Systems
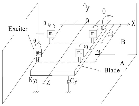
3.1. Dynamic Model
3.2. Analysis of Kinetic Parameters
4. Finite Element Method (FEM) Simulation
4.1. Resonant Frequency
4.2. Phase Coupling
4.3. The Effects of Excitation Forces and Damping Ratio on the Amplitude of the Blade
5. Experimental Verification
5.1. The Influence of Phase Difference on Vibration
5.2. The Relationship between the Excitation Force and Bending Moment Amplitude along the Blade
6. Fatigue Test of the Equivalent Life Cycle
7. Conclusions
Acknowledgments
Author Contributions
Conflicts of Interest
Abbreviations
| Excitation force where index indicates actuator No.1 | |
| Excitation force where index indicates actuator No.2 | |
| The angle of the blade rotates around the -axis when it is relative to the ground | |
| The equivalent mass of the blade | |
| Equivalent stiffness in the direction of -axis | |
| Equivalent damping in the direction of -axis | |
| Displacement of blade in flapwise direction in the plane | |
| The rotation moment of the blade rotates around the -axis | |
| The total dynamic mass of the dual exciter | |
| The distance away from the rotation axis | |
| The displacement of dynamic mass block of the dual actuator relative to the ground | |
| Motor angular velocity | |
| Ball-screw travel | |
| The displacement of dynamic mass block relative to the blade | |
| Kinetic energy of the test system | |
| Potential energy of the test system | |
| Dissipation energy of the test system | |
| Generalized coordinates | |
| Generalized force | |
| Generalized velocity | |
| Loading torque of motor m1 | |
| Loading torque of motor m2 | |
| Excitation frequency of motor m1 | |
| Excitation frequency of motor m2 | |
| Phase of motor m1 | |
| Phase of motor m2 | |
| Response frequency of system | |
| Time lag between exciter | |
| Time | |
| The excitation force in time of the test system | |
| Angular natural Eigen frequency of the test system | |
| Angular frequency of the actuator | |
| The ratio of angular frequency of actuator to the angular natural Eigen frequency | |
| The amplitude of the blade | |
| The maximum exciting force | |
| The stroke of dynamic mass | |
| Single cycle work of the actuator | |
| Single cycle work of damping | |
| Damping | |
| Stiffness | |
| Amplitude of the system | |
| Phase | |
| Period | |
| Damping ratio | |
| Cycles | |
| The amplitude of the th cycle | |
| The amplitude of the ()th cycle | |
| The strain in the position and time | |
| The bending moment in the position and time | |
| The distance between the strain gauges and the central axis in the position . | |
| Inertia axis in the position | |
| Equivalent bending moment | |
| The number of equivalents | |
| Slope of double logarithmic SN-diagram | |
| Number of load cycles | |
| Average bending moment amplitude per bin | |
| Maximum number of load cycles | |
| Maximum axial force of the motor | |
| Dynamic mass | |
| i, j | Node index. i, j = 1, 2, …, n |
| EI(z) | Stiffness of cross section in z position along the blade long direction |
References
- International Electrotechnical Commission. International Standard IEC 61400-23 Wind Turbines–Part 23: Full-Scale Structural Testing of Rotor Blades; IEC: Geneva, Switzerland, 2014. [Google Scholar]
- Germanischer Lloyd. Rules and Guidelines IV Industrial Services 1, Guideline for the Certification of Wind Turbines; Germanischer Lloyd: Hamburg, Germany, 2010. [Google Scholar]
- Zhang, L.-A.; Wei, X.-T.; Tao, L.-M.; Huang, X.-M. Coupling Characteristics and Test on Dual-Excitation for Large Wind Turbine Blade fatigue Test. Opt. Precis. Eng. 2016, 24, 503–510. [Google Scholar]
- Zhang, L.-A.; Huang, X.-M.; Yao, J.-K. Vibration Coupling Features for a Dual-Point Fatigue Loading System of Wind Turbine Blades. J. Vib. Shock 2015, 34, 83–87. [Google Scholar]
- Liao, G.H.; Wu, J.Z.; Lai, X. Experiment and Electromechanical Coupling Characteristics of Multi-Point Excitation Fatigue Loading System. J. Tongji Univ. (Nat. Sci.) 2015, 43, 1582–1587. [Google Scholar]
- Liao, G.H.; Wu, J.Z.; Lai, X. Experimental Study and Coupling Characteristics of Double Hammer Excitation Fatigue Loading System. J. Cent. South Univ. (Sci. Technol.) 2016, 47, 3692–3699. [Google Scholar]
- Wang, N. Coupling Mechanism of Dual-Excitation Fatigue Loading System of Wind Turbine Blades. Ph.D. Thesis, Shandong University of Technology, Zibo, Shandong, China, 2015. [Google Scholar]
- Kong, X.J. Decoupling Control Research on Dual-Excitation Fatigue Loading Coupling System for Wind Turbine Blades. Ph.D. Thesis, Shandong University of Technology, Zibo, Shandong, China, 2016. [Google Scholar]
- Eder, M.A.; Belloni, F.; Tesauro, A.; Hanis, T. A Multi-Frequency Fatigue Testing Method for Wind Turbine Rotor Blades. J. Sound Vib. 2017, 388, 123–146. [Google Scholar] [CrossRef]
- Hughes, S.; Musial, W.; White, D. Dual-Axis Resonance Testing of wind Turbine Blades. U.S. Patent 8,621,934, 9 December 2008. [Google Scholar]
- Greaves, P.; Prieto, R.; Gaffing, J.; van Beveren, C.; Dominy, R.; Ingram, G. A Novel Method of Strain-Bending Moment Calibration for Blade Testing. J. Phys. Conf. Ser. 2016, 753, 042014. [Google Scholar] [CrossRef]
- Greaves, P. Fatigue Analysis and Testing of Wind Turbine Blades. Ph.D. Thesis, Durham University, Durham, UK, 2013. [Google Scholar]
- Greaves, P.; Prieto, R.; McKeever, P.; Dominy, R.; Ingram, G. Bi-Axial Fatigue Testing of Wind Turbine Blades; EWEA: Paris, France, 2015. [Google Scholar]
- White, D. New Method for Dual-Axis Fatigue Testing of Large Wind Turbine Blades Using Resonance Excitation and Spectral Loading; No. NREL/TP-500-35268; National Renewable Energy Laboratory: Golden, CO, USA, 2004.
- White, D.; Musial, W.; Engberg, S. Evaluation of the New B-REX Fatigue Testing System for Multi-Megawatt Wind Turbine Blades. In Proceedings of the ASME/AIAA Wind Energy Symposium, Reno, NV, USA, 10–13 January 2005. [Google Scholar]
- Pan, Z.J.; Wu, J.Z.; Sun, Y.R.; Liu, J. Effects of Aerodynamic Fairing on Full Scale Blade Fatigue Test; IOP Conference Series: Materials Science and Engineering; IOP Publishing Ltd.: Bristol, UK, 2017; Volume 207. [Google Scholar]
- Zarouchas, D.S.; Makris, A.A.; Sayer, F.; Van Hemelrijck, D.; Van Wingerde, A.M. Investigations on the Mechanical Behavior of a Wind Rotor Blade Subcomponent. Compos. Part B Eng. 2012, 43, 647–654. [Google Scholar] [CrossRef]
- Leon, M.; Brøndsted, P.; Nijssen, R.; Lekou, D.J.; Philippidis, T.P. Materials of Large Wind Turbine Blades: Recent Results in Testing and Modeling. Wind Energy 2012, 15, 83–97. [Google Scholar]
- Asl, M.E.; Niezrecki, C.; Sherwood, J.; Avitabile, P. Predicting the Vibration Response in Subcomponent Testing of Wind Turbine Blades. In Special Topics in Structural Dynamics; Springer: Orlando, FL, USA, 2015; Volume 6, pp. 115–123. [Google Scholar]
- Hughes, S.D.; Musial, W.D.; Stensland, T. Implementation of two-axis servo-hydraulic system for full-scale fatigue testing of wind turbine blades. In Proceedings of the Windpower 99, Burlington, VT, USA, 20–23 June 1999. [Google Scholar]
- Jayantha, A.E.; Philip, D.C. Accelerated Full Scale Fatigue Testing of a Small Composite Wind Turbine Blade Using a Mechanically Operated Test Rig. In Proceedings of the SIF 2004 Structural Integrity and Fracture, Brisbane, Australia, 26–29 September 2004. [Google Scholar]
- Liu, Y.Z.; Chen, L.Q.; Chen, W.L. Vibration Mechanics; Higher Education Press: Beijing, China, 2010. [Google Scholar]
















| Blade Type | Al 40.3 |
|---|---|
| Turbine rated power | 1.5 MW |
| Blade length | 40.25 m |
| Bolt circle diameter | 1.8 m |
| Max chord | 3.183 m |
| Total twist | 16° |
| Pre-bend | 1.67 m |
| Blade mass | 5943 kg |
| No. | Exciting Type | T-Mass m1 (kg) | T-Mass m2 (kg) | T-Mass m3 (kg) | T-Mass m4 (kg) | P1 (m) | P2 (m) | P3 (m) | P4 (m) | Frequency (Hz) | Phasediffer (°) |
|---|---|---|---|---|---|---|---|---|---|---|---|
| 1 | Single loading | 3080 | 1860 | 962 | 650 | 12 | 16.5 | 24 | 32 | 0.568 | ~ |
| 2 | Dual loading | ~ | 900 | 1300 | ~ | ~ | 16.5 | 24 | ~ | 0.616 | 3° |
| No. | Excitation Type | Exciting Position (m) | Exciter Stroke (m) | Mass (kg) | Frequency (Hz) | Excitation Forces (N) | Amp (m) | Axis Forces (N) | Work per Period (J) | Energy Consume (KWh) |
|---|---|---|---|---|---|---|---|---|---|---|
| 1 | Single | 16.5 | 0.210 | 1800 | 0.563 | 4730 | 0.6 | 31,958 | 8916 | 4953 |
| 2 | Dual-A | 16.5 | 0.168 | 780 | 0.568 | 1669 | 0.6 | 13,834 | 3146 | 1748 |
| Dual-B | 24 | 0.053 | 780 | 0.568 | 527 | 1.3 | 20,569 | 2150 | 1195 |
© 2017 by the authors. Licensee MDPI, Basel, Switzerland. This article is an open access article distributed under the terms and conditions of the Creative Commons Attribution (CC BY) license (http://creativecommons.org/licenses/by/4.0/).
Share and Cite
Pan, Z.; Wu, J. A Novel Multi-Point Excitation Fatigue Testing Method for Wind Turbine Rotor Blades. Energies 2017, 10, 1058. https://doi.org/10.3390/en10071058
Pan Z, Wu J. A Novel Multi-Point Excitation Fatigue Testing Method for Wind Turbine Rotor Blades. Energies. 2017; 10(7):1058. https://doi.org/10.3390/en10071058
Chicago/Turabian StylePan, Zujin, and Jianzhong Wu. 2017. "A Novel Multi-Point Excitation Fatigue Testing Method for Wind Turbine Rotor Blades" Energies 10, no. 7: 1058. https://doi.org/10.3390/en10071058
APA StylePan, Z., & Wu, J. (2017). A Novel Multi-Point Excitation Fatigue Testing Method for Wind Turbine Rotor Blades. Energies, 10(7), 1058. https://doi.org/10.3390/en10071058
