Impact of Silicon Carbide Devices on the Powertrain Systems in Electric Vehicles
Abstract
:1. Introduction
2. SiC Device Characterization
3. Efficiency of the Powertrain System
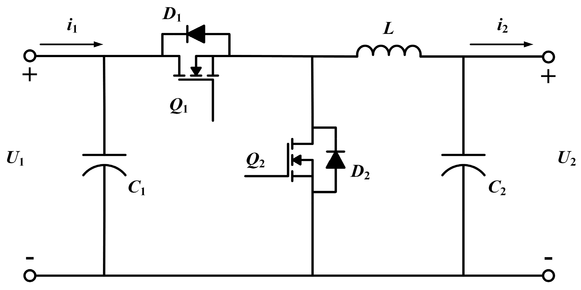
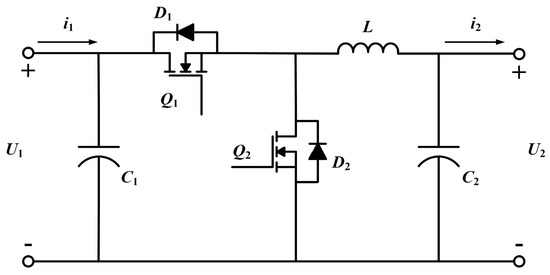
3.1. Efficiency of a Buck-Boost DC/DC Converter
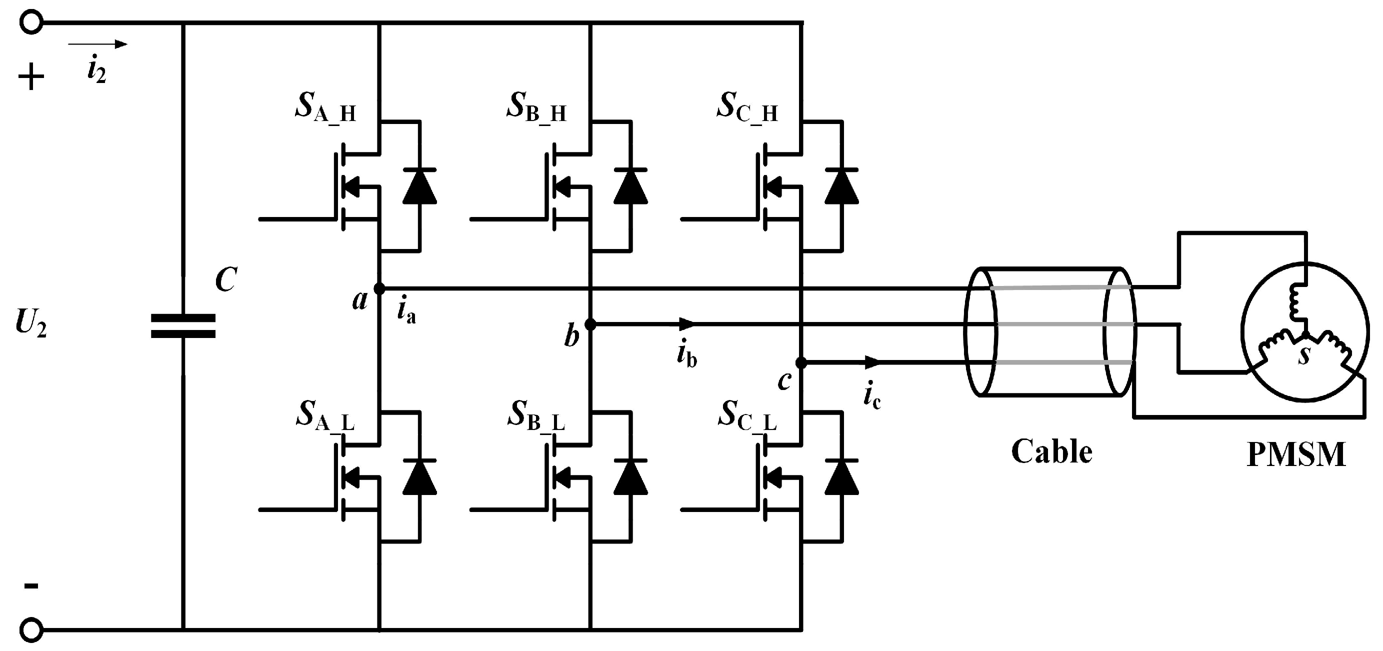
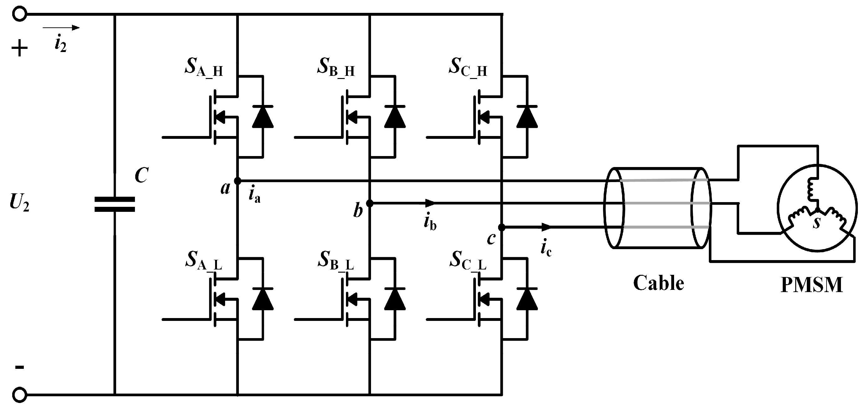
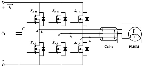
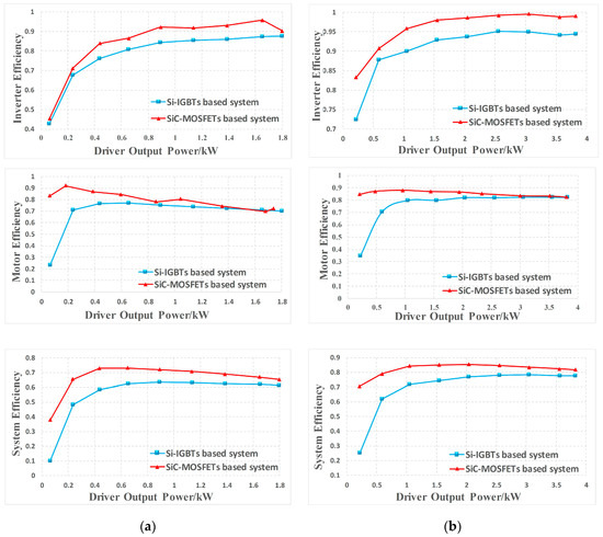
3.2. Efficiency of Inverter-PMSM
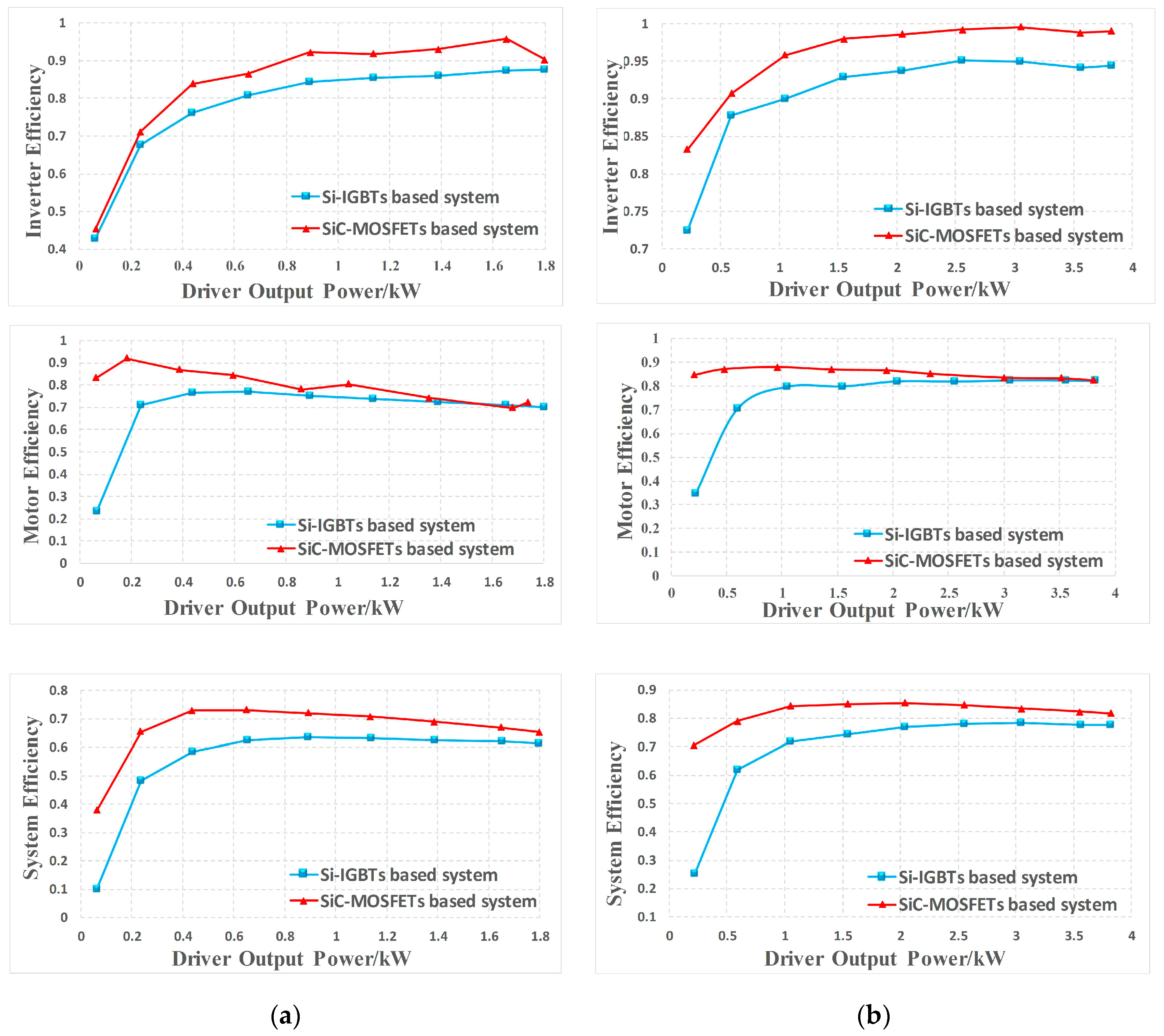
4. Simulations in ADVISOR
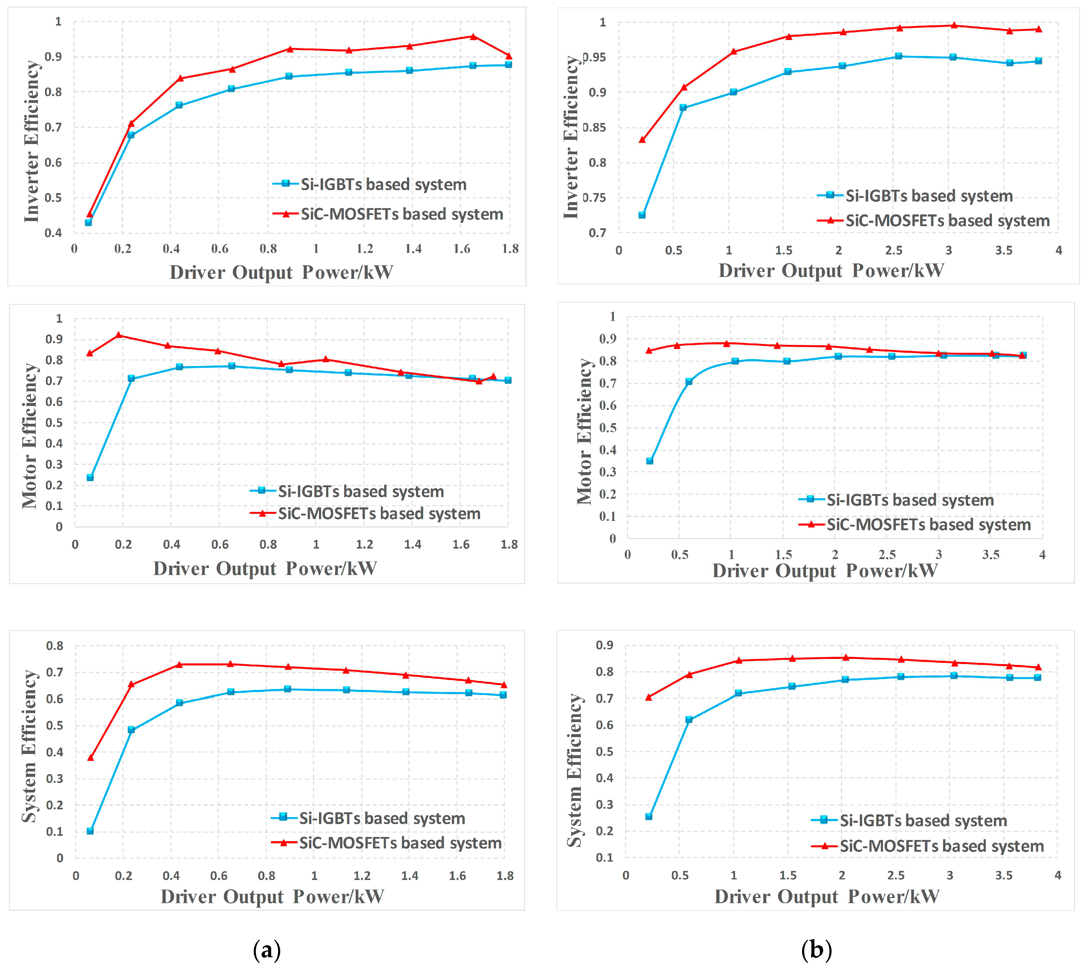
4.1. Topology A: Battery-Inverter-Motor
4.2. Topology B: Battery-Converter-Inverter-Motor
5. Conclusions
Acknowledgments
Author Contributions
Conflicts of Interest
References
- Shamsi, P.; McDonough, M.; Fahimi, B. Wide-Bandgap Semiconductor Technology: Its impact on the electrification of the transportation industry. IEEE Electr. Mag. 2013, 1, 59–63. [Google Scholar] [CrossRef]
- Hamada, K.; Nagao, M.; Ajioka, M.; Kawai, F. SiC—Emerging Power Device Technology for Next-Generation Electrically Powered Environmentally Friendly Vehicles. IEEE Trans. Electr. Devices 2015, 62, 278–285. [Google Scholar] [CrossRef]
- Xiong, R.; Sun, F.; Chen, Z. A data-driven multi-scale extended Kalman filtering based parameter and state estimation approach of lithium-ion polymer battery in electric vehicles. Appl. Energy 2014, 113, 463–476. [Google Scholar] [CrossRef]
- Ruan, J.; Walker, P.; Zhang, N. A comparative study energy consumption and costs of battery electric vehicle transmissions. Appl. Energy 2016, 165, 119–134. [Google Scholar] [CrossRef]
- Zhang, Y.; Xiong, R.; He, H.; Shen, W. A lithium-ion battery pack state of charge and state of energy estimation algorithms using a hardware-in-the-loop validation. IEEE Trans. Power Electr. 2017, 32, 4421–4431. [Google Scholar] [CrossRef]
- Jaguemont, J.; Boulon, L.; Dubé, Y. A comprehensive review of lithium-ion batteries used in hybrid and electric vehicles at cold temperatures. Appl. Energy 2016, 164, 99–114. [Google Scholar] [CrossRef]
- Sun, F.; Xiong, R.; He, H. A systematic state-of-charge estimation framework for multi-cell battery pack in electric vehicles using bias correction technique. Appl. Energy 2016, 162, 1399–1409. [Google Scholar] [CrossRef]
- Pohlenz, D.; Böcker, J. Efficiency improvement of an IPMSM using Maximum Efficiency operating strategy. In Proceedings of the 2010 14th International Power Electronics and Motion Control Conference (EPE/PEMC), Ohrid, Macedonia, 6–8 September 2010; pp. 15–19. [Google Scholar]
- Shang, F.; Arribas, A.P.; Krishnamurthy, M. A comprehensive evaluation of SiC devices in traction applications. In Proceedings of the 2014 IEEE Transportation Electrification Conference and Expo (ITEC), Dearborn, MI, USA, 15–18 June 2014; pp. 1–5. [Google Scholar]
- Zhang, H.; Tolbert, L.M.; Ozpineci, B. Impact of SiC Devices on Hybrid Electric and Plug-In Hybrid Electric Vehicles. IEEE Trans. Ind. Appl. 2011, 47, 912–921. [Google Scholar] [CrossRef]
- Jahdi, S.; Alatise, O.; Fisher, C.; Ran, L.; Mawby, P. An Evaluation of Silicon Carbide Unipolar Technologies for Electric Vehicle Drive-Trains. IEEE J. Emerg. Sel. Top. Power Electr. 2014, 2, 517–528. [Google Scholar] [CrossRef]
- Kassakian, J.G.; Jahns, T.M. Evolving and Emerging Applications of Power Electronics in Systems. IEEE J. Emerg. Sel. Top. Power Electr. 2013, 1, 47–58. [Google Scholar] [CrossRef]
- Wang, F.; Zhang, Z.; Ericsen, T.; Raju, R.; Burgos, R.; Boroyevich, D. Advances in Power Conversion and Drives for Shipboard Systems. Proc. IEEE 2015, 103, 2285–2311. [Google Scholar] [CrossRef]
- Tanimoto, S.; Matsui, K. High Junction Temperature and Low Parasitic Inductance Power Module Technology for Compact Power Conversion Systems. IEEE Trans. Electr. Devices 2015, 62, 258–269. [Google Scholar] [CrossRef]
- Xu, F.; Guo, B.; Xu, Z.; Tolbert, L.M.; Wang, F.; Blalock, B.J. Paralleled Three-Phase Current-Source Rectifiers for High-Efficiency Power Supply Applications. IEEE Trans. Ind. Appl. 2015, 51, 2388–2397. [Google Scholar] [CrossRef]
- Josifović, I.; Popović-Gerber, J.; Ferreira, J.A. Improving SiC JFET Switching Behavior under Influence of Circuit Parasitics. IEEE Trans. Power Electr. 2012, 27, 3843–3854. [Google Scholar] [CrossRef]
- Sun, K.; Wu, H.; Lu, J.; Xing, Y.; Huang, L. Improved Modeling of Medium Voltage SiC MOSFET within Wide Temperature Range. IEEE Trans. Power Electr. 2014, 29, 2229–2237. [Google Scholar] [CrossRef]
- Brown, C.D.; Sarlioglu, B. Reducing Switching Losses in BLDC Motor Drives by Reducing Body Diode Conduction of MOSFETs. IEEE Trans. Ind. Appl. 2015, 51, 1864–1871. [Google Scholar] [CrossRef]
- Swamy, M.M.; Kang, J.; Shirabe, K. Power Loss, System Efficiency, and Leakage Current Comparison between Si IGBT VFD and SiC FET VFD with Various Filtering Options. IEEE Trans. Ind. Appl. 2015, 51, 3858–3866. [Google Scholar] [CrossRef]
- Shirabe, K.; Swamy, M.; Kang, J.K.; Hisatsune, M.; Das, M.; Callanan, R.; Lin, H. Design of 400 V class inverter drive using SiC 6-in-1 power module. In Proceedings of the 2013 IEEE Energy Conversion Congress and Exposition (ECCE), Denver, CO, USA, 15–19 September 2013; pp. 2363–2370. [Google Scholar]
- Merkert, A.; Krone, T.; Mertens, A. Characterization and Scalable Modeling of Power Semiconductors for Optimized Design of Traction Inverters with Si- and SiC-Devices. IEEE Trans. Power Electr. 2014, 29, 2238–2245. [Google Scholar] [CrossRef]
- Zhao, T.; Wang, J.; Huang, A.Q.; Agarwal, A. Comparisons of SiC MOSFET and Si IGBT Based Motor Drive Systems. In Proceedings of the Conference Record of the 2007 IEEE Industry Applications Conference, 42nd IAS Annual Meeting, New Orleans, LA, USA, 23–27 September 2007; pp. 331–335. [Google Scholar]
- Reed, J.K.; McFarland, J.; Tangudu, J.; Vinot, E.; Trigui, R.; Venkataramanan, G.; Gupta, S.; Jahns, T. Modeling power semiconductor losses in HEV powertrains using Si and SiC devices. In Proceedings of the 2010 IEEE Vehicle Power and Propulsion Conference (VPPC), Lille, France, 1–3 September 2010; pp. 1–6. [Google Scholar]
- Ding, X.F.; Liu, G.L.; Du, M.; Guo, H.; Duan, C.W.; Qian, H. Efficiency Improvement of Overall PMSM-Inverter System Based on Artificial Bee Colony Algorithm Under Full Power Range. IEEE Trans. Mag. 2016, 52, 1–4. [Google Scholar] [CrossRef]
- Hassan, W.; Wang, B. Efficiency optimization of PMSM based drive system. In Proceedings of the 2012 7th International Power Electronics and Motion Control Conference (IPEMC), Harbin, China, 2–5 June 2012; Volume 2. [Google Scholar]
- Mestha, L.K.; Evans, P.D. Analysis of on-state losses in PWM inverters. Electr. Power Appl. IEE Proc. B 1989, 136, 189–195. [Google Scholar] [CrossRef]
- Choi, J.W.; Sul, S.K. Inverter output voltage synthesisusing novel dead time compensation. IEEE Trans. Power Electr. 1996, 11, 221–227. [Google Scholar] [CrossRef]
- Zhang, Z.; Xu, L. Dead-Time Compensation of InvertersConsidering Snubber and Parasitic Capacitance. IEEE Trans. Power Electr. 2014, 29, 3179–3187. [Google Scholar] [CrossRef]
- Bedetti, N.; Calligaro, S.; Petrella, R. Self-Commissioning of Inverter Dead-Time Compensation by Multiple Linear Regression Based on a Physical Model. IEEE Trans. Ind. Appl. 2015, 51, 3954–3964. [Google Scholar] [CrossRef]
- Boglietti, A.; Cavagnino, A.; Lazzari, M.; Pastorelli, M. Predicting iron losses in soft magnetic materials with arbitrary voltage supply: An engineering approach. IEEE Trans. Magn. 2003, 39, 981–989. [Google Scholar] [CrossRef]
- Zhu, Z.Q.; Howe, D. Instantaneous magnetic field distribution in permanent magnet brushless DC motors. IV. Magnetic field on load. IEEE Trans. Magn. 1993, 29, 152–158. [Google Scholar] [CrossRef]
- Key, T.S.; Lai, J.S. Costs and benefits of harmonic current reduction for switch-mode power supplies in a commercial office building. IEEE Trans. Ind. Appl. 1996, 32, 1017–1025. [Google Scholar] [CrossRef]

























| SiC (Cree CAS300M12BM2) | Si Insulated-Gate Bipolar Transistor (IGBT) (Infineon FF400R12KE3) | |||
|---|---|---|---|---|
| 25 °C | 175 °C | 25 °C | 175 °C | |
| DC voltage | 270 V | 270 V | 270 V | 270 V |
| Turn-on time | 85 ns | 79 ns | 143 ns | 145 ns |
| Turn-off time | 153 ns | 148 ns | 328 ns | 752 ns |
| On-state resistance | 4.8 mΩ | 7.84 mΩ | / | / |
| Collector-emitter saturation voltage | / | / | 832.5 mV (9.5 A) | 583.0 mV (9.4 A) |
| Output capacitance | 12.7 nF | 13.4 nF | 32.7 nF | 35.3 nF |
| Temperature | SiC (Cree CAS300M12BM2) | Si (Infineon FF400R12KE3) | ||
|---|---|---|---|---|
| Vds | Id | Vce | Id | |
| 25 °C | 44.2 mV | 9.2 A | 832.5 mV | 9.5 A |
| 100 °C | 60.1 mV | 9.2 A | 686.9 mV | 9.3 A |
| 175 °C | 73.7 mV | 9.4 A | 583.0 mV | 9.4 A |
| Description | SiC (Cree CAS300M12BM2) | Si Insulated-Gate Bipolar Transistor (IGBT) (Infineon FF400R12KE3) | Improve (%) |
|---|---|---|---|
| Elevation | 0 | 0 | - |
| Equivalent fuel (L/100 km) | 2.1 | 2.4 | 12.50 |
| Drive distance (km) | 12 | 12 | - |
| Output energy of battery (kJ) | 7285 | 7992 | 8.85 |
| Efficiency of inverter-motor system (%) | 87.5 | 79 | 10.76 |
| Braking energy recuperated (kJ) | 990 | 861 | 14.98 |
| Efficiency of overall system (%) | 36.5 | 32.3 | 13.00 |
| Description | SiC (Cree CAS300M12BM2) | Si IGBT (Infineon FF400R12KE3) | ||||
|---|---|---|---|---|---|---|
| Elevation | 1.5 | 3 | 4.5 | 1.5 | 3 | 4.5 |
| Equivalent fuel (L/100 km) | 2.9 | 3.7 | 4.5 | 3.2 | 4.1 | 5 |
| Drive distance (km) | 12 | 12 | 12 | 12 | 12 | 12 |
| Output energy of battery (kJ) | 9783 | 12,480 | 15,307 | 10,736 | 13,719 | 16,847 |
| Efficiency of inverter-motor system (%) | 88.4 | 89.9 | 91.06 | 81.37 | 82.75 | 83.56 |
| Braking energy recuperated (kJ) | 742 | 559 | 442 | 631 | 484 | 365 |
| Efficiency of overall system (%) | 25.6 | 19.4 | 15.5 | 22.9 | 17.7 | 14 |
| Description | SiC (Cree CAS300M12BM2) | Si IGBT (Infineon FF400R12KE3) | Improve (%) |
|---|---|---|---|
| Elevation | 0 | 0 | - |
| Equivalent fuel (L/100 km) | 2.2 | 2.6 | 15.38 |
| Drive distance (km) | 12 | 12 | - |
| Output energy of battery (kJ) | 7599 | 8821 | 14.31 |
| Efficiency of converter-inverter-motor system (%) | 83.59 | 70.94 | 17.83 |
| Braking energy recuperated (kJ) | 915 | 696 | 31.47 |
| Efficiency of overall system (%) | 34.4 | 28.4 | 21.14 |
| Description | SiC (Cree CAS300M12BM2) | Si IGBT (Infineon FF400R12KE3) | ||||
|---|---|---|---|---|---|---|
| Elevation | 1.5 | 3 | 4.5 | 1.5 | 3 | 4.5 |
| Equivalent fuel (L/100 km) | 3 | 3.8 | 4.7 | 3.5 | 4.5 | 5.5 |
| Drive distance (km) | 12 | 12 | 12 | 12 | 12 | 12 |
| Output energy of battery (kJ) | 10,148 | 12,897 | 15,765 | 11,778 | 15,009 | 18,382 |
| Efficiency of converter-inverter-motor system (%) | 86.51 | 88.41 | 89.62 | 73.7 | 75.25 | 76.26 |
| Braking energy recuperated (kJ) | 681 | 511 | 383 | 514 | 386 | 287 |
| Efficiency of overall system (%) | 24.4 | 18.7 | 15 | 20.5 | 15.8 | 12.7 |
© 2017 by the authors. Licensee MDPI, Basel, Switzerland. This article is an open access article distributed under the terms and conditions of the Creative Commons Attribution (CC BY) license (http://creativecommons.org/licenses/by/4.0/).
Share and Cite
Ding, X.; Cheng, J.; Chen, F. Impact of Silicon Carbide Devices on the Powertrain Systems in Electric Vehicles. Energies 2017, 10, 533. https://doi.org/10.3390/en10040533
Ding X, Cheng J, Chen F. Impact of Silicon Carbide Devices on the Powertrain Systems in Electric Vehicles. Energies. 2017; 10(4):533. https://doi.org/10.3390/en10040533
Chicago/Turabian StyleDing, Xiaofeng, Jiawei Cheng, and Feida Chen. 2017. "Impact of Silicon Carbide Devices on the Powertrain Systems in Electric Vehicles" Energies 10, no. 4: 533. https://doi.org/10.3390/en10040533
APA StyleDing, X., Cheng, J., & Chen, F. (2017). Impact of Silicon Carbide Devices on the Powertrain Systems in Electric Vehicles. Energies, 10(4), 533. https://doi.org/10.3390/en10040533
