Measurement of Line-to-Ground Capacitance in Distribution Network Considering Magnetizing Impedance’s Frequency Characteristic
Abstract
:1. Introduction
2. Line-to-Ground Capacitance Measurement Method
2.1. Vector Calculation Method
2.2. Amplitude Calculation Method
2.3. Phase Calculation Method
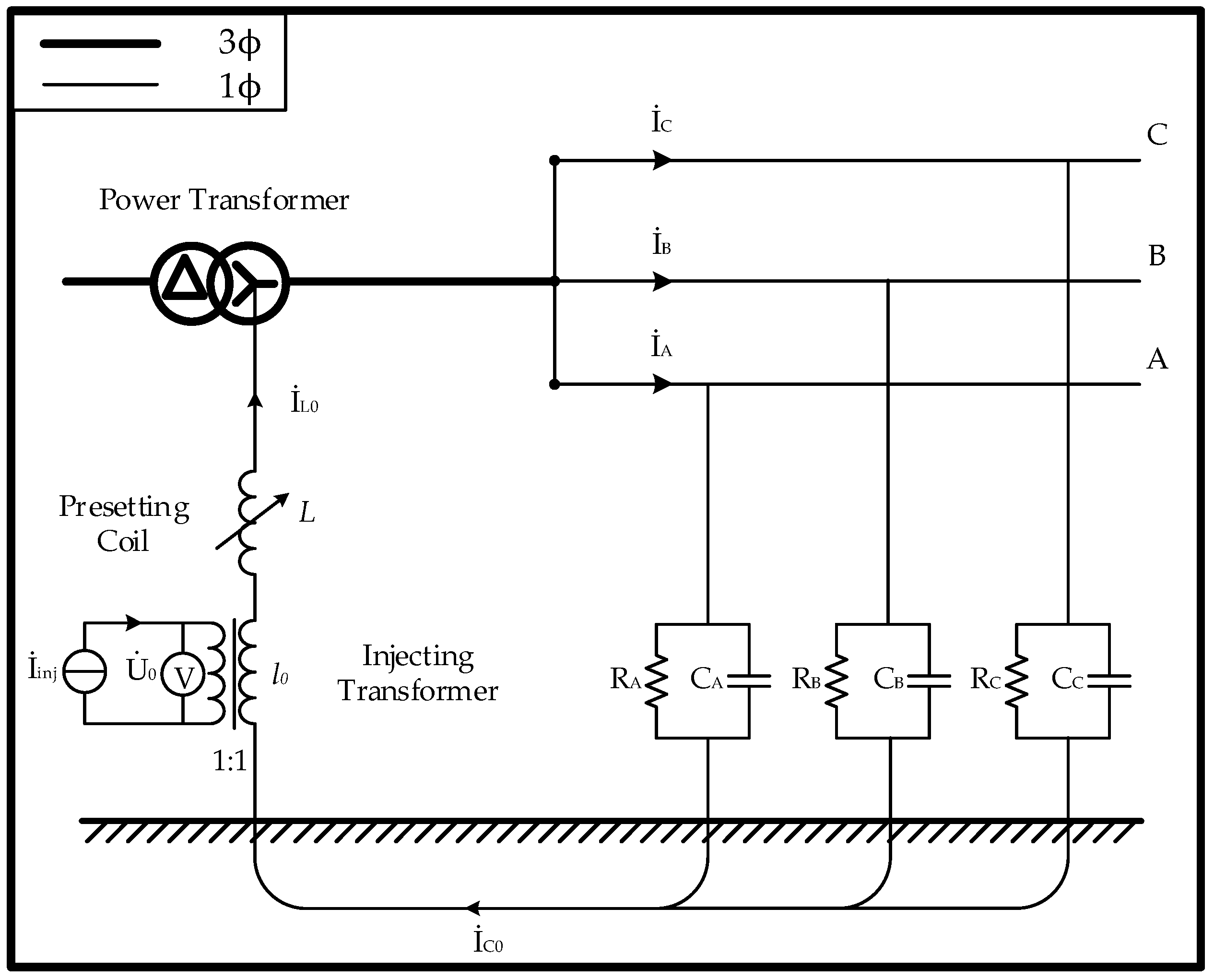
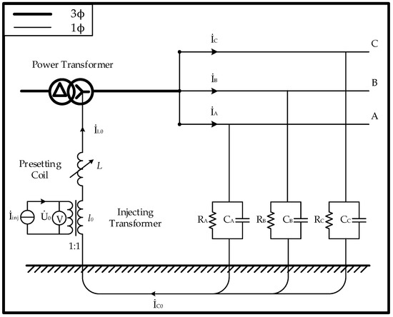
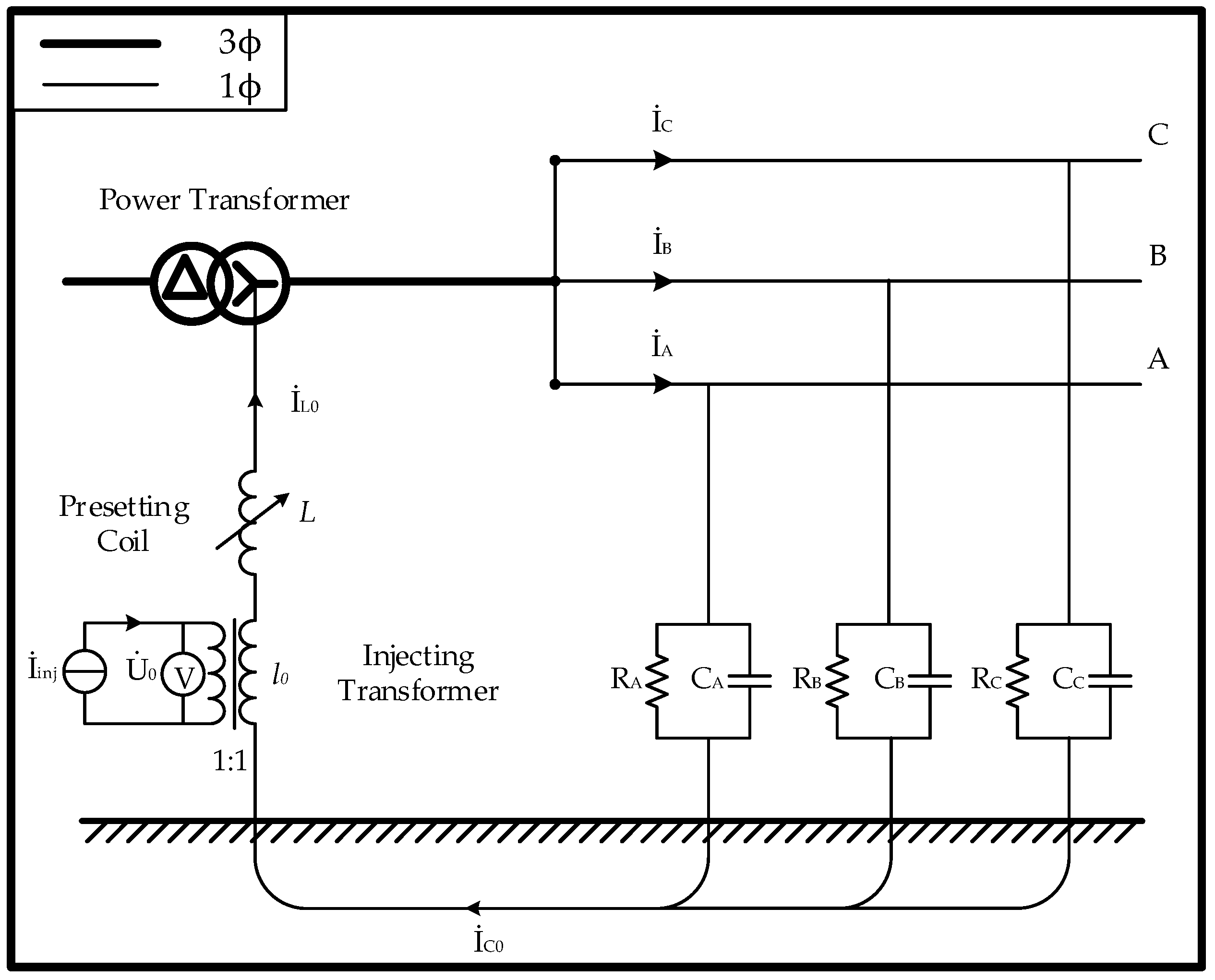
3. Experiment Platform and Techniques
3.1. Line-Ground-Capacitance Measurement
3.2. Magnetizing Impedance’s Frequency Characteristic Measurement
4. Experiment Results and Analysis
4.1. Vector Calculation Method Results
- (1).
- Cf is more accurate than C50Hz, while C50Hz is more accurate than C0.
- (2).
- If the calculation is based on SIM, the recommended frequency scope of the injecting signal should be in the vicinity of the rated frequency.
- (3).
- If the calculation is based on RSIM, the recommended frequency scope of the injecting signal should be 30~80 Hz, but the results are not stable and could be affected by the external topology and frequency.
- (4).
- If the calculation is based on ISIM, the recommended frequency scope could reach 20~120 Hz, and the results are more stable and reliable.
- (5).
- With the rise of frequency f of the injecting signal, e50Hz and e0 decrease first and then increase:
- when f is low, the iron core is more vulnerable to be saturated, thus magnetizing impedance for calculation far away from the true value;
- when f is high, the impedance of line-to-ground capacitance is low, and the line stray impedance Zε in zero sequence is high. Thus, calculation error and system error increase during calculation.
- (6).
- With the rise of frequency f of the injecting signal, ef has the same tendency, but the tendency is not obvious because of the improvement caused by considering the magnetizing impedance’s frequency characteristic in the ISIM calculation.
4.2. Amplitude Calculation Method Results
4.3. Phase Calculation Method Results
5. Conclusions
- (1).
- The topology of zero sequence of ISIM is similar to traditional methods and its applied frequency scope is extended and the accuracy of calculation is improved.
- (2).
- The saturation of iron core at low frequency and the system error due to line stray impedance Zε in zero sequence at high frequency are the major causes of measurement error.
- (3).
- When the injecting transformer is a transformer of small capacity, it is necessary to measure the frequency characteristic of magnetizing impedance for better results.
- (4).
- The frequency group should be selected in the range of 20–80 Hz, if line-to-ground capacitance is calculated through amplitude calculation method and phase calculation method via two-frequency information.
- (5).
- Nice shielding and filtering are demanded to obtain reasonable results via phase calculation method, because electrical signal is more vulnerable to the influence of electromagnetic interference.
Acknowledgments
Author Contributions
Conflicts of Interest
References
- Zadeh, M.R.D.; Sanaye-Pasand, M.; Kadivar, A. Investigation of neutral reactor performance in reducing secondary arc current. IEEE Trans. Power Deliv. 2008, 23, 2472–2479. [Google Scholar] [CrossRef]
- Wang, J.; Yang, Q.; Sima, W.X.; Yuan, T.; Zahn, M.K. A smart online over-voltage monitoring and identification system. Energies 2011, 4, 599–615. [Google Scholar] [CrossRef]
- Chen, L.; Yang, Q.; Wang, J.; Sima, W.X.; Yuan, T. Classification of fundamental ferroresonance, single phase-to-ground and wire breakage over-voltages in isolated neutral networks. Energies 2011, 4, 1301–1320. [Google Scholar] [CrossRef]
- Amin, M. A smart self-healing grid: In pursuit of a more reliable and resilient system [in my view]. IEEE Power Energy Mag. 2014, 12, 110–112. [Google Scholar] [CrossRef]
- Simpson-Porco, J.W.; Bullo, F. Distributed monitoring of voltage collapse sensitivity indices. IEEE Trans. Smart Grid 2016, 7, 1–10. [Google Scholar] [CrossRef]
- Taniguchi, T.; Kaisaki, K.; Fukui, Y. Automated linear function submission-based double auction as bottom-up real-time pricing in a regional prosumers’ electricity network. Energies 2015, 8, 7381–7406. [Google Scholar] [CrossRef]
- Cho, J.; Kim, J.H.; Lee, H.J. Development and improvement of an intelligent cable monitoring system for underground distribution networks using distributed temperature sensing. Energies 2014, 7, 1076–1094. [Google Scholar] [CrossRef]
- Kang, H.K.; Chung, I.Y.; Moon, S.I. Voltage control method using distributed generators based on a multi-agent system. Energies 2015, 8, 14009–14025. [Google Scholar] [CrossRef]
- Zeng, X.; Xu, Y.; Wang, Y. Some novel techniques for insulation parameters measurement and petersen-coil control in distribution systems. IEEE Trans. Ind. Electron. 2010, 57, 1445–1451. [Google Scholar] [CrossRef]
- Yao, H. The Resonance Grounding of the Electric System, 2nd ed.; China Electronic Power Press: Beijing, China, 2001. (In Chinese) [Google Scholar]
- Griffel, D.; Harmand, Y. A new deal for safety and quality on MV networks. IEEE Trans. Power Deliv. 1997, 12, 1428–1433. [Google Scholar] [CrossRef]
- IEEE Recommended Practice for Grounding of Industrial and Commercial Power Systems; IEEE Std. 142-2007 (Revision of IEEE Std. 142-1991); IEEE: New York, NY, USA, 2007.
- Baranski, M.; Decner, A.; Polak, A. Selected diagnostic methods of electrical machines operating in industrial conditions. IEEE Trans. Dielectric. Electr. Insul. 2014, 21, 2047–2054. [Google Scholar] [CrossRef]
- Meng, X.; Tai, N.L.; Hu, Y.; Yang, X. Shunt Petersen-coil with resistor for single phase fault detection in resonant grounded power distribution systems. Adv. Mater. Res. 2013, 860–863, 2007–2012. [Google Scholar] [CrossRef]
- Suonan, J.L.; Yang, C.; Yang, Z.L.; Song, G.B. Study of time-domain compensation algorithm of capacitive current for parallel transmission lines protection. Proc. CSEE 2010, 30, 77–81. (In Chinese) [Google Scholar]
- Zeng, X.; Hu, J.Y.; Wang, Y.; Xiong, T. Suppressing method of three-phase unbalanced overvoltage based on distribution networks flexible grounding control. Proc. CSEE 2014, 34, 678–684. (In Chinese) [Google Scholar]
- Lian, H.B.; Yang, Y.H.; Tan, P.W.; Qu, Y.L.; Qi, Z. Analysis on measuring error of capacitance current in medium-voltgae power network by biased capacitance method. Power Syst. Technol. 2005, 29, 54–58. (In Chinese) [Google Scholar]
- Yan, X.; He, Z.; Chen, W. An investigation into arc self-extinguishing characteristics on Peterson coil compensated system. In Proceedings of the International Conference on High Voltage Engineering and Application, Chongqing, China, 9–13 November 2008. [Google Scholar]
- Wu, J. Capacitive current measurement methods for arc-suppression coil with automatic tuning. Int. J. Digit. Content Technol. Its Appl. 2012, 6, 625–633. [Google Scholar]
- Li, W.; Chen, J.; Jiang, M.; Hu, Z.J.; Cheng, X. Setting of zero-sequence current compensation coefficient for ground distance relays of double-circuit transmission lines on same tower considering capacitive current. Power Syst. Technol. 2012, 36, 281–284. (In Chinese) [Google Scholar]
- Liu, L.; Sun, J. A new method to measure capacitive current in distribution network. Power Syst. Technol. 2001, 25, 63–65. (In Chinese) [Google Scholar]
- Zeng, X.; Xu, Y.; Chen, B.; Zhang, P.; Yuan, C. A novel measuring method of capacitive current for insulated neutral distribution networks. Autom. Electr. Power Syst. 2009, 33, 78–81. (In Chinese) [Google Scholar]
- Avila-Montes, J.; Campos-Gaona, D.; Vázquez, E.M.; Rodríguez-Rodríguez, J.R. A Novel compensation scheme based on a virtual air gap variable reactor for AC voltage control. IEEE Trans. Ind. Electron. 2014, 61, 6547–6555. [Google Scholar] [CrossRef]
- Tian, M.; Li, Q.; Li, Q. A controllable reactor of transformer type. IEEE Trans. Power Del. 2004, 19, 1718–1726. [Google Scholar] [CrossRef]
- Chen, X.; Chen, B.; Tian, C.; Yuan, J. Modeling and harmonic optimization of a two-stage saturable magnetically controlled reactor for an arc suppression coil. IEEE Trans. Ind. Electron. 2012, 59, 2824–2831. [Google Scholar] [CrossRef]
- Luo, A.; Shuai, Z.; Zhu, W.; Shen, Z.J. Combined system for harmonic suppression and reactive power compensation. IEEE Trans. Ind. Electron. 2009, 56, 418–428. [Google Scholar] [CrossRef]
- Kumar, C.; Mishra, M.K. An improved hybrid DSTATCOM topology to compensate reactive and nonlinear loads. IEEE Trans. Ind. Electron. 2014, 61, 6517–6527. [Google Scholar] [CrossRef]
- Zivanovic, R.; Schegner, P.; Seifert, O.; Pilz, G. Identification of the resonant-grounded system parameters by evaluating fault measurement records. IEEE Trans. Power Deliv. 2004, 19, 1085–1090. [Google Scholar] [CrossRef]
- Schulze, R.; Schegner, P.; Zivanovic, R. Parameter identification of unsymmetrical transmission lines using fault records obtained from protective relays. IEEE Trans. Power Deliv. 2011, 26, 1265–1272. [Google Scholar] [CrossRef]








| C (μF) | L (H) | f (Hz) | Calculation Capacitance (μF) | Relative Error (%) | ||||
|---|---|---|---|---|---|---|---|---|
| Cf | C50Hz | C0 | ef | e50Hz | e0 | |||
| 22.27 | 0.44882 | 10 | 20.96 | −171.26 | −193.28 | 5.88 | 869.02 | 967.89 |
| 20 | 21.43 | 17.63 | 13.24 | 3.77 | 20.84 | 40.55 | ||
| 30 | 22.37 | 21.69 | 19.98 | 0.45 | 2.6 | 10.28 | ||
| 40 | 22.43 | 22.74 | 21.39 | 0.72 | 2.11 | 3.95 | ||
| 60 | 22.33 | 22.57 | 21.69 | 0.27 | 1.35 | 2.6 | ||
| 80 | 21.69 | 21.52 | 18.47 | 2.6 | 3.37 | 17.06 | ||
| 100 | 19.31 | 21.07 | 16.31 | 13.29 | 5.39 | 26.76 | ||
| 120 | 24.45 | 15.88 | 11.02 | 9.79 | 28.69 | 50.52 | ||
| 14.08 | 0.64744 | 10 | 13.81 | −34.93 | −40.12 | 1.92 | 348.08 | 384.94 |
| 20 | 13.92 | 5.00 | −2.28 | 1.14 | 64.49 | 116.19 | ||
| 30 | 14.15 | 11.82 | 9.52 | 0.5 | 16.05 | 32.39 | ||
| 40 | 13.98 | 13.33 | 12.69 | 0.71 | 5.33 | 9.87 | ||
| 60 | 13.96 | 13.64 | 14.42 | 0.85 | 3.13 | 2.41 | ||
| 80 | 13.31 | 12.15 | 11.7 | 5.47 | 13.71 | 16.9 | ||
| 100 | 12.87 | 9.67 | 9.39 | 8.59 | 31.32 | 33.31 | ||
| 120 | 10.14 | 7.03 | 5.56 | 27.98 | 50.07 | 60.51 | ||
| 7.06 | 1.06029 | 10 | 5.85 | −123.84 | −211.76 | 17.14 | 1854.11 | 3099.43 |
| 20 | 6.98 | −0.02 | −5.53 | 1.13 | 100.28 | 178.33 | ||
| 30 | 7.14 | 6.22 | 3.33 | 1.13 | 11.9 | 52.83 | ||
| 40 | 7.11 | 6.51 | 5.43 | 0.71 | 7.79 | 23.09 | ||
| 60 | 6.93 | 6.92 | 6.92 | 1.84 | 1.98 | 1.98 | ||
| 80 | 6.90 | 6.15 | 5.54 | 2.27 | 12.89 | 21.53 | ||
| 100 | 7.30 | 5.15 | 4.09 | 3.4 | 27.05 | 42.07 | ||
| 120 | 6.93 | 3.95 | 3.01 | 1.84 | 44.05 | 57.37 | ||
| C (μF) | f1 (Hz) | f2 (Hz) | Cmf (μF) | emf (%) |
|---|---|---|---|---|
| 22.27 | 10 | 20 | 19.22 | 13.7 |
| 20 | 40 | 23.23 | 4.31 | |
| 30 | 60 | 23.99 | 7.72 | |
| 40 | 60 | 22.76 | 2.2 | |
| 40 | 80 | 22.59 | 1.44 | |
| 40 | 100 | 22.76 | 2.20 | |
| 14.08 | 10 | 20 | 16.96 | 20.45 |
| 20 | 40 | 13.42 | 4.69 | |
| 30 | 60 | 12.98 | 7.81 | |
| 40 | 60 | 14.02 | 0.43 | |
| 40 | 80 | 13.79 | 2.06 | |
| 40 | 100 | 13.70 | 2.70 | |
| 7.06 | 10 | 20 | 6.42 | 9.07 |
| 20 | 40 | 6.71 | 4.96 | |
| 30 | 60 | 6.94 | 1.70 | |
| 40 | 60 | 6.97 | 1.27 | |
| 40 | 80 | 6.88 | 2.55 | |
| 40 | 100 | 7.50 | 6.23 |
| C (μF) | f1 (Hz) | f2 (Hz) | Cpf (μF) | epf (%) |
|---|---|---|---|---|
| 22.27 | 10 | 20 | 19.46 | 12.62 |
| 20 | 40 | 21.87 | 1.80 | |
| 30 | 60 | 21.95 | 1.44 | |
| 40 | 60 | 22.28 | 0.04 | |
| 40 | 80 | 22.06 | 0.94 | |
| 40 | 100 | 23.4 | 5.07 | |
| 14.08 | 10 | 20 | 15.37 | 9.16 |
| 20 | 40 | 12.43 | 11.72 | |
| 30 | 60 | 12.44 | 11.65 | |
| 40 | 60 | 13.74 | 2.41 | |
| 40 | 80 | 12.33 | 12.43 | |
| 40 | 100 | 11.24 | 20.17 | |
| 7.06 | 10 | 20 | 7.68 | 8.78 |
| 20 | 40 | 6.52 | 7.65 | |
| 30 | 60 | 6.59 | 6.66 | |
| 40 | 60 | 7.29 | 3.26 | |
| 40 | 80 | 7.66 | 8.50 | |
| 40 | 100 | 6.26 | 11.33 |
© 2017 by the authors. Licensee MDPI, Basel, Switzerland. This article is an open access article distributed under the terms and conditions of the Creative Commons Attribution (CC BY) license (http://creativecommons.org/licenses/by/4.0/).
Share and Cite
Yang, Q.; Zhang, B.; Ran, J.; Chen, S.; He, Y.; Sun, J. Measurement of Line-to-Ground Capacitance in Distribution Network Considering Magnetizing Impedance’s Frequency Characteristic. Energies 2017, 10, 477. https://doi.org/10.3390/en10040477
Yang Q, Zhang B, Ran J, Chen S, He Y, Sun J. Measurement of Line-to-Ground Capacitance in Distribution Network Considering Magnetizing Impedance’s Frequency Characteristic. Energies. 2017; 10(4):477. https://doi.org/10.3390/en10040477
Chicago/Turabian StyleYang, Qing, Bo Zhang, Jiaquan Ran, Song Chen, Yanxiao He, and Jian Sun. 2017. "Measurement of Line-to-Ground Capacitance in Distribution Network Considering Magnetizing Impedance’s Frequency Characteristic" Energies 10, no. 4: 477. https://doi.org/10.3390/en10040477
APA StyleYang, Q., Zhang, B., Ran, J., Chen, S., He, Y., & Sun, J. (2017). Measurement of Line-to-Ground Capacitance in Distribution Network Considering Magnetizing Impedance’s Frequency Characteristic. Energies, 10(4), 477. https://doi.org/10.3390/en10040477
