Active, Reactive and Harmonic Control for Distributed Energy Micro-Storage Systems in Smart Communities Homes
Abstract
:1. Introduction
- The proposal of a strategy to control fundamental reactive power, able to operate properly under distorted grid voltage,
 - The harmonic control strategy with saturated function, to assure the charger safety,
 - The combination of the active, reactive and harmonic control in a global control strategy which allows the charger to operate simultaneously with P, Q and H control, and the validation by simulation of this global strategy.
 
2. Control Strategies
2.1. Active Power
2.2. Reactive Power
2.3. Additional Harmonic Control Strategy
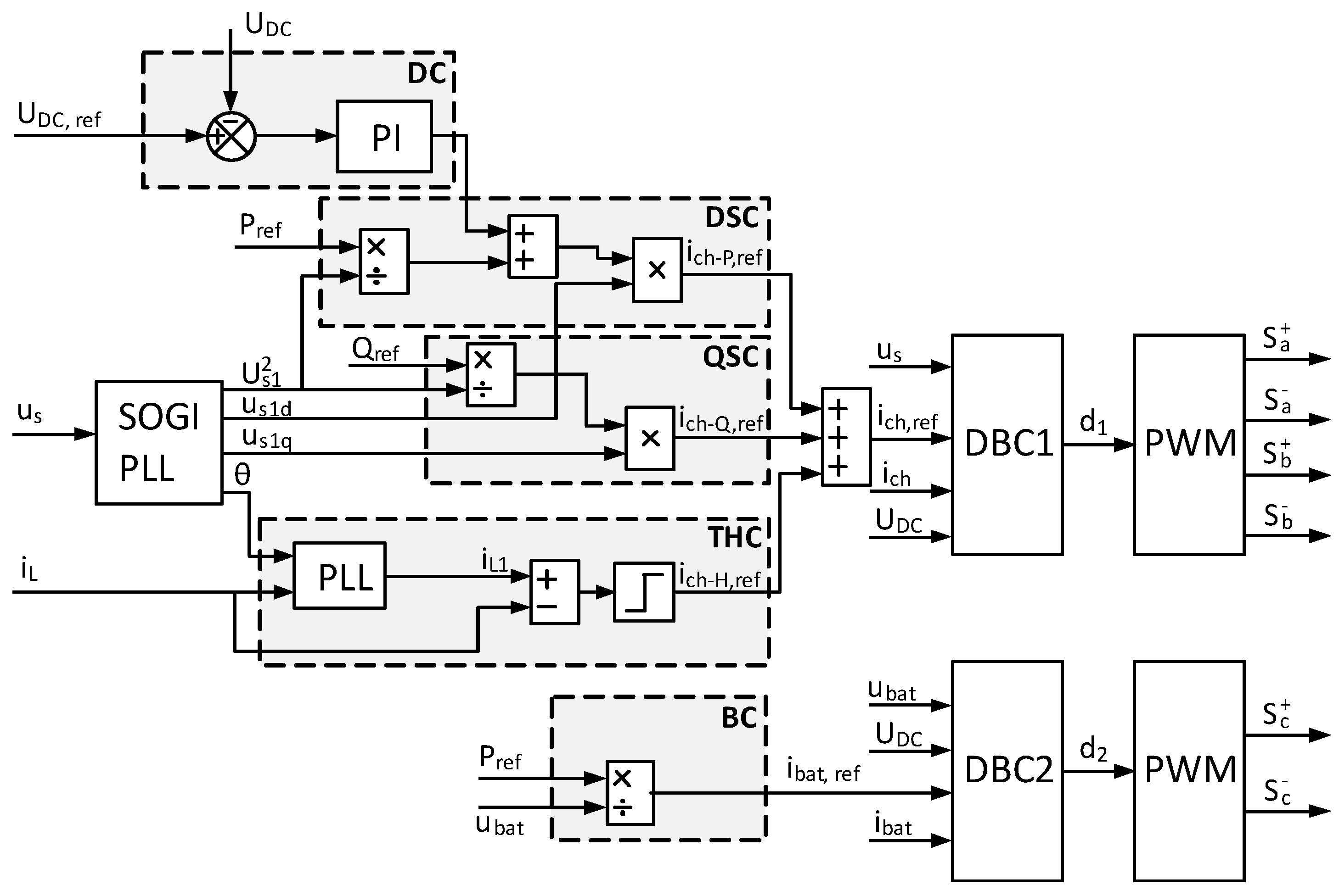
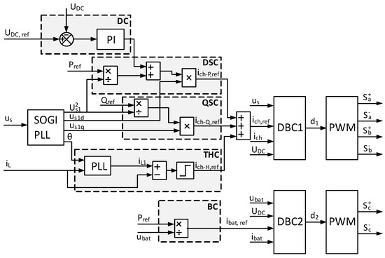
3. ESS Power Structure and Control System
3.1. Topology
3.2. Global Control Strategy
3.3. Switching Signal Generation
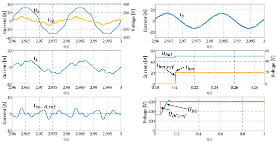
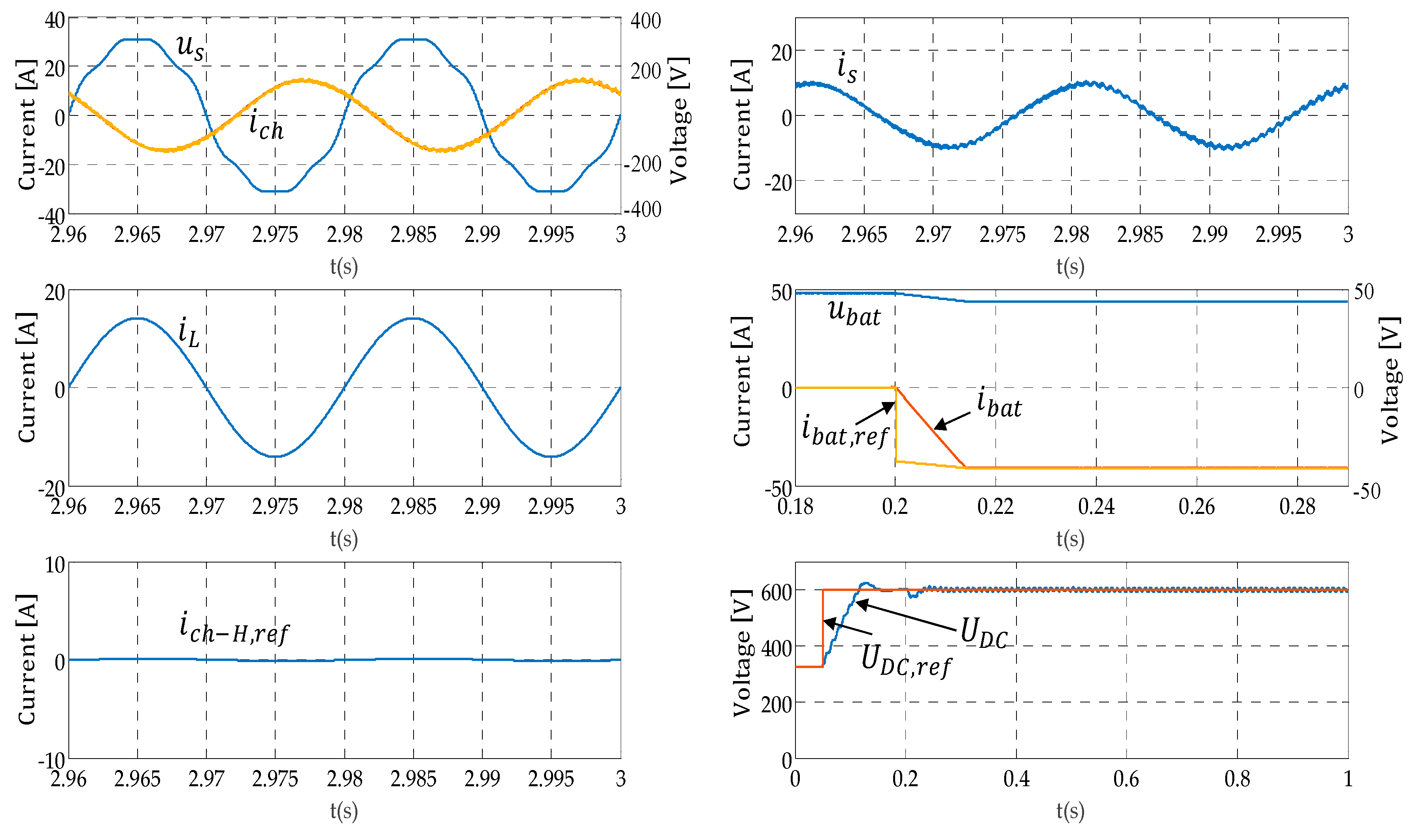
4. Simulation Results
- Case A. Charging the battery and demanding fundamental reactive power: Pref = 1800 W and Q1ref = 1400 VAr. House demand without harmonics: IL = 10 A (perfectly sinusoidal, i.e., iLh = 0).
 - Case B. Discharging the battery and injecting fundamental reactive power: Pref = −1800 W and Q1ref = −1400 VAr. House demand without harmonics. IL = 10 A (perfectly sinusoidal, i.e., iLh = 0).
 - Case D. Discharging the battery and demanding reactive power: Pref = −1800 W, Q1ref = 1100 VAr. House demand with the same usual harmonics contents; now with IL = 19.98 A.
 
5. Conclusions
Acknowledgments
Author Contributions
Conflicts of Interest
Nomenclature
| di | Duty cycle obtained from the dead-beat controller number i | 
| ibat | Battery current | 
| ich | Charger current | 
| ich-P | Charger current with P mode control | 
| ich-Q, | Charger current with Q mode control | 
| ich-H | Charger current with H mode control | 
| Ich,n | Nominal current of the charger | 
| Ich-H,max | Maximum RMS charger current available for H mode control | 
| iL | Load current demanded by the house | 
| iS | Source or grid current | 
| Pref | Active power set-point | 
| Q1ref | Fundamental reactive power set-point | 
| TS | Switching period | 
| Tm | Time step for simulation | 
| Ubat | Battery voltage | 
| UDC | DC bus voltage | 
| uS | Source or grid voltage | 
| uS1d | Fundamental component of the grid voltage | 
| uS1q | Fundamental component of the grid voltage, +90 degrees phase shifted | 
References
- Davies, R.; Sumner, M.; Christopher, E. Energy storage control for a small community microgrid. In Proceedings of the 7th IET (Innovation, Engineering, and Technology) International Conference on Power Electronics, Machines and Drives (PEMD), Manchester, UK, 8–10 April 2014; pp. 1–6. [Google Scholar]
 - Sharifi, L.; Freitag, F.; Veiga, L. Combing smart grid with community clouds: Next generation integrated service platform. In Proceedings of the 2014 IEEE International Conference on Smart Grid Communications (SmartGridComm), Venice, Italy, 3–6 November 2014. [Google Scholar]
 - Li, J.; Wu, Z.; Zhou, S.; Fu, H.; Zhang, X.P. Aggregator service for PV and battery energy storage systems of residential building. CSEE J. Power Energy Syst. 2015, 1, 3–11. [Google Scholar] [CrossRef]
 - Kanchev, H.; Lu, D.; Colas, F.; Lazarov, V.; Francois, B. Energy management and operational planning of a microgrid with a PV-based active generator for smart grid applications. IEEE Trans. Ind. Electron. 2011, 58, 4583–4592. [Google Scholar] [CrossRef]
 - González-Romera, E.; Barrero-González, F.; Romero-Cadaval, E.; Milanés-Montero, M.I. Overview of plug-in electric vehicles as providers of ancillary services. In Proceedings of the 9th International Conference on Compatibility and Power Electronics (CPE), Lisbon, Portugal, 24–26 June 2015. [Google Scholar]
 - Aman, S.; Simmhan, Y.; Prasanna, V.K. Energy management systems: State of the art and emerging trends. IEEE Commun. Mag. 2013, 51, 114–119. [Google Scholar] [CrossRef]
 - Gomez, J.C.; Morcos, M.M. Impact of EV battery chargers on the power quality of distribution systems. IEEE Trans. Power Deliv. 2003, 18, 975–981. [Google Scholar] [CrossRef]
 - Onar, O.C.; Khaligh, A. Grid interactions and stability analysis of distribution power network with high penetration of plug-in hybrid electric vehicles. In Proceedings of the 25th Annual IEEE Applied Power Electronics Conference and Exposition (APEC), Palm Springs, CA, USA, 21–25 February 2010. [Google Scholar]
 - Milanés-Montero, M.I.; Gallardo-Lozano, J.; Romero-Cadaval, E.; González-Romera, E. Hall-effect based semi-fast AC on-board charging equipment for electric vehicles. Sensors 2011, 11, 9313–9326. [Google Scholar] [CrossRef] [PubMed]
 - Ciobotaru, M.; Teodorescu, R.; Blaabjerg, F. A new single-phase PLL structure based on second order generalized integrator. In Proceedings of the 37th IEEE Power Electronics Specialists Conference (PESC), Jeju, Korea, 18–22 June 2006. [Google Scholar]
 - Miret, J.; Castilla, M.; Matas, J.; Guerrero, J.M.; Vasquez, J.C. Selective harmonic-compensation control for single-phase active power filter with high harmonic rejection. IEEE Trans. Ind. Electron. 2009, 56, 3117–3127. [Google Scholar] [CrossRef]
 - González-Castrillo, P.; Romero-Cadaval, E.; Milanés-Montero, M.I.; Barrero González, F.; Guerrero Martínez, M.A. A new criterion for selecting the inductors of an active power line conditioner. In Proceedings of the 7th International Conference-Workshop Compatibility and Power Electronics CPE2011, Tallinn, Estonia, 1–3 June 2011. [Google Scholar]
 - IEC Technical Committee 77A. Electromagnetic Compatibility (EMC)—Part 2-2: Environment—Compatibility Levels for Low-Frequency Conducted Disturbances and Signalling in Public Low-Voltage Power Supply Systems; IEC 61000-2-2:2002; International Electrotechnical Commission (IEC): Geneva, Switzerland, 2002. [Google Scholar]
 - Suárez, J.A.; di Mauro, G.; Anaut, D.; Agüero, C. Analysis of the harmonic distortion and the effects of attenuation and diversity in residential areas. IEEE Lat. Am. Trans. 2005, 3, 53–59. [Google Scholar] [CrossRef]
 - IEC Technical Committee 77A. Electromagnetic Compatibility (EMC)—Part 3-12: Limits—Limits for Harmonic Currents Produced by Equipment Connected to Public Low-Voltage Systems with Input Current >16 A and ≤75 A per Phase; IEC 61000-3-12:2011; International Electrotechnical Commission (IEC): Geneva, Switzerland, 2011. [Google Scholar]
 - Std. IEEE 1459:2010. IEEE Standard Definitions for the Measurement of Electric Power Quantities under Sinusoidal, Nonsinusoidal, Balanced, or Unbalanced Conditions; IEEE: New York, NY, USA, 2010. [Google Scholar]
 







| Parameter | Description | Value | Unit | 
|---|---|---|---|
| R1 | AC/DC converter’s resistance | 1 × 10-3 | Ω | 
| L1 | AC/DC converter’s inductance | 30 × 10-3 | H | 
| C | DC bus capacitor | 1.1 × 10-3 | F | 
| R2 | DC/DC converter’s resistance | 1 × 10-3 | Ω | 
| L2 | DC/DC converter’s inductance | 15.6 × 10-3 | H | 
| UiBat | Battery’s initial voltage | 48 | V | 
| Individual Harmonic Distortion (%) | Total Harmonic Distortion THD (%) | |||
|---|---|---|---|---|
| HD3 | HD5 | HD7 | HD9 | |
| 25.3 | 9.99 | 12.41 | 6.83 | 30.67 | 
| Variable | Total RMS Value (A) | Individual RMS Value (A) | THD (%) | ||||
|---|---|---|---|---|---|---|---|
| I | I1 | I3 | I5 | I7 | I9 | ||
| Load current iL | 4.996 | 4.78 | 1.21 | 0.48 | 0.59 | 0.33 | 30.67% | 
| Grid current iS | 9.244 | 9.24 | 0.19 | 0.09 | 0.14 | 0.1 | 2.94% | 
| Variable | Total RMS Value (A) | Individual RMS Value (A) | THD (%) | ||||
|---|---|---|---|---|---|---|---|
| I | I1 | I3 | I5 | I7 | I9 | ||
| Load current iL | 19.98 | 19.11 | 4.83 | 1.91 | 2.37 | 1.31 | 30.67 | 
| Grid current iS | 13.405 | 13.26 | 1.56 | 0.62 | 0.82 | 0.49 | 14.56 | 
| Case | S (VA) | P (W) | N (VA) | Q1 (VAr) | PF | dPF | 
|---|---|---|---|---|---|---|
| A | 2349 | 1804 | 1504 | 1503 | 0.768 | 0.774 | 
| B | 2335 | −1796 | 1493 | −1503 | 0.769 | 0.773 | 
| C | 1228 | 1002 | 709.4 | −593.6 | 0.8162 | 0.866 | 
| D | 2273 | −1797 | 1391 | 1072 | 0.7907 | 0.8602 | 
© 2017 by the authors. Licensee MDPI, Basel, Switzerland. This article is an open access article distributed under the terms and conditions of the Creative Commons Attribution (CC BY) license (http://creativecommons.org/licenses/by/4.0/).
Share and Cite
Milanes-Montero, M.-I.; Barrero-Gonzalez, F.; Pando-Acedo, J.; Gonzalez-Romera, E.; Romero-Cadaval, E.; Moreno-Munoz, A. Active, Reactive and Harmonic Control for Distributed Energy Micro-Storage Systems in Smart Communities Homes. Energies 2017, 10, 448. https://doi.org/10.3390/en10040448
Milanes-Montero M-I, Barrero-Gonzalez F, Pando-Acedo J, Gonzalez-Romera E, Romero-Cadaval E, Moreno-Munoz A. Active, Reactive and Harmonic Control for Distributed Energy Micro-Storage Systems in Smart Communities Homes. Energies. 2017; 10(4):448. https://doi.org/10.3390/en10040448
Chicago/Turabian StyleMilanes-Montero, Maria-Isabel, Fermin Barrero-Gonzalez, Jaime Pando-Acedo, Eva Gonzalez-Romera, Enrique Romero-Cadaval, and Antonio Moreno-Munoz. 2017. "Active, Reactive and Harmonic Control for Distributed Energy Micro-Storage Systems in Smart Communities Homes" Energies 10, no. 4: 448. https://doi.org/10.3390/en10040448
APA StyleMilanes-Montero, M.-I., Barrero-Gonzalez, F., Pando-Acedo, J., Gonzalez-Romera, E., Romero-Cadaval, E., & Moreno-Munoz, A. (2017). Active, Reactive and Harmonic Control for Distributed Energy Micro-Storage Systems in Smart Communities Homes. Energies, 10(4), 448. https://doi.org/10.3390/en10040448
        
                                                
