Optimal Cooperative Management of Energy Storage Systems to Deal with Over- and Under-Voltages
Abstract
:1. Introduction
2. Proposed Approach
2.1. Local Voltage Control Strategy
2.2. Cooperative Voltage Control Strategy
- if and all
- if or any of
- if or any of
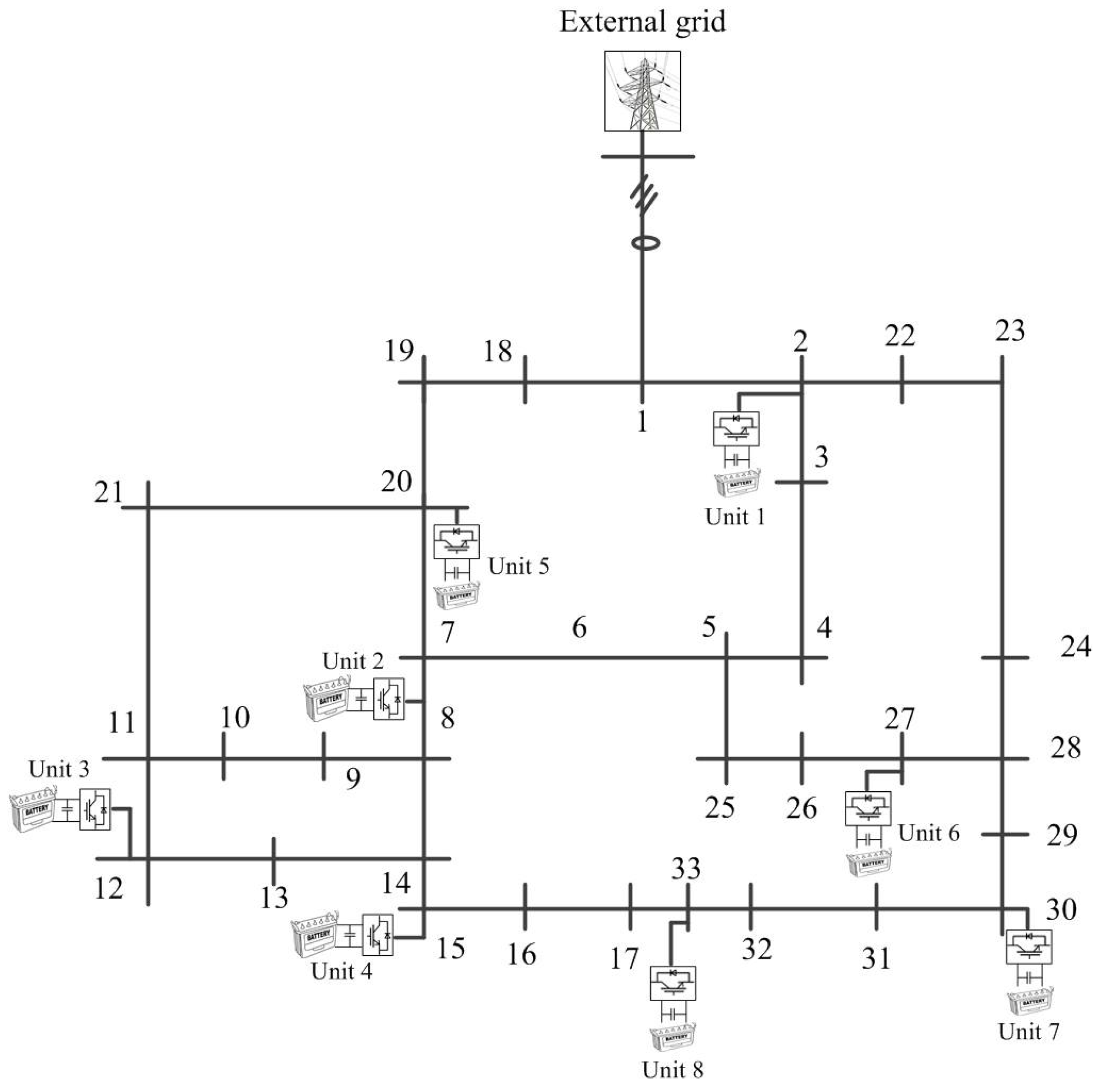
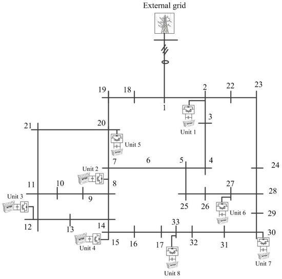
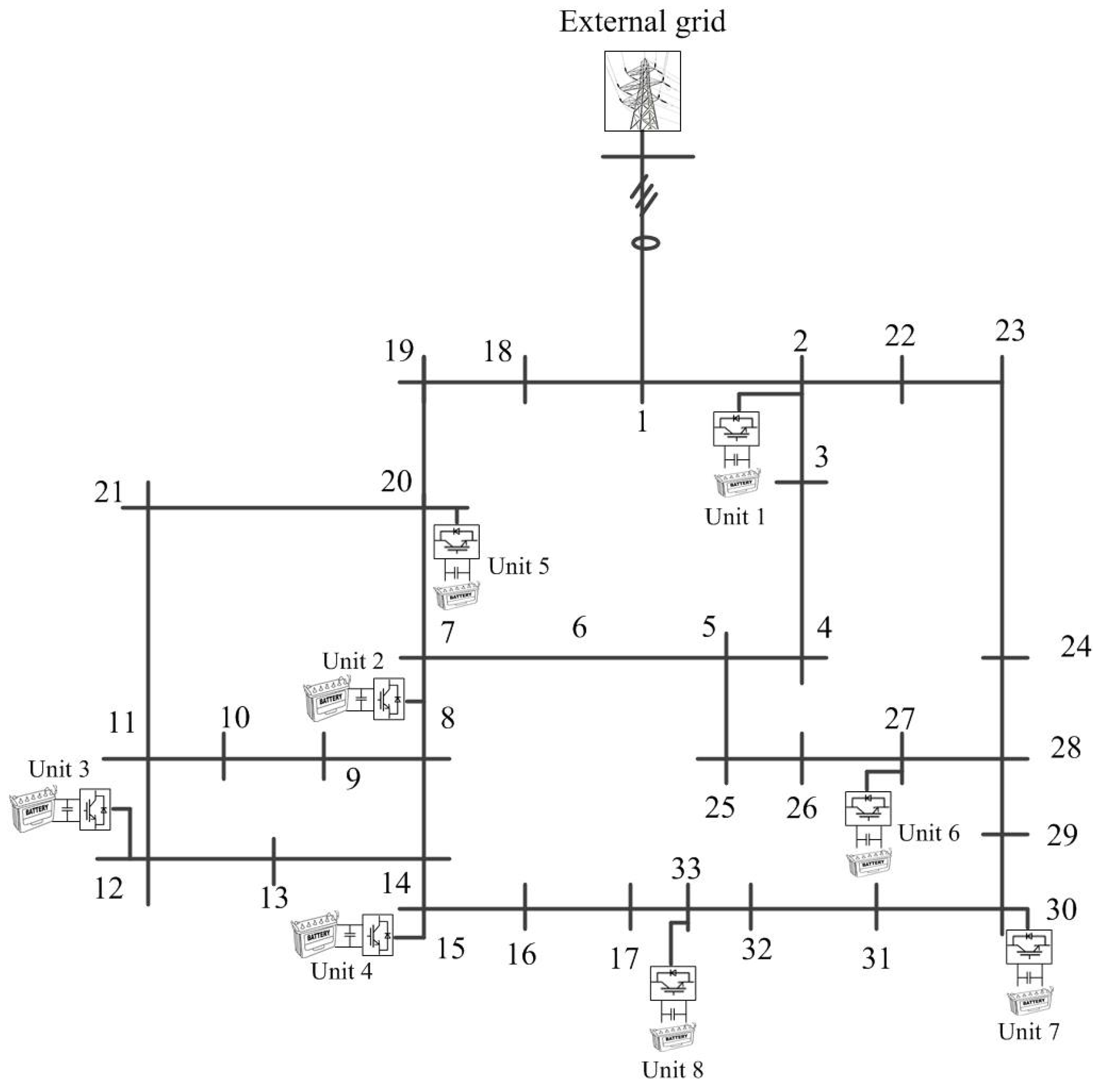
3. Case Studies
3.1. Case 1
3.2. Case 2
- (1)
- t = 0–50 s: storage units are not required to contribute in voltage support, as the network is in normal mode.
- (2)
- t = 50–200 s: voltage at bus 33 passes the upper critical limit; consequently, network enters the over-voltage control mode and storage units start charging to reduce the network voltages.
- (3)
- t = 200 s: all voltages are in normal mode, therefore no coordination for voltage control is required at this point.
- (4)
- At t = 500–700 s, the network goes to the under-voltage control mode. As a result, storage units start discharging power to increase the bus voltages.
- (5)
- At t = 700 s, the network goes to normal voltage operating mode, therefore, the storages will not need to discharge anymore at this point.
4. Discussion
5. Conclusions
Author Contributions
Conflicts of Interest
References
- Eftekharnejad, S.; Vittal, V.; Heydt, G.T.; Keel, B.; Loehr, J. Impact of increased penetration of photovoltaic generation on power systems. IEEE Trans. Power Syst. 2013, 28, 893–901. [Google Scholar] [CrossRef]
- Mokhtari, G.; Nourbakhsh, G.; Ghosh, A. Smart coordination of energy storage units (ESUs) for voltage and loading management in distribution networks. IEEE Trans. Power Syst. 2013, 28, 4812–4820. [Google Scholar] [CrossRef]
- Bhattarai, B.P.; Bak-Jensen, B.; Pillai, J.R.; Gentle, J.P.; Myers, K.S. Overvoltage mitigation using coordinated control of demand response and grid-tied photovoltaics. In Proceedings of the 2015 IEEE Conference on Technologies for Sustainability (SusTech), Ogden, UT, USA, 30 July–1 August 2015; pp. 83–89.
- National Electrical Manufacturers Association. American National Standard For Electric Power Systems and Equipment—Voltage Ratings (60 Hertz); Amrican National Standard Institute: Washington, DC, USA, 2011. [Google Scholar]
- Stetz, T.; Marten, F.; Braun, M. Improved low voltage grid-integration of photovoltaic systems in Germany. IEEE Trans. Sustain. Energy 2013, 4, 534–542. [Google Scholar] [CrossRef]
- Hung, D.Q.; Mithulananthan, N.; Lee, K.Y. Determining PV penetration for distribution systems with time-varying load models. IEEE Trans. Power Syst. 2014, 29, 3048–3057. [Google Scholar] [CrossRef]
- Tonkoski, R.; Lopes, L.A.; El-Fouly, T.H. Coordinated active power curtailment of grid connected PV inverters for overvoltage prevention. IEEE Trans. Sustain. Energy 2011, 2, 139–147. [Google Scholar] [CrossRef]
- Weckx, S.; Gonzalez, C.; Driesen, J. Combined central and local active and reactive power control of PV inverters. IEEE Trans. Sustain. Energy 2014, 5, 776–784. [Google Scholar] [CrossRef]
- Yang, Y.; Tan, S.-C.; Hui, S.-Y. Voltage and frequency control of electric spring based smart loads. In Proceedings of the 2016 IEEE Applied Power Electronics Conference and Exposition (APEC), Long Beach, CA, USA, 20–24 March 2016; pp. 3481–3487.
- Kumar, C.; Mishra, M.K. A voltage-controlled DSTATCOM for power-quality improvement. IEEE Trans. Power Deliv. 2014, 29, 1499–1507. [Google Scholar] [CrossRef]
- Nourbakhsh, G.; Thomas, B.; Mokhtari, G.; Ghosh, A.; Ledwich, G. Distribution tap changer adjustment to improve small-scale embedded generator penetration and mitigate voltage rise. In Proceedings of the 2013 Australasian Universities Power Engineering Conference (AUPEC), Hobart, Australia, 29 September–3 October 2013; pp. 1–5.
- Mokhtari, G.; Nourbakhsh, G.; Ledwich, G.; Ghosh, A. A Supervisory Load-Leveling Approach to Improve the Voltage Profile in Distribution Network. IEEE Trans. Sustain. Energy 2015, 6, 245–252. [Google Scholar] [CrossRef]
- Kottick, D.; Blau, M.; Edelstein, D. Battery energy storage for frequency regulation in an island power system. IEEE Trans. Energy Convers. 1993, 8, 455–459. [Google Scholar] [CrossRef]
- Oudalov, A.; Cherkaoui, R.; Beguin, A. Sizing and optimal operation of battery energy storage system for peak shaving application. In Proceedings of the 2007 IEEE Lausanne Power Tech, Lausanne, Switzerland, 1–5 July 2007; pp. 621–625.
- Nieto, A.; Vita, V.; Ekonomou, L.; Mastorakis, N.E. Economic Analysis of Energy Storage System Integration with a Grid Connected Intermittent Power Plant, for power quality purposes. WSEAS Trans. Power Syst. 2016, 11, 65–71. [Google Scholar]
- Agamah, S.U.; Ekonomou, L. Peak demand shaving and load-levelling using a combination of bin packing and subset sum algorithms for electrical energy storage system scheduling. IET Sci. Meas. Technol. 2016, 10, 477–484. [Google Scholar] [CrossRef]
- Castillo-Cagigal, M.; Caamaño-Martín, E.; Matallanas, E.; Masa-Bote, D.; Gutierrez, A.; Monasterio-Huelin, F.; Jimenez-Leube, J. PV self-consumption optimization with storage and active DSM for the residential sector. Sol. Energy 2011, 85, 2338–2348. [Google Scholar] [CrossRef]
- Chen, G.; Lewis, F.; Feng, E.; Song, Y.-D. Distributed Optimal Active Power Control of Multiple Generation Systems. IEEE Trans. Ind. Electron. 2015, 62, 7079–7090. [Google Scholar] [CrossRef]
- Mokhtari, G.; Anvari-Moghaddam, A.; Nourbakhsh, G. Distributed Control and Management of Renewable Electric Energy Resources for Future Grid Requirements. In Energy Management of Distributed Generation Systems; INTECH: Rijeka, Croatia, 2016. [Google Scholar]
- Mokhtari, G. Smart Resource Control in Distribution Network to Improve the Integration Level of PV. Ph.D. Thesis, Queensland University of Technology, Brisbane, Australia, 2014. [Google Scholar]
- Xu, Y.; Zhang, W.; Hug, G.; Kar, S.; Li, Z. Cooperative Control of Distributed Energy Storage Systems in a Microgrid. IEEE Trans. Smart Grid 2015, 6, 238–248. [Google Scholar] [CrossRef]
- Zhang, P.; Li, W.; Wang, S. Reliability-oriented distribution network reconfiguration considering uncertainties of data by interval analysis. Int. J. Electr. Power Energy Syst. 2012, 34, 138–144. [Google Scholar] [CrossRef]

















| Network voltage level | 10 kV |
| Line impedance between buses | 0.3766 + 0.2550i |
| Load in each bus (kW) | 100 |
| PV | 1 | 2 | 3 |
|---|---|---|---|
| Location (bus) | 3 | 4 | 5 |
| Rating (kW) | 2000 | 1000 | 1000 |
| Storage Unit | 1 | 2 | 3 |
|---|---|---|---|
| Location (bus) | 3 | 4 | 5 |
| Rating (kW) | 600 | 400 | 550 |
| ai | 0.91 | 0.91 | 0.91 |
| bi | 0.04 | 0.03 | 0.02 |
| Vcri. | 1.05 pu |
|---|---|
| Droop coefficient of PV 1 | 20 kW/V |
| Droop coefficient of PV 2 | 10 kW/V |
| Droop coefficient of PV 3 | 10 kW/V |
| Storage Unit | 1 | 2 | 3 | 4 | 5 | 6 | 7 | 8 |
|---|---|---|---|---|---|---|---|---|
| Location (bus #) | 2 | 8 | 12 | 15 | 20 | 27 | 30 | 33 |
| Rating (kW) | 150 | 160 | 120 | 180 | 100 | 140 | 150 | 140 |
| ai | 0.90 | 0.91 | 0.90 | 0.91 | 0.90 | 0.91 | 0.90 | 0.91 |
| bi | 0.12 | 0.11 | 0.10 | 0.09 | 0.12 | 0.11 | 0.09 | 0.08 |
| Parameter | Voltage (pu) |
|---|---|
| Vpupper | 1.06 |
| Vcupper | 1.05 |
| Vdupper | 1.03 |
| Vdlower | 0.97 |
| Vclower | 0.95 |
| Vplower | 0.94 |
© 2017 by the authors. Licensee MDPI, Basel, Switzerland. This article is an open access article distributed under the terms and conditions of the Creative Commons Attribution (CC BY) license ( http://creativecommons.org/licenses/by/4.0/).
Share and Cite
Mokhtari, G.; Nourbakhsh, G.; Anvari-Moghadam, A.; Ghasemi, N.; Saberian, A. Optimal Cooperative Management of Energy Storage Systems to Deal with Over- and Under-Voltages. Energies 2017, 10, 293. https://doi.org/10.3390/en10030293
Mokhtari G, Nourbakhsh G, Anvari-Moghadam A, Ghasemi N, Saberian A. Optimal Cooperative Management of Energy Storage Systems to Deal with Over- and Under-Voltages. Energies. 2017; 10(3):293. https://doi.org/10.3390/en10030293
Chicago/Turabian StyleMokhtari, Ghassem, Ghavameddin Nourbakhsh, Amjad Anvari-Moghadam, Negareh Ghasemi, and Aminmohammad Saberian. 2017. "Optimal Cooperative Management of Energy Storage Systems to Deal with Over- and Under-Voltages" Energies 10, no. 3: 293. https://doi.org/10.3390/en10030293
APA StyleMokhtari, G., Nourbakhsh, G., Anvari-Moghadam, A., Ghasemi, N., & Saberian, A. (2017). Optimal Cooperative Management of Energy Storage Systems to Deal with Over- and Under-Voltages. Energies, 10(3), 293. https://doi.org/10.3390/en10030293
