Next Article in Journal
Contribution to Energy Management of the Main Standards for Environmental Management Systems: The Case of ISO 14001 and EMAS
Next Article in Special Issue
Minimization of Load Variance in Power Grids—Investigation on Optimal Vehicle-to-Grid Scheduling
Previous Article in Journal
Alternative Diesel from Waste Plastics
Previous Article in Special Issue
Development of Sliding Mode Controller for a Modified Boost Ćuk Converter Configuration
 
 
Font Type:
Arial Georgia Verdana
Font Size:
Aa Aa Aa
Line Spacing:
Column Width:
Background:
Article

Hardware Implementation and a New Adaptation in the Winding Scheme of Standard Three Phase Induction Machine to Utilize for Multifunctional Operation: A New Multifunctional Induction Machine

by
Mahajan Sagar Bhaskar
1,
Sanjeevikumar Padmanaban
1,*,
Sonali A. Sabnis
2,
Lucian Mihet-Popa
3,
Frede Blaabjerg
4 and
Vigna K. Ramachandaramurthy
5
1
Department of Electrical and Electronics Engineering, University of Johannesburg, PO Box 524, Auckland Park, Johannesburg 2006, South Africa
2
Department of Electrical and Electronics Engineering, Marathwada Institute of Technology, Aurangabad 431001, India
3
Faculty of Engineering, Østfold University College, Kobberslagerstredet 5, 1671 Kråkeroy-Fredrikstad, Norway
4
Centre for Reliable Power Electronics (CORPE), Department of Energy Technology, Aalborg University, Aalborg 9000, Denmark
5
Institute of Power Engineering, Department of Electrical Power Engineering, Universiti Tenaga Nasional, 43000 Kajang, Selangor, Malaysia
*
Author to whom correspondence should be addressed.
Energies 2017, 10(11), 1757; https://doi.org/10.3390/en10111757
Submission received: 23 July 2017 / Revised: 22 October 2017 / Accepted: 23 October 2017 / Published: 1 November 2017

Abstract

:
In this article a new distinct winding scheme is articulated to utilize three phase induction machines for multifunctional operation. Because of their rugged construction and reduced maintenance induction machines are very popular and well-accepted for agricultural as well as industrial purposes. The proposed winding scheme is used in a three phase induction machine to utilize the machine for multifunctional operation. It can be used as a three-phase induction motor, welding transformer and phase converter. The proposed machine design also works as a single phase induction motor at the same time it works as a three-phase to single phase converter. This new design does not need any kind of special arrangement and can be constructed with small modifications to any standard three-phase induction motor. This modified induction machine is thoroughly tested to determine its efficiency and other parameters and also hardware implementation results are provided in the article, which validate the design and construction.

1. Introduction

Alternating current (AC) systems are employed in most countries due to their benefits like ease in high voltage (HV) transmission and distribution (T and D) of electricity. Because of the AC at the input side, power modulators are required to convert it into direct current (DC) or leave it as alternating current (AC) to operate DC and AC machine-based drives, respectively [1,2,3,4]. The overwhelming disadvantage of DC brushed machines (both series wound and other types) are the brushes themselves. The mechanical nature of this rotary switching of high power produces considerable electrical arcing and also mechanical wear of the carbon brushes and the copper segments of the commutator. Brushes bear mechanical force in the form of friction which causes wear of the brushes and increases the maintenance of the machine and additionally the carbon dust produced from wear is conductive and may cause unintended contacts between high voltage terminals. Induction AC motors are employed to avoid these types of problems [5,6,7,8]. They are generally more efficient, offering virtually maintenance-free operation, they are sealed or splash resistant, and with modern power electronic (PE) devices [9,10,11] it is possible to operate the machine at desired varying speeds. Also, these motors are available for three-phase or single-phase supplies and also available in multiphase Nowadays open winding induction machines are more popular for drive applications [2,9,10,11]. Even though the induction machine is less costly, most of its practical use is for limited types of load at constant speeds although multiphase concepts and advanced control schemes have recently also been proposed [12,13,14,15,16,17,18,19,20,21,22,23,24,25,26]. In [27], an integrated converter for a 48 V micro/mid hybrid electric vehicle (HVE) was proposed. The integrated converter is a compact DC-DC converter specially designed for the belt driven starter generator in a 48 V HVE and with less electromagnetic interference (EMI) problems. In [28], a multifunctional induction motor (IM) using double winding motor concepts and modified stator windings for motoring as well as for welding operations was proposed, but this IM has a drawback of high winding stress. In [29], high power transformer faults were diagnosed by using the networking vibration mode based on integrated signal processing. The diagnostic system performance is observed by vibration measurements on the high power three phase transformer used in railways. This paper also deals with railway interlocking signaling installations with Uninterrupted Power Supply UPS capability for safety applications and predictive diagnostics. In [30], fault diagnostics of electric motors by non-invasive methods utilizing acoustic signals generated by the motor are proposed. The proposed approached reduces the cost and faults in motors.
In this paper, a new adaptation of the winding scheme of a standard three-phase induction machine (IM) is proposed to utilize the motor for multifunctional operation. The proposed multifunctional induction machine is able to run on single-phase supply at the same time it can also be used as a phase converter. When it runs as a three-phase induction motor it also can be cast to work as a welding transformer. Both single-phase and three-phase windings are placed in the same slots to allow the rotor to move on both types of supply. While performing the single phase operation, the capacitor can be used to produce a starting torque then after acceleration, the starting winding can be disconnected by a simple arrangement.
When three-phase supply is given to the motor, an electromotive force (EMF) is induced in the single phase winding as it is also placed in the same slots. Start and end connections of these coils are taken out which when connected in parallel step downs the voltage value, thereby producing high currents ideal for welding purposes. On the other hand, if the motor is operated on a single-phase supply, the voltage across the open circuit phases of the three phase winding terminals is stepped up. The operation mode of proposed induction motor is discussed in the next section.

2. Multifunctional Operation of the New Induction Machine Based on a New Winding Scheme

This proposed induction machine (IM) has all the advantages of AC or induction machines and with some modifications, in it can be made multi-functional. The proposed design can work as:
  • A three-phase induction motor,
  • A single phase induction motor (capacitor start),
  • A rotary phase converter and
  • A welding transformer.

2.1. Working as a Three-Phase Induction Motor

The proposed induction machine (IM) is derived from the standard three-phase induction motor which functions on the principle of rotating magnetic fields. When a three-phase supply is applied to the stator windings separated electrically by 120° in space, a rotating magnetic field is established in the stator winding. This voltage is induced in the rotor conductors to cause motion. The proposed induction machine (IM) has three phase winding in the stator and a cage rotor which makes the machine operate as a three-phase induction motor. The winding connection is similar to that of a conventional three-phase induction machine.

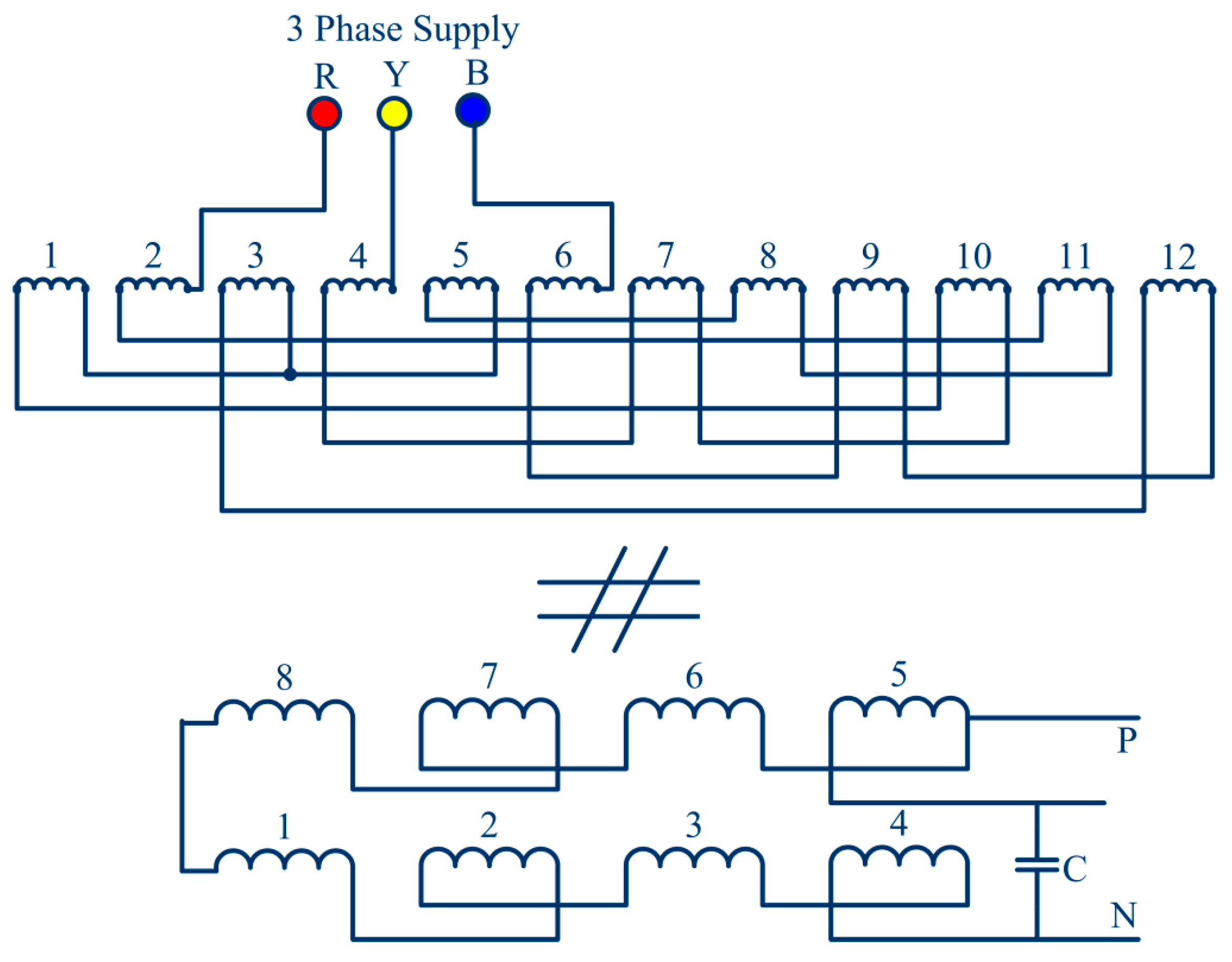
2.2. Working as Single-Phase Induction Motor

In operation of a single phase induction motor starting and running windings are placed in the same slot as the three-phase winding slots. The starting or auxiliary winding and running winding are separated electrically by 90° in space. An external capacitor is provided for starting the motor. The single-phase motor connection diagram is shown in Figure 1.

2.3. Working as a Welding Transformer

Figure 2 describes the working diagram of the machine configured to run as a welding transformer. In welding transformers high currents are produced at the secondary side. In the welding transformer operation, the running windings of the single-phase motor are taken into consideration to get a voltage step down. Four running windings are then connected in parallel to meet the high current requirements sufficient for welding.

2.4. Working as a Phase Converter

If there is only single phase supply then the motor cannot operate as a three-phase machine or if there is only three-phase supply then the motor cannot operate a sinlge-phase machine. Then phase conversion is possible from 1-phase to 3-phase and 3-phase to 1-phase and vice-versa. Phase converters are applied where it is difficult to erect a three-phase loading system because of arrangement requirements and cost. The proposed induction motor consists of three-phase as well as single-phase windings in its stator. When the machine is supplied at the stator EMF also gets induced in single-phase windings across which a single-phase voltage occurs. Figure 3 shows an equivalent diagram of the proposed IM winding design operating as a phase converter.

3. Design of the Proposed Multifunctional Induction Machine Based on a New Winding Scheme

To design the proposed multifunctional induction machine, the original windings of the conventional induction motor (IM) are divided into three distinct windings with four groups on the basis of the number of turns. The first winding is with the same gauge wire and half of the original number of turns. Hence, this is a winding of a 3-phase induction motor and as the number of turns is half the motor has only half the capacity. The other windings are used for the purpose of welding and act as a tap of the welding transformer. As the welding application requires high current rating, a triple layer winding is used to improve the current rating. The same motor is used for a 1-phase induction motor. Hence, these windings are also used as starting and running windings of the 1-phase induction motor.
The winding factor initially assumed is 0.955, which is the value of the winding factor for infinitely distributed winding with full pitched coils. Flux per pole and stator winding per phase are calculated by Equations (1) and (2) respectively, where θm is flux per pole, Vs is stator voltage per phase, Bav is the average value of fundamental flux density, τ is pole pitch, d is the inner diameter of stator, l is length of the induction motor, P is number of poles, VS is stator voltage per phase, f is supply frequency in Hz, TS is the number of turns per phase in stator and KWS is stator winding factor.
The current density in the stator winding is usually between 3 to 5 A/mm2. For a lower current value round conductors would be more convenient to use while for higher current bar or stripped conductor with 1 cm2 in cross sectional area should be adopted [22]. The area of each stator winding (A) is calculated by Equation (3) where, IS is stator current per phase and S is the current density in the stator. The approximate area of each slot is equal to ratio of copper area per slot to space factor.
The space factor ordinarily varies from 0.25 to 0.4. High voltage machines have a lower space factor owing to the large thickness of insulation. After obtaining the area of the slot, the dimensions of the slot should be adjusted. The width of the slot should be within limits to maintain the required width of the teeth. The width of the slot should be so adjusted such that the mean flux density (Wb/m2) in the teeth lies in between 1.3 to 1.7. Table 1 shows the ratings and the parameters of the IM designed as a multifunctional motor:
θ m =   B a v τ l   = B a v π d l P
V S = 4.44 f θ m T S K W S
A = I S S

3.1. Three-Phase Winding Design

With the help of measuring instruments the slot pitch is calculated and the type of winding is decided from it. It will be easy to do coil groups of both single and double layer windings. The film papers with the proper size are first inserted in order to protect the conductor insulation, which may be damaged by rubbing stator. Again the coils are also covered on the upper portion.
Then the free space will be added in order to do the single-phase connection. In this way the three- phase winding can be designed. For three-phase winding there are 17 turns per coil and hence for 36 slots, 12 slots per phase, hence 12 coils per phase and total number of 3-phase winding turns = 17 turns × 36 slots = 612 turns. For good conductivity super enameled wire is used (“super” is marketing name given by the enameled wire manufacturer). It is of class B type insulation. For designing the motor, there will be double layer winding with consideration of the stator winding parameters given in Table 2. Figure 4a,b depict the three-phase winding arrangement of the motor in slots and the actual placement of the three-phase windings on the stator, respectively. A three-phase 2.5 HP IM current is calculated by Equation (4).
2.5 h p = 1865 W a t t P = 3 V I p h cos ϕ 1865 = 3 × 440 × I p h × 0.8 I p h = 3.05 A }

3.2. Single-Phase Winding Design

The rated current and voltage for the single-phase motor is 10.15 A, 230 V while the power and frequency remain same. Here, design of the single-phase winding is very important as the same single-phase winding is used for welding purposes, so during the welding process the current carrying capability of the winding should withstand the current demands. At that time the machine should withstand high currents without any problems like over-heating, over-current/voltage or insulation damage. For this reason conductors having a current capacity double than the rated current are employed. The winding arrangement of the proposed motor is done with the placement of 90° electrical degree separation between the starting and running windings. Four coil groups of starting windings and four coil groups of running windings are designed. There are two starting and running windings placed electrically at 90° with the capacitor star arrangement in the single-phase induction motor. There are 17 turns per coil, meaning that the double layer turns per coil is equal to 34. Running winding having three layers is selected, so the total number of running winding turns is equal to 408 turns. Figure 5 shows the actual placement of the single phase windings on the stator.
A single-phase 2.5HP IM current is calculated by Equation (5):
P = V I p h cos ϕ 1865 = 230 × I p h × 0.8 I p h = 10.15 A }

3.3. Welding Transformer Design

For this application the three-phase winding functions as the primary of the transformer and the running winding of the single-phase motor works as the secondary of the welding transformer. Hence, the welding transformer application is only related to running windings and it is also possible to use the starting winding for higher current rating welding applications. The transformation ratio of the welding transformer is given in Equation (6) where N1, N2 are the turns of the primary and secondary windings and I1, I2 are primary and secondary winding currents of the welding transformer:
Transformation   Ratio ,   N 2 N 1 = I 1 I 2
N 2 N 1 = E 2 E 1 = I 1 I 2 102 612 = E 2 400 = 3.05 I 2 , I 2 = 18.30 A }
From the above Equation (4), I2 can be calculated by using Equation (7) and is equal to the current in each winding of single phase which is 18.30 A, as three-phase winding turns (welding transformer primary winding turn) N1 is equal to 612 turns, single-phase winding turns (welding transformer secondary turn) N2 are equal to 102 turns and the rated three phase current I1 = 3.05 A. From this calculation the welding transformer current is 18.31 A per coil, hence by connecting these four coils in parallel this current is added and finally the welding transformer gets nearly 70 to 75 A current for welding. This current is able to provide a smooth output for welding with 2.5 mm welding rods.

3.4. Phase Converter Design

Phase converter calculations can be done with the same procedure as the welding transformer. Here the complete single-phase winding is considered in a circuit including auxiliary winding which states that the total number of single-phase windings is equal to the number of three-phase windings, i.e., primary turns is equal to secondary turns and the transformation ratio is 1. However, the input is three-phase line voltage of 400 Volts, so the output phase voltage, Vph = 400/1.7321 = 230 Volts are achieved as single-phase output. Hence single-phase supply can be obtained from a proposed design of the motor. The phase converter calculation is similar to transformer calculation because here the energy transformation is achieved by mutual induction; hence the transformation ratio (Equation (7)) and the EMF equation of the transformer are used to calculate voltages.

4. Hardware Assembly and Testing Results of the Proposed Induction Machine

An old scrap inductor motor (IM) was used to verify the proposed concept. In Figure 6a the old IM is depicted and its windings are redesigned as shown in Figure 6b.
In Figure 6c the rotor of old machine which is a squirrel cage type is shown. In Table 3 the specifications of the old IM are given. Figure 7a depicts the hardware implementation of the stator winding of the proposed machine design. Figure 7b depicts the complete stator winding arrangement which consists of both windings. Figure 7c depicts the end terminals of the proposed designed machine. A conventional two wattmeter (W1 and W2) open circuit test (OCT) and blocked rotor test (BRT) are performed on the three-phase and single-phase induction motor to calculate its efficiency. The multiplying factor is calculated for three-phase and single-phase operation by using Equation (8). Table 4 and Table 5 describes the OCT and BRT results of the proposed IM as a three-phase induction motor and single-phase induction motor, respectively.
Multiplying   factor   = Voltage   rang × Current   Range × Power   factor Maximum   Scale   Deflection
In Table 4 and Table 5, VO is the line to line voltage, IO is the stator phase current, VBR is the stator line to line voltage in blocked rotor mode, IBR is the stator phase current in a blocked rotor mode, W1 and W2 are the readings of two wattmeters used in the OCT and BRT test. Table 6 shows the output voltage and current of the welding transformer which is sufficient to perform arc welding and Table 7 shows the output voltages of the phase converter at an input of 230 V. In Table 8 the welding transformer winding specifications are given.
For three phase operation:
  • Input power (Pin) = 1.7321 × 440 × 3.05 × 0.8 = 1860 W
  • Output power (Pout) = 1860 − losses (no load + block rotor) = 1860 − (360 + 160) = 1340
  • Hence, Efficiency (ή) = Pout/Pin × 100 = (1340/1860) × 100 = Efficiency (ή) = 72.64%
For Single phase operation:
  • Input power (Pin) = 220 × 10.5 × 0.8 = 1860 W
  • Output power (Pout) = 1860 − losses (no load + block rotor) = 1860 − (680 + 520) = 660 W
  • Hence, Efficiency (ή) = Pout/Pin × 100 = (660/1860) × 100
  • Efficiency (ή) = 35.48%

5. Merits and Applications of the Proposed Induction Machine

The following are the noticeable merits of the proposed induction machine:
  • The multifunctional motor is simple and robust in construction.
  • The motor is able to do at a time two operations, i.e., motoring and welding.
  • The motor requires less space.
  • Another advantage is that it has less weight compared to separate combinations of welding transformer and induction motor as well.
  • Hence, the cost required for two different machines is reduced, with high efficiency.
  • The cost is less.
The following are a few applications of the proposed induction machine.
  • The use of multipurpose motors is very convenient for use in mega workshops where both welding and motoring applications are required.
  • These types of motors are also useful in an electric traction systems where the space requirements is small.
  • Metal cutting workshops are another example where multifunctional motors would be useful.
  • It can also be used in heavy fabrication industry.
  • Multifunctional motors are very useful in the steel industry.

6. Conclusions

A new winding scheme is articulated to utilize a three-phase induction machine for multifunctional operation. The proposed motor provides an operative solution for agricultural as well as industrial purposes because of rugged construction and less maintenance needs. The proposed winding scheme is adapted to utilize a three-phase induction machine as a three-phase induction motor, single-phase induction machine, and welding transformer and phase converter. This new design does not need any kind of special arrangement and can be constructed with small modifications of any standard three-phase induction motor. The proposed concept is verified by designing a motor by modifying the windings of an old induction motor (IM) and the proposed motor is well tested to find its efficiencies and the experimental results are provided in the article to validate the design and construction.

Author Contributions

Mahajan Sagar Bhaskar, Sanjeevikumar Padmanaban, Sonali A. Sabnis has developed the concept of the original proposal and designed, performed the real time implementation. Frede Blaabjerg provided the guidelines for theoretical validation in line with the developed theoretical background. Sanjeevikumar Padmanaban, Lucian Mihet-Popa, Vigna K. Ramachandramurthy provided the support for technical validation for the mathematical background and validation with results. All authors contributed equally for articulate the research work in its current form as full research manuscript.

Conflicts of Interest

The authors declare no conflict of interest.

References

  1. Sanjeevikumar, P.; Grandi, G.; Blaabjerg, F.; Wheeler, P.; Ojo, J.O. Analysis and Implementation of Power Management and Control Strategy for Six-Phase Multilevel AC Drive System in Fault Condition. Eng. Sci. Technol. Int. J. 2016, 19, 31–39. [Google Scholar] [CrossRef]
  2. Sanjeevikumar, P.; Bhaskar, M.S.; Blaabjerg, F.; Norum, L.E.; Seshagiri, S.; Hajizadeh, A. Nine-Phase Hex-tuple Inverter for Five-Level Output Based on Double Carrier PWM Technique. In Proceedings of the 4th IET Clean Energy and Technology Conference (CEAT 2016), Kuala Lumpur, Malaysia, 14–15 November 2016. [Google Scholar]
  3. Oleschuk, V.; Bojoi, R.; Profumo, F.; Tenconi, A.; Stankovic, A.M. Multifunctional Six-Phase Motor Drives with Algorithms of Synchronized PWM. In Proceedings of the IEEE 32nd Annual Conference on Industrial Electronics (IECON 2006), Paris, France, 7–10 November 2006. [Google Scholar]
  4. Bhaskar, M.S.; Sanjeevikumar, P.; Blaabjerg, F. Multistage DC-DC Step-Up Self Balanced and Magnetic Component Free Converter for Photovoltaic Applications—Hardware Implementation. Energies 2017, 10, 719. [Google Scholar] [CrossRef]
  5. Duan, Y.; Harley, R.G. A Novel Method for Multiobjective Design and Optimization of Three Phase Induction Machines. IEEE Trans. Ind. Appl. 2011, 17, 1707–1715. [Google Scholar] [CrossRef]
  6. Misir, O.; Raziee, S.M.; Hammouche, N.; Klaus, C.; Kluge, R.; Ponick, B. Calculation method of three-phase induction machines equipped with combined star-delta windings. In Proceedings of the XXII International Conference on Electrical Machines (ICEM), Lausanne, Switzerland, 4–7 September 2016. [Google Scholar]
  7. Schreier, L.; Bendl, J.; Chomat, M. Comparison of five-phase induction machine operation with various stator-winding arrangements. In Proceedings of the 39th Annual Conference of the IEEE Industrial Electronics Society (IECON 2013), Vienna, Austria, 10–13 November 2013. [Google Scholar]
  8. Misir, O.; Ponick, B. Analysis of three-phase induction machines with combined Star-Delta windings. In Proceedings of the IEEE 23rd International Symposium on Industrial Electronics (ISIE), Istanbul, Turkey, 1–4 June 2014. [Google Scholar]
  9. Sanjeevikumar, P.; Bhaskar, M.S.; Pandav, K.M.; Siano, P.; Oleschuk, V. Hexuple-Inverter Configuration for Multilevel Nine-Phase Symmetrical Open-Winding Converter. In Proceedings of the IEEE International Conference on Power Electronics, Intelligent Control and Energy Systems (ICPEICES), Delhi, India, 4–6 July 2016; pp. 1837–1844. [Google Scholar]
  10. Sanjeevikumar, P.; Blaabjerg, F.; Wheeler, P.; Khanna, S.; Mahajan, B.; Dwivedi, S. Optimized Carrier Based Five-Level Generated Modified Dual Three-Phase Open-Winding Inverter For Medium Power Application. In Proceedings of the IEEE International Transportation Electrification Conference and Expo, (ITEC Asia-Pacific), Busan, Korea, 1–4 June 2016; pp. 40–45. [Google Scholar]
  11. Sanjeevikumar, P.; Blaabjerg, F.; Wheeler, P.; Lee, K.; Mahajan, S.B.; Dwivedi, S. Five-Phase Five-Level Open-Winding/Star-Winding Inverter Drive For Low-Voltage/High-Current Applications. In Proceedings of the IEEE International Transportation Electrification Conference and Expo (ITEC Asia-Pacific), Busan, Korea, 1–4 June 2016; pp. 66–71. [Google Scholar]
  12. Chatterjee, D. Impact of core losses on parameter identification of three-phase induction machines. IET Power Electron. 2014, 7, 3126–3136. [Google Scholar] [CrossRef]
  13. Mengoni, M.; Sala, G.; Zarri, L.; Tani, A.; Serra, G.; Gritli, Y.; Duran, M. Control of a fault-tolerant quadruple three-phase induction machine for More Electric Aircrafts. In Proceedings of the 42nd Annual Conference of the IEEE Industrial Electronics Society, Florence, Italy, 23–26 October 2016. [Google Scholar]
  14. Subtirelu, G.; Dobriceanu, M.; Linca, M. Virtual instrumentation for no-load testing of induction motor. In Proceedings of the IEEE International Power Electronics and Motion Control Conference (PEMC), Varna, Bulgaria, 25–30 September 2016. [Google Scholar]
  15. Hackner, T.; Pforr, J. Comparison of different winding schemes of an asynchronous machine driven by a multi-functional converter system. In Proceedings of the 2010 IEEE Energy Conversion Congress and Exposition (ECCE), Atlanta, GA, USA, 12–16 September 2010. [Google Scholar]
  16. Ferreira, F.; Cistelecan, M.; Almeida, A. Comparison of Different Tapped Windings for Flux Adjustment in Induction Motors. IEEE Trans. Energy Convers. 2014, 29, 375–391. [Google Scholar] [CrossRef]
  17. Gunabalan, R.; Sanjeevikumar, P.; Blaabjerg, F.; Ojo, O.; Subbiah, V. Analysis and Implementation of Parallel Connected Two Induction Motor Single Inverter Drive by Direct Vector Control for Industrial Application. IEEE Trans. Power Electron. 2015, 30, 6472–6475. [Google Scholar] [CrossRef]
  18. Muteba, M.; Jimoh, A. Performance analysis of a three-phase induction motor with double-triple winding layout. In Proceedings of the International Future Energy Electronics Conference (IFEEC), Tainan, Taiwan, 3–6 November 2013; pp. 131–136. [Google Scholar] [CrossRef]
  19. Dragonas, F.A.; Nerrati, G.; Sanjeevikumar, P.; Grandi, G. High-Voltage High-Frequency Arbitrary Waveform Multilevel Generator for DBD Plasma Actuators. IEEE Trans. Ind. Appl. 2015, 51, 3334–3342. [Google Scholar] [CrossRef]
  20. Alberti, L.; Bianchi, N. Impact of winding arrangement in dual 3-phase induction motor for fault tolerant applications. In Proceedings of the XIX International Conference on Electrical Machines (ICEM), Rome, Italy, 6–8 September 2010. [Google Scholar]
  21. Kocabas, D.A. Space harmonic effect comparison between a standard induction motor and a motor with a novel winding arrangement. In Proceedings of the IEEE International Electric Machines and Drives Conference, Miami, FL, USA, 3–6 May 2009; pp. 65–69. [Google Scholar]
  22. Sanjeevikumar, P.; Grandi, G. Multiphase-Multilevel Inverter for Open-Winding Loads; LAP LAMBERT Academic Publishing: Saarbrücken, Germany, 2012; ISBN 978-3-659-30278-7. [Google Scholar]
  23. Kalaivani, C.; Sanjeevikumar, P.; Rajambal, K.; Bhaskar, M.S.; Mihet-Popa, L. Grid Synchronization of Seven-phase Wind Electric Generator using d-q PLL. Energies 2017, 10, 926. [Google Scholar] [CrossRef]
  24. Cistelecan, M.V.; Cosan, H.B.; Popescu, M. Part-winding starting improvement of three-phase squirrel-cage induction motor. In Proceedings of the 8th IEEE International Symposium on Advanced Electromechanical Motion Systems & Electric Drives Joint Symposium, Lille, France, 1–3 July 2009. [Google Scholar]
  25. Kocabas, D.A. Novel Winding and Core Design for Maximum Reduction of Harmonic Magnetomotive Force in AC Motors. IEEE Trans. Magn. 2009, 45, 735–746. [Google Scholar] [CrossRef]
  26. United States Army. Electrical Conductors. In Introduction to Marine Electricity; United States Army: Arlington County, VA, USA, 1994; pp. 1–22. [Google Scholar]
  27. Saponara, S.; Tisserand, P.; Chassard, P.; Ton, D. Design and Measurement of Integrated Converters for Belt-Driven Starter-Generator in 48 V Micro/Mild Hybrid Vehicles. IEEE Trans. Ind. Appl. 2017, 53, 3936–3949. [Google Scholar] [CrossRef]
  28. Dattu, N.; Deepthi, G.; Pundlik, G. Multifunctional Induction Machine. In Proceedings of the IEEE International WIE Conference on Electrical and Computer Engineering (WIECON-ECE), Pune, India, 19–21 December 2016. [Google Scholar]
  29. Saponara, S.; Fanucci, L.; Bernardo, F.; Falciani, A. Predictive Diagnosis of High-Power Transformer Faults by Networking Vibration Measuring Nodes with Integrated Signal Processing. IEEE Trans. Instrum. Meas. 2016, 65, 1749–1759. [Google Scholar] [CrossRef]
  30. Glowacz, A. Diagnostics of DC and Induction Motors Based on the Analysis of Acoustic Signals. Meas. Sci. Rev. 2014, 14, 257–262. [Google Scholar] [CrossRef]
Figure 1. Proposed induction motor winding arrangement for working as a single-phase motor.
Figure 1. Proposed induction motor winding arrangement for working as a single-phase motor.
Energies 10 01757 g001
Figure 2. Proposed induction motor winding arrangement working as a welding transformer.
Figure 2. Proposed induction motor winding arrangement working as a welding transformer.
Energies 10 01757 g002
Figure 3. Proposed induction motor winding arrangement working as a phase converter.
Figure 3. Proposed induction motor winding arrangement working as a phase converter.
Energies 10 01757 g003
Figure 4. (a) Arrangement of the three-phase windings of the motor in slots. (b) Placement of the three-phase windings on the stator.
Figure 4. (a) Arrangement of the three-phase windings of the motor in slots. (b) Placement of the three-phase windings on the stator.
Energies 10 01757 g004
Figure 5. Placement of single phase windings on the stator.
Figure 5. Placement of single phase windings on the stator.
Energies 10 01757 g005
Figure 6. (a) Old scrap motor. (b) Redesigned winding arrangement for the proposed multifunctional motor. (c) Squirrel cage rotor (rotor of the old machine).
Figure 6. (a) Old scrap motor. (b) Redesigned winding arrangement for the proposed multifunctional motor. (c) Squirrel cage rotor (rotor of the old machine).
Energies 10 01757 g006
Figure 7. Design of the proposed induction machine: (a) hardware implementation of the stator winding; (b) complete stator winding arrangement; (c) proposed induction machine end terminal connection.
Figure 7. Design of the proposed induction machine: (a) hardware implementation of the stator winding; (b) complete stator winding arrangement; (c) proposed induction machine end terminal connection.
Energies 10 01757 g007aEnergies 10 01757 g007b
Table 1. Designed ratings and parameters of the proposed multifunctional induction machine (IM).
Table 1. Designed ratings and parameters of the proposed multifunctional induction machine (IM).
ParameterValue
Rated voltage400 V (L-L)
Power SupplyThree Phase
Frequency50 Hz
Phase Voltage230 V
WindingDelta Connected
Power rating2.5 HP = 1865 W
Power Factor0.8 (lagging)
Rated current3.05 A
Table 2. Design values of the stator winding of the proposed multifunctional induction machine (IM).
Table 2. Design values of the stator winding of the proposed multifunctional induction machine (IM).
ParameterValue
No. of poles4
No. of slots36
No. of slot/pole9
No. of slots/pole/phase3
Slot pitch1 to 8
Coil pitch1 to 8
Turns/slot17
Total turns612 (17 × 36)
Table 3. Parameters of the old induction machine (IM).
Table 3. Parameters of the old induction machine (IM).
ParameterValue
Speed1430 rpm
Connectiondelta
InsulationClass-B
No of slots36
No of pole-44
Slot pitch1 to 8
No of conductor per slot72
Old wire guige18
Total no of coils12 × 3 = 36.
Name plate rating3.7 kW (5 HP).
Voltage, Current and Frequency415 V, 3.5 A, 50 Hz
Table 4. Testing of the three-phase proposed induction machine (IM).
Table 4. Testing of the three-phase proposed induction machine (IM).
TESTVO for OCTIO for OCTW1 (W)W2 (W)Wo (W1 + W2)
VBR for BRT in (V)IBR for BRT in (V)Multiplying Factor = 8
OCT3903.1−6010545 × 8 = 360
BRT613.002020 × 8 = 160
Table 5. Testing of the single-phase induction machine (IM).
Table 5. Testing of the single-phase induction machine (IM).
TESTVO for OCTIO for OCTWo (W) Multiplying Factor = 4
VBR for BRT in (V)IBR for BRT in (V)
OCT2207.3170 × 4 = 680
BRT607130 × 4 = 520
Table 6. Output of the welding transformer.
Table 6. Output of the welding transformer.
ConnectionSecondary Winding Voltage (Volts)Secondary Current (Amperes)
Running winding61.379.8
Table 7. Output voltages of the phase converter.
Table 7. Output voltages of the phase converter.
Serial NumberTerminalsVoltage (L-L) in Volts
1R-Y402
2Y-B395
3B-R400
Table 8. Welding transformer winding specifications.
Table 8. Welding transformer winding specifications.
WindingLayerNo. of TurnsGuage
3 Ph. I.M.Single1721
Running Winding 1Triple17 × 2 = 3421
Starting Winding 2Triple1721

Share and Cite

MDPI and ACS Style

Bhaskar, M.S.; Padmanaban, S.; Sabnis, S.A.; Mihet-Popa, L.; Blaabjerg, F.; Ramachandaramurthy, V.K. Hardware Implementation and a New Adaptation in the Winding Scheme of Standard Three Phase Induction Machine to Utilize for Multifunctional Operation: A New Multifunctional Induction Machine. Energies 2017, 10, 1757. https://doi.org/10.3390/en10111757

AMA Style

Bhaskar MS, Padmanaban S, Sabnis SA, Mihet-Popa L, Blaabjerg F, Ramachandaramurthy VK. Hardware Implementation and a New Adaptation in the Winding Scheme of Standard Three Phase Induction Machine to Utilize for Multifunctional Operation: A New Multifunctional Induction Machine. Energies. 2017; 10(11):1757. https://doi.org/10.3390/en10111757

Chicago/Turabian Style

Bhaskar, Mahajan Sagar, Sanjeevikumar Padmanaban, Sonali A. Sabnis, Lucian Mihet-Popa, Frede Blaabjerg, and Vigna K. Ramachandaramurthy. 2017. "Hardware Implementation and a New Adaptation in the Winding Scheme of Standard Three Phase Induction Machine to Utilize for Multifunctional Operation: A New Multifunctional Induction Machine" Energies 10, no. 11: 1757. https://doi.org/10.3390/en10111757

APA Style

Bhaskar, M. S., Padmanaban, S., Sabnis, S. A., Mihet-Popa, L., Blaabjerg, F., & Ramachandaramurthy, V. K. (2017). Hardware Implementation and a New Adaptation in the Winding Scheme of Standard Three Phase Induction Machine to Utilize for Multifunctional Operation: A New Multifunctional Induction Machine. Energies, 10(11), 1757. https://doi.org/10.3390/en10111757

Note that from the first issue of 2016, this journal uses article numbers instead of page numbers. See further details here.

Article Metrics

Back to TopTop