Designing and Testing Composite Energy Storage Systems for Regulating the Outputs of Linear Wave Energy Converters
Abstract
:1. Introduction
2. Proposed System
3. Controls of Linear Wave Energy Converters (LWECs)
4. A Composite Energy Storage System
4.1. Energy Storage Components
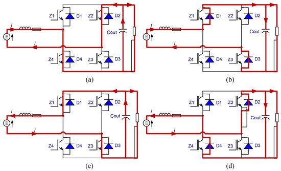
4.2. Interface Circuits
4.3. Control of Super Capacitors and Batteries
4.4. Capacity of Energy Storage Component
5. Hardware Implementation
6. Results and Discussion
7. Conclusions
Acknowledgments
Author Contributions
Conflicts of Interest
Nomenclature
| Power output of Li-ion battery | |
| Power output of super-capacitor | |
| Power output of LWEC | |
| Total power output of energy storage | |
| Steady power output | |
| Load | |
| Mass of moving parts of LWEC | |
| Wave excitation force | |
| Device translational velocity | |
| Mechanical spring stiffness | |
| Mechanical resistance | |
| Generator spring stiffness | |
| Generator resistance | |
| Input voltage of DC-DC converter | |
| Inductance of DC-DC converter | |
| Inductance current of DC-DC converter | |
| Current reference of DC-DC converter | |
| Feedback voltage of DC-DC converter |
References
- Schoen, M.P.; Hals, J.; Moan, T. Wave prediction and robust control of heaving wave energy devices for irregular waves. IEEE Trans. Energy Convers. 2011, 26, 627–638. [Google Scholar] [CrossRef]
- Zhang, H.; Nie, Z.; Xiao, X.; Aggarwal, R.; Kang, Q.; Ainslie, M.; Zhu, J.; Coombs, T.; Yuan, W. Design and simulation of SMES system using YBCO tapes for direct drive wave energy converters. IEEE Trans. Appl. Superconduct. 2013, 23, 5700704. [Google Scholar] [CrossRef]
- Zhang, J.; Yu, H.; Chen, Q.; Hu, M.; Huang, L.; Liu, Q. Design and experimental analysis of AC linear generator with Halbach PM arrays for direct-drive wave energy conversion. IEEE Trans. Appl. Superconduct. 2014, 24, 1–4. [Google Scholar] [CrossRef]
- Murray, D.B.; Hayes, J.G.; O’Sullivan, D.L.; Egan, M.G. Supercapacitor testing for power smoothing in a variable speed offshore wave energy converter. IEEE J. Ocean. Eng. 2012, 37, 301–308. [Google Scholar] [CrossRef]
- Cappelli, L.; Marignetti, F.; Mattiazzo, G.; Giorcelli, E.; Bracco, G.; Carbone, S.; Attaianese, C. Linear tubular permanent-magnet generators for the inertial sea wave energy converter. Ind. Appl. IEEE Trans. 2014, 50, 1817–1828. [Google Scholar] [CrossRef]
- Shek, J.K.H.; Macpherson, D.E.; Mueller, M.A. Experimental verification of linear generator control for direct drive wave energy conversion. IET Renew. Power Gener. 2010, 4, 395–403. [Google Scholar] [CrossRef]
- Boström, C.; Leijon, M. Operation analysis of a wave energy converter under different load conditions. IET Renew. Power Gener. 2011, 5, 245–250. [Google Scholar] [CrossRef]
- Rhinefrank, K.; Schacher, A.; Prudell, J.; Brekken, T.K.A.; Stillinger, C.; Yen, J.Z.; Ernst, S.G.; von Jouanne, A.; Amon, E.; Paasch, R.; et al. Comparison of direct-drive power takeoff systems for ocean wave energy applications. IEEE J. Ocean. Eng. 2012, 37, 35–44. [Google Scholar] [CrossRef]
- Du, Y.; Chau, K.T.; Cheng, M.; Fan, Y.; Zhao, W.; Li, F. A linear stator permanent magnet vernier HTS machine for wave energy conversion. IEEE Trans. Appl. Superconduct. 2012, 22, 5202505. [Google Scholar] [CrossRef]
- Gargov, N.P.; Zobaa, A.F. Multi-phase air-cored tubular permanent magnet linear generator for wave energy converters. IET Renew. Power Gener. 2012, 6, 171–176. [Google Scholar] [CrossRef]
- Ran, L.; Mueller, M.A.; Ng, C.; Tavner, P.J.; Zhao, H.; Baker, N.J.; McDonald, S.; McKeever, P. Power conversion and control for a linear direct drive permanent magnet generator for wave energy. IET Renew. Power Gener. 2011, 5, 1–9. [Google Scholar] [CrossRef]
- Crozier, R.; Bailey, H.; Mueller, M.; Spooner, E.; McKeever, P. Analysis, design and testing of a novel direct-drive wave energy converter system. IET Renew. Power Gener. 2013, 7, 565–573. [Google Scholar] [CrossRef]
- Vermaak, R.; Kamper, M.J. Design aspects of a novel topology air-cored permanent magnet linear generator for direct drive wave energy converters. IEEE Trans. Ind. Electron. 2012, 59, 2104–2115. [Google Scholar] [CrossRef]
- Matsuoka, T.; Omata, K.; Kanda, H.; Tachi, K. A study of wave energy conversion systems using ball screws—Comparison of output characteristics of the fixed type and the floating type. In Proceedings of the Twelfth International Offshore and Polar Engineering Conference, Kitakyushu, Japan, 26–31 May 2002.
- Agamloh, E.B.; Wallace, A.K.; Jouanne, A.V. A novel direct-drive ocean wave energy extraction concept with contact-less force transmission system. Renew. Energy 2008, 37, 520–529. [Google Scholar] [CrossRef]
- Kimoulakis, N.M.; Kakosimos, P.E.; Kladas, A.G. Power generation by using point absorber wave energy converter coupled with linear permanent magnet generator. In Proceedings of the Power Generation, Transmission, Distribution and Energy Conversion, Agia Napa, Cyprus, 7–10 November 2010.
- Hodgins, N.; Keysan, O.; McDonald, A.S.; Mueller, M.A. Design and testing of a linear generator for wave-energy applications. IEEE Trans. Ind. Electron. 2012, 59, 2094–2103. [Google Scholar] [CrossRef]
- Szarka, G.D.; Stark, B.H.; Burrow, S.G. Review of power conditioning for kinetic energy harvesting systems. IEEE Trans. Power Electron. 2012, 27, 803–815. [Google Scholar] [CrossRef]
- Xiao, X.; Huang, X.; Kang, Q. A hill-climbing-method-based maximum-power-point-tracking strategy for direct-drive wave energy converters. IEEE Trans. Ind. Electron. 2016, 63, 257–267. [Google Scholar] [CrossRef]
- Nie, Z.; Xiao, X.; Yi, H.; Kang, Q. Direct drive wave energy converters integrated with a composite energy storage system. In Proceedings of the 2011 International Conference on Electrical Machines and Systems, Beijing, China, 20–23 August 2011.
- Nie, Z.; Xiao, X.; Kang, Q.; Aggarwal, R.; Zhang, H.; Yuan, W. SMES-battery energy storage system for conditioning outputs from direct drive linear wave energy converters. IEEE Trans. Appl. Superconduct. 2013, 23, 5000705. [Google Scholar]
- Wu, F.; Ju, P.; Zhang, X.; Qin, C.; Peng, G.J.; Huang, H.; Fang, J. Modeling, control strategy, and power conditioning for direct-drive wave energy conversion to operate with power grid. Proc. IEEE 2013, 101, 925–941. [Google Scholar] [CrossRef]
- Su, M.; Pan, P.; Long, X.; Sun, Y.; Yang, J. An active power-decoupling method for single-phase AC–DC converters. IEEE Trans. Ind. Inform. 2014, 10, 461–468. [Google Scholar] [CrossRef]
- Narimani, M.; Moschopoulos, G. An AC-DC Single-stage full-bridge converter with improved output characteristics. IEEE Trans. Ind. Inform. 2015, 11, 27–32. [Google Scholar] [CrossRef]
- Dayal, R.; Dwari, S.; Parsa, L. Design and implementation of a direct AC–DC boost converter for low-voltage energy harvesting. IEEE Trans. Ind. Electron. 2011, 58, 2387–2396. [Google Scholar] [CrossRef]
- Lai, Y.; Yeh, C.; Ho, K. A family of predictive digital-controlled PFC under boundary current mode control. IEEE Trans. Ind. Inform. 2012, 8, 448–458. [Google Scholar] [CrossRef]
- Amin; Bambang, R.T.; Rohman, A.S.; Dronkers, C.J.; Ortega, R.; Sasongko, A. Energy management of fuel cell/battery/supercapacitor hybrid power sources using model predictive control. IEEE Trans. Ind. Inform. 2014, 10, 1992–2002. [Google Scholar] [CrossRef]
- Tani, A.; Camara, M.B.; Dakyo, B.; Azzouz, Y. DC/DC and DC/AC converters control for hybrid electric vehicles energy management-ultracapacitors and fuel cell. IEEE Trans. Ind. Inform. 2013, 9, 686–696. [Google Scholar] [CrossRef]
- Xu, Z.; Guan, X.; Jia, Q.; Wu, J.; Wang, D.; Chen, S. Performance analysis and comparison on energy storage devices for smart building energy management. IEEE Trans. Smart Grid 2012, 3, 2136–2147. [Google Scholar] [CrossRef]
- Wee, K.W.; Choi, S.S.; Vilathgamuwa, D.M. Design of a least-cost battery-supercapacitor energy storage system for realizing dispatchable wind power. IEEE Trans. Sustain. Energy 2013, 4, 786–796. [Google Scholar] [CrossRef]
- Zhou, H.; Bhattacharya, T.; Tran, D.; Siew, T.S.T.; Khambadkone, A.M. Composite energy storage system involving battery and ultracapacitor with dynamic energy management in microgrid applications. IEEE Trans. Power Electron. 2011, 26, 923–930. [Google Scholar] [CrossRef]
- Shim, J.W.; Cho, Y.; Kim, S.; Min, S.W.; Hur, K. Synergistic control of SMES and battery energy storage for enabling dispatchability of renewable energy sources. IEEE Trans. Appl. Superconduct. 2013, 23, 5701205. [Google Scholar] [CrossRef]
- Zhang, Z.; Ouyang, Z.; Thomsen, O.C.; Andersen, M.A.E. Analysis and design of a bidirectional isolated DC–DC converter for fuel cells and supercapacitors hybrid system. IEEE Trans. Power Electron. 2012, 27, 848–859. [Google Scholar] [CrossRef]
- Kabir, M.N.; Mishra, Y.; Ledwich, G.; Dong, Z.Y.; Wong, K.P. Coordinated control of grid-connected photovoltaic reactive power and battery energy storage systems to improve the voltage profile of a residential distribution feeder. IEEE Trans. Ind. Inform. 2014, 10, 967–977. [Google Scholar] [CrossRef]
- Nie, Z.; Xiao, X.; McMahon, R.; Clifton, P.; Wu, Y.; Shao, S. Emulation and control methods for direct drive linear wave energy converters. IEEE Trans. Ind. Inform. 2013, 9, 790–798. [Google Scholar] [CrossRef]
- Buccella, C.; Cecati, C.; Latafat, H. Digital control of power converters—A survey. IEEE Trans. Ind. Inform. 2012, 8, 437–447. [Google Scholar] [CrossRef]
- Sanchez, P.M.; Machado, O.; Peña, E.J.B.; Rodriguez, F.J.; Meca, F.J. FPGA-based implementation of a predictive current controller for power converters. IEEE Trans. Ind. Inform. 2013, 9, 1312–1321. [Google Scholar] [CrossRef]
- Lupon, E.; Busquets-Monge, S.; Nicolas-Apruzzese, J. FPGA implementation of a PWM for a three-phase DC–AC multilevel active-clamped converter. IEEE Trans. Ind. Inform. 2014, 10, 1296–1306. [Google Scholar] [CrossRef]
















| Parameters | Values |
|---|---|
| DC supply | 500 V/10 A |
| DC bus filtering capacitor | 2200 μF |
| IGBT used for H-bridge | IRG4BC20U |
| Recovery diode used for H-bridge | HFA08TB60 |
| Low-pass LC filter | 1.4 mH/20 μF |
| Generator coil’s resistance/inductance | 20 Ω/0.4 H |
| Li-batteries voltage/capacity | 51.2 V/6 A·h |
| Super capacitors | 52 F/15 V (3 in series) |
| Buck/boost filtering inductor | 5 mH |
| Load | 33.3 Ω |
| Topologies | Average DC Link Voltage (V) | Average Output Power (W) | DC Link Voltage Ripples (V) |
|---|---|---|---|
| Rectifier diodes(without battery-super capacitor system) | 192 | 88 | 120 |
| Boost AC/DC converter(without battery-super capacitor system) | 315 | 236 | 133 |
| Boost AC/DC converter(with battery-super capacitor system) | 315 | 236 | 7 |
© 2017 by the authors; licensee MDPI, Basel, Switzerland. This article is an open access article distributed under the terms and conditions of the Creative Commons Attribution (CC-BY) license (http://creativecommons.org/licenses/by/4.0/).
Share and Cite
Nie, Z.; Xiao, X.; Hiralal, P.; Huang, X.; McMahon, R.; Zhang, M.; Yuan, W. Designing and Testing Composite Energy Storage Systems for Regulating the Outputs of Linear Wave Energy Converters. Energies 2017, 10, 114. https://doi.org/10.3390/en10010114
Nie Z, Xiao X, Hiralal P, Huang X, McMahon R, Zhang M, Yuan W. Designing and Testing Composite Energy Storage Systems for Regulating the Outputs of Linear Wave Energy Converters. Energies. 2017; 10(1):114. https://doi.org/10.3390/en10010114
Chicago/Turabian StyleNie, Zanxiang, Xi Xiao, Pritesh Hiralal, Xuanrui Huang, Richard McMahon, Min Zhang, and Weijia Yuan. 2017. "Designing and Testing Composite Energy Storage Systems for Regulating the Outputs of Linear Wave Energy Converters" Energies 10, no. 1: 114. https://doi.org/10.3390/en10010114
APA StyleNie, Z., Xiao, X., Hiralal, P., Huang, X., McMahon, R., Zhang, M., & Yuan, W. (2017). Designing and Testing Composite Energy Storage Systems for Regulating the Outputs of Linear Wave Energy Converters. Energies, 10(1), 114. https://doi.org/10.3390/en10010114
