Preparation and Characterization of Cu-Mn-Ce@γ-Al2O3 to Catalyze Ozonation in Coal Chemical Wastewater-Biotreated Effluent
Abstract
:1. Introduction
2. Materials and Methods
2.1. Materials
2.2. Cu-Mn-Ce@γ-Al2O3 Preparation
2.3. Cu-Mn-Ce@γ-Al2O3 Characterization
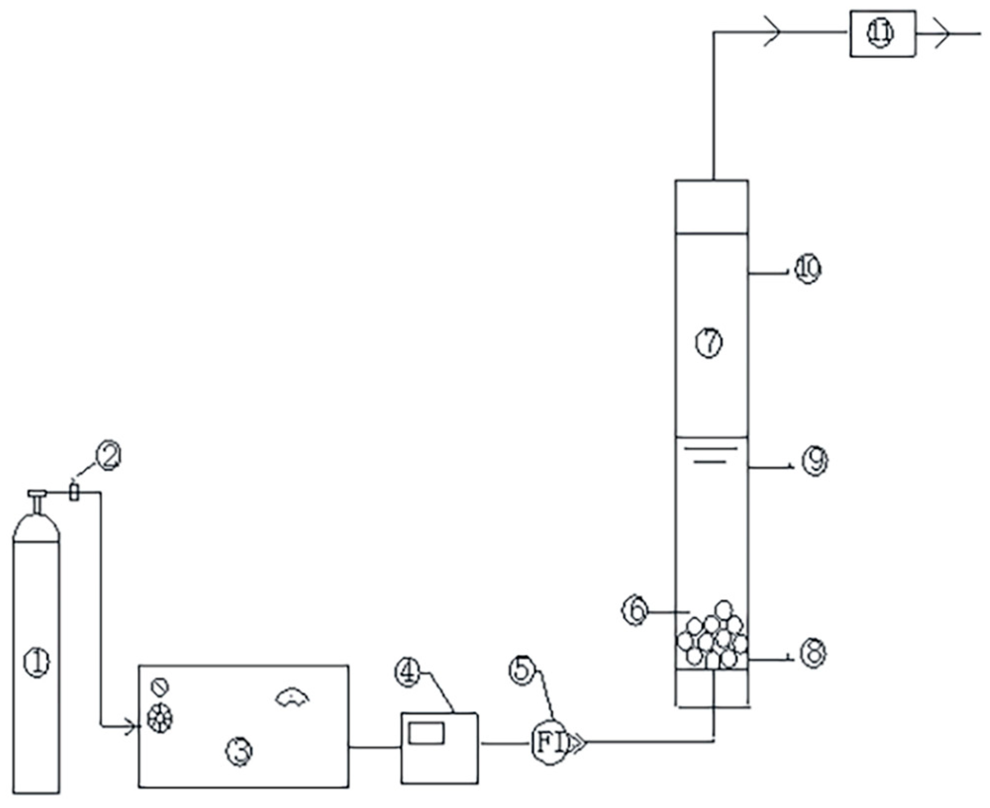
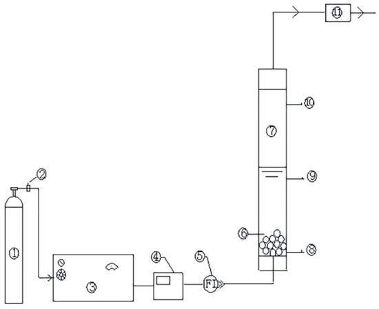
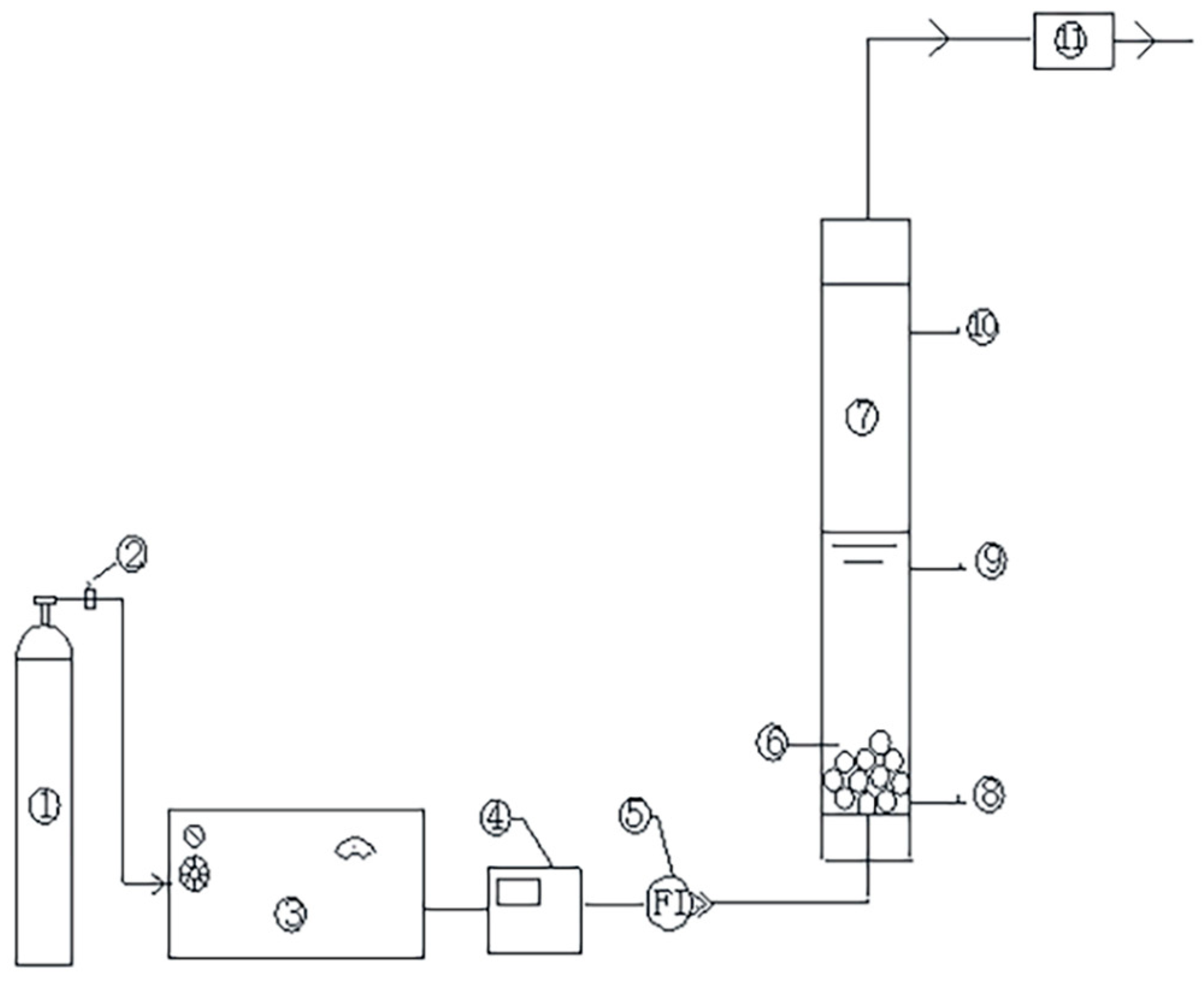
2.4. Catalytic Ozonation Procedure
2.5. Analytical Methods
3. Results and Discussion
3.1. Adsorption Performances of Cu-Mn-Ce@γ-Al2O3
3.2. Optimization of Catalyst Preparation Conditions
3.2.1. Effects of Metal Oxide-Loading Percentage
3.2.2. Effects of Calcination Temperature
3.2.3. Effects of Calcination Time
3.3. Characterization of Catalysts
3.3.1. Scanning Electron Microscopy (SEM) and Energy Dispersive Spectrometer (EDS)
3.3.2. X-ray Diffraction (XRD)
3.3.3. Brunauer-Emmett-Teller (BET) Analysis
3.4. Effects of Operational Parameters
3.4.1. Effects of Ozone Dosage
3.4.2. Effects of Catalyst Dosage
3.4.3. Effects of Reaction Time
3.4.4. Effects of pH
3.5. Mechanisms of Heterogeneous Catalytic Ozonation
3.5.1. GC-MS Analysis
3.5.2. UV-vis Spectroscopy
3.5.3. FT-IR Spectrometer Analysis
3.6. Stability of CMC-A
4. Conclusions
Author Contributions
Funding
Conflicts of Interest
References
- Zhu, H.; Han, Y.; Ma, W.; Han, H.; Ma, W. Removal of selected nitrogenous heterocyclic compounds in biologically pretreated coal gasification wastewater (BPCGW) using the catalytic ozonation process combined with the two-stage membrane bioreactor (MBR). Bioresour. Technol. 2017, 245, 786–793. [Google Scholar] [CrossRef]
- Zhang, S.; Wu, C.; Zhou, Y.; Wang, Y.; He, X. Effect of wastewater particles on catalytic ozonation in the advanced treatment of petrochemical secondary effluent. Chem. Eng. J. 2018, 345, 280–289. [Google Scholar] [CrossRef]
- Zhu, H.; Ma, W.; Han, H.; Han, Y.; Ma, W. Catalytic ozonation of quinoline using nano-MgO: Efficacy, pathways, mechanisms and its application to real biologically pretreated coal gasification wastewater. Chem. Eng. J. 2017, 327, 91–99. [Google Scholar] [CrossRef]
- Saeid, S.; Tolvanen, P.; Kumar, N.; Eranen, K.; Peltonen, J.; Peurla, M.; Mikkola, J.; Franz, A.; Salmi, T. Advanced oxidation process for the removal of ibuprofen from aqueous solution: A non-catalytic and catalytic ozonation study in a semi-batch reactor. Appl. Catal. B Environ. 2018, 230, 77–90. [Google Scholar] [CrossRef]
- Li, X.; Chen, W.; Ma, L.; Wang, H.; Fan, J. Industrial wastewater advanced treatment via catalytic ozonation with an Fe-based catalyst. Chemosphere 2018, 195, 336–343. [Google Scholar] [CrossRef]
- Nawrocki, J.; Kasprzyk-Hordern, B. The efficiency and mechanisms of catalytic ozonation. Appl. Catal. B Environ. 2010, 99, 27–42. [Google Scholar] [CrossRef]
- Ikhlaq, A.; Brown, D.R.; Kasprzyk-Hordern, B. Mechanisms of catalytic ozonation: An investigation into superoxide ion radical and hydrogen peroxide formation during catalytic ozonation on alumina and zeolites in water. Appl. Catal. B Environ. 2013, 129, 437–449. [Google Scholar] [CrossRef]
- Nawrocki, J. Catalytic ozonation in water: Controversies and questions. Discussion paper. Appl. Catal. B Environ. 2013, 142, 465–471. [Google Scholar] [CrossRef]
- Yang, T.; Peng, J.; Zheng, Y.; He, X.; Hou, Y.; Wu, L.; Fu, X. Enhanced photocatalytic ozonation degradation of organic pollutants by ZnO modified TiO2 nanocomposites. Appl. Catal. B Environ. 2018, 221, 223–234. [Google Scholar] [CrossRef]
- Ghuge, S.P.; Saroha, A.K. Catalytic ozonation for the treatment of synthetic and industrial effluents—Application of mesoporous materials: A review. J. Environ. Manag. 2018, 211, 83–102. [Google Scholar] [CrossRef]
- Zhang, J.; Yu, H.; Quan, X.; Chen, S.; Zhang, Y. Ceramic membrane separation coupled with catalytic ozonation for tertiary treatment of dyestuff wastewater in a pilot-scale study. Chem. Eng. J. 2016, 301, 19–26. [Google Scholar] [CrossRef]
- Chen, C.; Li, Y.; Ma, W.; Guo, S.; Wang, Q.; Li, Q.X. Mn-Fe-Mg-Ce loaded Al2O3 catalyzed ozonation for mineralization of refractory organic chemicals in petroleum refinery wastewater. Sep. Purif. Technol. 2017, 183, 1–10. [Google Scholar] [CrossRef]
- Li, G.; Lu, Y.; Lu, C.; Zhu, M.; Zhai, C.; Du, Y.; Yang, P. Efficient catalytic ozonation of bisphenol-A over reduced graphene oxide modified sea urchin-like alpha-MnO2 architectures. J. Hazard. Mater. 2015, 294, 201–208. [Google Scholar] [CrossRef]
- Wang, Y.; Xie, Y.; Sun, H.; Xiao, J.; Cao, H.; Wang, S. 2D/2D nano-hybrids of gamma-MnO2 on reduced graphene oxide for catalytic ozonation and coupling peroxymonosulfate activation. J. Hazard. Mater. 2016, 301, 56–64. [Google Scholar] [CrossRef] [PubMed]
- Yang, Y.; Cao, H.; Peng, P.; Bo, H. Degradation and transformation of atrazine under catalyzed ozonation process with TiO2 as catalyst. J. Hazard. Mater. 2014, 279, 444–451. [Google Scholar] [CrossRef] [PubMed]
- Mashayekh-Salehi, A.; Moussavi, G.; Yaghmaeian, K. Preparation, characterization and catalytic activity of a novel mesoporous nanocrystalline MgO nanoparticle for ozonation of acetaminophen as an emerging water contaminant. Chem. Eng. J. 2017, 310, 157–169. [Google Scholar] [CrossRef]
- Yang, Y.; Ma, J.; Qin, Q.; Zhai, X. Degradation of nitrobenzene by nano-TiO2 catalyzed ozonation. J. Mol. Catal. A Chem. 2007, 267, 41–48. [Google Scholar] [CrossRef]
- Dai, Q.; Wang, J.; Yu, J.; Chen, J.; Chen, J. Catalytic ozonation for the degradation of acetylsalicylic acid in aqueous solution by magnetic CeO2 nanometer catalyst particles. Appl. Catal. B Environ. 2014, 144, 686–693. [Google Scholar] [CrossRef]
- Lv, A.; Hu, C.; Nie, Y.; Qu, J. Catalytic ozonation of toxic pollutants over magnetic cobalt and manganese co-doped gamma-Fe2O3. Appl. Catal. B Environ. 2010, 100, 62–67. [Google Scholar] [CrossRef]
- Dong, Y.; Yang, H.; He, K.; Song, S.; Zhang, A. beta-MnO2 nanowires: A novel ozonation catalyst for water treatment. Appl. Catal. B Environ. 2009, 85, 155–161. [Google Scholar] [CrossRef]
- Qi, F.; Xu, B.; Zhao, L.; Chen, Z.; Zhang, L.; Sun, D.; Ma, J. Comparison of the efficiency and mechanism of catalytic ozonation of 2,4,6-trichloroanisole by iron and manganese modified bauxite. Appl. Catal. B Environ. 2012, 121, 171–181. [Google Scholar] [CrossRef]
- Zhang, T.; Li, W.; Croue, J. A non-acid-assisted and non-hydroxyl-radical-related catalytic ozonation with ceria supported copper oxide in efficient oxalate degradation in water. Appl. Catal. B Environ. 2012, 121, 88–94. [Google Scholar] [CrossRef]
- Martins, R.C.; Quinta-Ferreira, R.M. Catalytic ozonation of phenolic acids over a Mn-Ce-O catalyst. Appl. Catal. B Environ. 2009, 90, 268–277. [Google Scholar] [CrossRef]
- Shan, C.; Xu, Y.; Hua, M.; Gu, M.; Yang, Z.; Wang, P.; Lu, Z.; Zhang, W.; Pan, B. Mesoporous Ce-Ti-Zr ternary oxide millispheres for efficient catalytic ozonation in bubble column. Chem. Eng. J. 2018, 338, 261–270. [Google Scholar] [CrossRef]
- Chen, K.; Wang, Y. The effects of Fe-Mn oxide and TiO2/alpha-Al2O3 on the formation of disinfection by-products in catalytic ozonation. Chem. Eng. J. 2014, 253, 84–92. [Google Scholar] [CrossRef]
- Akhtar, J.; Amin, N.S.; Aris, A. Combined adsorption and catalytic ozonation for removal of sulfamethoxazole using Fe2O3/CeO2 loaded activated carbon. Chem. Eng. J. 2011, 170, 136–144. [Google Scholar] [CrossRef]
- Cheng, F.; Su, Y.; Liang, J.; Tao, Z.; Chen, J. MnO2-Based Nanostructures as Catalysts for Electrochemical Oxygen Reduction in Alkaline Media. Chem. Mater. 2010, 22, 898–905. [Google Scholar] [CrossRef]
- Zhu, Q.; Chen, F.; Guo, S.; Chen, X.; Chen, J. Variation of Catalyst Structure and Catalytic Activity During Catalyst Preparation for Catalytic Ozonation of Heavy Oil Produced Water. Water Air Soil Pollut. 2017, 228, 1–11. [Google Scholar] [CrossRef]
- Peng, J.; Lai, L.; Jiang, X.; Jiang, W.; Lai, B. Catalytic ozonation of succinic acid in aqueous solution using the catalyst of Ni/Al2O3 prepared by electroless plating-calcination method. Sep. Purif. Technol. 2018, 195, 138–148. [Google Scholar] [CrossRef]
- Popov, A.; Kondratieva, E.; Goupil, J.M.; Mariey, L.; Bazin, P.; Gilson, J.; Travert, A.; Mauge, F. Bio-oils Hydrodeoxygenation: Adsorption of Phenolic Molecules on Oxidic Catalyst Supports. J. Phys. Chem. C. 2010, 114, 15661–15670. [Google Scholar] [CrossRef]
- Zhao, L.; Ma, J.; Sun, Z.; Zhai, X. Catalytic ozonation for the degradation of nitrobenzene in aqueous solution by ceramic honeycomb-supported manganese. Appl. Catal. B Environ. 2008, 83, 256–264. [Google Scholar] [CrossRef]
- Tian, D.; Xu, Z.; Zhang, D.; Chen, W.; Cai, J.; Deng, H.; Sun, Z.; Zhou, Y. Micro-mesoporous carbon from cotton waste activated by FeCl3/ZnCl2: Preparation, optimization, characterization and adsorption of methylene blue and eriochrome black T. J. Solid State Chem. 2019, 269, 580–587. [Google Scholar] [CrossRef]
- Liu, D.; Tang, H.; Zhao, Y.; Cui, F.; Lu, J. Characterization of the adsorption behavior of aqueous cadmium on nanozero-valent iron based on orthogonal experiment and surface complexation modeling. Chin. J. Chem. Eng. 2016, 24, 1270–1274. [Google Scholar] [CrossRef]
- Liu, Z.; Tu, J.; Wang, Q.; Cui, Y.; Zhang, L.; Wu, X.; Zhang, B.; Ma, J. Catalytic ozonation of diethyl phthalate in aqueous solution using graphite supported zinc oxide. Sep. Purif. Technol. 2018, 200, 51–58. [Google Scholar] [CrossRef]
- Andreozzi, R.; Marotta, R.; Sanchirico, R. Manganese-catalysed ozonation of glyoxalic acid in aqueous solutions. J. Chem. Technol. Biotechnol. 2000, 75, 59–65. [Google Scholar] [CrossRef]
- Nakhate, P.H.; Gadipelly, C.R.; Joshi, N.T.; Marathe, K.V. Engineering aspects of catalytic ozonation for purification of real textile industry wastewater at the pilot scale. J. Ind. Eng. Chem. 2019, 69, 77–89. [Google Scholar] [CrossRef]
- Li, H.; Han, H.; Du, M.; Wang, W. Removal of phenols, thiocyanate and ammonium from coal gasification wastewater using moving bed biofilm reactor. Bioresour. Technol. 2011, 102, 4667–4673. [Google Scholar] [CrossRef] [PubMed]
- Abdedayem, A.; Guiza, M.; Ouederni, A. Copper supported on porous activated carbon obtained by wetness impregnation: Effect of preparation conditions on the ozonation catalyst’s characteristics. Cr. Chim. 2015, 18, 100–109. [Google Scholar] [CrossRef]
- Wang, J.; Bai, Z. Fe-based catalysts for heterogeneous catalytic ozonation of emerging contaminants in water and wastewater. Chem. Eng. J. 2017, 312, 79–98. [Google Scholar] [CrossRef]
- Li, W.; Qiang, Z.; Zhang, T.; Cao, F. Kinetics and mechanism of pyruvic acid degradation by ozone in the presence of PdO/CeO2. Appl. Catal. B Environ. 2012, 113, 290–295. [Google Scholar] [CrossRef]
- Afzal, S.; Quan, X.; Zhang, J. High surface area mesoporous nanocast LaMO3 (M = Mn, Fe) perovskites for efficient catalytic ozonation and an insight into probable catalytic mechanism. Appl. Catal. B Environ. 2017, 206, 692–703. [Google Scholar] [CrossRef]
- Li, C.; Jiang, F.; Sun, D.; Qiu, B. Catalytic ozonation for advanced treatment of incineration leachate using (MnO2-Co3O4)/AC as a catalyst. Chem. Eng. J. 2017, 325, 624–631. [Google Scholar] [CrossRef]
- He, Z.; Xia, D.; Huang, Y.; Tan, X.; He, C.; Hu, L.; He, H.; Zeng, J.; Xu, W.; Shu, D. 3D MnO2 hollow microspheres ozone-catalysis coupled with flat-plate membrane filtration for continuous removal of organic pollutants: Efficient heterogeneous catalytic system and membrane fouling control. J. Hazard. Mater. 2018, 344, 1198–1208. [Google Scholar] [CrossRef] [PubMed]
- Li, X.; Zhang, Q.; Tang, L.; Lu, P.; Sun, F.; Li, L. Catalytic ozonation of p-chlorobenzoic acid by activated carbon and nickel supported activated carbon prepared from petroleum coke. J. Hazard. Mater. 2009, 163, 115–120. [Google Scholar] [CrossRef]



















| Parameter | COD (mg/L) | NH3-N (mg/L) | pH | UV254 (cm−1) | UV410 (cm−1) | Volatile Phenol (mg/L) |
|---|---|---|---|---|---|---|
| Average value | 180.0 | 6.3 | 7.0–8.0 | 1.646 | 0.371 | 0.15 |
| Parameter | Influent | Effluent | Removal Efficiency (%) |
|---|---|---|---|
| COD (mg/L) | 140.0 | 124.5 | 11.1 |
| UV254 | 1.646 | 1.592 | 3.3 |
| UV410 | 0.371 | 0.366 | 1.4 |
| Level | Ω (CuO)/% | Ω (MnO2)/% | Ω(CeO2)/% |
|---|---|---|---|
| 1 | 10.0 | 1.0 | 1.0 |
| 2 | 13.5 | 3.0 | 2.0 |
| 3 | 17.0 | 5.0 | 3.0 |
| Trial Number | CuO | MnO2 | CeO2 | COD Removal Efficiency (%) |
|---|---|---|---|---|
| 1 | 10 | 1 | 1 | 34.5 |
| 2 | 10 | 3 | 3 | 36.3 |
| 3 | 10 | 5 | 2 | 44.2 |
| 4 | 13.5 | 3 | 2 | 58.1 |
| 5 | 13.5 | 5 | 1 | 43 |
| 6 | 13.5 | 1 | 3 | 53 |
| 7 | 17 | 5 | 3 | 57 |
| 8 | 17 | 1 | 2 | 57 |
| 9 | 17 | 3 | 1 | 58 |
| K1 | 115.02 | 144.51 | 135.51 | / |
| K2 | 154.11 | 152.4 | 159.3 | / |
| K3 | 172.02 | 144.21 | 146.38 | / |
| k1 | 38.34 | 48.17 | 45.17 | / |
| k2 | 51.37 | 50.8 | 53.1 | / |
| k3 | 57.34 | 48.07 | 48.76 | / |
| R | 19 | 2.73 | 7.93 | / |
| Trial Number | 1 | 2 | 3 | 4 | 5 |
|---|---|---|---|---|---|
| COD removal efficiency (%) | 61.2 | 62.0 | 60.1 | 59.8 | 61.1 |
| Catalysts | SBET (m2/g) | VP (cm2/g) | dP (nm) |
|---|---|---|---|
| γ-Al2O3 | 210 | 0.4192 | 4.25 |
| Cu-Mn-Ce@γ-Al2O3 | 172.35 | 0.4304 | 7.1 |
| Organic Matter. | Influent | Effluent |
|---|---|---|
| Hydrocarbon | tetradecene, hexadecene, nonadecane, heptadecene, octadecene, trihexene | Tetradecene, hexadecene, heptadecene, octadecene, dimethyl (dodecane) |
| Ketones | 2-pentanone, cyclohexanone | - |
| Lipids | 3-tetradecyl 3-fluorobenzoate, 2-ethyl-4-methylpentyl pentoxide, dibutyl phthalate | ethyl isothioate |
| Acids | Octanoic acid | - |
| Alcohols | 2,3-dihydro-1H-indol-5-ol, behenyl alcohol, N-tetracosyl alcohol, octacosanol | 1-tridecyl alcohol, octacosanol |
| Absorption Peak | Functional Group |
|---|---|
| 3441.01 | N-H stretching vibration |
| 1653.00 | C=C stretching vibration, C=O stretching vibration |
| 1570.06 | N-H stretching vibration |
| 1508.33 | -NO2 (Aromatic) |
| 1417.68 | O-H deformation vibration |
| 1188.15 | C-O-C stretching vibration, C-O stretching vibration, C-N stretching vibration |
| 682.30 | C-H deformation vibration, N-H deformation vibration |
| Absorption Peak | FUNCTIONAL GROUP |
|---|---|
| 3425.93 | N-H stretching vibration |
| 3236.53, 2401.94 | O-H stretching vibration |
| 1639.49 | C=C stretching vibration, C=O stretching vibration, N-H deformation vibration |
| 1616.35 | C=C stretching vibration, N-H deformation vibration |
| 1384.89 | -CH3 deformation vibration |
| 679.29 | C-H deformation vibration, N-H deformation vibration |
© 2019 by the authors. Licensee MDPI, Basel, Switzerland. This article is an open access article distributed under the terms and conditions of the Creative Commons Attribution (CC BY) license (http://creativecommons.org/licenses/by/4.0/).
Share and Cite
Teng, Y.; Yao, K.; Song, W.; Sun, Y.; Liu, H.; Liu, Z.; Xu, Y. Preparation and Characterization of Cu-Mn-Ce@γ-Al2O3 to Catalyze Ozonation in Coal Chemical Wastewater-Biotreated Effluent. Int. J. Environ. Res. Public Health 2019, 16, 1439. https://doi.org/10.3390/ijerph16081439
Teng Y, Yao K, Song W, Sun Y, Liu H, Liu Z, Xu Y. Preparation and Characterization of Cu-Mn-Ce@γ-Al2O3 to Catalyze Ozonation in Coal Chemical Wastewater-Biotreated Effluent. International Journal of Environmental Research and Public Health. 2019; 16(8):1439. https://doi.org/10.3390/ijerph16081439
Chicago/Turabian StyleTeng, Yue, Ke Yao, Wenbin Song, Yongjun Sun, Haoliang Liu, Zhiying Liu, and Yanhua Xu. 2019. "Preparation and Characterization of Cu-Mn-Ce@γ-Al2O3 to Catalyze Ozonation in Coal Chemical Wastewater-Biotreated Effluent" International Journal of Environmental Research and Public Health 16, no. 8: 1439. https://doi.org/10.3390/ijerph16081439
APA StyleTeng, Y., Yao, K., Song, W., Sun, Y., Liu, H., Liu, Z., & Xu, Y. (2019). Preparation and Characterization of Cu-Mn-Ce@γ-Al2O3 to Catalyze Ozonation in Coal Chemical Wastewater-Biotreated Effluent. International Journal of Environmental Research and Public Health, 16(8), 1439. https://doi.org/10.3390/ijerph16081439

