Does Levetiracetam Administration Prevent Cardiac Damage in Adulthood Rats Following Neonatal Hypoxia/Ischemia-Induced Brain Injury?
Abstract
1. Introduction
2. Experimental Section
2.1. Animal Preparation and Surgical Procedure
- The control group (N = 7): After a median neck incision, carotid arteries of the rats in this group were detected without ligation. No hypoxia was performed, and no medication was given.
- The saline treated group (N = 14): 0.2 mL of saline was injected intraperitoneally immediately after hypoxia. One rat in this group died during the surgical procedure.
- The 100 mg/kg Levetiracetam treated group (LEV100; N = 14): The rat pups were intraperitoneally administered with 100 mg/kg of LEV dissolved in saline immediately after hypoxia. Three rats in this group died during the surgical procedure (one rat) and the hypoxia period (two rats).
- The 200 mg/kg Levetiracetam treated group (LEV200; N = 14): The rat pups were intraperitoneally administered with 200 mg/kg of LEV dissolved in saline immediately after hypoxia. Five rats in this group died during the surgical procedure (two rats) and the hypoxia period (three rats).
2.2. Cardiac Mechanography
2.3. Sample Preparation for Electron Microscopy
2.4. Ultrastructural Analysis of Mitochondria
2.5. Statistical Analysis
3. Results
3.1. Body Weight, Heart Weight, and Heart to Body Weight Ratio Results of the Groups
3.2. Cardiac Mechanogram Results of the Groups
3.3. Electron Microscopic Evaluation
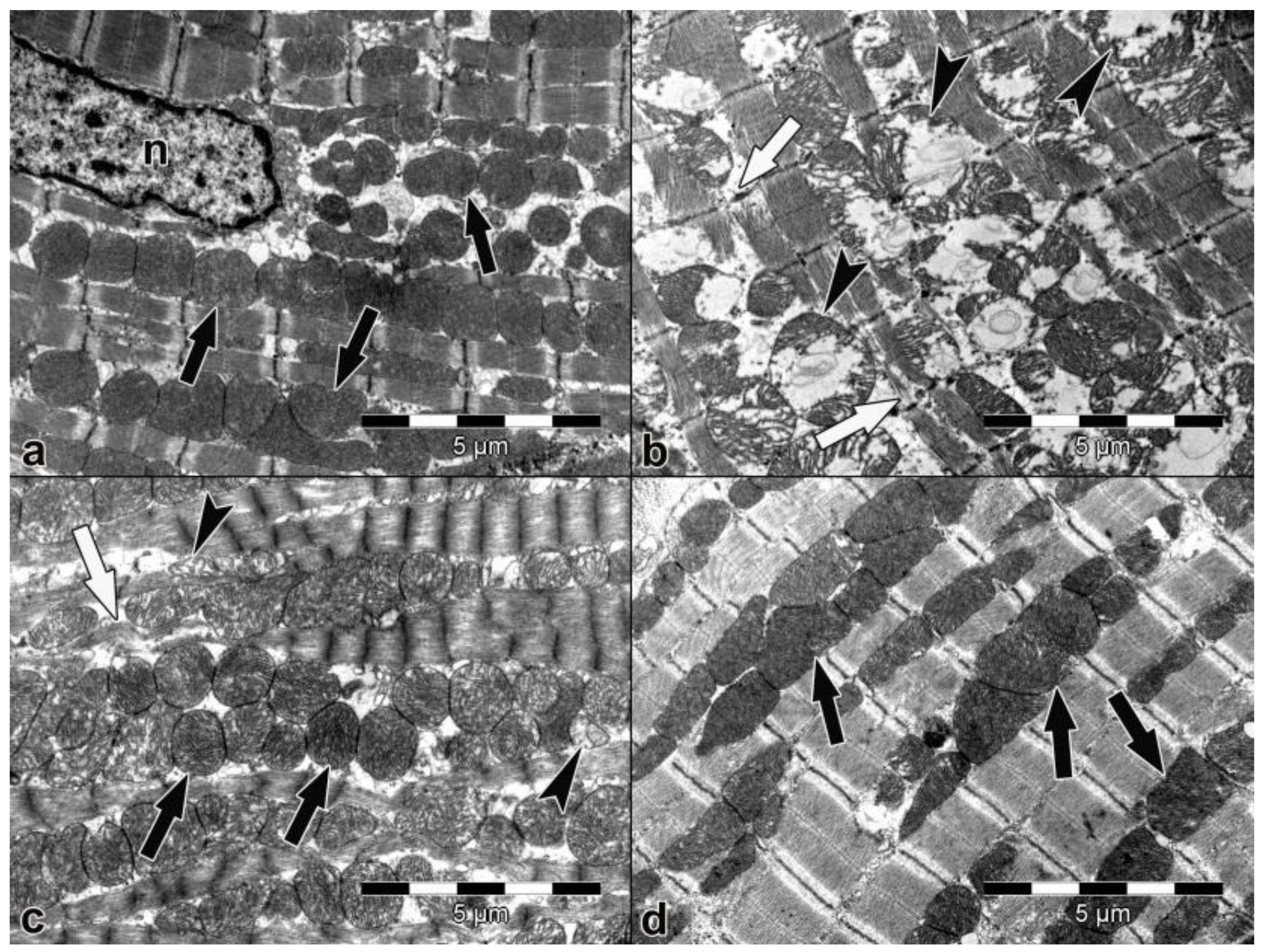
3.3.1. Qualitative Evaluation
3.3.2. Semiquantitative Analysis of Mitochondrial Damage
Atrium
Ventricle
4. Discussion
5. Conclusions
Acknowledgments
Author Contributions
Conflicts of Interest
References
- Komur, M.; Okuyaz, C.; Celik, Y.; Resitoglu, B.; Polat, A.; Balci, S.; Tamer, L.; Erdogan, S.; Beydagi, H. Neuroprotective effect of levetiracetam on hypoxic ischemic brain injury in neonatal rats. Childs Nerv. Syst. 2014, 30, 1001–1009. [Google Scholar] [CrossRef] [PubMed]
- Sweetman, D.; Armstrong, K.; Murphy, J.F.; Molloy, E.J. Cardiac biomarkers in neonatal hypoxic ischaemia. Acta Paediatr. 2012, 101, 338–343. [Google Scholar] [CrossRef] [PubMed]
- Martín-Ancel, A.; García-Alix, A.; Gayá, F.; Cabañas, F.; Burgueros, M.; Quero, J. Multiple organ involvement in perinatal asphyxia. J. Pediatr. 1995, 127, 786–793. [Google Scholar] [CrossRef]
- Tapia-Rombo, C.A.; Carpio-Hernández, J.C.; Salazar-Acuña, A.H.; Alvarez-Vázquez, E.; Mendoza-Zanella, R.M.; Pérez-Olea, V.; Rosas-Fernández, C. Detection of transitory myocardial ischemia secondary to perinatal asphyxia. Arch. Med. Res. 2000, 31, 377–383. [Google Scholar] [CrossRef]
- Hankins, G.D.; Koen, S.; Gei, A.F.; Lopez, S.M.; Van Hook, J.W.; Anderson, G.D. Neonatal organ system injury in acute birth asphyxia sufficient to result in neonatal encephalopathy. Obstet. Gynecol. 2002, 99, 688–691. [Google Scholar] [PubMed]
- Shah, P.; Riphagen, S.; Beyene, J.; Perlman, M. Multiorgan dysfunction in infants with post-asphyxial hypoxic–ischaemic enphalopathy. Arch. Dis. Child. Fetal Neonatal Ed. 2004, 89, 152–155. [Google Scholar] [CrossRef]
- Barberi, I.; Calabrò, M.P.; Cordaro, S.; Gitto, E.; Sottile, A.; Prudente, D.; Bertuccio, G.; Consolo, S. Myocardial ischaemia in neonates with perinatal asphyxia. Electrocardiographic, echocardiographic and enzymatic correlations. Eur. J. Pediatr. 1999, 158, 742–747. [Google Scholar] [CrossRef] [PubMed]
- Evans, N.; Kluckow, M.; Currie, A. Range of echocardiographic findings in term neonates with high oxygen requirements. Arch. Dis. Child. Fetal Neonatal Ed. 1998, 78, 105–111. [Google Scholar] [CrossRef]
- Evans, N. Which inotrope for which baby? Arch. Dis. Child. Fetal Neonatal Ed. 2006, 91, 213–220. [Google Scholar] [CrossRef] [PubMed]
- Fatemi, A.; Wilson, M.A.; Johnston, M.V. Hypoxic-ischemic encephalopathy in the term infant. Clin. Perinatol. 2009, 36, 835–858. [Google Scholar] [CrossRef] [PubMed]
- Puka-Sundvall, M.; Sandberg, M.; Hagberg, H. Brain injury after hypoxia-ischemia in newborn rats: Relationship to extracellular levels of excitatory amino acids and cysteine. Brain Res. 1997, 750, 325–328. [Google Scholar] [CrossRef]
- Bågenholm, R.; Nilsson, U.A.; Kjellmer, I. Formation of free radicals in hypoxic ischemic brain damage in the neonatal rat, assessed by an endogenous spin trap and lipid peroxidation. Brain Res. 1997, 773, 132–138. [Google Scholar] [CrossRef]
- Calvert, J.W.; Yin, W.; Patel, M.; Badr, A.; Mychaskiw, G.; Parent, A.D.; Zhang, J.H. Hyperbaric oxygenation prevented brain injury induced by hypoxia-ischemia in a neonatal rat model. Brain Res. 2002, 95, 1–8. [Google Scholar] [CrossRef]
- Calvert, J.W.; Zhang, J.H. Pathophysiology of an hypoxic-ischemic insult during the perinatal period. Neurol. Res. 2005, 27, 246–260. [Google Scholar] [CrossRef] [PubMed]
- Malykh, A.G.; Sadaie, M.R. Piracetam and piracetam-like drugs: From basic science to novel clinical applications to CNS disorders. Drugs 2010, 70, 287–312. [Google Scholar] [CrossRef] [PubMed]
- Belcastro, V.; Pierguidi, L.; Tambasco, N. Levetiracetam in brain ischemia: Clinical implications in neuroprotection and prevention of post-stroke epilepsy. Brain Dev. 2011, 33, 289–293. [Google Scholar] [CrossRef] [PubMed]
- Pressler, R.M.; Mangum, B. Newly emerging therapies for neonatal seizures. Semin. Fetal Neonatal Med. 2013, 18, 216–223. [Google Scholar] [CrossRef] [PubMed]
- Griesmaier, E.; Stock, K.; Medek, K.; Stanika, R.I.; Obermair, G.J.; Posod, A.; Wegleiter, K.; Urbanek, M.; Kiechl-Kohlendorfer, U. Levetiracetam increases neonatal hypoxic-ischemic brain injury under normothermic, but not hypothermic conditions. Brain Res. 2014, 1556, 10–18. [Google Scholar] [CrossRef] [PubMed]
- Zesiewicz, T.A.; Sullivan, K.L.; Maldonado, J.L.; Tatum, W.O.; Hauser, R.A. Open-label pilot study of levetiracetam (Keppra) for the treatment of levodopa-induced dyskinesias in Parkinson’s disease. Mov. Disord. 2005, 20, 1205–1209. [Google Scholar] [CrossRef] [PubMed]
- Striano, P.; Manganelli, F.; Boccella, P.; Perretti, A.; Striano, S. Levetiracetam in patients with cortical myoclonus: A clinical and electrophysiological study. Mov. Disord. 2005, 20, 1610–1614. [Google Scholar] [CrossRef] [PubMed]
- Sullivan, K.L.; Hauser, R.A.; Louis, E.D.; Chari, G.; Zesiewicz, T.A. Levetiracetam for the treatment of generalized dystonia. Parkinsonism Relat. Disord. 2005, 11, 469–471. [Google Scholar] [CrossRef] [PubMed]
- Post, R.M.; Altshuler, L.L.; Frye, M.A.; Suppes, T.; McElroy, S.L.; Keck, P.E., Jr.; Leverich, G.S.; Kupka, R.; Nolen, W.A.; Luckenbaugh, D.A.; et al. Preliminary observations on the effectiveness of levetiracetam in the open adjunctive treatment of refractory bipolar disorder. J. Clin. Psychiatry 2005, 66, 370–374. [Google Scholar] [CrossRef] [PubMed]
- Marini, H.; Costa, C.; Passaniti, M.; Esposito, M.; Campo, G.M.; Ientile, R.; Adamo, E.B.; Marini, R.; Calabresi, P.; Altavilla, D.; et al. Levetiracetam protects against kainic acid-induced toxicity. Life Sci. 2004, 74, 1253–1264. [Google Scholar] [CrossRef] [PubMed]
- Oliveira, A.A.; Almeida, J.P.; Freitas, R.M.; Nascimento, V.S.; Aguiar, L.M.; Júnior, H.V.; Fonseca, F.N.; Viana, G.S.; Sousa, F.C.; Fonteles, M.M. Effects of levetiracetam in lipid peroxidation level, nitrite-nitrate formation and antioxidant enzymatic activity in mice brain after pilocarpine-induced seizures. Cell. Mol. Neurobiol. 2007, 27, 395–406. [Google Scholar] [CrossRef] [PubMed]
- Ueda, Y.; Doi, T.; Takaki, M.; Nagatomo, K.; Nakajima, A.; Willmore, L.J. Levetiracetam enhances endogenous antioxidant in the hippocampus of rats: In vivo evaluation by brain microdialysis combined with ESR spectroscopy. Brain Res. 2009, 1266, 1–7. [Google Scholar] [CrossRef] [PubMed]
- Kilicdag, H.; Daglıoglu, K.; Erdogan, S.; Guzel, A.; Sencar, L.; Polat, S.; Zorludemir, S. The effect of levetiracetam on neuronal apoptosis in neonatal rat model of hypoxic ischemic brain injury. Early Hum. Dev. 2013, 89, 355–360. [Google Scholar] [CrossRef] [PubMed]
- Mruk, A.L.; Garlitz, K.L.; Leung, N.R. Levetiracetam in neonatal seizures: A review. J. Pediatr. Pharmacol. Ther. 2015, 20, 76–89. [Google Scholar] [PubMed]
- Akman, L.; Erbas, O.; Akdemir, A.; Yavasoglu, A.; Taskiran, D.; Kazandi, M. Levetiracetam ameliorates ovarian function in streptozotocin-induced diabetic rats. Gynecol. Endocrinol. 2015, 31, 657–662. [Google Scholar] [CrossRef] [PubMed]
- Oliveira, A.A.; Nogueira, C.R.; Nascimento, V.S.; Aguiar, L.M.; Freitas, R.M.; Sousa, F.C.; Viana, G.S.; Fonteles, M.M. Evaluation of levetiracetam effects on pilocarpine-induced seizures: Cholinergic muscarinic system involvement. Neurosci. Lett. 2005, 385, 184–188. [Google Scholar] [CrossRef] [PubMed]
- Ishii, M.; Kurachi, Y. Muscarinic acetylcholine receptors. Curr. Pharm. Des. 2006, 12, 3573–3581. [Google Scholar] [CrossRef] [PubMed]
- Liu, J.; Li, J.; Gu, M. The correlation between myocardial function and cerebral hemodynamics in term infants with hypoxic-ischemic encephalopathy. J. Trop. Pediatr. 2007, 53, 44–48. [Google Scholar] [CrossRef] [PubMed]
- Todd, K.G.; Jantzie, L.L.; Cheung, P.Y. Oxidative stress in neonatal hypoxic-ischemic encephalopathy. In Oxidative Stress and Free Radical Damage in Neurology; Gadoth, N., Göbel, H.H., Eds.; Humana Press: New York, NY, USA, 2011; pp. 47–63. [Google Scholar]
- Loiacono, G.; Masci, M.; Zaccara, G.; Verrotti, A. The treatment of neonatal seizures: Focus on Levetiracetam. J. Matern. Fetal Neonatal Med. 2016, 29, 69–74. [Google Scholar] [CrossRef] [PubMed]
- Genton, P.; Van Vleymen, B. Piracetam and levetiracetam: Close structural similarities but different pharmacological and clinical profiles. Epileptic Disord. 2000, 2, 99–105. [Google Scholar] [PubMed]
- Mandelbaum, D.E.; Bunch, M.; Kugler, S.L.; Venkatasubramanian, A.; Wollack, J.B. Efficacy of levetiracetam at 12 months in children classified by seizure type, cognitive status, and previous anticonvulsant drug use. J. Child Neurol. 2005, 20, 590–594. [Google Scholar] [CrossRef] [PubMed]
- Rice, J.E.; Vannucci, R.C.; Brierley, J.B. The influence of immaturity on hypoxic-ischemic brain damage in the rat. Ann. Neurol. 1981, 9, 131–141. [Google Scholar] [CrossRef] [PubMed]
- Yager, J.Y.; Ashwal, S. Animal models of perinatal hypoxic-ischemic brain damage. Pediatr. Neurol. 2009, 40, 156–167. [Google Scholar] [CrossRef] [PubMed]
- Büyükakilli, B.; Atici, A.; Özkan, A.; Balli, E.; Güneş, S.; Turhan, A.H.; Hallioglu, O.; Kanik, A. The effect of tumor necrosis factor-α inhibitor soon after hypoxia-ischemia on heart in neonatal rats. Life Sci. 2012, 90, 838–845. [Google Scholar] [CrossRef] [PubMed]
- Milei, J.; Ferreira, R.; Llesuy, S.; Forcada, P.; Covarrubias, J.; Boveris, A. Reduction of reperfusion injury with preoperative rapid intravenous infusion of taurine during myocardial revascularization. Am. Heart J. 1992, 123, 339–345. [Google Scholar] [CrossRef]
- Armstrong, K.; Franklin, O.; Sweetman, D.; Molloy, E.J. Cardiovascular dysfunction in infants with neonatal encephalopathy. Arch. Dis. Child. 2012, 97, 372–375. [Google Scholar] [CrossRef] [PubMed]
- Hochwald, O.; Jabr, M.; Osiovich, H.; Miller, S.P.; McNamara, P.J.; Lavoie, P.M. Preferential cephalic redistribution of left ventricular cardiac output during therapeutic hypothermia for perinatal hypoxic-ischemic encephalopathy. J. Pediatr. 2014, 164, 999–1004. [Google Scholar] [CrossRef] [PubMed]
- Caparrotta, L.; Poja, R.; Ragazzi, E.; Froldi, G.; Pandolfo, L.; Prosdocimi, M.; Fassina, G. Atrial bioenergetic variations in moderate hypoxia: Danger or protective defense? Basic Res. Cardiol. 1989, 84, 449–460. [Google Scholar] [CrossRef] [PubMed]
- Van Bel, F.; Walther, F.J. Myocardial dysfunction and cerebral blood flow velocity following birth asphyxia. Acta Paediatr. Scand. 1990, 79, 756–762. [Google Scholar] [PubMed]
- Powell, S.R.; Mantell, L.L.; Garramone, V.; Drexler, S.; Teichberg, S. Acute effects of nonlethal in utero hypoxia on fetal guinea pig heart and lack of persistent cardiac or cerebral effects in the neonate. Biol. Neonate 2004, 86, 240–246. [Google Scholar] [CrossRef] [PubMed]
- Rajakumar, P.S.; Bhat, B.V.; Sridhar, M.G.; Balachander, J.; Konar, B.C.; Narayanan, P.; Chetan, G. Cardiac enzyme levels in myocardial dysfunction in newborns with perinatal asphyxia. Indian J. Pediatr. 2008, 75, 1223–1225. [Google Scholar] [CrossRef] [PubMed]
- Yeung, H.M.; Hung, M.W.; Fung, M.L. Melatonin ameliorates calcium homeostasis in myocardial and ischemia-reperfusion injury in chronically hypoxic rats. J. Pineal Res. 2008, 45, 373–382. [Google Scholar] [CrossRef] [PubMed]
- Kanik, E.; Ozer, E.A.; Bakiler, A.R.; Aydinlioglu, H.; Dorak, C.; Dogrusoz, B.; Kanik, A.; Yaprak, I. Assessment of myocardial dysfunction in neonates with hypoxic-ischemic encephalopathy: Is it a significant predictor of mortality? J. Matern. Fetal Neonatal Med. 2009, 22, 239–242. [Google Scholar] [CrossRef] [PubMed]
- Hauton, D.; Ousley, V. Prenatal hypoxia induces increased cardiac contractility on a background of decreased capillary density. BMC Cardiovasc. Disord. 2009, 9, 1. [Google Scholar] [CrossRef] [PubMed]
- Fearnley, C.J.; Roderick, H.L.; Bootman, M.D. Calcium signaling in cardiac myocytes. Cold Spring Harb. Perspect. Biol. 2011, 3, a004242. [Google Scholar] [CrossRef] [PubMed]
- Marks, A.R. Calcium cycling proteins and heart failure: Mechanisms and therapeutics. J. Clin. Investig. 2013, 123, 46–52. [Google Scholar] [CrossRef] [PubMed]
- Rizzuto, R.; De Stefani, D.; Raffaello, A.; Mammucari, C. Mitochondria as sensors and regulators of calcium signalling. Nat. Rev. Mol. Cell Biol. 2012, 13, 566–578. [Google Scholar] [CrossRef] [PubMed]
- Wallace, D.C. Mitochondrial defects in cardiomyopathy and neuromuscular disease. Am. Heart J. 2000, 139, S70–S85. [Google Scholar] [CrossRef] [PubMed]
- Cardoso, A.R.; Queliconi, B.B.; Kowaltowski, A.J. Mitochondrial ion transport pathways: Role in metabolic diseases. Biochim. Biophys. Acta 2010, 1797, 832–838. [Google Scholar] [CrossRef] [PubMed]
- Lu, F.C. Basic Toxicology: Fundamentals, Target Organ, and Risk Assessment, 3rd ed.; Taylor & Francis: Washington, DC, USA, 1996. [Google Scholar]
- Bootman, M.D.; Higazi, D.R.; Coombes, S.; Roderick, H.L. Calcium signalling during excitation-contraction coupling in mammalian atrial myocytes. J. Cell Sci. 2006, 119, 3915–3925. [Google Scholar] [CrossRef] [PubMed]
- Ibrahim, M.; Gorelik, J.; Yacoub, M.H.; Terracciano, C.M. The structure and function of cardiac t-tubules in health and disease. Proc. Biol. Sci. 2011, 278, 2714–2723. [Google Scholar] [CrossRef] [PubMed]
- Lyseng-Williamson, K.A. Levetiracetam: A review of its use in epilepsy. Drugs 2011, 71, 489–514. [Google Scholar] [PubMed]
- Deshpande, L.S.; DeLorenzo, R.J. Mechanisms of levetiracetam in the control of status epilepticus and epilepsy. Front. Neurol. 2014, 5, 11. [Google Scholar] [CrossRef] [PubMed]
- Dhein, S.; van Koppen, C.J.; Brodde, O.E. Muscarinic receptors in the mammalian heart. Pharmacol. Res. 2001, 44, 161–182. [Google Scholar] [CrossRef] [PubMed]
- Sharma, V.K.; Colecraft, H.M.; Wang, D.X.; Levey, A.I.; Grigorenko, E.V.; Yeh, H.H.; Sheu, S.S. Molecular and functional identification of m1 muscarinic acetylcholine receptors in rat ventricular myocytes. Circ. Res. 1996, 79, 86–93. [Google Scholar] [CrossRef] [PubMed]
- Sharma, V.K.; Colecraft, H.M.; Rubin, L.E.; Sheu, S.S. Does mammalian heart contain only the M2 muscarinic receptor subtype? Life Sci. 1997, 60, 1023–1029. [Google Scholar] [CrossRef]
- Colecraft, H.M.; Egamino, J.P.; Sharma, V.K.; Sheu, S.S. Signaling mechanisms underlying muscarinic receptor-mediated increase in contraction rate in cultured heart cells. J. Biol. Chem. 1998, 273, 32158–32166. [Google Scholar] [CrossRef] [PubMed][Green Version]
- Brodde, O.E.; Michel, M.C. Adrenergic and muscarinic receptors in the human heart. Pharmacol. Rev. 1999, 51, 651–690. [Google Scholar] [PubMed]
- Wang, Z.; Shi, H.; Wang, H. Functional M3 muscarinic acetylcholine receptors in mammalian hearts. Br. J. Pharmacol. 2004, 142, 395–408. [Google Scholar] [CrossRef] [PubMed]
- Hussain, R.I.; Qvigstad, E.; Birkeland, J.A.; Eikemo, H.; Glende, A.; Sjaastad, I.; Skomedal, T.; Osnes, J.B.; Levy, F.O.; Krobert, K.A. Activation of muscarinic receptors elicits inotropic responses in ventricular muscle from rats with heart failure through myosin light chain phosphorylation. Br. J. Pharmacol. 2009, 156, 575–586. [Google Scholar] [CrossRef] [PubMed]
- Huang, C.W.; Tsai, J.J.; Huang, C.C.; Wu, S.N. Experimental and simulation studies on the mechanisms of levetiracetam-mediated inhibition of delayed-rectifier potassium current (KV3.1): Contribution to the firing of action potentials. J. Physiol. Pharmacol. 2009, 60, 37–47. [Google Scholar] [PubMed]
- Coetzee, W.A.; Amarillo, Y.; Chiu, J.; Chow, A.; Lau, D.; McCormack, T.; Moreno, H.; Nadal, M.S.; Ozaita, A.; Pountney, D.; et al. Molecular diversity of K+ channels. Ann. N. Y. Acad. Sci. 1999, 868, 233–285. [Google Scholar] [CrossRef] [PubMed]
- Nattel, S. Delayed-rectifier potassium currents and the control of cardiac repolarization: Noble and Tsien 40 years after. J. Physiol. 2008, 586, 5849–5852. [Google Scholar] [CrossRef] [PubMed]
- Fu, Y.C.; Zhang, Y.; Tian, L.Y.; Li, N.; Chen, X.; Cai, Z.Q.; Zhu, C.; Li, Y. Effects of allocryptopine on outward potassium current and slow delayed rectifier potassium current in rabbit myocardium. J. Geriatr. Cardiol. 2016, 13, 316–325. [Google Scholar] [PubMed]
- Veerman, C.C.; Verkerk, A.O.; Blom, M.T.; Klemens, C.A.; Langendijk, P.N.; van Ginneken, A.C.; Wilders, R.; Tan, H.L. Slow delayed rectifier potassium current blockade contributes importantly to drug-induced long QT syndrome. Circ. Arrhythm. Electrophysiol. 2013, 6, 1002–1009. [Google Scholar] [CrossRef] [PubMed]
- Yasuda, C.; Yasuda, S.; Yamashita, H.; Okada, J.; Hisada, T.; Sugiura, S. The human ether-a-go-go-related gene (hERG) current inhibition selectively prolongs action potential of midmyocardial cells to augment transmural dispersion. J. Physiol. Pharmacol. 2015, 66, 599–607. [Google Scholar] [PubMed]
- Issa, N.P.; Fisher, W.G.; Narayanan, J.T. QT interval prolongation in a patient with LQT2 on levetiracetam. Seizure 2015, 29, 134–136. [Google Scholar] [CrossRef] [PubMed]
- Seed, W.A.; Noble, M.I.; Oldershaw, P.; Wanless, R.B.; Drake-Holland, A.J.; Redwood, D.; Pugh, S.; Mills, C. Relation of human cardiac action potential duration to the interval between beats: Implications for the validity of rate corrected QT interval (QTc). Br. Heart J. 1987, 57, 32–37. [Google Scholar] [CrossRef] [PubMed]




| Parameters | Control (n = 7) | Saline (n = 13) | LEV100 (n = 11) | LEV200 (n = 9) |
|---|---|---|---|---|
| Body Weight (BW; g) | 262 (11) | 240 (19) a‡ | 238 (18) a‡ | 248 (10) |
| Heart Weight (HW; g) | 0.98 (0.04) | 0.88 (0.10) a‡ | 0.92 (0.07) | 0.93 (0.09) |
| HW/BW ratio (mg/g) | 3.73 (0.06) | 3.67 (0.25) | 3.85 (0.13) | 3.76 (0.41) |
| Parameters | Control (n = 7) | Saline (n = 13) | LEV100 (n = 11) | LEV200 (n = 9) |
|---|---|---|---|---|
| Atrial contractile force (g) | 0.334 (0.115) | 0.351 (0.094) | 0.350 (0.072) | 0.308 (0.108) |
| Trial contractile duration (ms) | 0.153 (0.034) | 0.151 (0.020) | 0.203 (0.029) a†,b† | 0.168 (0.023) c‡ |
| Ventricular contractile force (g) | 2.75 (1.11) | 1.34 (0.47) a† | 1.96 (0.85) | 1.08 (0.19) a†,c‡ |
| Ventricular contractile duration (ms) | 0.244 (0.043) | 0.282 (0.078) | 0.507 (0.157) a†,b† | 0.647 (0.166) a*,b* |
© 2018 by the authors. Licensee MDPI, Basel, Switzerland. This article is an open access article distributed under the terms and conditions of the Creative Commons Attribution (CC BY) license (http://creativecommons.org/licenses/by/4.0/).
Share and Cite
Gurgul, S.; Buyukakilli, B.; Komur, M.; Okuyaz, C.; Balli, E.; Ozcan, T. Does Levetiracetam Administration Prevent Cardiac Damage in Adulthood Rats Following Neonatal Hypoxia/Ischemia-Induced Brain Injury? Medicina 2018, 54, 12. https://doi.org/10.3390/medicina54020012
Gurgul S, Buyukakilli B, Komur M, Okuyaz C, Balli E, Ozcan T. Does Levetiracetam Administration Prevent Cardiac Damage in Adulthood Rats Following Neonatal Hypoxia/Ischemia-Induced Brain Injury? Medicina. 2018; 54(2):12. https://doi.org/10.3390/medicina54020012
Chicago/Turabian StyleGurgul, Serkan, Belgin Buyukakilli, Mustafa Komur, Cetin Okuyaz, Ebru Balli, and Tuba Ozcan. 2018. "Does Levetiracetam Administration Prevent Cardiac Damage in Adulthood Rats Following Neonatal Hypoxia/Ischemia-Induced Brain Injury?" Medicina 54, no. 2: 12. https://doi.org/10.3390/medicina54020012
APA StyleGurgul, S., Buyukakilli, B., Komur, M., Okuyaz, C., Balli, E., & Ozcan, T. (2018). Does Levetiracetam Administration Prevent Cardiac Damage in Adulthood Rats Following Neonatal Hypoxia/Ischemia-Induced Brain Injury? Medicina, 54(2), 12. https://doi.org/10.3390/medicina54020012

