Variable Speed Diesel Generators: Performance and Characteristic Comparison
Abstract
1. Introduction
2. Diesel Generator Characteristics Associated with Low Load Operation
3. Overview of Variable Speed Diesel Generator
3.1. Electrical Approach to VSDG
3.2. Mechanical Approach to VSDG
4. Technical and Economic Aspects of VSDG
- Better fuel efficiency (based on load characteristic);
- Engine lifetime augmentation;
- Increase the time between every engine overhaul.
5. Overview of Diesel Engine Operation Characteristics and Performances
5.1. Load Characteristics
- Increase the generator’s winding temperature;
- Increase generator’s tripping risk;
- Increased DG maintenance fee;
- Incomplete fuel burn and more air pollution.
5.2. Fuel Consumption
5.3. GHG Emissions
6. Variable Speed Diesel Generator Technologies
6.1. Diesel-Driven Double-Fed Induction Generator
6.2. Diesel-Driven Wound-Rotor Induction Generator
6.3. Diesel-Driven Permanent Magnet Synchronous Generator
6.4. Engine Generator Application with Super Capacitor
6.5. Rotating-Stator Mode for Diesel Generator
6.6. Continuously Variable Transmission (CVT)
7. Performance Criteria for DGs
7.1. Rate of Adaptation in the Power System
7.2. Diesel Capacity and Available Power
- Annual Load Fluctuation (daily and seasonal graph);
- Annual Load Growth;
- Incorporation of Diesel Constraint.
7.3. Efficiency
7.4. Durability
7.5. GENSET Criteria
- Emergency Standby Power;
- Prime Rated Power;
- Limited-Time Power;
- Continuous Operating Power.
7.6. Monitoring and Control System
7.7. Fuel Cost
7.8. Output Power
7.9. Other Aspects
- Timely repair or upgrade components;
- Scheduled water and oil check;
- Periodical service (oil-changing fuel, oil and air filter changing);
- Battery inspection;
- Generator inspection and connections cleaning;
- Genset control panel and indicators;
- Biweekly engine start (backup applications) [120];
- Verify exhaust and input air.
8. Comparison of Different Variable Speed Generators’ Techniques
8.1. Performance Comparison of VSDG into Power System
8.2. Comparison of Fuel-Saving
9. Overall Comparisons of VSDG
9.1. Grid-Connected Applications (Regulate Frequency Variation or to Meet Peak Leveling Period)
9.2. Islanded Mode Operation with Long Low Load Operation
9.3. Fast Load Oscillation
9.4. Integration in a Hybrid System (Penetration of VSDG in Renewable Energy Applications)
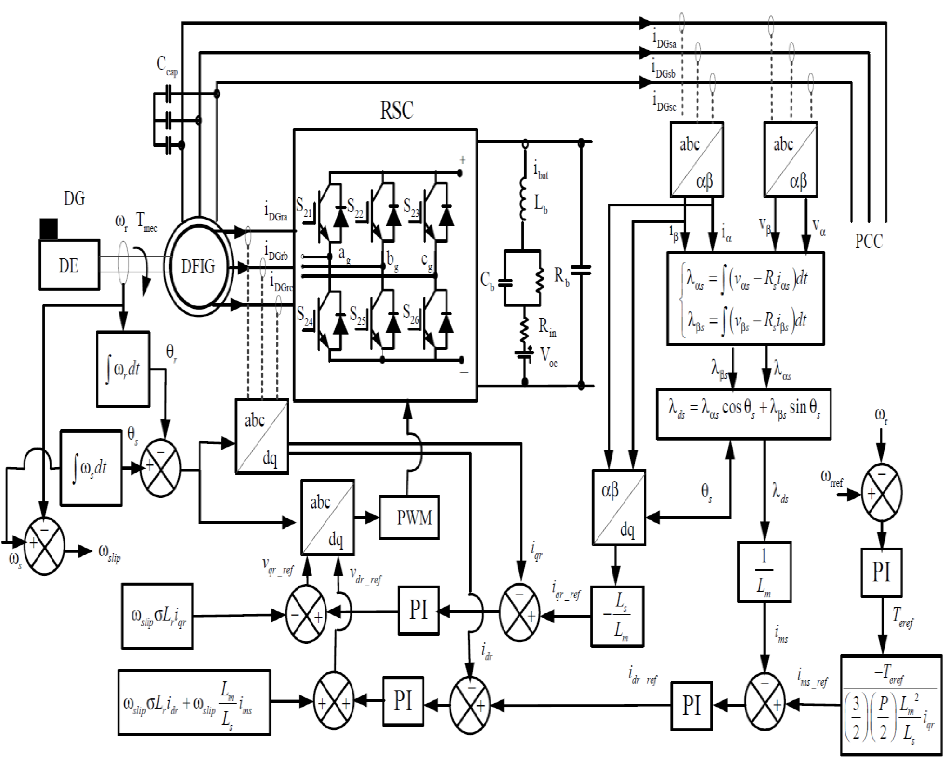
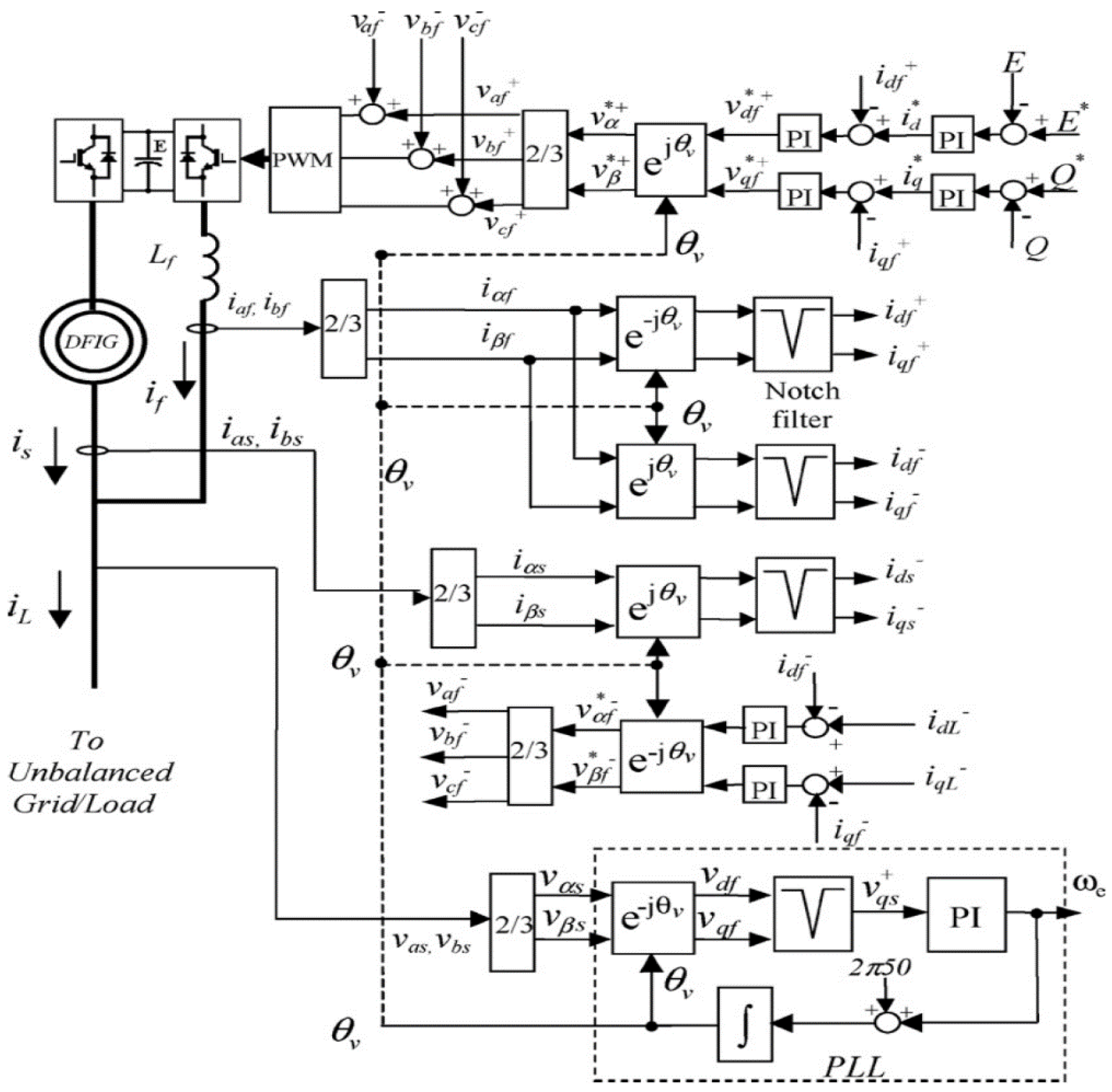
10. Case Study of DE-Driven Variable Speed Doubly-Fed Induction Generator
10.1. Control of the Rotor Side Converter (RSC)
10.2. Control of the Stator Side Converter
11. Results and Discussion
12. Conclusions
Author Contributions
Funding
Institutional Review Board Statement
Informed Consent Statement
Data Availability Statement
Conflicts of Interest
Nomenclature
| Acronyms | |
| AC | Alternating Current |
| AVR | Automatic Voltage Regulator |
| BSFC | Brake-Specific Fuel Consumption |
| BTU | British Thermal Unit |
| CM | Compensator Motor |
| CO | Carbon Monoxide |
| CVT | Continuously Variable Transmission |
| DC | Direct Current |
| DE | Diesel Engine |
| DFIG | Doubly-Fed Induction Generator |
| DG | Diesel Generator, the combination of a Diesel Engine with a Power Generator |
| DQ | Direct Quadrature |
| DSM | Demand Side Management |
| DTC | Direct Torque Control |
| FOC | Field Oriented Control |
| FSDG | Fixed Speed Diesel Generator |
| GC | Grid-Connected |
| GENSET | Diesel Generator, the combination of a Diesel Engine with a Power Generator |
| GHG | Greenhouse Gases |
| ICE | Internal Combustion Engine |
| ISO | International Organization for Standardization |
| NOX | Nitrogen Oxides |
| O&M | Operation and Maintenance |
| OG | Off-Grid |
| PCC | Point of Common Coupling |
| PMSG | Permanent Magnet Synchronous Generator |
| PWM | Pulse Width Modulation |
| RIC | Reciprocating Internal Combustion |
| RPM | Revolutions Per Minute |
| RSC | Rotor Side Converter |
| RSDG | Rotating-Stator Diesel Generator |
| SC | Super Capacitor |
| SCDG | Super-Capacitor Diesel Generator |
| SFC | Specific Fuel Consumption |
| SMC | Sliding Mode Control |
| SOC | State of Charge |
| SSC | Stator Side Converter |
| SSM | Supply Side Management |
| THD | Total Harmonic Distortion |
| VSDG | Variable Speed Diesel Generator |
| WRIG | Wound-Rotor Induction Generator |
References
- Chen, Z.; Hu, Y. A hybrid generation system using variable speed wind turbines and diesel units. In Proceedings of the IECON’03, 29th Annual Conference of the IEEE Industrial Electronics Society (IEEE Cat. No.03CH37468), Roanoke, VA, USA, 2–6 November 2003; Volume 3, pp. 2729–2734. [Google Scholar]
- Fayad, M.A.; Al-Salihi, H.A.; Dhahad, H.A.; Mohammed, F.M.; Al-Ogidi, B.R. Effect of post-injection and alternative fuels on combustion, emissions and soot nanoparticles characteristics in a common-rail direct injection diesel engine. Energy Sources Part A: Recover. Util. Environ. Eff. 2021, 3, 1–15. [Google Scholar] [CrossRef]
- Fayad, M.A.; Dhahad, H.A. Effects of adding aluminum oxide nanoparticles to butanol-diesel blends on performance, particulate matter, and emission characteristics of diesel engine. Fuel 2021, 286, 119363. [Google Scholar] [CrossRef]
- Mohankumar, S.; Senthilkumar, P. Particulate matter formation and its control methodologies for diesel engine: A comprehensive review. Renew. Sustain. Energy Rev. 2017, 80, 1227–1238. [Google Scholar] [CrossRef]
- Al-suod, M.; Alexander, U.; Olga, D. Optimization of the structure of diesel-generator units of ship power system. Int. J. Adv. Comput. Res. 2015, 5, 2249–7277. [Google Scholar]
- Khatib, T.; Mohamed, A.; Sopian, K.; Mahmoud, M. Optimal Sizing of the Energy Sources in Hybrid PV/Diesel Systems: A Case Study for Malaysia. Int. J. Green Energy 2013, 10, 41–52. [Google Scholar] [CrossRef]
- Rahman, S.A.; Masjuki, H.; Kalam, M.; Abedin, M.; Sanjid, A.; Imtenan, S. Effect of idling on fuel consumption and emissions of a diesel engine fueled by Jatropha biodiesel blends. J. Clean. Prod. 2014, 69, 208–215. [Google Scholar] [CrossRef]
- Waris, T.; Nayar, C. Variable speed constant frequency diesel power conversion system using doubly fed induction generator (DFIG). In Proceedings of the 2008 IEEE Power Electronics Specialists Conference, Rhodes, Greece, 15–19 June 2008; pp. 2728–2734. [Google Scholar]
- Devine, M. Gas vs. Diesel Generator Sets–Performance Cost & Application Differences; Electric Power Gas Product/Marketing Manager; Caterpillar Inc.: Peoria, IL, USA, 2019; p. 77. [Google Scholar]
- Hamilton, J.; Negnevitsky, M.; Wang, X. The potential of variable speed diesel application in increasing renewable energy source penetration. Energy Procedia 2019, 160, 558–565. [Google Scholar] [CrossRef]
- Zhang, Y.; Li, S.; Lu, G.; Zhou, Y. A fuzzy self-tuning PID control system of adjustable speed diesel generator. In Proceedings of the 2012 International Conference on Systems and Informatics (ICSAI2012), Yantai, China, 19–20 May 2012; pp. 619–622. [Google Scholar]
- Hamilton, J.; Negnevitsky, M.; Wang, X. Low load diesel perceptions and practices within remote area power systems. In Proceedings of the 2015 International Symposium on Smart Electric Distribution Systems and Technologies (EDST), Vienna, Austria, 8–11 September 2015; pp. 121–126. [Google Scholar]
- Benton, K. A Life Cycle Assessment of a Diesel Generator Set. Ph.D. Thesis, Montana Technological University, Butte, MT, USA, 2016. [Google Scholar]
- Wang, D.H.; Nayar, C.V.; Wang, C. Modeling of stand-alone variable speed diesel generator using doubly-fed induction generator. In Proceedings of the the 2nd International Symposium on Power Electronics for Distributed Generation Systems, Hefei, China, 16–18 June 2010; pp. 1–6. [Google Scholar]
- Lawan, M.; Camara, M.; Raharijaona, J.; Dakyo, B. Wind turbine and Batteries with Variable Speed Diesel Generator for Micro-grid Applications. In Proceedings of the 2018 7th International Conference on Renewable Energy Research and Applications (ICRERA), Paris, France, 14–17 October 2018; pp. 897–901. [Google Scholar]
- Zhou, Y.; Liu, Q.; Wang, M.; Zhang, C. Design of the control circuit used in variable speed diesel generator set. In Proceedings of the 2015 IEEE Advanced Information Technology, Electronic and Automation Control Conference (IAEAC), Chongqing, China, 19–20 December 2015; pp. 676–680. [Google Scholar]
- Zhou, Y.; Wu, H.; Gao, J. Design of Inverter Used in Adjustable Speed Diesel Generating Set. In Proceedings of the 2019 International Conference on Sensing, Diagnostics, Prognostics, and Control (SDPC), Beijing, China, 15–17 August 2019; pp. 360–365. [Google Scholar]
- Zhou, Z.; Camara, M.B.; Dakyo, B. Coordinated Power Control of Variable-Speed Diesel Generators and Lithium-Battery on a Hybrid Electric Boat. IEEE Trans. Veh. Technol. 2016, 66, 5775–5784. [Google Scholar] [CrossRef]
- Kimura, M.; Koharagi, H.; Imaie, K.; Dodo, S.; Arita, H.; Tsubouchi, K. A permanent magnet synchronous generator with variable speed input for co-generation system. In Proceedings of the 2001 IEEE Power Engineering Society Winter Meeting, Conference Proceedings (Cat. No.01CH37194), Columbus, OH, USA, 28 January–1 February 2001; Volume 3, pp. 1419–1424. [Google Scholar]
- Lee, J.-H.; Lee, S.-H.; Sul, S.-K. Variable-Speed Engine Generator With Supercapacitor: Isolated Power Generation System and Fuel Efficiency. IEEE Trans. Ind. Appl. 2009, 45, 2130–2135. [Google Scholar] [CrossRef]
- Pena, R.; Clare, J.; Asher, G. A doubly fed induction generator using back-to-back PWM converters supplying an isolated load from a variable speed wind turbine. IEE Proc.-Electr. Power Appl. 1996, 143, 380–387. [Google Scholar] [CrossRef]
- Issa, M.; Ibrahim, H.; Hosni, H.; Ilinca, A.; Rezkallah, M. Effects of Low Charge and Environmental Conditions on Diesel Generators Operation. Eng 2020, 1, 137–152. [Google Scholar] [CrossRef]
- Issa, M.; Fiset, J.; Ibrahim, H.; Ilinca, A. Eco-Friendly Selection of Diesel Generator Based on Genset-Synchro Technology for Off-Grid Remote Area Application in the North of Quebec. Energy Power Eng. 2019, 11, 232–247. [Google Scholar] [CrossRef]
- Gosala, D.B.; Allen, C.M.; Ramesh, A.K.; Shaver, G.M.; McCarthy, J.; Stretch, D.; Koeberlein, E.; Farrell, L. Cylinder deactivation during dynamic diesel engine operation. Int. J. Engine Res. 2017, 18, 991–1004. [Google Scholar] [CrossRef]
- Iglesias, I.; Garcia-Tabares, L.; Agudo, A.; Cruz, I.; Arribas, L. Design and simulation of a standalone wind-diesel generator with a flywheel energy storage system to supply the required active and reactive power. In Proceedings of the 2000 IEEE 31st Annual Power Electronics Specialists Conference. Conference Proceedings (Cat. No.00CH37018), Galway, Ireland, 23–23 June 2000; Volume 3, pp. 1381–1386. [Google Scholar]
- Sebastian, R.; Pena-Alzola, R.; Quesada, J. Simulation of a wind diesel power system with flywheel energy storage. In Proceedings of the 2017 IEEE 26th International Symposium on Industrial Electronics (ISIE), Edinburgh, UK, 19–21 June 2017; pp. 2115–2120. [Google Scholar]
- Singh, M.; Gandhi, S.K.; Mahla, S.K.; Sandhu, S.S. Experimental investigations on performance and emission characteristics of variable speed multi-cylinder compression ignition engine using Diesel/Argemone biodiesel blends. Energy Explor. Exploit. 2017, 36, 535–555. [Google Scholar] [CrossRef]
- Asif MR, Iqbal MT. Diesel consumption in a high penetration remote hybrid power system with a pumped hydro and battery storage. In Proceedings of the 2013 IEEE Electrical Power & Energy Conference, Halifax, NS, Canada, 21 August 2013; pp. 1–6.
- Rogers, A.L. Variable Speed Diesel Power Generation Design Issues; University of Massachusetts Amherst: Amherst, MA, USA, 2019. [Google Scholar]
- Kurka, O.; Leuchter, J. New Generation of Mobile Electrical Power Sources. In Proceedings of the International Conference on Electrical Machines (ICEM), Helsinki, Finland, 28–30 August 2000; pp. 1366–1369. [Google Scholar]
- Shirneshan, A.; Almassi, M.; Ghobadian, B.; Borghei, A.M.; Najafi, G. Brake Specific Fuel Consumption of Diesel Engine by Using Biodiesel from Waste Cooking Oil. World Sci. J. 2013, 1, 45–52. [Google Scholar]
- Greig, M.; Wang, J. Fuel consumption minimization of variable-speed wound rotor diesel generators. In Proceedings of the IECON 2017-43rd Annual Conference of the IEEE Industrial Electronics Society, Beijing, China, 29 October–1 November 2017; pp. 8572–8577. [Google Scholar]
- Barakat, A.; Tnani, S.; Champenois, G.; Mouni, E. Analysis of synchronous machine modeling for simulation and industrial applications. Simul. Model. Pr. Theory 2010, 18, 1382–1396. [Google Scholar] [CrossRef]
- Brown, N.; Haydock, L. Full integration of an axial flux machine for reciprocating engine variable speed generating sets. In Proceedings of the IEE Seminar on Axial Airgap Machines (Ref. No. 2001/157), Birmingham, UK, 2 May 2001. [Google Scholar]
- Blumberg, K.O.; Walsh, M.P.; Pera, C. Low-Sulfur Gasoline & Diesel: The Key to Lower Vehicle Emissions. Available online: https://theicct.org/sites/default/files/Low-Sulfur_Exec_Summ_ICCT_2003.pdf (accessed on 24 April 2003).
- Lox, E.S.; Engler, B.H.; Koberstein, E. Diesel Emission Control. In Studies in Surface Science and Catalysis; Crucq, A., Ed.; Elsevier: Amsterdam, The Netherlands, 1991; pp. 291–321. [Google Scholar]
- Sakamoto, O. An example of a diesel generator model with fluctuating engine torque for transient analysis using XTAP. ICEE 2016, 6, 31–35. [Google Scholar] [CrossRef][Green Version]
- Hussain, H.M.; Javaid, N.; Iqbal, S.; Hasan, Q.U.; Aurangzeb, K.; Alhussein, M. An Efficient Demand Side Management System with a New Optimized Home Energy Management Controller in Smart Grid. Energies 2018, 11, 190. [Google Scholar] [CrossRef]
- Li, D.; Chiu, W.Y.; Sun, H. Demand Side Management in Microgrid Control Systems. Microgrid; Butterworth-Heinemann: Boston, MA, USA, 2017; pp. 203–230. [Google Scholar]
- Kumar, B.A.; Chandrasekar, M.; Chelliah, T.R.; Ramesh, U. Fuel Minimization in Diesel-Electric Tugboat Considering Flywheel Energy Storage System. In Proceedings of the 2018 IEEE Transportation Electrification Conference and Expo, Asia-Pacific (ITEC Asia-Pacific), Bangkok, Thailand, 6–9 June 2018; pp. 1–5. [Google Scholar]
- Rao, K.S.; Chauhan, P.J.; Panda, S.K.; Wilson, G.; Liu, X.; Gupta, A.K. Optimal scheduling of diesel generators in offshore support vessels to minimize fuel consumption. In Proceedings of the IECON 2015-41st Annual Conference of the IEEE Industrial Electronics Society, Yokohama, Japan, 9–12 November 2015; pp. 004726–004731. [Google Scholar]
- Wong, P.K.; Tam, L.M.; Li, K.; Vong, C.M. Engine idle-speed system modelling and control optimization using artificial intelligence. Proc. Inst. Mech. Eng. Part D J. Automob. Eng. 2009, 224, 55–72. [Google Scholar] [CrossRef]
- Espadafor, F.J.; Villanueva, J.A.B.; García, M.T. Analysis of a diesel generator crankshaft failure. Eng. Fail. Anal. 2009, 16, 2333–2341. [Google Scholar] [CrossRef]
- Dengler, P.; Geimer, M.; Zahoransky, R. Potential of Reduced Fuel Consumption of Diesel-Electric APUs at Variable Speed in Mobile Applications; SAE Technical Paper: Warrendale, PA, USA, 2011. [Google Scholar]
- Bram, R.; Johan, D.; Jan, C. Variable speed genset with full rated power converter using readily available industrial products. In Proceedings of the 2014 16th European Conference on Power Electronics and Applications, Lappeenranta, Finland, 26–28 August 2014; pp. 1–7. [Google Scholar]
- Iwanski, G.; Bigorajski, Ł.; Koczara, W. Speed control with incremental algorithm of minimum fuel consumption tracking for variable speed diesel generator. Energy Convers. Manag. 2018, 161, 182–192. [Google Scholar] [CrossRef]
- Patz, J.A.; Campbell-Lendrum, D.; Holloway, T.; Foley, J.A. Impact of regional climate change on human health. Nature 2005, 438, 310–317. [Google Scholar] [CrossRef] [PubMed]
- Wong, K.I.; Wong, P.K.; Cheung, C.S. Modelling and Prediction of Diesel Engine Performance using Relevance Vector Machine. Int. J. Green Energy 2014, 12, 265–271. [Google Scholar] [CrossRef]
- Canakci, M.; Erdil, A.; Arcaklioğlu, E. Performance and exhaust emissions of a biodiesel engine. Appl. Energy 2006, 83, 594–605. [Google Scholar] [CrossRef]
- De Morais, A.M.; De Morais Hanriot, S.; De Oliveira, A.; Justino, M.A.M.; Valente, O.S.; Sodre, J.R. An assessment of fuel consumption and emissions from a diesel power generator converted to operate with ethanol. Sustainable Energy Technol. Assess. 2019, 35, 291–297. [Google Scholar] [CrossRef]
- Bergqvist, R.; Turesson, M.; Weddmark, A. Sulphur emission control areas and transport strategies -the case of Sweden and the forest industry. Eur. Transp. Res. Rev. 2015, 7, 1–15. [Google Scholar] [CrossRef]
- Reducing Greenhouse Gas Emissions from US Transportation. Available online: https://rosap.ntl.bts.gov/view/dot/23588#tabs-2 (accessed on 1 January 2010).
- Issa, M.; Ibrahim, H.; Ilinca, A.; Hayyani, M.Y. A Review and Economic Analysis of Different Emission Reduction Techniques for Marine Diesel Engines. Open J. Mar. Sci. 2019, 09, 148–171. [Google Scholar] [CrossRef]
- Ruman, M.A.; Potratz, D.R. Cylinder-Specific Spark Ignition Control System for Direct Fuel Injected Two-Stroke Engine. U.S. Patent 5,924,404, 20 July 1999. [Google Scholar]
- Benhamed, S.; Ibrahim, H.; Belmokhtar, K.; Hosni, H.; Ilinca, A.; Rousse, D.; Chandra, A.; Ramdenee, D. Dynamic modeling of diesel generator based on electrical and mechanical aspects. In Proceedings of the 2016 IEEE Electrical Power and Energy Conference (EPEC), Ottawa, ON, Canada, 12–14 October 2016; pp. 1–6. [Google Scholar] [CrossRef]
- Maritz, J. Optimized Energy Management Strategies for Campus Hybrid PV–Diesel Systems during Utility Load Shedding Events. Process 2019, 7, 430. [Google Scholar] [CrossRef]
- Nayar, C. Remote area micro-grid system using diesel driven doubly fed induction generators, photovoltaics and wind generators. In Proceedings of the 2008 IEEE International Conference on Sustainable Energy Technologies, Singapore, 24–27 November 2008; pp. 1081–1086. [Google Scholar]
- Daido, T.; Ise, T.; Miura, Y.; Sato, Y. Transient characteristics for load changes of a doubly-fed induction generator applied to gas engine cogeneration system in stand-alone operation. In Proceedings of the 2012 IEEE Energy Conversion Congress and Exposition (ECCE), Raleigh, USA, 15–20 September 2012; pp. 2358–2365. [Google Scholar]
- Forchetti, D.; Garcia, G.; Valla, M. Vector control strategy for a doubly-fed stand-alone induction generator. In Proceedings of the IEEE 2002 28th Annual Conference of the Industrial Electronics Society, IECON 02, Seville, Spain, 5–8 November 2003; pp. 991–995. [Google Scholar]
- Pena, R.; Cardenas, R.; Proboste, J.; Clare, J.; Asher, G.M. A hybrid topology for a variable speed wind-diesel generation system using wound rotor induction machines. In Proceedings of the 31st Annual Conference of IEEE Industrial Electronics Society, IECON 2005, Raleigh, NC, USA, 6–10 November 2005; p. 6. [Google Scholar]
- Chaudhury, A.B.R. A novel sensor-less position and speed estimation scheme for wound rotor induction machine. In Proceedings of the 2011 International Conference on Emerging Trends in Electrical and Computer Technology, Nagercoil, India, 23–24 March 2011; pp. 380–385. [Google Scholar]
- Forchetti, D.; Solsona, J.; Garcia, G.; Valla, M. A control strategy for stand-alone wound rotor induction machine. Electr. Power Syst. Res. 2007, 77, 163–169. [Google Scholar] [CrossRef]
- Masoum, M.A.S.; Fuchs, E.F. Chapter 8-Impact of Poor Power Quality on Reliability, Relaying and Security. In Power Quality in Power Systems and Electrical Machines, 2nd ed.; Masoum, M.A.S., Fuchs, E.F., Eds.; Academic Press: Boston, CA, USA, 2015; pp. 681–778. [Google Scholar]
- Kawabata, Y.; Morine, Y.; Oka, T.; Ejiogu, E.C.; Kawabata, T. New standalone power generating system using wound-rotor induction machine. In Proceedings of the 4th IEEE International Conference on Power Electronics and Drive Systems, IEEE PEDS 2001-Indonesia. Proceedings (Cat. No.01TH8594), Denpasar, Indonesia, 25–25 October 2001; pp. 335–341. [Google Scholar]
- Kawabata, Y.; Oka, T.; Ejiogu, E.; Kawabata, T. Variable speed constant frequency standalone power generator using wound-rotor induction machine. In Proceedings of the 4th International Power Electronics and Motion Control Conference, Xi’an, China, 14–16 August 2004; Volume 3, pp. 1778–1784. [Google Scholar]
- Joshi, D.; Sandhu, K.; Soni, M. Constant Voltage Constant Frequency Operation for a Self-Excited Induction Generator. IEEE Trans. Energy Convers. 2006, 21, 228–234. [Google Scholar] [CrossRef]
- Diaz, S.A.; Silva, C.; Juliet, J.; Miranda, H.A. Indirect sensorless speed control of a PMSG for wind application. In Proceedings of the 2009 IEEE International Electric Machines and Drives Conference, Miami, FL, USA, 3–6 May 2009; pp. 1844–1850. [Google Scholar]
- Gajewski, P.; Pieńkowski, K. Performance of sensorless control of permanent magnet synchronous generator in wind turbine system. Power Electron. Drives 2016, 1, 165–174. [Google Scholar]
- Chan, T.-F.; Wang, W.; Lai, L.-L. Permanent-Magnet Synchronous Generator Supplying an Isolated Load. IEEE Trans. Magn. 2010, 46, 3353–3356. [Google Scholar] [CrossRef]
- Tibola, J.R.; Hausen, R.B.; Martins, M.E.S.; Pinheiro, H. Variable speed and stop-start techniques for engine-generators. In Proceedings of the 2015 IEEE 13th Brazilian Power Electronics Conference and 1st Southern Power Electronics Conference (COBEP/SPEC), Fortaleza, Brazil, 29 November–2 December 2015; pp. 1–5. [Google Scholar]
- Belognani, S.; Venturato, A.; Zigliotto, M. Novel control technique for high-performance diesel-driven AC generator-sets. In Proceedings of the 2000 Eighth International Conference on Power Electronics and Variable Speed Drives (IEE Conf. Publ. No. 475), London, UK, 18–19 September 2000; pp. 518–523. [Google Scholar]
- Lidozzi, A.; Solero, L.; Crescimbini, F. Adaptive Direct-Tuning Control for Variable-Speed Diesel-Electric Generating Units. IEEE Trans. Ind. Electron. 2011, 59, 2126–2134. [Google Scholar] [CrossRef]
- Yin, C.; Sechilariu, M.; Locment, F. Diesel generator slow start-up compensation by supercapacitor for DC microgrid power balancing. In Proceedings of the 2016 IEEE International Energy Conference (ENERGYCON), Leuven, Belgium, 4–8 April 2016; pp. 1–6. [Google Scholar]
- Crispo, R.; Brekken, T.K.A. A motor-generator and supercapacitor based system for microgrid frequency stabilization. In Proceedings of the 2013 1st IEEE Conference on Technologies for Sustainability (SusTech), Portland, OR, USA, 1–2 August 2013; pp. 162–166. [Google Scholar]
- Leuchter, J.; Bauer, P.; Zobaa, A.F.; Bojda, P. An interface converter of hybrid power sources with supercapacitors. In Proceedings of the IECON Proceedings (Industrial Electronics Conference), Glendale, CA, USA, 7–10 November 2010; pp. 3250–3257. [Google Scholar]
- Bellache, K.; Camara, M.B.; Dakyo, B. Transient Power Control for Diesel-Generator Assistance in Electric Boat Applications Using Supercapacitors and Batteries. IEEE J. Emerg. Sel. Top. Power Electron. 2017, 6, 416–428. [Google Scholar] [CrossRef]
- Leuchter, J.; Bauer, P.; Bojda, P.; Rerucha, V. Bi-directional DC-DC converters for supercapacitor based energy buffer for electrical gen-sets. In Proceedings of the 2007 European Conference on Power Electronics and Applications, Aalborg, Denmark, 2–5 September 2007; pp. 1–10. [Google Scholar]
- Issa, M.; Fiset, J.; Ilinca, A. Modeling and optimization of the energy production based on Eo-Synchro. Power Eng. 2017, 21, 3–9. [Google Scholar]
- Fiset, J. Mechanical Regulation of Electrical Frequency in an Electrical Generation System, Canadian Intellectual Property Office. Patent No.2697420, 2 February 2010. [Google Scholar]
- Issa, M.; Fiset, J.; Mobarra, M.; Ibrahim, H.; Ilinca, A. Optimizing the Performance of a 500kW Diesel Generator: Impact of the Eo-Synchro Concept on Fuel Consumption and Greenhouse Gases. Power Eng. 2018, 23, 22–31. [Google Scholar]
- Mobarra, M.; Tremblay, B.; Rezkallah, M.; Ilinca, A. Advanced Control of a Compensator Motor Driving a Variable Speed Diesel Generator with Rotating Stator. Energies 2020, 13, 2224. [Google Scholar] [CrossRef]
- Mobarra, M.; Issa, M.; Rezkallah, M.; Ilinca, A. Performance Optimization of Diesel Generators Using Permanent Magnet Synchronous Generator with Rotating Stator. Energy Power Eng. 2019, 11, 259–282. [Google Scholar] [CrossRef][Green Version]
- Varigen™ Variable Speed Generator Set. Available online: https:/www.cvtcorp.com/technology/power-generation/?lang=en (accessed on 5 September 2013).
- Corporation, C.; Engineering, S.; Company, P.P. Application of Variable Speed Diesel Generator Set for Village Power and Wind-Diesel Applications; Engineering & Power/Electrical Engineering; Intelligent Energy System, LLC.: Anchorage, AK, USA, 2013; pp. 1–4. [Google Scholar]
- Fogli, G.A.; de Almeida, P.; Barbosa, P.G. Modelling and control of an interface power converter for the operation of small diesel gen-sets in grid-connected and stand-alone modes. Electr. Power Syst. Res. 2017, 150, 177–187. [Google Scholar] [CrossRef]
- Gharibi, M.; Askarzadeh, A. Technical and economical bi-objective design of a grid-connected photovoltaic/diesel generator/fuel cell energy system. Sustain. Cities Soc. 2019, 50, 101575. [Google Scholar] [CrossRef]
- Sarwar, M.; Abubakar, M.; Mahmood, M.; Azam, M.; Fatima, K.-U.-N.; Hussain, B. Design and Implementation of an Automatic Synchronizing and Protection Relay through Power-Hardware-in-the-Loop (PHIL) Simulation. In Proceedings of the 2019 15th International Conference on Emerging Technologies (ICET), Peshawar, Pakistan, 2–3 December 2019; pp. 1–6. [Google Scholar]
- Lakshitha, M.; Jayawardhana, K.; Boralessa, M.; Rohitha, W.; Hemapala, K.; Lucas, J.R.; De Silva, N.; Porawagamage, G. Operation of a grid connected microgrid with a variable load bus and a diesel generator set. In Proceedings of the 2017 Innovations in Power and Advanced Computing Technologies (i-PACT), Vellore, India, 21–22 April 2017; pp. 1–6. [Google Scholar]
- Li, S.; Yang, P.; Liu, L.; Chen, L.; Bi, L.; Cui, G.; Zhang, C. Research on grid-connected operation of novel Variable Speed Constant Frequency (VSCF) shaft generator system on modern ship. In Proceedings of the 2012 15th International Conference on Electrical Machines and Systems (ICEMS), Sapporo, Japan, 21–24 October 2012; pp. 1–5. [Google Scholar]
- Hu, Y.; McCormick, M.; Haydock, L.; Cirstea, M.; Putrus, G. Advanced hybrid variable speed controller for stand-alone diesel engine driven generator systems. In Proceedings of the International Conference on Power System Technology, Kunming, China, 13–17 October 2003; Volume 2, pp. 711–715. [Google Scholar]
- Sharma, S.; Singh, B. Variable speed stand-alone wind energy conversion system using synchronous generator. In Proceedings of the 2011 International Conference on Power and Energy Systems, Chennai, India, 22–24 December 2011; pp. 1–6. [Google Scholar]
- Chandra, A.; Rousse, D.R.; Ibrahim, H.; Ilinca, A. Control design of new eco-friendly microgrid based on Wind/Diesel/Battery driven variable speed generators. In Proceedings of the 2016 IEEE International Conference on Power Electronics, Drives and Energy Systems (PEDES), Trivandrum, India, 14–17 December 2016; pp. 1–6. [Google Scholar]
- Lim, P.Y.; Nayar, C.V.; Rajakaruna, S. Simulation and components sizing of a stand-alone hybrid power system with variable speed generator. In Proceedings of the 2010 9th International Conference on Environment and Electrical Engineering, Prague, Czech Republic, 16–19 May 2010; pp. 465–468. [Google Scholar]
- Katiraei, F.; Abbey, C. Diesel Plant Sizing and Performance Analysis of a Remote Wind-Diesel Microgrid. In Proceedings of the 2007 IEEE Power Engineering Society General Meeting, Tampa, FL, USA, 24–28 June 2007; pp. 1–8. [Google Scholar]
- Haesens, E.; Espinoza, M.; Pluymers, B.; Goethals, I.; Thong, V.V.; Driesen, J.; Belmanss, R.; Moor, B.D. Optimal placement and sizing of distributed generator units using genetic optimization algorithms. Electr. Power Qual. Utilisation. J. 2005, 11, 97–104. [Google Scholar]
- Hong, Y.-Y.; Lian, R.-C. Optimal Sizing of Hybrid Wind/PV/Diesel Generation in a Stand-Alone Power System Using Markov-Based Genetic Algorithm. IEEE Trans. Power Deliv. 2012, 27, 640–647. [Google Scholar] [CrossRef]
- ISO; 8178-1: Reciprocating Internal Combustion Engines. Exhaust Emission Measurement, Part 1. ISO: Geneva, Switzerland, 2007.
- Langella, R.; Testa, A.; Alii, E. IEEE Recommended Practice and Requirements for Harmonic Control in Electric Power Systems; IEEE Std 519-2014 (Revision of IEEE Std 519-1992); IEEE: New York, NY, USA, 2014; pp. 1–29. [Google Scholar]
- ISO 8528; Reciprocating Internal Combustion Engine Driven Alternating Current Generating Sets. Institute of Technology Tallaght: Dublin, Ireland, 2006.
- Anwendung der Repräsentativen VDEW-Lastprofile: Step-by-Step. Available online: https://www.bdew.de/media/documents/2000131_Anwendung-repraesentativen_Lastprofile-Step-by-step.pdf (accessed on 1 May 2000).
- Variable Speed Generators with High Fuel Savings. Available online: https://opus.hs-offenburg.de/frontdoor/deliver/index/docId/155/file/2012_3.6_Zahoransky_Variable_Speed.pdf (accessed on 15 July 2012).
- Leenhouts, D. How to Calculate the Efficiency of an Electrical Generator. Available online: https://sciencing.com/calculate-efficiency-electrical-generator-7770974.html (accessed on 5 May 2018).
- Adefarati, T.; Papy, N.B.; Thopil, M.; Tazvinga, H. Non-renewable Distributed Generation Technologies: A Review. In Handbook of Distributed Generation; Springer: Singapore, 2017; pp. 69–105. [Google Scholar]
- Zobaa, A.F.; Bansal, R.; Manana, M. Power Quality: Monitoring, Analysis and Enhancement; BoD–Books on Demand: Hamburg, Germany, 2011. [Google Scholar]
- Adefarati, T.; Bansal, R. Reliability assessment of distribution system with the integration of renewable distributed generation. Appl. Energy 2017, 185, 158–171. [Google Scholar] [CrossRef]
- ICF, I. Diesel Generators: Improving Efficiency and Emission Performance in India; Shakti Sustainable Energy Foundation: New Delhi, India, 2014. [Google Scholar]
- Xin, Q. Durability and reliability in diesel engine system design. Diesel Engine Syst. Des. 2013, 23, 113–202. [Google Scholar]
- Xin, Q. The Analytical Design Process and Diesel Engine System Design; Woodhead Publishing: Sawston, UK, 2013; pp. 3–112. [Google Scholar]
- ISO 8528-1:2018 Reciprocating Internal Combustion Engine Driven Alternating Current Generating Sets—Part 1: Application, Ratings and Performance. Available online: https://www.iso.org/standard/30567.html (accessed on 15 June 2005).
- ISO 15550:2002(en) Internal Combustion Engines—Determination and Method for the Measurement of Engine Power-General Requirement. 2016-12. ICS: 27.020 Internal Combustion Engines. Available online: https://www.iso.org/standard/70030.html (accessed on 15 May 2021).
- Kraemer, B.; Energy, M.O. Understanding Generator Set Ratings for Maximum Performance and Reliability; POWERGEN International: Dallas, TX, USA, 2013. [Google Scholar]
- Dao, N.D.; Lee, D.-C.; Lim, D.-S. Sensorless Speed Control of Diesel-Generator Systems Based on Multiple SOGI-FLLs. In Proceedings of the 2018 International Power Electronics Conference (IPEC-Niigata 2018 -ECCE Asia), Niigata, Japan, 20–24 May 2018; pp. 1212–1216. [Google Scholar]
- Pena, R.; Cardenas, R.; Clare, J.; Asher, G. Control strategy of doubly fed induction generators for a wind diesel energy system. In Proceedings of the IEEE 2002 28th Annual Conference of the Industrial Electronics Society. IECON 02, Seville, Spain, 5–8 November 2003; Volume 4, pp. 3297–3302. [Google Scholar]
- Geertsma, R.D.; Negenborn, R.R.; Visser, K.; Hopman, J.J. Design and control of hybrid power and propulsion systems for smart ships: A review of developments. Appl. Energy 2017, 194, 30–54, ISSN 0306-2619. [Google Scholar] [CrossRef]
- Choi, I.-C.; Jeung, Y.-C.; Lee, D.-C. Variable speed control of diesel engine-generator using sliding mode control. In Proceedings of the 2017 IEEE Transportation Electrification Conference and Expo, Asia-Pacific (ITEC Asia-Pacific), Harbin, China, 7–10 August 2017; pp. 1–5. [Google Scholar]
- Kong, S.; Bansal, R.; Dong, Z.Y. Comparative small-signal stability analyses of PMSG-, DFIG- and SCIG-based wind farms. Int. J. Ambient. Energy 2012, 33, 87–97. [Google Scholar] [CrossRef]
- Kusakana, K. Operation cost minimization of photovoltaic–diesel–battery hybrid systems. Energy 2015, 85, 645–653. [Google Scholar] [CrossRef]
- Singh, B.; Niwas, R. Power quality improvements in diesel engine driven induction generator system using SRF theory. In Proceedings of the 2012 IEEE Fifth Power India Conference, Murthal, India, 19–22 December 2012; pp. 1–5. [Google Scholar]
- Adefarati, T.; Bansal, R. Energizing Renewable Energy Systems and Distribution Generation. In Pathways to a Smarter Power System; Elsevier BV: Amsterdam, The Netherlands, 2019; pp. 29–65. [Google Scholar]
- Marqusee, J.; Don, D.J., II. Reliability of emergency and standby diesel generators: Impact on energy resiliency solutions. Appl. Energy 2020, 268, 114918. [Google Scholar] [CrossRef]
- Ibrahim, H.; Ilinca, A.; Perron, J. Energy storage systems—Characteristics and comparisons. Renew. Sustain. Energy Rev. 2008, 12, 1221–1250. [Google Scholar] [CrossRef]
- More, T.G.; Asabe, P.R.; Chawda, S. Power quality issues and it’s mitigation techniques. J. Eng. Res. Appl. 2014, 4, 170–177. [Google Scholar]
- El Sebaay, A.; Ramadan, M.; Abu Adma, M.A. Studying the Effect of Non-Linear Loads Harmonics on Electric Generator Power Rating Selection. Eur. Sci. J. ESJ 2017, 13, 1857–7881. [Google Scholar] [CrossRef]
- Munir, H.M.; Ghannam, R.; Li, H.; Younas, T.; Golilarz, N.A.; Hassan, M.; Siddique, A. Control of Distributed Generators and Direct Harmonic Voltage Controlled Active Power Filters for Accurate Current Sharing and Power Quality Improvement in Islanded Microgrids. Inventions 2019, 4, 27. [Google Scholar] [CrossRef]
- Skjong, E.; Suul, J.A.; Rygg, A.; Johansen, T.A.; Molinas, M. System-Wide Harmonic Mitigation in a Diesel-Electric Ship by Model Predictive Control. IEEE Trans. Ind. Electron. 2016, 63, 4008–4019. [Google Scholar] [CrossRef]
- Managing Emergency Generators with nonlinear loads. Available online: https://www.kohler-sdmo.com/FR/Documents/download/124 (accessed on 21 January 2019).
- Grzesiak, L.; Koczara, W.; Pospiech, P.; Da Ponte, M. Power quality of the Hygen autonomous load-adaptive adjustable-speed generating system. In Proceedings of the APEC ’99. Fourteenth Annual Applied Power Electronics Conference and Exposition. 1999 Conference Proceedings (Cat. No.99CH36285), Dallas, TX, USA, 14–18 March 1999; Volume 2, pp. 945–950. [Google Scholar] [CrossRef]
- Panchbhai, A.; Parmar, S.; Vaghasiya, C. THD comparison for power quality (MATLAB simulation & hardware). In Proceedings of the 2016 IEEE 1st International Conference on Power Electronics, Intelligent Control and Energy Systems (ICPEICES), Delhi, India, 4–6 July 2017; pp. 1–4. [Google Scholar]
- Mobarra, M. Modélisation, Contrôle de Vitesse et Optimisation d’un Générateur Diesel Avec Stator Rotatif; Université du Québec à Rimouski: Rimouski, QC, Canada, 2020. [Google Scholar]
- Approximate Diesel Fuel Consumption Chart. Available online: https://www.generatorsource.com/Diesel_Fuel_Consumption.aspx (accessed on 19 October 2017).
- Pathak, G.; Singh, B.; Panigrahi, B.K. Permanent magnet synchronous generator based wind energy and DG hybrid system. In Proceedings of the 2014 Eighteenth National Power Systems Conference (NPSC), Guwahati, India, 18–20 December 2014; pp. 1–6. [Google Scholar]
- Simonov, B.F.; Kharitonov, S.A.; Sapsalev, A.V. Permanent-magnet synchronous generator voltage stabilization by rotation frequency variation in self-contained power supply systems. J. Min. Sci. 2015, 51, 973–979. [Google Scholar] [CrossRef]
- Murthy, S.; Mishra, S.; Mallesham, G.; Sekhar, P.C. Voltage and Frequency control of wind diesel hybrid system with variable speed wind turbine. In Proceedings of the 2010 Joint International Conference on Power Electronics, Drives and Energy Systems & 2010 Power India, New Delhi, India, 20–23 December 2010; pp. 1–6. [Google Scholar]
- Ramuz, D.; Camara, M.; Sebeloue, M.; Tamarin, O.; Roubaud, F.; Clergeot, H.; Kauffmann, J.-M. Modelling and simulation of a doubly fed induction generator in stand alone variable speed hydro turbine. In Proceedings of the 2005 European Conference on Power Electronics and Applications, Dresden, Germany, 11–14 September 2005; p. 10. [Google Scholar]
- Singh, J.; Mittal, R.; Jain, D. Improved performance of diesel driven permanent magnet synchronous generator using Battery Energy Storage System. In Proceedings of the 2009 IEEE Electrical Power & Energy Conference (EPEC), Montreal, Canada, 22–23 October 2009; pp. 1–6. [Google Scholar]
- Van Mierlo, J.; Van den Bossche, P.; Maggetto, G. Models of energy sources for EV and HEV: Fuel cells, batteries, ultracapacitors, flywheels and engine-generators. J. Power Sources 2004, 128, 76–89. [Google Scholar] [CrossRef]
- Manwell, J.; Stein, W.; Rogers, A.; McGowan, J. An investigation of variable speed operation of diesel generators in hybrid energy systems. Renew. Energy 1992, 2, 563–571. [Google Scholar] [CrossRef]
- Jain, A.K.; Ranganathan, V.T. Wound Rotor Induction Generator with Sensorless Control and Integrated Active Filter for Feeding Nonlinear Loads in a Stand-Alone Grid. IEEE Trans. Ind. Electron. 2008, 55, 218–228. [Google Scholar] [CrossRef]
- Tleis, N.D. 5-Modelling of ac Rotating Machines, in Power Systems Modelling and Fault Analysis; Tleis, N.D., Ed.; Newnes: Oxford, UK, 2008; pp. 301–396. [Google Scholar]
- Rezkallah, M. Design and Control of Standalone and Hybrid Standalone Power Generation Systems; École de Technologie Supérieure: Montreal, QC, Canada, 2016. [Google Scholar]
- Abdelhakim, A.; Qin, Z.; Lee, K.; Acuna, P.; Blaabjerg, F.J.; Bak, Y.; Ding, T.; Forouzesh, M.; Pham, N.H.; Baguley, C.A.; et al. Control of Power Electronic Converters and Systems; Blaabjerg, F., Ed.; Academic Press: Cambridge, MA, USA, 2018; pp. xi–xii. [Google Scholar]
- Petersson, A.; Harnefors, L.; Thiringer, T. Comparison between stator-flux and grid-flux-oriented rotor current control of doubly-fed induction generators. In Proceedings of the 2004 IEEE 35th Annual Power Electronics Specialists Conference (IEEE Cat. No.04CH37551), Aachen, Germany, 20–25 June 2004; Volume 1, pp. 482–486. [Google Scholar] [CrossRef]
- Shao, S.; Abdi, E.; Barati, F.; McMahon, R. Stator-Flux-Oriented Vector Control for Brushless Doubly Fed Induction Generator. IEEE Trans. Ind. Electron. 2009, 56, 4220–4228. [Google Scholar] [CrossRef]
- Ni, K.; Hu, Y.; Lagos, D.T.; Chen, G.; Wang, Z.; Li, X. Highly Reliable Back-to-Back Power Converter Without Redundant Bridge Arm for Doubly Fed Induction Generator-Based Wind Turbine. IEEE Trans. Ind. Appl. 2019, 55, 3024–3036. [Google Scholar] [CrossRef]
- Salman, S.; Badrzadeh, B. New Approach for modelling Doubly-Fed Induction Generator (DFIG) for grid-connection studies. In Proceedings of the European Wind Energy Conference an Exhibition, London, UK, 22–25 November 2004. [Google Scholar]
- Tremblay, E.; Chandra, A.; Lagace, P.J.; Gagnon, R. Study of Grid-Side Converter Control for Grid-Connected DFIG Wind Turbines under Unbalanced Load Condition. In Proceedings of the 2006 IEEE International Symposium on Industrial Electronics, Montreal, Canada, 9–13 July 2006; Volume 2, pp. 1619–1624. [Google Scholar]
- Pena, R.; Cardenas, R.; Escobar, E.; Clare, J.; Wheeler, P. Control strategy for a Doubly-Fed Induction Generator feeding an unbalanced grid or stand-alone load. Electr. Power Syst. Res. 2009, 79, 355–364. [Google Scholar] [CrossRef]



















| Categories | |
|---|---|
| Group 1 | Grid-connected applications (regulate frequency variation or to meet peak leveling period) |
| Group 2 | Islanded mode operation with low load connection |
| Group 3 | Fast load oscillation |
| Group 4 | Integration in a hybrid system (penetration of VSDG in renewable energy applications) |
| Technologies | Frequency Deviation | Fuel Saving | THD Reduction | |||
|---|---|---|---|---|---|---|
| PMSG | 3 | 5 | 30 | 23 | 5 | 7 |
| DFIG | 3 | 5 | 30 | 25 | 5 | 7 |
| CVT | 4 | 7 | 24 | 19 | 7 | 9 |
| RSDG | 4 | 7 | 20 | 12 | 7 | 9 |
| SCDG | 2 | 4 | 35 | 30 | 3 | 15 |
| WRIG | 3 | 6 | 30 | 25 | 5 | 7 |
| Applications | GC | OG | GC | OG | GC | OG |
Publisher’s Note: MDPI stays neutral with regard to jurisdictional claims in published maps and institutional affiliations. |
© 2022 by the authors. Licensee MDPI, Basel, Switzerland. This article is an open access article distributed under the terms and conditions of the Creative Commons Attribution (CC BY) license (https://creativecommons.org/licenses/by/4.0/).
Share and Cite
Mobarra, M.; Rezkallah, M.; Ilinca, A. Variable Speed Diesel Generators: Performance and Characteristic Comparison. Energies 2022, 15, 592. https://doi.org/10.3390/en15020592
Mobarra M, Rezkallah M, Ilinca A. Variable Speed Diesel Generators: Performance and Characteristic Comparison. Energies. 2022; 15(2):592. https://doi.org/10.3390/en15020592
Chicago/Turabian StyleMobarra, Mohammadjavad, Miloud Rezkallah, and Adrian Ilinca. 2022. "Variable Speed Diesel Generators: Performance and Characteristic Comparison" Energies 15, no. 2: 592. https://doi.org/10.3390/en15020592
APA StyleMobarra, M., Rezkallah, M., & Ilinca, A. (2022). Variable Speed Diesel Generators: Performance and Characteristic Comparison. Energies, 15(2), 592. https://doi.org/10.3390/en15020592

