Research on Robot Collision Response Based on Human–Robot Collaboration
Abstract
1. Introduction
2. Materials and Methods
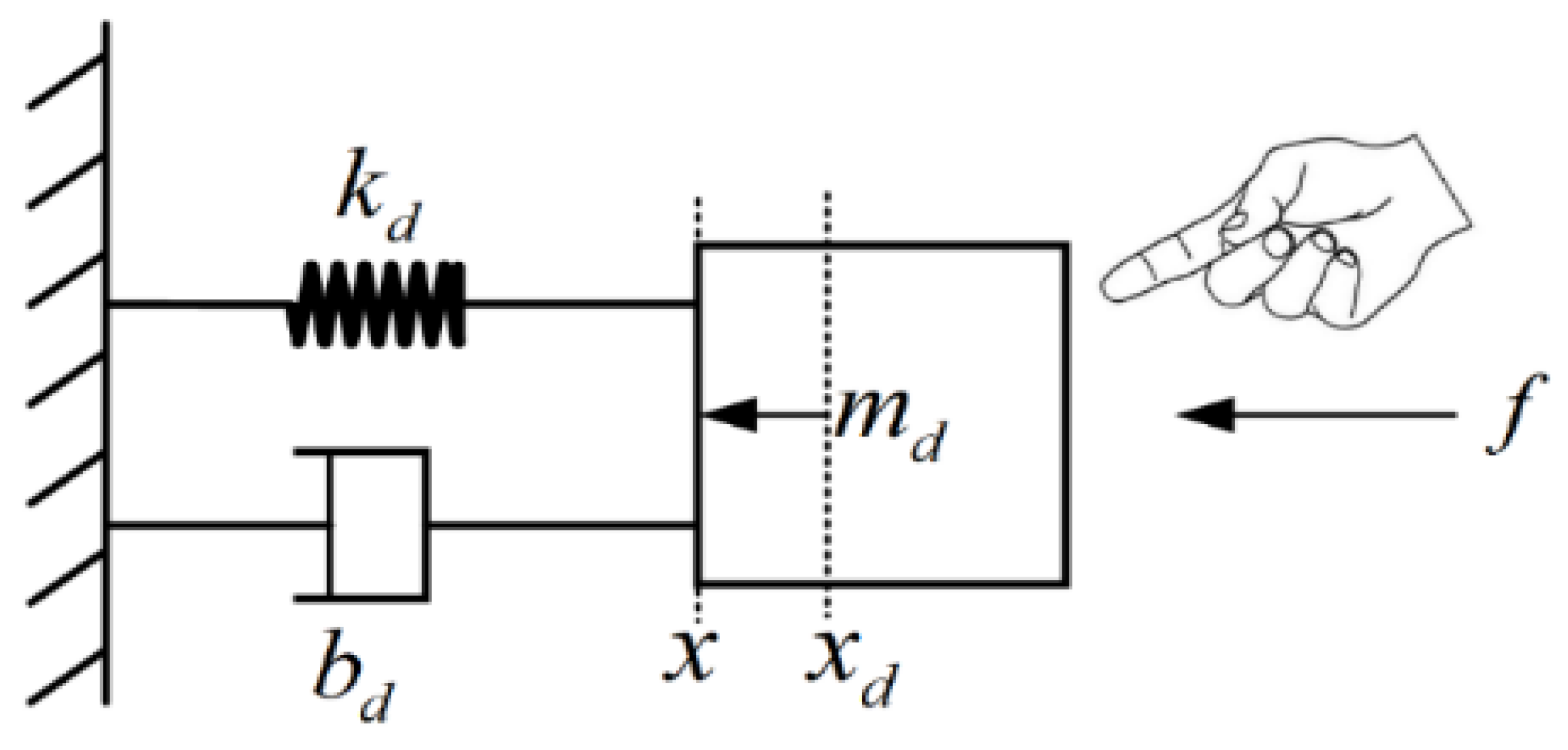
2.1. Modeling of the Conductor and Analysis of the Conductor Parameters
2.2. Adaptive Admittance Control of Collision-Response Strategies
| Algorithm 1. Algorithmic procedure for obstacle-avoidance trajectory generation based on adaptive admittance control | ||
| Input: Desired trajectory ; Real-time feedback force ; Output: Corrected real-time avoidance trajectory ; | ||
| 1 | while robot task is in execution do | |
| 2 | Acquire current collision force components ; | |
| 3 | Calculate variable parameters: Solve for and in real-time (Equations (3)–(7)); | |
| 4 | Solve for deviation: Calculate displacement deviation using the admittance equation (refer to Equation (8)); | |
| 5 | Trajectory synthesis: Compute as control output; | |
| 6 | Stability monitoring: Ensure current parameters satisfy (Equation (14)); | |
| 7 | Execution update: Transmit to the low-level controller; | |
| 8 | end while | |
| Algorithm 2. Strategy for obstacle presence determination and task recovery based on force feedback | ||
| Input: Real-time force feedback ; Collision threshold ; Original parameters ; Output: Restored system parameters and trajectory; | ||
| 1 | if sustained contact force then | |
| 2 | Maintain state: Output current avoidance parameters , and maintain avoidance pose; | |
| 3 | else (Obstacle removal determined: and stable) | |
| 4 | Smooth recovery: Guide variable parameters back to initial values (Equations (6) and (7)); | |
| 5 | Trajectory reset: Output displacement deviation $e$ approaching 0 to return to desired trajectory ; | |
| 6 | end if | |
2.3. Stability and Convergence Analysis
3. Experimental Design and Results
3.1. General Overview of the Collision-Response Experimental Platform for Human–Machine Collaboration
3.2. Response Architecture and Software–Hardware Integration Logic
3.3. Triggering Thresholds and Response Latency
3.4. Simulation of Crash Response Algorithm for Adaptive Admittance Control
3.4.1. Simulation of End–End Collision Response of Collaborative Robots
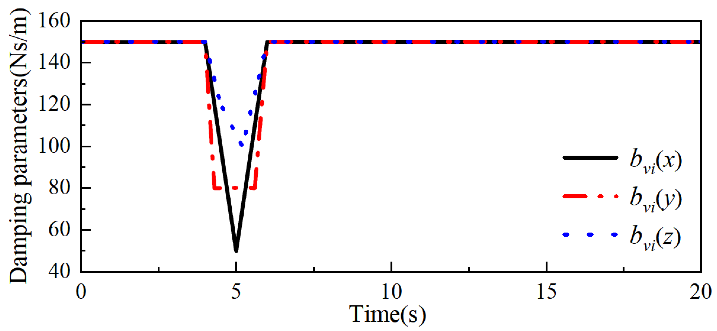
3.4.2. Simulation of Collision Response of Collaborative Robot Body
3.5. Collaborative Robot Collision-Response Experiment
3.5.1. Collaborative Robot End Collision-Response Experiment
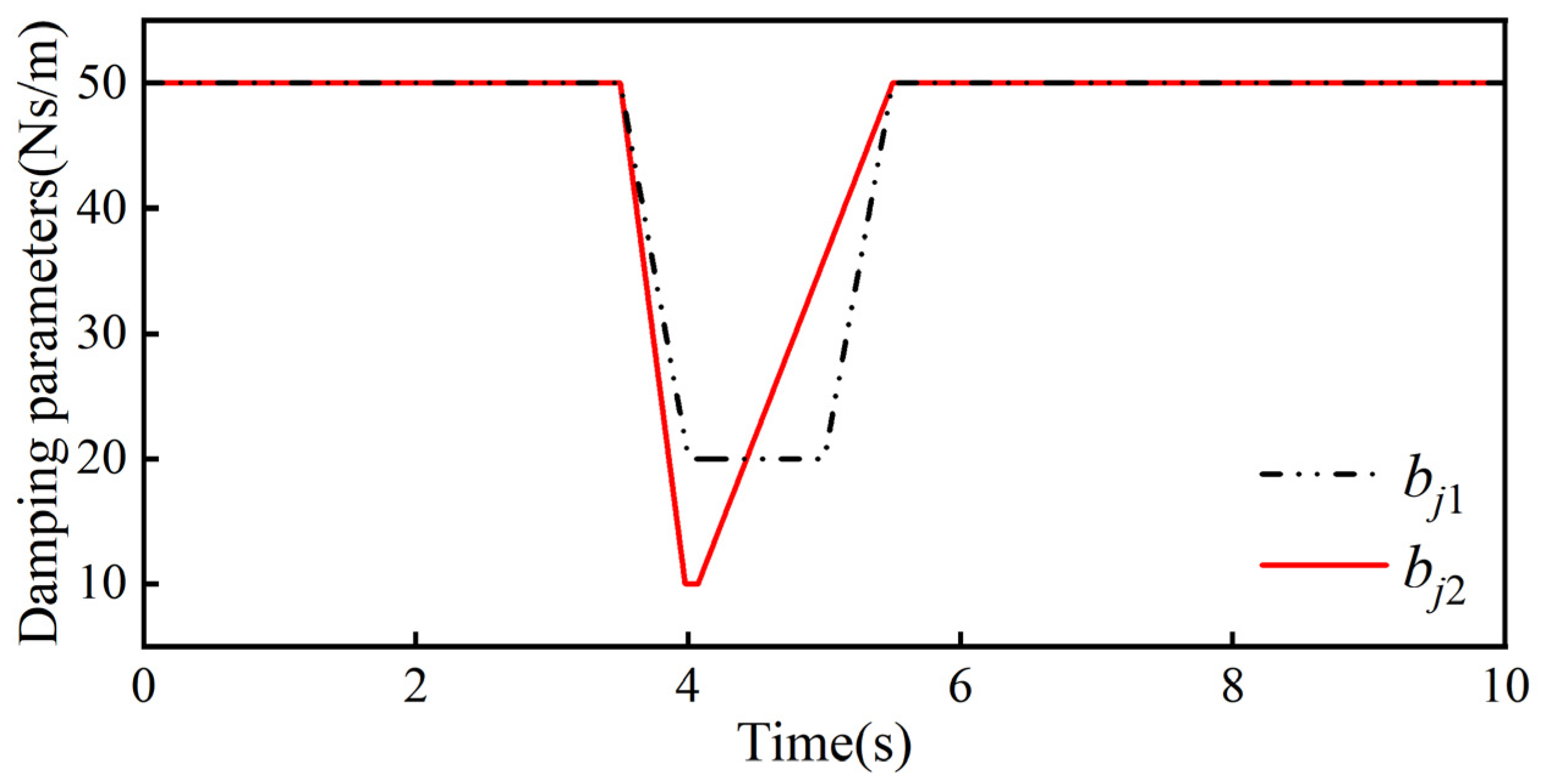
3.5.2. Collaborative Robot Body Collision-Response Experiment
4. Discussion
5. Conclusions
Author Contributions
Funding
Data Availability Statement
Conflicts of Interest
References
- Yang, S.; Xie, X.; Bing, Z.; Hao, J.; Zhang, X.; Yuan, D. Path planning of green walnut picking robotic arm based on HER-TD3 algorithm. J. Agric. Mach. 2024, 55, 113–123. [Google Scholar]
- Yerebakan, M.O.; Hu, B. Human–robot collaboration in modern agriculture: A review of the current research landscape. Adv. Intell. Syst. 2024, 6, 2300823. [Google Scholar] [CrossRef]
- Yerebakan, M.O.; Hu, B. Wearable sensors assess the effects of human–robot collaboration in simulated pollination. Sensors 2024, 24, 577. [Google Scholar] [CrossRef]
- De Pace, F.; Manuri, F.; Sanna, A.; Fornaro, C. A systematic review of augmented reality interfaces for collaborative industrial robots. Comput. Ind. Eng. 2020, 149, 106806. [Google Scholar] [CrossRef]
- Hameed, A.; Ordys, A.; Możaryn, J.; Sibilska-Mroziewicz, A. Control system design and methods for collaborative robots. Appl. Sci. 2023, 13, 675. [Google Scholar] [CrossRef]
- Chiriatti, G.; Carbonari, L.; Ceravolo, M.G.; Andrenelli, E.; Millevolte, M.; Palmieri, G. A robot-assisted framework for rehabilitation practices: Implementation and experimental results. Sensors 2023, 23, 7652. [Google Scholar] [CrossRef]
- Bin, Y.; Duan, J.; Guo, A.; Cui, K.; Sun, W.; Jiang, J.; Wang, G.; Wu, C. Design and implementation of medical ultrasonic testing system based on telerobot. Mach. Manuf. Autom. 2023, 52, 15–19. [Google Scholar]
- Sirintuna, D.; Giammarino, A.; Ajoudani, A. An object deformation-agnostic framework for human–robot collaborative transportation. IEEE Trans. Autom. Sci. Eng. 2023, 21, 1986–1999. [Google Scholar] [CrossRef]
- Mujica, M.; Crespo, M.; Benoussaad, M.; Junco, S.; Fourquet, J.-Y. Robust variable admittance control for human–robot co-manipulation of objects with unknown load. Robot. Comput. Integr. Manuf. 2023, 79, 102408. [Google Scholar] [CrossRef]
- Villagrossi, E.; Franceschi, P.; Nicola, G.; Pedrocchi, N. Efficient human–robot collaborative manipulation of planar deformable objects. J. Manuf. Syst. 2025, 83, 963–975. [Google Scholar] [CrossRef]
- Heo, Y.J.; Kim, D.; Lee, W.; Kim, H.; Park, J.; Chung, W.K. Collision detection for industrial collaborative robots: A deep learning approach. IEEE Robot. Autom. Lett. 2019, 4, 740–746. [Google Scholar] [CrossRef]
- Chang, B.; Zhu, Y.; Jin, G.; Song, Y.; Li, X.; Lu, C. Impact motion analysis and optimization of redundant serial robot considering collision. Agric. Mach. J. 2019, 50, 413–420. [Google Scholar]
- Lin, Y.; Xie, Z. An overview on collision detection algorithm robots. Electromech. Eng. Technol. 2023, 52, 1–4+99. [Google Scholar]
- Li, L.; Li, X.J.; Ren, H.; Yang, S. Three-dimensional collision avoidance method for robot-assisted minimally invasive surgery. Cyborg. Bionic. Syst. 2023, 4, 17–42. [Google Scholar] [CrossRef]
- Li, W.; Hu, Y.; Zhou, Y.; Pham, D.T. Safe human–robot collaboration for industrial settings: A survey. J. Intell. Manuf. 2024, 35, 2235–2261. [Google Scholar] [CrossRef]
- Xiang, Q.; Chen, C.; Jiang, Y. Servo Collision Detection Control System Based on Robot Dynamics. Sensors 2025, 25, 1131. [Google Scholar] [CrossRef] [PubMed]
- Hu, R.; Fu, H.; Liu, H.; Zhang, L.; Yu, Z.; Yi, W.; Tang, L.; He, Y.; Wei, Y.; Zhang, C.; et al. Collision Detection and Response Method of Manipulator Based on Six-Axis Force Sensor. CN104626171A, 20 May 2015. [Google Scholar]
- Wang, S. Research on Zero Force Control and Collision Detection Technology of Orthopedic Surgical Robot. Master’s Thesis, Jiangnan University, Wuxi, China, 2023. [Google Scholar]
- Sun, S.; Song, C.; Wang, B.; Huang, H. Research on dynamic parameter identification and collision detection method for cooperative robots. Ind. Robot. Int. J. Robot. Res. Appl. 2023, 50, 1024–1035. [Google Scholar] [CrossRef]
- Nguyen, V.; Case, J. Compensation of electrical current drift in human–robot collision. Int. J. Adv. Manuf. Technol. 2022, 123, 2783–2791. [Google Scholar] [CrossRef]
- Zhang, X.Y.; Liu, X.F.; Wang, M.M.; Cai, G.-P. A new strategy for capturing a noncooperative spacecraft by a robotic arm. Multibody Syst. Dyn. 2022, 59, 143–169. [Google Scholar] [CrossRef]
- Liu, X.F.; Zhang, X.Y.; Cai, G.P.; Wang, M.-M. A collision control strategy for detumbling a non-cooperative spacecraft by a robotic arm. Multibody Syst. Dyn. 2021, 53, 1–31. [Google Scholar] [CrossRef]
- Dang, J.; Ni, F.; Liu, Y.; Liu, H. Collision reaction control strategy for tentative moving flexible manipulator. J. Xi’an Jiaotong Univ. 2011, 45, 21–27. [Google Scholar]
- Loris, R.; Dario, P. Sensorless environment stiffness and interaction force estimation for impedance control tuning in robotized interaction tasks. Auton. Robot. 2021, 45, 371–388. [Google Scholar] [CrossRef]
- Zhou, L.; Wang, X.; Cong, X.; Chen, Z.; Yang, C. Safety control of cooperative manipulator in collision environment. Control Theory Appl. 2024, 41, 292–302. [Google Scholar]
- Wang, X. Collision Detection and Safety Control of Cooperative Manipulators. Master’s Thesis, China University of Mining and Technology, Xuzhou, China, 2022. [Google Scholar]
- Kim, J. Collision detection and reaction for a collaborative robot with sensorless admittance control. Mechatronics 2022, 84, 102811–102822. [Google Scholar] [CrossRef]
- Zhang, W. Robot Collision Detection and Response Technology and Experimental Research Based on Current Feedback. Ph.D. Thesis, Wuhan University of Technology, Wuhan, China, 2021. [Google Scholar]
- Urrea, C.; Saa, D. Design, Simulation, Implementation, and Comparison of Advanced Control Strategies Applied to a 6-DoF Planar Robot. Symmetry 2023, 15, 1070. [Google Scholar] [CrossRef]
- Urrea, C.; Sari, P. Symmetry-Driven Fault-Tolerant Synchronization in Multi-Robot Systems: Comparative Simulation of Adaptive Neural and Classical Controllers. Symmetry 2025, 17, 591. [Google Scholar] [CrossRef]
- Wang, H.; Lu, L.Y.; Yang, C.; Li, S.; Li, H.; Gui, J.; Fu, R. Dynamics analysis and simulation experiments of twist spring drive upper limb rehabilitation robot. J. Braz. Soc. Mech. Sci. Eng. 2024, 46, 710. [Google Scholar] [CrossRef]






























Disclaimer/Publisher’s Note: The statements, opinions and data contained in all publications are solely those of the individual author(s) and contributor(s) and not of MDPI and/or the editor(s). MDPI and/or the editor(s) disclaim responsibility for any injury to people or property resulting from any ideas, methods, instructions or products referred to in the content. |
© 2026 by the authors. Licensee MDPI, Basel, Switzerland. This article is an open access article distributed under the terms and conditions of the Creative Commons Attribution (CC BY) license.
Share and Cite
Zhong, S.; Xu, C.; Chen, G.; Xu, Y.; Wang, Z. Research on Robot Collision Response Based on Human–Robot Collaboration. Sensors 2026, 26, 495. https://doi.org/10.3390/s26020495
Zhong S, Xu C, Chen G, Xu Y, Wang Z. Research on Robot Collision Response Based on Human–Robot Collaboration. Sensors. 2026; 26(2):495. https://doi.org/10.3390/s26020495
Chicago/Turabian StyleZhong, Sicheng, Chaoyang Xu, Guoqiang Chen, Yanghuan Xu, and Zhijun Wang. 2026. "Research on Robot Collision Response Based on Human–Robot Collaboration" Sensors 26, no. 2: 495. https://doi.org/10.3390/s26020495
APA StyleZhong, S., Xu, C., Chen, G., Xu, Y., & Wang, Z. (2026). Research on Robot Collision Response Based on Human–Robot Collaboration. Sensors, 26(2), 495. https://doi.org/10.3390/s26020495

