FPGA-Parallelized Digital Filtering for Real-Time Linear Envelope Detection of Surface Electromyography Signal on cRIO Embedded System
Abstract
1. Introduction
- Determining the best design of an efficient infinite impulse response (IIR) digital filter for linear envelope detection. To do so, the filter designing and analysis tool (FDATool) is used. This powerful MATLAB R2023a interface provides a detailed description and analysis that address the requirement of a correctly designed digital filter.
- Converting the standard direct form I IIR filter into a parallel structure composed of second-order sections via partial fraction expansion (PFE).
- Proposing a novel practical methodology for comparative performance assessment of the filtering techniques.
2. Design and Parallel Implementation of Digital Filter
2.1. Basic Structure of Low-Pass Filter
2.2. Design and Specifications
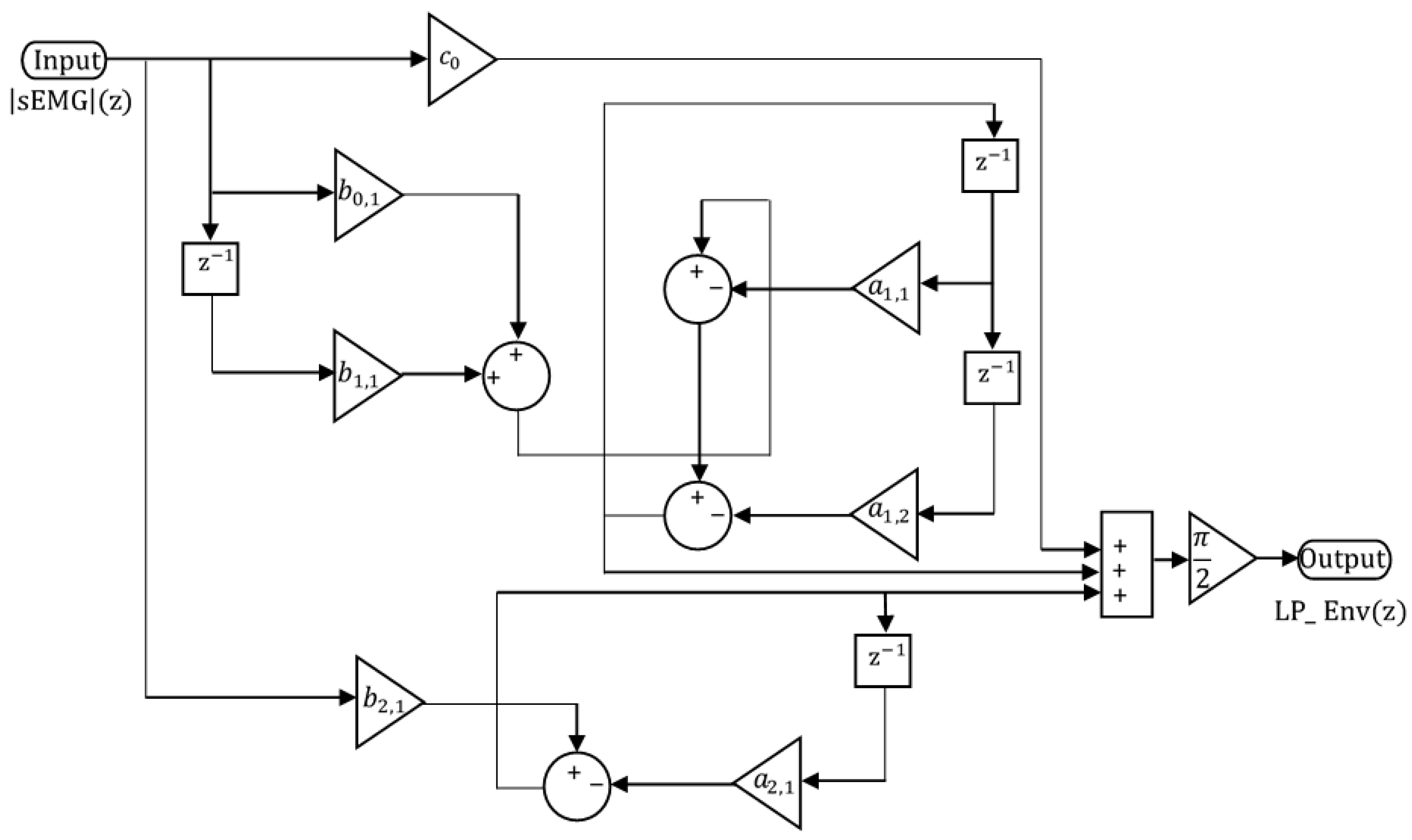
2.3. Parallel Structure of LP Filter
3. Experimental System
3.1. The Architecture of an Experimental System
3.2. Digital Filter Implementation on CompactRIO FPGA
4. Results and Discussion
4.1. The Proposed Criterion for Performance Evaluation
4.2. Reference Envelope Synthesis and Filter Benchmarking
- Reference Envelope ():where is a triangle wave-modulating waveform, is its amplitude, and is its frequency. The absolute value ensures a physically valid, non-negative envelope.
- Test Data ():generated by amplitude-modulating a carrier wave () with , scaled by amplitude .
4.3. Generation and Evaluation of Real sEMG Signal
5. Conclusions
Author Contributions
Funding
Institutional Review Board Statement
Informed Consent Statement
Data Availability Statement
Acknowledgments
Conflicts of Interest
Abbreviations
| sEMG | Surface Electromyography |
| MAV | Moving verage |
| MSE | Mean Square Error |
| LP | Low Pass |
| iEMG | Intramuscular Electromyography |
| MFs | Muscle Fibers |
| MUAP | Motor Unit Action Potential |
| HMI | Human–Machine Interface |
| RMS | Root Mean Square |
| DWT | Discrete Wavelet Transform |
| IIR | Infinite Impulse Response |
| PFE | Partial Fraction Expansion |
| NIs | National Instruments |
| FDATool | Filter Designing and Analysis Tool |
| DSP | Digital Signal Processing |
| GPUs | Graphics Processing Units |
| FPGA | Field-Programmable Gate Array |
| I/O | Input/Output |
| CLBs | Configurable Logic Blocks |
| VI | Virtual Instrument |
| AM | Amplitude Modulation |
| SENIAM | Surface EMG for Non-Invasive Assessment of Muscles |
References
- Medved, V.; Cifrek, M. Kinesiological electromyography. In Biomechanics in Applications; Intechopen: London, UK, 2011; pp. 349–366. [Google Scholar] [CrossRef]
- Abdelouahad, A.; Mohamed, E.; Abdellah, C.; Ahmed, I.; Jbari, A.; Saadane, R. ML-Based Identification of Neuromuscular Disorder Using EMG Signals for Emotional Health Application. In ACM Transactions on Internet Technology; Association for Computing Machinery: New York, NY, USA, 2023. [Google Scholar] [CrossRef]
- Ibne, R.M.B.; Sazzad, H.M.; Faisal, M.-Y. Techniques of EMG signal analysis: Detection, processing, classification and applications. Biol. Proced. Online 2006, 8, 11–35. [Google Scholar] [CrossRef] [PubMed]
- Mathieu, G.; Abdellah, M.; Dominique, C. Assessment of skeletal muscle fatigue in men with coronary artery disease using surface electromyography during isometric contraction of quadriceps muscles. Arch. Phys. Med. Rehabil. 2005, 86, 210–215. [Google Scholar] [CrossRef]
- Fezazi, M.E.; Achmamad, A.; Jbari, A.; Jilbab, A. IoT-Based System Using IMU Sensor Fusion for Knee Telerehabilitation Monitoring. IEEE Sens. J. 2025, 25, 11906–11914. [Google Scholar] [CrossRef]
- Chowdhury, R.H.; Bi, R.M.; Mohd, A.M.A.B. Surface electromyography signal processing and classification techniques. Sensors 2013, 13, 12431–12466. [Google Scholar] [CrossRef] [PubMed]
- Michael, O.; Eike, P.; Christian, H. Sparse estimation for the assessment of muscular activity based on sEMG measurements. IFAC-PapersOnLine 2018, 51, 305–310. [Google Scholar] [CrossRef]
- Tenan, M.S.; Tweedell, A.J.; Haynes, C.A. Analysis of statistical and standard algorithms for detecting muscle onset with surface electromyography. PLoS ONE 2017, 12, e0177312. [Google Scholar] [CrossRef] [PubMed]
- Barzilay, O.; Wolf, A. A fast implementation for EMG signal linear envelope computation. J. Electromyogr. Kinesiol. 2011, 21, 678–682. [Google Scholar] [CrossRef] [PubMed]
- Yang, D.; Zhang, H.; Gu, Y. Accurate EMG onset detection in pathological, weak and noisy myoelectric signals. Biomed. Signal Process. Control 2017, 33, 306–315. [Google Scholar] [CrossRef]
- Singh, R.E.; Iqbal, K.; White, G. A review of EMG techniques for detection of gait disorders. In Artificial Intelligence—Applications in Medicine and Biology; Intechopen: London, UK, 2019. [Google Scholar] [CrossRef]
- Ferdjallah, M.; Wertsch, J.J. Anatomical and technical considerations in surface electromyography. Phys. Med. Rehabil. Clin. N. Am. 1998, 9, 925–931. [Google Scholar] [CrossRef] [PubMed]
- Dai, C.; Hu, X. Independent component analysis based algorithms for high-density electromyogram decomposition: Systematic evaluation through simulation. Comput. Biol. Med. 2019, 109, 171–181. [Google Scholar] [CrossRef]
- Lazarov, B.S.; Matzen, R.; Elesin, Y. Topology optimization of pulse shaping filters using the Hilbert transform envelope extraction. Struct. Multidiscip. Optim. 2011, 44, 409–419. [Google Scholar] [CrossRef]
- Mummidisetty, C.K. Analysis of EMG During Clonus Using Wavelets. Ph.D. Dissertation, University of Miami, Coral Gables, FL, USA, 2009. [Google Scholar]
- Ranaldi, S.; De Marchis, C.; Conforto, S. An automatic, adaptive, information-based algorithm for the extraction of the sEMG envelope. J. Electromyogr. Kinesiol. 2018, 42, 1–9. [Google Scholar] [CrossRef]
- Clancy, E.A. Electromyogram amplitude estimation with adaptive smoothing window length. IEEE Trans. Biomed. Eng. 2002, 46, 717–729. [Google Scholar] [CrossRef]
- Principe, J.C.; De Vries, B.; De Oliveira, P.G. The gamma-filter-a new class of adaptive IIR filters with restricted feedback. IEEE Trans. Signal Process. 1993, 41, 649–656. [Google Scholar] [CrossRef]
- Zahoor, S.; Naseem, S. Design and implementation of an efficient FIR digital filter. Cogent Eng. 2017, 4, 1323373. [Google Scholar] [CrossRef]
- Hubley-Kozey, C.; Deluzio, K.; Dunbar, M. Muscle co-activation patterns during walking in those with severe knee osteoarthritis. Clin. Biomech. 2008, 23, 71–80. [Google Scholar] [CrossRef] [PubMed]
- Bank, B. Converting infinite impulse response filters to parallel form. IEEE Signal Process. Mag. 2018, 35, 124–130. [Google Scholar] [CrossRef]
- Liski, J.; Bank, B.; Smith, J.O. Converting series biquad filters into delayed parallel form: Application to graphic equalizers. IEEE Trans. Signal Process. 2019, 67, 3785–3795. [Google Scholar] [CrossRef]
- Abdelouahad, A.; Belkhou, A.; Jbari, A. Time and frequency parameters of sEMG signal—Force relationship. In Proceedings of the 2018 4th International Conference on Optimization and Applications (ICOA), Mohammedia, Morocco, 26–27 April 2018; pp. 1–5. [Google Scholar] [CrossRef]













| Parameter | Value |
|---|---|
| Filter type | Low pass |
| Design method | Butterworth |
| Structure | Direct form I |
| Sampling frequency | = 5 kHz |
| Cut-off frequency | = 5 Hz |
| k | ||
|---|---|---|
| 0 | 1 | |
| 1 | ||
| 2 | ||
| 3 |
| FPGA Type | Xilinx Kintex-7 7K70T | ||||
|---|---|---|---|---|---|
| Implemented Filter | Proposed Design LP Filter | MAV Filter | |||
| Device Utilization | Used | % | Used | % | Available |
| Total slices | 2900 | 28.3 | 3894 | 38 | 10,250 |
| Number of flip-flops | 6635 | 8.1 | 14,622 | 17.8 | 82,000 |
| Number of six-input LUTs | 7949 | 19.4 | 10,207 | 24.9 | 41,000 |
| Block RAMs | 3 | 2.2 | 3 | 2.2 | 135 |
| Number of DSP slices | 10 | 4.2 | 4 | 1.7 | 240 |
Disclaimer/Publisher’s Note: The statements, opinions and data contained in all publications are solely those of the individual author(s) and contributor(s) and not of MDPI and/or the editor(s). MDPI and/or the editor(s) disclaim responsibility for any injury to people or property resulting from any ideas, methods, instructions or products referred to in the content. |
© 2025 by the authors. Licensee MDPI, Basel, Switzerland. This article is an open access article distributed under the terms and conditions of the Creative Commons Attribution (CC BY) license (https://creativecommons.org/licenses/by/4.0/).
Share and Cite
Achmamad, A.; Jbari, A.; Yaakoubi, N. FPGA-Parallelized Digital Filtering for Real-Time Linear Envelope Detection of Surface Electromyography Signal on cRIO Embedded System. Sensors 2025, 25, 6770. https://doi.org/10.3390/s25216770
Achmamad A, Jbari A, Yaakoubi N. FPGA-Parallelized Digital Filtering for Real-Time Linear Envelope Detection of Surface Electromyography Signal on cRIO Embedded System. Sensors. 2025; 25(21):6770. https://doi.org/10.3390/s25216770
Chicago/Turabian StyleAchmamad, Abdelouahad, Atman Jbari, and Nourdin Yaakoubi. 2025. "FPGA-Parallelized Digital Filtering for Real-Time Linear Envelope Detection of Surface Electromyography Signal on cRIO Embedded System" Sensors 25, no. 21: 6770. https://doi.org/10.3390/s25216770
APA StyleAchmamad, A., Jbari, A., & Yaakoubi, N. (2025). FPGA-Parallelized Digital Filtering for Real-Time Linear Envelope Detection of Surface Electromyography Signal on cRIO Embedded System. Sensors, 25(21), 6770. https://doi.org/10.3390/s25216770

