Climbing Mechanism Design and Fuzzy PID-Based Control for a Stay Cable De-Icing Robot
Abstract
1. Introduction
2. Description of the Prototype
2.1. Concept
2.2. Design
2.3. Analysis
2.4. Motor and Spring Selection
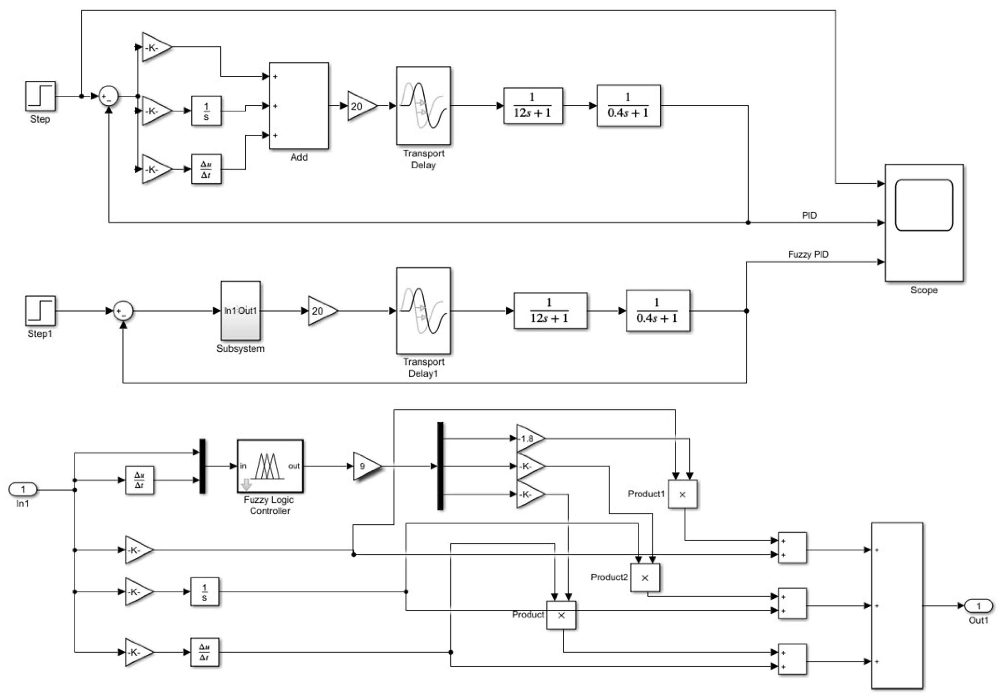
3. Climbing Mechanism Speed Control
3.1. Speed-Clamp Relation
3.2. Fuzzy Pid-Based Clamping Control
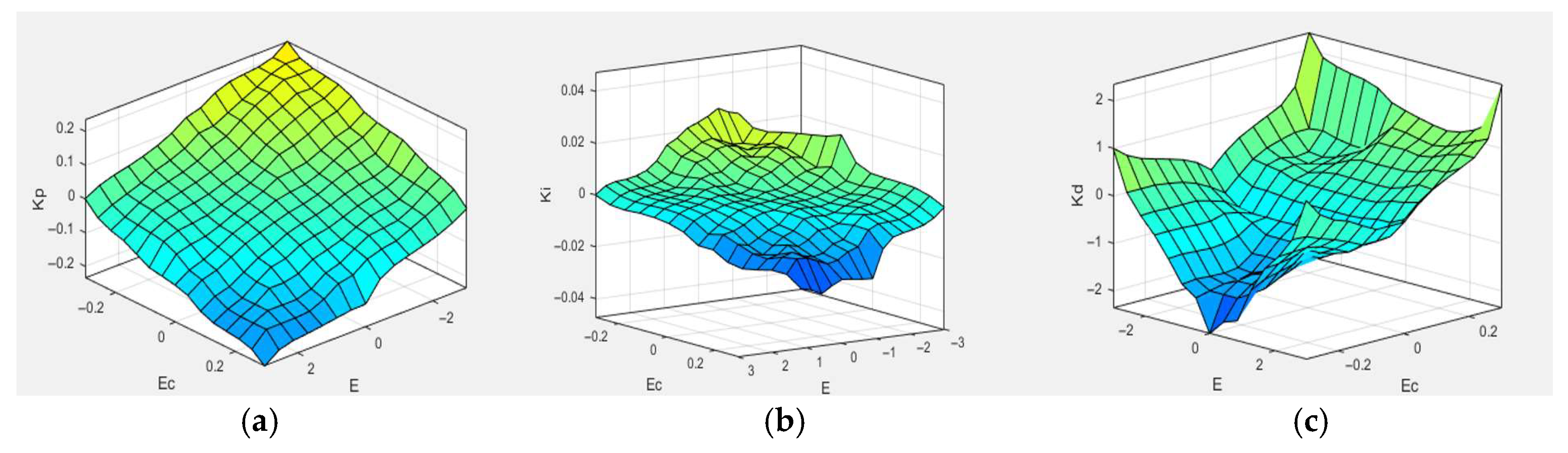
3.3. Fuzzification of Input and Output Control Variables
- (1)
- When the rate of error change is large and has the same sign as the error , it indicates that the actual speed is significantly higher than the desired speed, suggesting an excessive system output. In this case, and should be reduced, while should be increased.
- (2)
- When is small, the actual speed is close to or slightly above the desired value. To reduce overshoot, should be increased, and can be slightly adjusted to suppress internal and external disturbances.
- (3)
- When is moderate, the output control is considered appropriate, and the clamping mechanism should maintain the current state.
- (4)
- When is large but opposite in direction to , it implies that the clamping force is insufficient. In this case, and should be increased to restore stability and climbing speed.
4. Simulation and Experimental
4.1. Simulation
4.2. Experimental
5. Conclusions
6. Discussion
Author Contributions
Funding
Institutional Review Board Statement
Informed Consent Statement
Data Availability Statement
Conflicts of Interest
References
- Jung, H.J.; Yang, T.H.; Jang, B.S. Field Application of a Robotic System on Cable Stays of Incheon Bridge for Snow Removal. In Proceedings of the 28th ISARC, Seoul, Republic of Korea, 29 June 2011. [Google Scholar]
- Li, W.; Geng, Z.; Xiao, H.; Pei, Y.; Yang, K. An Experimental Study on Ice Accretion under Bridge Cable in Different Conditions. Appl. Sci. 2023, 13, 3963. [Google Scholar] [CrossRef]
- Demartino, C.; Koss, H.H.; Georgakis, C.T.; Ricciardelli, F. Effects of Ice Accretion on the Aerodynamics of Bridge Cables. J. Wind Eng. Ind. Aerodyn. 2015, 138, 98–119. [Google Scholar] [CrossRef]
- Akkaya, T.; Van Horssen, W.T. On Boundary Damping to Reduce the Rain–Wind Oscillations of an Inclined Cable with Small Bending Stiffness. Nonlinear Dyn. 2019, 95, 783–808. [Google Scholar] [CrossRef] [PubMed]
- Li, S.; Wu, T.; Huang, T.; Chen, Z. Aerodynamic Stability of Iced Stay Cables on Cable-Stayed Bridge. Wind Struct. 2016, 23, 253–273. [Google Scholar] [CrossRef]
- Roldsgaard, J.; Kiremidjian, A.; Georgakis, C.; Faber, M. Preliminary Probabilistic Prediction of Ice/Snow Accretion on Stay Cables Based on Meteorological Variables. In Safety, Reliability, Risk and Life-Cycle Performance of Structures and Infrastructures; Deodatis, G., Ellingwood, B., Frangopol, D., Eds.; CRC Press: Boca Raton, FL, USA, 2014; pp. 5531–5538. ISBN 978-1-138-00086-5. [Google Scholar]
- Brassard, J.-D.; Blackburn, C.; Toth, M.; Momen, G. Ice Accretion, Shedding, and Melting on Cable-Stayed Bridges: A Laboratory Performance Assessment. Cold Reg. Sci. Technol. 2022, 204, 103672. [Google Scholar] [CrossRef]
- Pei, Y.; Luo, Z.; Xiao, H.; Chen, Z.; Zhou, X.; Yang, Z. A Simple Carbon Fiber Heating Wire Design Method for Preventing Ice Accretion on Stay Cables. Case Stud. Therm. Eng. 2022, 34, 101996. [Google Scholar] [CrossRef]
- Peng, Y.; Veerakumar, R.; Zhang, Z.; Hu, H.; Liu, Y.; He, X.; Hu, H. An Experimental Study on Mitigating Dynamic Ice Accretion Process on Bridge Cables with a Superhydrophobic Coating. Exp. Therm. Fluid Sci. 2022, 132, 110573. [Google Scholar] [CrossRef]
- Matejicka, L.; Georgakis, C.T. A Review of Ice and Snow Risk Mitigation and Control Measures for Bridge Cables. Cold Reg. Sci. Technol. 2022, 193, 103429. [Google Scholar] [CrossRef]
- Fang, G.; Cheng, J. Advances in Climbing Robots for Vertical Structures in the Past Decade: A Review. Biomimetics 2023, 8, 47. [Google Scholar] [CrossRef] [PubMed]
- Mao, Z.; Suzuki, S.; Nabae, H.; Miyagawa, S.; Suzumori, K.; Maeda, S. Machine-Learning-Enhanced Soft Robotic System Inspired by Rectal Functions for Investigating Fecal Incontinence. Bio-Des. Manuf. 2025, 8, 482–494. [Google Scholar] [CrossRef]
- Xu, F.; Wang, X. Design and Experiments on a New Wheel-Based Cable Climbing Robot. In Proceedings of the 2008 IEEE/ASME International Conference on Advanced Intelligent Mechatronics, Xi’an, China, 2–5 July 2008; IEEE: New York, NY, USA, 2008; pp. 418–423. [Google Scholar]
- Xu, F.; Wang, X.; Wang, L. Cable Inspection Robot for Cable-stayed Bridges: Design, Analysis, and Application. J. Field Robot. 2011, 28, 441–459. [Google Scholar] [CrossRef]
- Xu, F.; Dai, S.; Jiang, Q.; Wang, X. Developing a Climbing Robot for Repairing Cables of Cable-Stayed Bridges. Autom. Constr. 2021, 129, 103807. [Google Scholar] [CrossRef]
- Wang, Z.; He, B.; Zhou, Y.; Liu, K.; Zhang, C. Design and Implementation of a Cable Inspection Robot for Cable-Stayed Bridges. Robotica 2021, 39, 1417–1433. [Google Scholar] [CrossRef]
- Kim, J.; Seo, D.-W.; Jung, K.-S.; Park, K.-T. Development of Inspection Robot for Removing Snow on Stays of Cable-Stayed Bridge. J. Korea Acad.-Ind. Coop. Soc. 2020, 21, 246–252. [Google Scholar] [CrossRef]
- Zheng, Z.; Hu, S.; Ding, N. A Biologically Inspired Cable Climbing Robot: CCRobot—Design and Implementation. In Proceedings of the 2018 IEEE International Conference on Robotics and Biomimetics (ROBIO), Kuala Lumpur, Malaysia, 12–15 December 2018; IEEE: New York, NY, USA, 2018; pp. 2354–2359. [Google Scholar]
- Ding, N.; Zheng, Z.; Song, J.; Sun, Z.; Lam, T.L.; Qian, H. CCRobot-III: A Split-Type Wire-Driven Cable Climbing Robot for Cable-Stayed Bridge Inspection. In Proceedings of the 2020 IEEE International Conference on Robotics and Automation (ICRA), Paris, France, 31 May–31 August 2020; IEEE: New York, NY, USA, 2020; pp. 9308–9314. [Google Scholar]
- Zheng, Z.; Ding, N.; Chen, H.; Hu, X.; Zhu, Z.; Fu, X.; Zhang, W.; Zhang, L.; Hazken, S.; Wang, Z.; et al. CCRobot-V: A Silkworm-Like Cooperative Cable-Climbing Robotic System for Cable Inspection and Maintenance. In Proceedings of the 2022 International Conference on Robotics and Automation (ICRA), Philadelphia, PA, USA, 23–27 May 2022; IEEE: New York, NY, USA, 2022; pp. 164–170. [Google Scholar]
- Yi, Q.; Zhuang, H.; Lu, C.; Gao, H.; Wang, W. Optimal Control Algorithm of Working Speed of Deicing Robot Based on Fuzzy PID. In Proceedings of the 2020 IEEE 4th Information Technology, Networking, Electronic and Automation Control Conference (ITNEC), Chongqing, China, 12–14 June 2020; IEEE: New York, NY, USA, 2020; pp. 2118–2122. [Google Scholar]
- Xu, F.; Ma, K.; Zhou, Y.; Zhang, S.; Song, J.; Fan, B.; Jiang, Q. Design and Control Method of a Coupled Loading–Damping Mechanism of Cable-Detecting Robots for Large Bridges. J. Field Robot. 2025, 42, 2005–2027. [Google Scholar] [CrossRef]
- Zheng, D.; Ou, C. The Development of Crawer Tye Cable Robot System. J. Zhejiang Ind. Trade Vocat. Coll. 2011, 11, 72–75. [Google Scholar]
- Son, G.-H.; Cho, S.-J.; Park, Y.-J. Rib Design for Improving the Local Stiffness of Gearbox Housing for Agricultural Electric Vehicles. Appl. Sci. 2019, 9, 4571. [Google Scholar] [CrossRef]
- Zhao, S.; Zhou, Y.; Wang, Y. The Design about the Spring of the Climbing Structure Used on the Cable Robot. Mod. Manuf. Eng. 2013, 38–41. [Google Scholar] [CrossRef]
- Ang, K.H.; Chong, G.; Li, Y. PID Control System Analysis, Design, and Technology. IEEE Trans. Contr. Syst. Technol. 2005, 13, 559–576. [Google Scholar] [CrossRef]
- Wang, P.; Feng, T.; Song, C.; Li, J.; Yang, S.X. A Study of the Stability of an Industrial Robot Servo System: PID Control Based on a Hybrid Sparrow Optimization Algorithm. Actuators 2025, 14, 49. [Google Scholar] [CrossRef]




















| Reduction Ratio | Rated Voltage (V) | Rated Torque (kg.cm) | Power (W) | No-load Speed (RPM) | Rated Speed (RPM) |
|---|---|---|---|---|---|
| 48 | 24 | 40 | 108 | 120 | 86 |
| Holding Torque (mN·m) | Max. Horizontal Load (kg) | Max. Vertical Load (kg) | Screw Size (mm) | Lead (mm) | Full-load Speed (450 rpm/min) |
|---|---|---|---|---|---|
| 1900 | 54 | 45 | 0.63 | 2 | 15.0 mm/s |
| e | ||||||||
| NB | NM | NS | ZO | PS | PM | PB | ||
| ec | NB | PB | PB | PM | PM | PS | ZO | ZO |
| NM | PB | PB | PM | PS | PS | ZO | NS | |
| NS | PM | PM | PM | PS | ZO | NS | NS | |
| ZO | PM | PM | PS | ZO | NS | NM | NM | |
| PS | PS | PS | ZO | NS | NS | NM | NM | |
| PM | PS | ZO | NS | NM | NM | NM | NB | |
| PB | ZO | ZO | NM | NM | NM | NB | NB | |
| e | ||||||||
| NB | NM | NS | ZO | PS | PM | PB | ||
| ec | NB | NB | NB | NM | NM | NS | ZO | ZO |
| NM | NB | NB | NM | NS | NS | ZO | ZO | |
| NS | NB | NM | NS | NS | ZO | PS | PS | |
| ZO | NM | NM | NS | ZO | PS | PM | PM | |
| PS | NM | NS | ZO | PS | PS | PM | PB | |
| PM | ZO | ZO | PS | PS | PM | PB | PB | |
| PB | ZO | ZO | PS | PM | PM | PB | PB | |
| e | ||||||||
| NB | NM | NS | ZO | PS | PM | PB | ||
| ec | NB | PS | NS | NB | NB | NB | NM | PS |
| NM | PS | NS | NB | NS | NS | ZO | ZO | |
| NS | ZO | NS | NM | NS | ZO | PS | PS | |
| ZO | ZO | NS | NS | ZO | PS | PM | PM | |
| PS | ZO | ZO | ZO | PS | PS | PM | PB | |
| PM | PB | NS | PS | PS | PM | PB | PB | |
| PB | PB | PM | PM | PM | PM | PB | PB | |
| Inclination Angle (°) | Peak Rotational Speed (r/min) | Speed Regulation Time (s) | Rise Time (s) | Steady-State Error (%) | Overshoot (r/min) | Climbing Duration (s) |
|---|---|---|---|---|---|---|
| 30° | 53.2 | 2.5 | 0.748 | <±1.5 | 0.7 | 13.6 |
| 45° | 56.3 | 3.0 | 0.801 | <±1.5 | 1.2 | 15.8 |
| 60° | 60.6 | 3.6 | 0.794 | <±1.5 | 2.3 | 17.2 |
Disclaimer/Publisher’s Note: The statements, opinions and data contained in all publications are solely those of the individual author(s) and contributor(s) and not of MDPI and/or the editor(s). MDPI and/or the editor(s) disclaim responsibility for any injury to people or property resulting from any ideas, methods, instructions or products referred to in the content. |
© 2025 by the authors. Licensee MDPI, Basel, Switzerland. This article is an open access article distributed under the terms and conditions of the Creative Commons Attribution (CC BY) license (https://creativecommons.org/licenses/by/4.0/).
Share and Cite
Pei, Y.; Li, S.; Chen, Z.; Xiao, H.; Huang, S.; Li, C.; Xi, L. Climbing Mechanism Design and Fuzzy PID-Based Control for a Stay Cable De-Icing Robot. Sensors 2025, 25, 6765. https://doi.org/10.3390/s25216765
Pei Y, Li S, Chen Z, Xiao H, Huang S, Li C, Xi L. Climbing Mechanism Design and Fuzzy PID-Based Control for a Stay Cable De-Icing Robot. Sensors. 2025; 25(21):6765. https://doi.org/10.3390/s25216765
Chicago/Turabian StylePei, Yaoyao, Shunxi Li, Zhi Chen, Henglin Xiao, Silu Huang, Changjie Li, and Lei Xi. 2025. "Climbing Mechanism Design and Fuzzy PID-Based Control for a Stay Cable De-Icing Robot" Sensors 25, no. 21: 6765. https://doi.org/10.3390/s25216765
APA StylePei, Y., Li, S., Chen, Z., Xiao, H., Huang, S., Li, C., & Xi, L. (2025). Climbing Mechanism Design and Fuzzy PID-Based Control for a Stay Cable De-Icing Robot. Sensors, 25(21), 6765. https://doi.org/10.3390/s25216765

