Crude Oil Yield Estimation: Recent Advances and Technological Progress in the Oil Refining Industry
Abstract
1. Introduction
2. Oil Refinery and Petroleum Products
2.1. Oil Refining Process
2.2. Product Distribution in Oil Refining
3. Yield Estimation of Petroleum Products
4. Laboratory Techniques
4.1. Gas Chromatography
4.2. Physical and Instrumentation Analysis
4.3. Spectroscopy
5. Development of Process Simulation
5.1. AspenTech
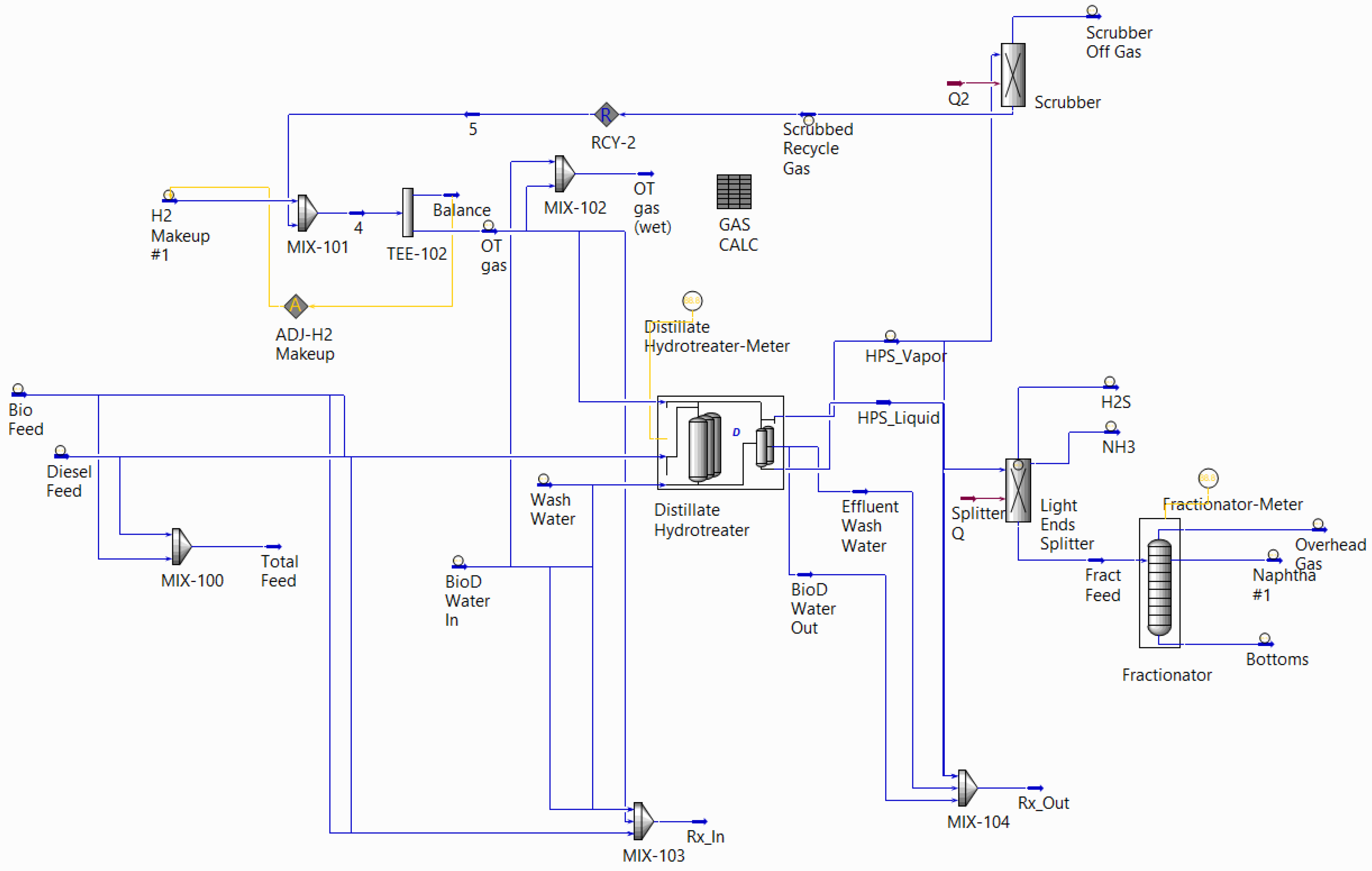
Case Study
5.2. Petro-SIM
Case Study
5.3. UniSim Design Simulator
5.4. Alternative Simulation Software
6. Process Modelling and Machine Learning
6.1. Mathematical Modelling
6.2. Machine Learning
6.2.1. Neural Network
| Model Types | Objective | Unit Process Applied | Advantages | Limitation | Ref. |
|---|---|---|---|---|---|
| ANN | Gasoline and butane concentration | Debutanizer | Able to overcome delay. Enables efficient, low-cost, real- time estimation. | Prediction depends on data variables’ quality. Requires data preprocessing. | [141] |
| ANN | Distillate composition | Distillation column | Handle many inputs with accurate results. | Manual tuning of synaptic weight and threshold reduces classification error. Uncertainty in controlling product composition. | [139] |
| ANN | Mole fraction of distillate product | Binary distillation column | Satisfactory estimation performance. Enhances overall control. Enables fast response. | Selection of secondary variables (nature and location). | [142] |
| ANN | Product composition | Reactive distillation column | Allows error refinement. Capability to manage composition under dynamic settings. | Complex unit operations delay model development. | [143] |
| ANN | Top and bottom composition, reflux ratio | Batch distillation | Sped-up training improves prediction. | Choices of suitable model optimization. | [144] |
| RANN | Product composition | Batch distillation | Good agreement with actual values. | Consistency of model prediction under normal and noise temperature. | [145] |
| Adaptive NN | Product composition | Binary distillation column | High accuracy with faster response. | Low efficiency with high input and multicomponent mixtures. | [146] |
| XGBoost | Ethane and ethylene composition | Batch distillation | Only requires temperature and pressure sensors. | Requires intense data preparation. | [147] |
| SVM-Bayesian | Product yields | Hydrodesulfurization process | Can handle nonlinear complex data. | Multiple factors affecting SO2 removal efficiency. | [148] |
| SVR-GA | Product yields | Hydrodesulfurization process | Improves accuracy and alignment with expected values. | Requires dataset fine-tuning. | [149] |
6.2.2. Support Vector Machine
6.2.3. Gradient Boosting
6.2.4. Gaussian Process Regression
7. Hybrid Approaches in Yield Estimation
| Hybrid Technique | Detailed Model | Key Findings | Limitations | Ref. |
|---|---|---|---|---|
| Simulation, mathematical modelling, and AI | HYSYS, MATLAB, inferential estimation, PLS (linear, single, aggregated network) | Bootstrap model estimates well across crude types and small datasets. Neural network enhances accuracy and robustness. | Requires classifier for crude oil before model integration. Crude oil changes significantly impact model generalization. | [153] |
| Simulation and mathematical modelling | HYSYS, MATLAB, SDF | Accurate prediction for nonlinear system. Fine-tuning reduces error and boosts accuracy. Fast response in dynamic environment. | Minor processing time deviation due to overshoot and damping. Requires more sensitive input than output variables. | [154] |
| Simulation and AI | Hybrid data (real data and simulation), PETRO-SIM, DNN and NLP optimization | Plant data enhance model prediction, performance, and accuracy. DNN improves simulation data accuracy. Model accuracy and efficiency depend on dataset quality. | Extrapolation causes inaccurate prediction. Requires good data quality. Significant feedstock changes lower performance and necessitate model retraining. | [155] |
| Laboratory, mathematical modelling, and AI | Spectroscopy, spectral pretreatment, PLS, ELM, RF | Mid-infrared spectroscopy shows high correlation coefficient. Suitable spectral pretreatment improves model optimization. | High dependency on spectral quality. Requires multiple spectral pretreatments. | [94] |
| Laboratory and AI | NMR, CNN, NNR, RVFL | NMR offers broad spectral range and high resolution for crude analysis. Deep learning offers better estimation. Deep learning offers greater accuracy and robustness than CNN model. | Requires transformation of spectral data into 2D. Requires pretraining process to mitigate overfitting issue. | [156] |
| Laboratory and mathematical modelling | ATR-IR and PLS model | Excellent prediction and model precision for well-blended crude oil. Provides qualitative and quantitative analysis. Reliable and simple prediction system. | Only suitable for pure crude oils. Less accurate for high-temperature yield. Requires good blending of crude oil. Encounters prediction inconsistency with non-crude oil blends. | [98] |
8. Future Prospects
- Hybrid approaches exhibit good predictive ability by implementing multiple methods in data collection and modelling. Thus, future work should incorporate diverse sources of data collection in the development of a synchronized model with outstanding prediction accuracy.
- Prediction efficiency is significantly impacted by the data size used for data learning, resulting in lower bias, reduced overfitting, and a deeper understanding of more complex relationships. It is suggested to improve the data bank through data storage and the creation of a centralized platform for a variety of data collection tasks, including cloud-based and data science applications.
- As data-driven approaches continue to positively improve the prediction of crude oil, enhancing model development is the best option. Incorporating automation into data preprocessing can reduce fluctuation in estimation with higher accuracy and precision.
- A dynamic yield forecast can be achieved through the use of soft sensors and real-time monitoring. Continuous data prediction is helpful in decision-making and optimizing plant operations for a sustainable future.
9. Conclusions
Author Contributions
Funding
Institutional Review Board Statement
Informed Consent Statement
Data Availability Statement
Acknowledgments
Conflicts of Interest
References
- Alsayoof, L.; Shams, M.B. The role of crude oil selection in enhancing the profitability of a local refinery with lube hydro-processing capacity. Chem. Eng. Res. Des. 2022, 185, 146–162. [Google Scholar] [CrossRef]
- Stratiev, D.; Dinkov, R.; Nikolaev, N.; Stanulov, K. Evaluation of impact of crude oil quality on refinery profit. Erdoel Erdgas Kohle 2010, 126, 17–21. [Google Scholar]
- Wu, J.X.; Li, S.F.; Li, Q.F.; Yan, F.; Zhou, Q.L.; Ma, S.; Zhang, Y.H.; Zhao, S.Q.; Shi, Q. Characterization of chemical composition of high viscosity heavy oils: Macroscopic properties, and semi-quantitative analysis of molecular composition using high-resolution mass spectrometry. Pet. Sci. 2024, 21, 3612–3620. [Google Scholar] [CrossRef]
- Sivasakthi, A.; Nagalakshmi, T. Characterization of heavy crude oil through physical and chemical properties. Int. J. Sci. Adv. Res. Technol. IJSART 2018, 4, 1379–1382. [Google Scholar]
- Marfo, S.A.; Appau, P.O.; Tettegah, D. Software approach on crude oil yields prediction: A case study of Tema Oil Refinery. J. Petroleum. Gas Eng. 2019, 10, 101–119. [Google Scholar][Green Version]
- Koçman, Ö.; Atay, Ö.; Zehir, C. Implementing Green Management in the Petroleum Industry: A Model Proposal for Türkiye. Energies 2025, 18, 1488. [Google Scholar] [CrossRef]
- Malaysian Investment Development Authority. (MIDA) Oil and Gas Industry in Malaysia; MIDA: Kuala Lumpur, Malaysia, 2025. [Google Scholar]
- Devold, H. Oil and Gas Production Handbook: An Introduction to Oil and Gas Production; ABB Oil and Gas: Zurich, Switzerland, 2013. [Google Scholar]
- Álvarez, E.; Bravo, M.; Jiménez, B.; Mourão, A.; Schultes, R. The Oil and Gas Value Chain: A Focus on Oil Refining; Boston Consulting Group in collaboration with Orkestra; Cuadernos Orkestra nº46: Basque Country, Spain, 2018. [Google Scholar]
- Darko, E. Short Guide Summarising the Oil and Gas Industry Lifecycle for a Non-Technical Audience; Overseas Development Institute: London, UK, 2014. [Google Scholar]
- Craig, J.; Quagliaroli, F. The oil & gas upstream cycle: Exploration activity. In Proceedings of the EPJ Web of Conferences; EDP Sciences: Les Ulis, France, 2020; Volume 246, p. 00008. [Google Scholar][Green Version]
- Hadzihafizovic, D. Petroleum Refining Processes; CRC Press: Boca Raton, FL, USA, 2024. [Google Scholar]
- Puhan, D.; Casford, M.T.; Davies, P.B. Evaluation of structural and compositional changes of a model monoaromatic hydrocarbon in a Benchtop hydrocracker using GC, FTIR, and NMR spectroscopy. ACS Omega 2023, 8, 35988–36000. [Google Scholar] [CrossRef]
- Cerić, E. Crude Oil, Processes and Products; IBC d.o.o, Sarajevo: Sarajevo, Bosnia & Herzegovina, 2012. [Google Scholar]
- Speight, J.G. Handbook of Petroleum Refining; CRC Press: Boca Raton, FL, USA, 2016. [Google Scholar]
- Eldos, H.I.; Khan, M.; Zouari, N.; Saeed, S.; Al-Ghouti, M.A. Characterization and assessment of process water from oil and gas production: A case study of process wastewater in Qatar. Case Stud. Chem. Environ. Eng. 2022, 6, 100210. [Google Scholar] [CrossRef]
- Adiko, S.B.; Mingasov, R.R. Crude Distillation Unit (CDU). In Analytical Chemistry-Advancement, Perspectives and Applications; IntechOpen: Rijeka, Croatia, 2020. [Google Scholar]
- Pak, A.; Mohammadi, T. Wastewater treatment of desalting units. Desalination 2008, 222, 249–254. [Google Scholar] [CrossRef]
- Kundnaney, N.D.; Kushwaha, D.K. A critical review on heat exchangers used in oil refinery. In Proceedings of the 3rd Afro-Asian International Conference on Science, Engineering and Technology, Bharuch, India, 27–28 March 2015. [Google Scholar]
- Olsen, T. An oil refinery walk-through. Chem. Eng. Prog. 2014, 8. [Google Scholar]
- Speight, J.G. The Refinery of the Future; Gulf Professional Publishing: Houston, TX, USA, 2020. [Google Scholar]
- Thirunavukkarasu, I.; Janani, R.; Yadav, E.S.; Selvanathan, S.P. Modeling and control of tray temperature along with column pressure in a pilot plant distillation column. In Proceedings of the 2019 International Conference on Automation, Computational and Technology Management (ICACTM), London, UK, 24–26 April 2019; pp. 450–454. [Google Scholar]
- Liu, Z.Y.; Jobson, M. The effect of operating pressure on distillation column throughput. Comput. Chem. Eng. 1999, 23, S831–S834. [Google Scholar] [CrossRef]
- Speight, J.G. Thermal and Catalytic Processing in Petroleum Refining Operations; CRC Press: Boca Raton, FL, USA, 2023. [Google Scholar]
- Cheremisinoff, N.P.; Rosenfeld, P.E. Handbook of Pollution Prevention and Cleaner Production Volume 1: Best Practices in the Petroleum Industry; William Andrew: Norwich, NY, USA, 2009. [Google Scholar]
- Speight, J.G. Heavy Oil Recovery and Upgrading; Gulf Professional Publishing: Houston, TX, USA, 2019. [Google Scholar]
- Akhtar, F.; Andersson, L.; Ogunwumi, S.; Hedin, N.; Bergström, L. Structuring adsorbents and catalysts by processing of porous powders. J. Eur. Ceram. Soc. 2014, 34, 1643–1666. [Google Scholar] [CrossRef]
- Foong, S.Y.; Chan, Y.H.; Cheah, W.Y.; Kamaludin, N.H.; Ibrahim, T.N.B.T.; Sonne, C.; Peng, W.; Show, P.L.; Lam, S.S. Progress in waste valorization using advanced pyrolysis techniques for hydrogen and gaseous fuel production. Bioresour. Technol. 2021, 320, 124299. [Google Scholar] [CrossRef]
- Sampson, I.; Harcourt, P. Catalytic Polymerisation of Light Gases Majorly Olefins to Produce Polymer Gasoline. In Proceedings of the 44TH Annual Conference of Nigerian Society of Chemical, Owerri, Nigeria, 2–6 September 2014. [Google Scholar]
- Speight, J.G.; El-Gendy, N.S. Introduction to Petroleum Biotechnology; Gulf Professional Publishing: Houston, TX, USA, 2017. [Google Scholar]
- Shipman, R. Liquefied petroleum gas. In Plant Engineer’s Reference Book; Elsevier: Amsterdam, The Netherlands, 2002; pp. 14/1–14/14. [Google Scholar]
- Civan, F.; Cleveland, C. Natural Gas Transportation and Storage. Encycl. Energy 2004, 4, 273–282. [Google Scholar]
- Synák, F.; Čulík, K.; Rievaj, V.; Gaňa, J. Liquefied petroleum gas as an alternative fuel. Transp. Res. Procedia 2019, 40, 527–534. [Google Scholar] [CrossRef]
- Hammeed, G.; Orifah, M.; Ijeoma, M.; Tijani, S. Assessment of the Use of Liquefied Petroleum Gas (LPG) as Cooking Energy Source Among Rural Households in Badagry Area of Lagos State. Am. Sci. Res. J. Eng. Technol. Sci. (ASRJETS) 2016, 19, 16–28. [Google Scholar]
- Abbas, F.A. LPG as an Alternative Fuel of Automobile in Iraq; State Company for Gas Filling and Services: Mosul, Iraq, 2022. [Google Scholar]
- Silva, A.P.; Bahú, J.O.; Soccol, R., Jr.; Rodríguez-Urrego, L.; Fajardo-Moreno, W.S.; Moya, H.; León-Pulido, J.; Cárdenas Concha, V.O. Naphtha characterization (PIONA, density, distillation curve and sulfur content): An origin comparison. Energies 2023, 16, 3568. [Google Scholar] [CrossRef]
- Speight, J.G. Handbook of Industrial Hydrocarbon Processes; Gulf Professional Publishing: Houston, TX, USA, 2019. [Google Scholar]
- Redwan, D.S.; Abu-Shbak, M.M.; Bubshait, K.A. Supply and demand of light naphtha as potential petrochemical feedstock in Saudi Arabia. Pet. Sci. Technol. 1999, 17, 857–876. [Google Scholar] [CrossRef]
- Badra, J.; Elwardany, A.; Sim, J.; Viollet, Y.; Im, H.G.; Chang, J. Effects of in-cylinder mixing on low octane gasoline compression ignition combustion. In Proceedings of the SAE 2016 World Congress and Exhibition, Detroit, MI, USA, 12–14 April 2016; pp. 1–16. [Google Scholar]
- Magaril, E.; Magaril, R. Application of modified gasoline to increase energy efficiency and environmental parameters of vehicle operation. WIT Trans. Ecol. Environ. 2020, 246, 3–8. [Google Scholar]
- Outlook, W.F. Short-Term Energy Outlook; U.S. Energy Information Administration (EIA): Washington, DC, USA, 2010. [Google Scholar]
- Speight, J. Production, properties and environmental impact of hydrocarbon fuel conversion. In Advances in Clean Hydrocarbon Fuel Processing; Elsevier: Amsterdam, The Netherlands, 2011; pp. 54–82. [Google Scholar]
- Speight, J.G. Handbook of Petroleum Product Analysis; John Wiley & Sons: Hoboken, NJ, USA, 2015. [Google Scholar]
- Mazurek, W.; Kemp, T.; Bruce, G.; Forrest, J. Understanding the Impact of Refined Product Properties on Synthetic Crude Oil and Bitumen Marketability. In Proceedings of the PETSOC 6th Canadian International Petroleum Conference, Calgary, Alberta, 7–9 June 2005; pp. 1–9. [Google Scholar]
- Kittel, H.; Straka, P.; Šimáček, P.; Kadleček, D. Kerosene from hydrocracking for JET fuel with reduced aromatic content. Pet. Sci. Technol. 2023, 41, 507–523. [Google Scholar] [CrossRef]
- Lam, N.L.; Smith, K.R.; Gauthier, A.; Bates, M.N. Kerosene: A review of household uses and their hazards in low-and middle-income countries. J. Toxicol. Environ. Health Part B 2012, 15, 396–432. [Google Scholar] [CrossRef]
- Aitani, A.M. Oil Refining and Products. In Encyclopedia of Energy; Elsevier: Amsterdam, The Netherlands, 2004; pp. 715–729. [Google Scholar]
- Demirbas, A.; Acar, S.; Horasan, B.Y.; Alalayah, W.M. Analysis of petroleum coke from low grade oily sludge of refinery. Pet. Sci. Technol. 2018, 36, 904–909. [Google Scholar] [CrossRef]
- Wang, S. The Application of Diesel Engine: From 21st Century to Modern Life. Highlights Sci. Eng. Technol. 2024, 114, 37–42. [Google Scholar] [CrossRef]
- Marketing, G. Diesel Fuels Technical Review; Chevron Corporation: San Ramon, CA, USA, 2007. [Google Scholar]
- Bart, J.C.; Gucciardi, E.; Cavallaro, S. Biolubricants: Science and Technology; Elsevier: Amsterdam, The Netherlands, 2012. [Google Scholar]
- Zhang, C.; Li, K.; Luo, J. Superlubricity with nonaqueous liquid. In Superlubricity; Elsevier: Amsterdam, The Netherlands, 2021; pp. 379–403. [Google Scholar]
- Khudhur, A.G.; Mohammed, Z.I. Statistical Model for Re-Refining of Used Lubricating Oil by Solvent Extraction and Bentonite Clay Adsorption Method. In Proceedings of the IOP Conference Series: Materials Science and Engineering; IOP Publishing: Bristol, UK, 2020; Volume 978, p. 012027. [Google Scholar]
- Ait Allal, A.; Mansouri, K.; Youssfi, M.; Qbadou, M. Toward an evaluation of marine fuels for a clean and efficient autonomous ship propulsion energy. Mater. Today Proc. 2019, 13, 486–495. [Google Scholar] [CrossRef]
- IARC Working Group on the Evaluation of Carcinogenic Risks to Humans. FUEL OILS (HEATING OIL). In Occupational Exposures in Petroleum Refining; Crude Oil and Major Petroleum Fuels; International Agency for Research on Cancer: Lyon, France, 1989. [Google Scholar]
- Vermeire, M.B. Everything You Need to Know About Marine Fuels; Chevron Global Marine Products: Houston, TX, USA, 2021. [Google Scholar]
- Speight, J.G. Chapter 8-Uses of Asphalt; Asphalt Materials Science and Technology, Butterworth-Heinemann: Boston, MA, USA, 2016; pp. 341–359. [Google Scholar]
- Zhang, H. Introductory chapter: Asphalt and asphalt mixture. In Asphalt and Asphalt Mixtures; IntechOpen: Rijeka, Croatia, 2019. [Google Scholar] [CrossRef]
- Shestakov, N.; Putilin, S. Application of water-organic emulsions for the recovery of asphalt concrete. In Proceedings of the MATEC Web of Conferences, Paris, France, 8–10 November 2018; EDP Sciences: Les Ulis, France, 2018; Volume 251, p. 01029. [Google Scholar]
- Tillman, D.A.; Duong, D.N.; Harding, N.S. Solid Fuel Blending; Elsevier: Amsterdam, The Netherlands, 2012. [Google Scholar]
- Boateng, A.A. Rotary Kilns: Transport Phenomena and Transport Processes; Butterworth-Heinemann: Waltham, MA, USA, 2015. [Google Scholar]
- Parraga, J.; Khalilpour, K.R.; Vassallo, A. Polygeneration with biomass-integrated gasification combined cycle process: Review and prospective. Renew. Sustain. Energy Rev. 2018, 92, 219–234. [Google Scholar] [CrossRef]
- Ibrahim, H.A.H. The effect of thermal treatment on the true density of Syrian green delayed petroleum coke. Arab. J. Sci. Eng. 2005, 30, 153161. [Google Scholar]
- Shishkova, I.; Stratiev, D.; Kolev, I.V.; Nenov, S.; Nedanovski, D.; Atanassov, K.; Ivanov, V.; Ribagin, S. Challenges in petroleum characterization—A review. Energies 2022, 15, 7765. [Google Scholar] [CrossRef]
- Wauquier, J.P. Petroleum Refining: Crude Oil, Petroleum Products, Process Flowsheets; Editions Technip: Paris, France, 1995; Volume 1. [Google Scholar]
- Haglund, P.S.; Löfstrand, K.; Siek, K.; Asplund, L. Powerful GC-TOF-MS techniques for screening, identification and quantification of halogenated natural products. Mass Spectrom. 2013, 2, S0018. [Google Scholar] [CrossRef][Green Version]
- Aidha, N.N.; Yunilawati, R.; Rumondang, I. Method development for analysis of essential oils authenticity using gas chromatography-mass spectrometry (GC-MS). In Proceedings of the 2nd International Conference of Essential Oil Indonesia (ICEO), Banda Aceh, Indonesia, 29–30 October 2020; pp. 41–46. [Google Scholar]
- Chua, C.C.; Brunswick, P.; Kwok, H.; Yan, J.; Cuthbertson, D.; van Aggelen, G.; Helbing, C.C.; Shang, D. Enhanced analysis of weathered crude oils by gas chromatography-flame ionization detection, gas chromatography-mass spectrometry diagnostic ratios, and multivariate statistics. J. Chromatogr. A 2020, 1634, 461689. [Google Scholar] [CrossRef]
- Reddy, C.M.; Quinn, J.G. GC-MS analysis of total petroleum hydrocarbons and polycyclic aromatic hydrocarbons in seawater samples after the North Cape oil spill. Mar. Pollut. Bull. 1999, 38, 126–135. [Google Scholar] [CrossRef]
- Feng, T.; Sun, M.; Song, S.; Zhuang, H.; Yao, L. Gas chromatography for food quality evaluation. In Evaluation Technologies for Food Quality; Elsevier: Amsterdam, The Netherlands, 2019; pp. 219–265. [Google Scholar]
- Sudhakar, P.; Latha, P.; Reddy, P. Phenotyping Crop Plants for Physiological and Biochemical Traits; Academic Press: Cambridge, MA, USA, 2016. [Google Scholar]
- Gebruers, K.; Courtin, C.M.; Delcour, J.A. Quantification of arabinoxylans and their degree of branching using gas chromatography. In Healthgrain Methods: Analysis of Bioactive Components in Small Grain Cereals; Elsevier: Amsterdam, The Netherlands, 2009; pp. 177–189. [Google Scholar]
- Briker, Y.; Ring, Z.; Iacchelli, A.; McLean, N.; Rahimi, P.; Fairbridge, C.; Malhotra, R.; Coggiola, M.; Young, S. Diesel fuel analysis by GC- FIMS: Aromatics, n-paraffins, and isoparaffins. Energy Fuels 2001, 15, 23–37. [Google Scholar] [CrossRef]
- Malhotra, R.; Coggiola, M.; Young, S.; Hsu, C.; Dechert, G.; Rahimi, P. Rapid detailed analysis of diesel fuels by GC-FIMS: Chemistry of diesel fuels. Prepr.-Am. Chem. Soc. Div. Pet. Chem. 1998, 43, 507–509. [Google Scholar]
- Ogawa, T. Analytical conditions for field ionization mass spectrometry of diesel fuel. Fuel 2005, 84, 2015–2025. [Google Scholar] [CrossRef]
- Dallüge, J.; van Rijn, M.; Beens, J.; Vreuls, R.J.; Brinkman, U.A.T. Comprehensive two-dimensional gas chromatography with time-of-flight mass spectrometric detection applied to the determination of pesticides in food extracts. J. Chromatogr. A 2002, 965, 207–217. [Google Scholar] [CrossRef]
- Mao, F.; Wang, J.; Fan, H. Application of two-dimensional gas chromatography/time-of-flight mass spectrometry (GC× GC-TOFMS) for the thorough study of hydrocarbons in lignite pyrolysates. J. Anal. Appl. Pyrolysis 2021, 157, 105178. [Google Scholar] [CrossRef]
- Thurbide, K.B.; Cooke, B.W.; Aue, W.A. Novel flame photometric detector for gas chromatography based on counter-current gas flows. J. Chromatogr. A 2004, 1029, 193–203. [Google Scholar] [CrossRef]
- Hinshaw, J.V. A Compendium of GC Detection, Past and Present; LCGC Asia Pacific: Telangana, India, 2018; Volume 21, pp. 28–31. [Google Scholar]
- Rodrigues, É.V.; Silva, S.R.; Romão, W.; Castro, E.V.; Filgueiras, P.R. Determination of crude oil physicochemical properties by high-temperature gas chromatography associated with multivariate calibration. Fuel 2018, 220, 389–395. [Google Scholar] [CrossRef]
- Lopes, M.; Lopes, M.S.; Maciel Filho, R.; Maciel, M.W.; Medina, L. Extension of the TBP curve of petroleum using the correlation DESTMOL. Procedia Eng. 2012, 42, 726–732. [Google Scholar] [CrossRef]
- Espinosa-Peña, M.; Figueroa-Gómez, Y.; Jiménez-Cruz, F. Simulated distillation yield curves in heavy crude oils: A comparison of precision between ASTM D-5307 and ASTM D-2892 physical distillation. Energy Fuels 2004, 18, 1832–1840. [Google Scholar] [CrossRef]
- ASTM D2892-20; Standard Test Method for Distillation of Crude Petroleum (15-Theoretical Plate Column). ASTM International: West Conshohocken, PA, USA, 2020. Available online: https://store.astm.org/d2892-20.html (accessed on 31 August 2025).
- ASTM D5236-18a; Standard Test Method for Distillation of Heavy Hydrocarbon Mixtures (Vacuum Potstill Method). ASTM International: West Conshohocken, PA, USA, 2018. Available online: https://store.astm.org/d5236-18a.html (accessed on 31 August 2025).
- Pasadakis, N.; Xekoukoulotakis, N. Gas chromatographic analysis of crude oils with thermal extraction sampling. Pet. Sci. Technol. 2007, 25, 1135–1142. [Google Scholar] [CrossRef]
- Ha, H.Z.; Ring, Z.; Liu, S. Data reconciliation among PIONA, GC-FIMS, and SimDis measurements for petroleum fractions. Pet. Sci. Technol. 2008, 26, 7–28. [Google Scholar]
- Lissitsyna, K.; Huertas, S.; Quintero, L.; Polo, L. PIONA analysis of kerosene by comprehensive two-dimensional gas chromatography coupled to time of flight mass spectrometry. Fuel 2014, 116, 716–722. [Google Scholar] [CrossRef]
- Chen, G.; Zhou, Z.; Chen, Y.; Zhao, X.; Han, Q.; Yin, X.; Zang, Y. Evaluation of Crude Oil Rheology as a Comprehensive Experimental for the Applied Chemistry Education. In Proceedings of the International Conference on Arts, Humanity and Economics, Management (ICAHEM 2019), Wuhan, China, 21–22 December 2019; Atlantis Press: Dordrecht, The Netherlands, 2020; pp. 135–143. [Google Scholar]
- National Academies of Sciences, Engineering, and Medicine; Division on Earth and Life Studies; Board on Chemical Sciences and Technology; Committee on the Effects of Diluted Bitumen on the Environment. Spills of Diluted Bitumen from Pipelines: A Comparative Study of Environmental Fate, Effects, and Response; National Academies Press: Washington, DC, USA, 2016. [Google Scholar]
- Santos, I.; Oliveira, P.; Mansur, C. Factors that affect crude oil viscosity and techniques to reduce it: A review. Braz. J. Pet. Gas 2017, 11, 115–130. [Google Scholar] [CrossRef]
- Chen, G.; Zhu, X.; Jia, K.; Li, Y.; Zhu, L. Sulfur Analysis and Sulfur Transfer Rule During Simulated Thermal Processing of Heavy Oil. In Proceedings of the IOP Conference Series: Earth and Environmental Science; IOP Publishing: Bristol, UK, 2021; Volume 692, p. 032072. [Google Scholar]
- Yang, S.B.; Moreira, J.; Li, Z. Predicting crude oil properties using fourier-transform infrared spectroscopy (FTIR) and data-driven methods. Digit. Chem. Eng. 2022, 3, 100031. [Google Scholar] [CrossRef]
- Abdulkadir, I.; Uba, S.; Almustapha, M. A rapid method of crude oil analysis using FT-IR spectroscopy. Niger. J. Basic Appl. Sci. 2016, 24, 47–55. [Google Scholar] [CrossRef]
- Li, X.; Liu, Y.; Jiang, X.; Ouyang, A.; Sun, X.; Wang, G. Determination and quantification of kerosene in gasoline by mid-infrared and Raman spectroscopy. J. Mol. Struct. 2020, 1210, 127760. [Google Scholar] [CrossRef]
- Peng, S.; Ye, C.; Liu, M. Quantitative Estimation of Property Parameters of Crude Oil Using Two-Dimensional 13C–1H J-resolved Nuclear Magnetic Resonance Spectroscopy (HET-JRES). Appl. Spectrosc. 2003, 57, 1190–1195. [Google Scholar]
- Steffens, J.; Landulfo, E.; Courrol, L.C.; Guardani, R. Application of fluorescence to the study of crude petroleum. J. Fluoresc. 2011, 21, 859–864. [Google Scholar] [CrossRef]
- Ryder, A.G. Analysis of crude petroleum oils using fluorescence spectroscopy. In Reviews in Fluorescence 2005; Springer: Heidelberg, Germany, 2005; pp. 169–198. [Google Scholar]
- Šašić, S.; Grant, C.; Mize, R.; Patel, D.; Nolte, J.; Haendel, R.; Grüner, C.; van Wezel, R. Predicting yields in crude oil blends via multivariate modelling of crude oil ATR/IR spectra. Microchem. J. 2025, 209, 112733. [Google Scholar] [CrossRef]
- Masili, A.; Puligheddu, S.; Sassu, L.; Scano, P.; Lai, A. Prediction of physical–chemical properties of crude oils by 1H NMR analysis of neat samples and chemometrics. Magn. Reson. Chem. 2012, 50, 729–738. [Google Scholar] [CrossRef]
- Kök, M.V.; Varfolomeev, M.A.; Nurgaliev, D.K. Determination of SARA fractions of crude oils by NMR technique. J. Pet. Sci. Eng. 2019, 179, 1–6. [Google Scholar] [CrossRef]
- Yu, J. Prediction of the Composition and Proportion of Blended Crude Oil Using Near-Infrared Spectroscopy. In Proceedings of the 2023 2nd International Conference on Advanced Sensing, Intelligent Manufacturing (ASIM), Changsha, China, 22–24 December 2023; pp. 71–78. [Google Scholar]
- Patrascioiu, C.; Stamatescu, G. Petroleum Fractions Liquid–Vapor Equilibrium Simulation using Unisim Design. Rev. Chim. 2015, 66, 1867–1876. [Google Scholar]
- Bartolome, P.S.; Van Gerven, T. A comparative study on Aspen Hysys interconnection methodologies. Comput. Chem. Eng. 2022, 162, 107785. [Google Scholar] [CrossRef]
- Olugbenga, A.G.; Al-Mhanna, N.M.; Yahya, M.D.; Afolabi, E.A.; Ola, M.K. Validation of the molar flow rates of oil and gas in three-phase separators using Aspen Hysys. Processes 2021, 9, 327. [Google Scholar] [CrossRef]
- Vasudevan, S.; Konda, N.M.; Zhang, C. Potential Problems with Rigorous Simulators and Possible Solutions. In Reviews in Fluorescence 2005; John Wiley & Sons: Hoboken, NJ, USA, 2012; pp. 459–471. [Google Scholar]
- Aylott, M.; Van der Merwe, B. Petro-SIM simulator and cape-open: Experiences and successes. In Proceedings of the 2008 AIChE Annual Meeting, Philadelphia, PA, USA, 16–21 November 2008. [Google Scholar]
- Sayles, S.; Routt, D.M. Unconventional crude oil selection and compatibility. Digit. Refin. 2011, 1–11. [Google Scholar]
- Foo, D. Chemical Engineering Process Simulation; Elsevier: Amsterdam, The Netherlands, 2022. [Google Scholar]
- Patrascioiu, C.; Popescu, M.; Paraschiv, N. Specific Problems of Using Unisim Design in the Dynamic Simulation of the Propylene-Propane Distillation Column. Rev. Chim. 2014, 65, 1086–1091. [Google Scholar]
- AspenTech. Over 40 Years of Innovation, 2025. Available online: https://www.aspentech.com/en/about-aspentech/history (accessed on 27 April 2024).
- Rezaie Azizabadi, H.; Ziabasharhagh, M.; Mafi, M. Applicability of the common equations of state for modeling hydrogen liquefaction processes in Aspen HYSYS. Gas Process. J. 2021, 9, 11–28. [Google Scholar]
- Sarpong-Mensah, J. Crude Oil Distillation Using Aspen Hysys. Problem Solving Exercise. Module 701004 Petroleum and Petrochemical Engineering 2023, 1–14. [Google Scholar]
- Almansouri, H.E.O. Simulation of Sarir Crude Oil Refinery Using Aspen Hysys. J. Eng. Res. 2022, 33, 51–64. [Google Scholar]
- ASTM D86-23ae2; Standard Test Method for Distillation of Petroleum Products and Liquid Fuels at Atmospheric Pressure. ASTM International: West Conshohocken, PA, USA, 2023. Available online: https://store.astm.org/standards/d86 (accessed on 31 August 2025).
- Kamışlı, F.; Ahmed, A.A. Simulation and Optimization of A Crude Oil Distillation Unit. Turk. J. Sci. Technol. 2019, 14, 59–68. [Google Scholar]
- Jaja, Z.; Akpa, J.G.; Dagde, K.K. Optimization of crude distillation unit case study of the Port Harcourt Refining Company. Adv. Chem. Eng. Sci. 2020, 10, 123–134. [Google Scholar] [CrossRef]
- Parthiban, N.; Nagarajan, N.; Mahendra, V.; Senthil, K. Dynamic modeling and simulation of crude fractionation column with three side strippers using Aspen HYSYS Dynamics: A best practice for crude distillation column dynamic modeling. J. Pet. Gas Explor. Res. 2013, 3, 31–39. [Google Scholar]
- Petro-SIM 7.2 Changes to Refinery Reactors. Available online: https://www.petro-sim.com/php/pmwiki/pmwiki.php?n=Build72.ChangeListRX (accessed on 22 July 2025).
- Lopez-Rodriguez, A.; Arteagabeitia, A.; Martinez-Camara, J.M.; Aguilar, C.; Jimenez-Asenjo, P. Rigorous refinery-wide optimisation: A case study for Petronor. In Proceedings of the 19th World Petroleum Congress, Madrid, Spain, 29 June–3 July 2008; p. WPC–19. [Google Scholar]
- AL-Dogail, A.; Gajbhiye, R.; Al-Shammari, H.; Alnaser, M.; Kamerkar, T. Maximization of Gas-Oil Separation Plant Oil Recovery by Operation Parameter Optimization. SPE Prod. Oper. 2023, 38, 666–677. [Google Scholar] [CrossRef]
- Kavousi, K.; Mokhtarian, N. Simulation the continuous catalytic reforming (octanizer) unit of Isfahan refinery gasoline production complex with PETROSIM software. Int. Sci. Investig. J. 2015, 4, 14–33. [Google Scholar]
- Patrascioiu, C.; Jamali, M. Crude distillation process simulation using Unisim Design simulator. Int. J. Chem. Mol. Eng. 2018, 12, 340–346. [Google Scholar]
- Patrascioiu, C. Modelling the Atmospheric Distillation Using the Unisim Design Simulator. In Proceedings of the MATEC Web of Conferences; EDP Sciences: Les Ulis, France, 2019; Volume 290, p. 10006. [Google Scholar]
- Rahman, S.A.; Anjana, R. Unisim Based Simulation and Analysis of Crude Oil Distillation. In Proceedings of the IOP Conference Series: Materials Science and Engineering; IOP Publishing: Bristol, UK, 2021; Volume 1114, p. 012094. [Google Scholar]
- Wang, X.G.; Yang, Y.Y. Simulation of Reactive Distillation Process with ChemCAD Software. Adv. Mater. Res. 2012, 347, 3706–3709. [Google Scholar] [CrossRef]
- Galusnyak, S.C.; Petrescu, L.; Cormos, C.C. Classical vs. reactive distillation technologies for biodiesel production: An environmental comparison using LCA methodology. Renew. Energy 2022, 192, 289–299. [Google Scholar] [CrossRef]
- Lei, Q.; Munir, M.T.; Bao, J.; Young, B. A data-driven fault detection method based on dissipative trajectories. IFAC-PapersOnLine 2016, 49, 717–722. [Google Scholar] [CrossRef]
- Tangsriwong, K.; Lapchit, P.; Kittijungjit, T.; Klamrassamee, T.; Sukjai, Y.; Laoonual, Y. Modeling of chemical processes using commercial and open-source software: A comparison between Aspen Plus and DWSIM. In Proceedings of the IOP Conference Series: Earth and Environmental Science; IOP Publishing: Bristol, UK, 2020; Volume 463, p. 012057. [Google Scholar]
- Jain, R.; Nayak, P.; Rahul, A.S.; Dalve, P.; Moudgalya, K.M.; Naren, P.; Wagner, D.; Fritzson, P. Implementation of a property database and thermodynamic calculations in openmodelica for chemical process simulation. Ind. Eng. Chem. Res. 2019, 58, 7551–7560. [Google Scholar] [CrossRef]
- ChemSep. ChemSep—Equilibrium Column Simulator. 2023. Available online: http://www.chemsep.com/ (accessed on 22 July 2025).
- Skorych, V.; Dosta, M.; Heinrich, S. Dyssol—An open-source flowsheet simulation framework for particulate materials. SoftwareX 2020, 12, 100572. [Google Scholar] [CrossRef]
- Moliner, C.; Marchelli, F.; Bosio, B.; Arato, E. Simulation of the gasification of agricultural residues using coco simulator. In Proceedings of the EUBCE 2018 Conference Proceedings; EtaFlorence: Copenhagen, Denmark, 2018; pp. 764–768. [Google Scholar]
- Giordano, G.F.; Vieira, L.C.; Gomes, A.O.; de Carvalho, R.M.; Kubota, L.T.; Fazzio, A.; Schleder, G.R.; Gobbi, A.L.; Lima, R.S. Distilling small volumes of crude oil. Fuel 2021, 285, 119072. [Google Scholar] [CrossRef]
- Ahmadlouydarab, M.; Hosseini, S.S.; Muhammad Ali, H.; Asadzadeh, N. A Precise Mathematical Correlation to Estimate Product Yield of Delayed Coking Units. J. Chem. Pet. Eng. 2023, 57, 13–25. [Google Scholar]
- Qunyong, L.; Qingyin, J.; Zhikai, C.; Lijiang, A.; Yuqin, Z. Modeling and simulation for the hydrocracking reactor. In Proceedings of the 2008 27th Chinese Control Conference, Kunming, China, 16–18 July 2008; pp. 204–208. [Google Scholar]
- Shang, C.; Yang, F.; Huang, D.; Lyu, W. Data-driven soft sensor development based on deep learning technique. J. Process Control 2014, 24, 223–233. [Google Scholar] [CrossRef]
- Kwon, H.; Oh, K.C.; Choi, Y.; Chung, Y.G.; Kim, J. Development and application of machine learning-based prediction model for distillation column. Int. J. Intell. Syst. 2021, 36, 1970–1997. [Google Scholar] [CrossRef]
- Biyanto, T.R.; Suhartanto, T.; Widjiantoro, B.L. Predicting Liquid-Vapor (LV) composition at distillation column. Songklanakarin J. Sci. Technol. 2007, 29, 575–581. [Google Scholar]
- Singh, V.; Gupta, I.; Gupta, H. ANN based estimator for distillation—Inferential control. Chem. Eng. Process. Process Intensif. 2005, 44, 785–795. [Google Scholar] [CrossRef]
- Rogina, A.; Šiško, I.; Mohler, I.; Ujević, Ž.; Bolf, N. Soft sensor for continuous product quality estimation (in crude distillation unit). Chem. Eng. Res. Des. 2011, 89, 2070–2077. [Google Scholar] [CrossRef]
- Fortuna, L.; Graziani, S.; Xibilia, M.G. Soft sensors for product quality monitoring in debutanizer distillation columns. Control Eng. Pract. 2005, 13, 499–508. [Google Scholar] [CrossRef]
- De Canete, J.F.; del Saz-Orozco, P.; Gonzalez, S.; García-Moral, I. Dual composition control and soft estimation for a pilot distillation column using a neurogenetic design. Comput. Chem. Eng. 2012, 40, 157–170. [Google Scholar] [CrossRef]
- Bahar, A.; Özgen, C. State estimation and inferential control for a reactive batch distillation column. Eng. Appl. Artif. Intell. 2010, 23, 262–270. [Google Scholar] [CrossRef]
- Fileti, A.M.F.; Cruz, S.L.; Pereira, J.A. Control strategies analysis for a batch distillation column with experimental testing. Chem. Eng. Process. Process Intensif. 2000, 39, 121–128. [Google Scholar] [CrossRef]
- Zamprogna, E.; Barolo, M.; Seborg, D. Composition estimations in a middle-vessel batch distillation column using artificial neural networks. Chem. Eng. Res. Des. 2001, 79, 689–696. [Google Scholar] [CrossRef]
- Singh, V.; Gupta, I.; Gupta, H. ANN-based estimator for distillation using Levenberg–Marquardt approach. Eng. Appl. Artif. Intell. 2007, 20, 249–259. [Google Scholar] [CrossRef]
- Rožanec, J.M.; Trajkova, E.; Lu, J.; Sarantinoudis, N.; Arampatzis, G.; Eirinakis, P.; Mourtos, I.; Onat, M.K.; Yilmaz, D.A.; Košmerlj, A.; et al. Cyber-physical lpg debutanizer distillation columns: Machine-learning-based soft sensors for product quality monitoring. Appl. Sci. 2021, 11, 11790. [Google Scholar] [CrossRef]
- Al-Jamimi, H.A.; BinMakhashen, G.M.; Saleh, T.A. Artificial intelligence approach for modeling petroleum refinery catalytic desulfurization process. Neural Comput. Appl. 2022, 34, 17809–17820. [Google Scholar] [CrossRef]
- Al-Jamimi, H.A.; BinMakhashen, G.M.; Saleh, T.A. Multiobjectives optimization in petroleum refinery catalytic desulfurization using Machine learning approach. Fuel 2022, 322, 124088. [Google Scholar] [CrossRef]
- Ansari, H.R.; Gholami, A. An improved support vector regression model for estimation of saturation pressure of crude oils. Fluid Phase Equilibria 2015, 402, 124–132. [Google Scholar] [CrossRef]
- Pullanikkattil, S.; Yerolla, R.; Besta, C.S. Interpretable Machine learning model for predicting Ethane-Ethylene composition in binary distillation process. Therm. Sci. Eng. Prog. 2025, 58, 103236. [Google Scholar] [CrossRef]
- Saghir, H.; Ahmad, I.; Kano, M.; Caliskan, H.; Hong, H. Prediction and optimisation of gasoline quality in petroleum refining: The use of machine learning model as a surrogate in optimisation framework. CAAI Trans. Intell. Technol. 2024, 9, 1185–1198. [Google Scholar] [CrossRef]
- Zhou, C.; Liu, Q.; Huang, D.; Zhang, J. Inferential estimation of kerosene dry point in refineries with varying crudes. J. Process Control 2012, 22, 1122–1126. [Google Scholar] [CrossRef]
- Bidar, B.; Khalilipour, M.M.; Shahraki, F.; Sadeghi, J. A data-driven soft-sensor for monitoring ASTM-D86 of CDU side products using local instrumental variable (LIV) technique. J. Taiwan Inst. Chem. Eng. 2018, 84, 49–59. [Google Scholar] [CrossRef]
- Li, H.; Zhao, Q.; Wang, R.; Xu, W.; Qiu, T. Integrated Hybrid Modelling and Surrogate Model-Based Operation Optimization of Fluid Catalytic Cracking Process. Processes 2024, 12, 2474. [Google Scholar] [CrossRef]
- Yi, L.; Lu, J.; Ding, J.; Liu, C.; Chai, T. Soft sensor modeling for fraction yield of crude oil based on ensemble deep learning. Chemom. Intell. Lab. Syst. 2020, 204, 104087. [Google Scholar] [CrossRef]






| Key Attributes | Physical Distillation (ASTM D-2892) | Simulated Distillation (SIMDIS) |
|---|---|---|
| Methodology |
|
|
| Advantages |
|
|
| Disadvantages |
|
|
| Simulation Software | Usage | Strength | Limitation | Ref. |
|---|---|---|---|---|
| AspenTech: Version v.8.8, v7.1 and v.11 | Software simulation in chemical, petrochemical, energy, and oil and gas industries |
|
| [103,104,105] |
| PETRO-SIM | Process simulation in petrochemical industry and oil and gas refining |
| Less functionality for dynamic simulation. | [106,107] |
| UniSim Simulator | Process simulation in petrochemical industry and oil and gas refining |
| Not extensively used. | [108,109] |
| Key Point | Mathematical Modelling | Machine Learning |
|---|---|---|
| Definition | Represents real-world scenarios for data analysis consideration. | Represents the pattern of input data for the prediction. |
| Methodology | Apply mathematical terms and a kinetics equation. | Develop an algorithm and statistical model to allow the formation of data patterns. |
| Data source | Experimental and lab data. | Historical data. |
| End target | Mathematical equation. | Prediction model. |
Disclaimer/Publisher’s Note: The statements, opinions and data contained in all publications are solely those of the individual author(s) and contributor(s) and not of MDPI and/or the editor(s). MDPI and/or the editor(s) disclaim responsibility for any injury to people or property resulting from any ideas, methods, instructions or products referred to in the content. |
© 2025 by the authors. Licensee MDPI, Basel, Switzerland. This article is an open access article distributed under the terms and conditions of the Creative Commons Attribution (CC BY) license (https://creativecommons.org/licenses/by/4.0/).
Share and Cite
Wan Jusoh, W.N.L.; Omar, M.B.; Sami, A.; Bingi, K.; Ibrahim, R. Crude Oil Yield Estimation: Recent Advances and Technological Progress in the Oil Refining Industry. Sensors 2025, 25, 5511. https://doi.org/10.3390/s25175511
Wan Jusoh WNL, Omar MB, Sami A, Bingi K, Ibrahim R. Crude Oil Yield Estimation: Recent Advances and Technological Progress in the Oil Refining Industry. Sensors. 2025; 25(17):5511. https://doi.org/10.3390/s25175511
Chicago/Turabian StyleWan Jusoh, Wan Nazihah Liyana, Madiah Binti Omar, Abdul Sami, Kishore Bingi, and Rosdiazli Ibrahim. 2025. "Crude Oil Yield Estimation: Recent Advances and Technological Progress in the Oil Refining Industry" Sensors 25, no. 17: 5511. https://doi.org/10.3390/s25175511
APA StyleWan Jusoh, W. N. L., Omar, M. B., Sami, A., Bingi, K., & Ibrahim, R. (2025). Crude Oil Yield Estimation: Recent Advances and Technological Progress in the Oil Refining Industry. Sensors, 25(17), 5511. https://doi.org/10.3390/s25175511

