Study on Few-Shot Fault Diagnosis Method for Marine Fuel Systems Based on DT-SViT-KNN
Abstract
1. Introduction
2. Proposed Method
2.1. Diesel Engine Digital Twin Model Creation
2.1.1. Mathematical Model Construction of Diesel Engine
2.1.2. Diesel Engine Simulation Model Construction
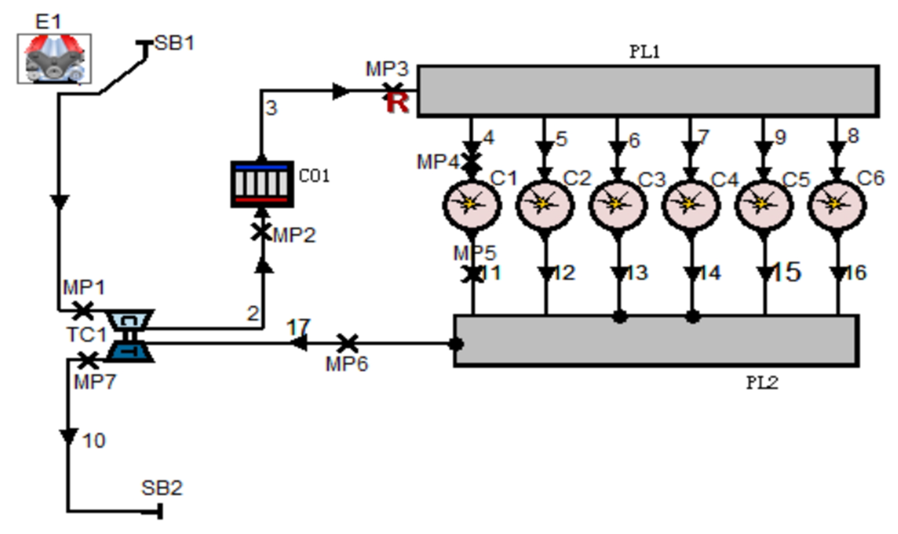
2.1.3. Diesel Engine 3D Model Construction
2.1.4. Validation of Model Validity
2.1.5. Fault Deduction
2.2. Key Theories
2.2.1. Siamese Networks
2.2.2. Vision Transformer Encoder
2.2.3. K-Nearest Neighbor Classification Algorithm
2.3. Fault Diagnosis Method Based on SViT-KNN
2.3.1. Data Preprocessing
2.3.2. SViT Feature Extraction Network
2.3.3. Weighted-Similarity Loss Function
2.3.4. Improved KNN Classifier
2.3.5. Overall Diagnostic Process
3. Experimental Validation
3.1. Ablation Experiments
3.2. Comparative Experiments
4. Conclusions
Author Contributions
Funding
Institutional Review Board Statement
Informed Consent Statement
Data Availability Statement
Conflicts of Interest
References
- Xu, X.; Zhao, Z.; Xu, X.; Yang, J.; Wang, G. Machine learning-based wear fault diagnosis for marine diesel engine by fusing multiple data-driven models. Knowl.-Based Syst. 2019, 190, 105324. [Google Scholar] [CrossRef]
- Yaqiong Lv, Xueting Yang, Yifan Li, Jialun Liu, Shijie Li, Fault detection and diagnosis of marine diesel engines: A systematic review. Ocean. Eng. 2024, 294, 116798. [CrossRef]
- Zhang, Z.; Wang, D.; Zhang, Y. Research on Fault Monitoring and Diagnosis Method Based on PSO Improved KPCA-SVM. Mod. Manuf. Eng. 2020, 9, 7. [Google Scholar]
- Yao, H.; Zhang, X.; Guo, Q.; Miao, Y.; Guan, S. Fault diagnosis method for oil-immersed transformers integrated digital twin model. Sci. Rep. 2024, 14, 20355. [Google Scholar] [CrossRef] [PubMed]
- Liu, C.; Chen, Y.; Xu, X.; Che, W. Domain generalization-based damage detection of composite structures powered by structural digital twin. Compos. Sci. Technol. 2024, 258, 110908. [Google Scholar] [CrossRef]
- Xu, Z.; Wang, Z.; Gao, C.; Zhang, K.; Lv, J.; Wang, J.; Liu, L. A digital twin system for centrifugal pump fault diagnosis driven by transfer learning based on graph convolutional neural networks. Comput. Ind. 2024, 163, 104155. [Google Scholar] [CrossRef]
- Qin, Y.; Liu, H.; Wang, Y.; Mao, Y. Inverse physics–informed neural networks for digital twin–based bearing fault diagnosis under imbalanced samples. Knowl.-Based Syst. 2024, 292, 1.1–1.13. [Google Scholar] [CrossRef]
- Liu, W.; Han, B.; Zheng, A.; Zheng, Z. Fault Diagnosis for Reducers Based on a Digital Twin. Sensors 2024, 24, 2575. [Google Scholar] [CrossRef]
- Zhao, R.; Yan, R.; Chen, Z.; Mao, K.; Wang, P.; Gao, R.X. Deep Learning and Its Applications to Machine Health Monitoring: A Survey. arXiv 2016, arXiv:1612.07640. [Google Scholar] [CrossRef]
- Cao, C.; Zhang, Y. Learning to Compare Relation: Semantic Alignment for Few-Shot Learning. arXiv 2020, arXiv:2003.00210. [Google Scholar] [CrossRef] [PubMed]
- Dumoulin, V.; Houlsby, N.; Evci, U.; Zhai, X.; Larochelle, H. Comparing Transfer and Meta Learning Approaches on a Unified Few-Shot Classification Benchmark. arXiv 2021, arXiv:2104.02638. [Google Scholar]
- Wang, N.; Jin, W.; Bi, H.; Xu, C.; Gao, J. A Survey on Deep Learning for Few-Shot PolSAR Image Classification. Remote Sens. 2024, 16, 4632. [Google Scholar] [CrossRef]
- Sunal, C.E.; Velisavljevic, V.; Dyo, V.; Newton, B.; Newton, J. Centrifugal Pump Fault Detection with Convolutional Neural Network Transfer Learning. Sensors 2024, 24, 2442. [Google Scholar] [CrossRef]
- Li, L.; Su, T.; Ma, F. Fault Diagnosis Method for Small Sample in High-Pressure Common Rail System. J. Intern. Combust. Engines 2023, 41, 255–262. [Google Scholar] [CrossRef]
- Li, X.; Chang, D.; Ma, Z.; Tan, Z.H.; Xue, J.H.; Cao, J.; Yu, J.; Guo, J. OSLNet: Deep Small-Sample Classification with an Orthogonal Softmax Layer. IEEE Trans. Image Process. 2020, 29, 6482–6495. [Google Scholar] [CrossRef] [PubMed]
- Li, Y.; Gu, X.; Wei, Y. A Deep Learning-Based Method for Bearing Fault Diagnosis with Few-Shot Learning. Sensors 2024, 24, 7516. [Google Scholar] [CrossRef] [PubMed]
- Fu, S.; Zhong, S.; Lin, L.; Zhang, Y. Fault Diagnosis of Civil Aviation Engines with Few Samples Based on Transfer Learning. J. Comput. Integr. Manuf. Syst. 2021, 27, 12. [Google Scholar]
- Perera, S.; Allali, M.; Linstead, E.; El-Askary, H. Landuse Landcover Change Detection in the Mediterranean Region Using a Siamese Neural Network and Image Processing. In Proceedings of the 2021 IEEE International Geoscience and Remote Sensing Symposium IGARSS, Brussels, Belgium, 11–16 July 2021; pp. 4368–4371. [Google Scholar]
- Zhu, L.; Xu, P.; Zhong, C. Siamese Network Based on CNN for Fingerprint Recognition. In Proceedings of the 22021 IEEE International Conference on Computer Science, Electronic Information Engineering and Intelligent Control Technology (CEI), Fuzhou, China, 24–26 September 2021; pp. 303–306. [Google Scholar]
- Fan, L. and Kim, P. Anchor free based Siamese network tracker with transformer for RGB-T tracking. Sci. Rep. 2023, 13, 13294. [Google Scholar] [CrossRef] [PubMed]
- Chen, H.; Ao, C. Mathematical Model of Diesel Engine in Ship Propulsion System Simulation. Ship Eng. 2000, 5, 33–37+4. [Google Scholar]
- Zeng, F.; Chen, Y.; Wu, J.; Chen, G. Dynamic Modeling and Simulation of Marine Diesel Engine Using Elman Networks. In Proceedings of the 2003 International Conference on Neural Networks and Signal Processing, Nanjing, China, 14–17 December 2003. [Google Scholar]
- Zhao, Z.; Zhang, J.; Luo, C.; Jia, B.; An, L. AVL BOOST-based typical fault simulation and data analysis of marine diesel engine. Chin. J. Ship Res. 2021, 16, 176–181. [Google Scholar]
- Neshat, E.; Honnery, D.; Saray, R.K. Multi-zone model for diesel engine simulation based on chemical kinetics mechanism. Appl. Therm. Eng. 2017, 121, 351–360. [Google Scholar] [CrossRef]
- Min, X.; Han, X.-P. Research on Co-simulation of Thermodynamics and Dynamic Analysis of Marine Diesel Engine. J. Syst. Simul. 2014. [Google Scholar] [CrossRef]
- Matulis, M.; Harvey, C. A robot arm digital twin utilising reinforcement learning. Comput. Graph. 2021, 95, 106–114. [Google Scholar] [CrossRef]
- Liu, X.; Zeng, H.; Dong, J.; He, T.; Liu, L. Ship Diesel Engine Fault Diagnosis Based on Optimized Stacked Autoencoders. Navig. China 2022, 45, 45–51+57. [Google Scholar]
- Wen, C.; Xue, Y.; Liu, W.; Chen, G.; Liu, X. Bearing fault diagnosis via fusing small samples and training multi-state siamese neural networks. Neurocomputing 2024, 576, 127355. [Google Scholar] [CrossRef]
- Zhu, Q.X.; Qian, Y.S.; Zhang, N.; He, Y.L.; Xu, Y. Multi-scale Transformer-CNN domain adaptation network for complex processes fault diagnosis. J. Process Control 2023, 130, 103069. [Google Scholar] [CrossRef]
- Hajj-Ali, Z.; Dosso, Y.S.; Greenwood, K.; Harrold, J.; Green, J.R. Depth-Based Intervention Detection in the Neonatal Intensive Care Unit Using Vision Transformers. Sensors 2024, 24, 7753. [Google Scholar] [CrossRef] [PubMed]
- Cover, T.M.; Hart, P.E. Nearest neighbour pattern classification. IEEE Trans. Inf. Theory 1967, 13, 21–27. [Google Scholar] [CrossRef]
- Sun, T.; Gao, J. New Fault Diagnosis Method for Rolling Bearings Based on Improved Residual Shrinkage Network Combined with Transfer Learning. Sensors 2024, 24, 5700. [Google Scholar] [CrossRef] [PubMed]
- Dosovitskiy, A.; Beyer, L.; Kolesnikov, A.; Weissenborn, D.; Zhai, X.; Unterthiner, T.; Dehghani, M.; Minderer, M.; Heigold, G.; Gelly, S. An Image is Worth 16 × 16 Words: Transformers for Image Recognition at Scale. In Proceedings of the International Conference on Learning Representations, ICLR 2021, Vienna, Austria, 4 May 2021. [Google Scholar]
- Vaswani, A.; Shazeer, N.; Parmar, N.; Uszkoreit, J.; Jones, L.; Gomez, A.N.; Kaiser, L.; Polosukhin, I. Attention Is All You Need. arXiv 2017, arXiv:1706.03762. [Google Scholar]
- Wang, S.; Liu, Z.; Jia, Z.; Zhao, W.; Li, Z.; Wang, L. Intermittent fault diagnosis of analog circuit based on enhanced one-dimensional vision transformer and transfer learning strategy. Eng. Appl. Artif. Intell. 2024, 127, 107281. [Google Scholar] [CrossRef]
- Zhou, H.; Mo, L.; Liu, Y.; Wang, Y.; Qing, X. Fault Diagnosis of Aero-Engines Based on Feature Optimization and Improved KNN. Aeronaut. Comput. Technol. 2023, 53, 45–49. [Google Scholar]
- Gao, H.; Chao, Q.; Xu, Z.; Tao, J.; Liu, M.; Liu, C. Piston pump fault diagnosis based on siamese neural network with small samples. Beijing Aeronaut. Astronaut. Univ. J. 2021, 49, 155–164. [Google Scholar]
- Zhong, B.; Zhao, M.; Wang, L.; Fu, S.; Zhong, S. DCSN: Focusing on hard samples mining in small-sample fault diagnosis of marine engine. Measurement 2024, 235, 114929. [Google Scholar] [CrossRef]












| Items | Parameters |
|---|---|
| Number of cylinders | 6 |
| Stroke count | 4 |
| Bore (mm) | 210 |
| Piston stroke (mm) | 310 |
| Compression ratio | 15.5 |
| Rotation speed (r/min) | 900 |
| Cylinder displacement (dm3) | 10.73 |
| Mean effective pressure (bar) | 24.6 |
| Fuel consumption rate (g/(kW · h)) | 195 |
| Maximum combustion pressure (bar) | 200 |
| Rated power (kW) | 1290 |
| Parameters | Operating Conditions | ||||||||
|---|---|---|---|---|---|---|---|---|---|
| 100% | 75% | 50% | |||||||
| Real Value | Simulation Value | Errors | Real Value | Simulation Value | Errors | Real Value | Simulation Value | Errors | |
| Fuel consumption rate g/kW · h | 190.5 | 187.73 | 1.45% | 186.5 | 184.97 | 0.82% | 191.9 | 188.52 | 1.76% |
| Effective power kW | 1200 | 1190.91 | 0.76% | 900 | 888.25 | 1.31% | 600 | 597.19 | 0.47% |
| Combustion pressure bar | 197.4 | 202.35 | 2.51% | 161.4 | 160.52 | 0.55% | 120.8 | 117.37 | 2.84% |
| Mean effective pressure bar | 23.93 | 24.65 | 3% | 18.02 | 18.45 | 2.39% | 12.03 | 12.32 | 2.41% |
| Fault Type | Method of Deduction | Fault Label |
|---|---|---|
| Normal state | Normal system operation | F1 |
| Turbocharger failure | Adjust turbocharger pressure efficiency | F2 |
| Fuel injection advance | Adjust the injection angle | F3 |
| Fuel injection lag | Adjust the injection angle | F4 |
| Cooler failure | Adjust cooler efficiency | F5 |
| Injector wear | Adjust the cylinder oil supply volume | F6 |
| Clogged oil supply lines | Adjust the cylinder oil supply volume | F7 |
| Network | Model Parameters | Value |
|---|---|---|
| Input data dimensions | 11 × 1 | |
| Feature extraction network | Batch size | 64 |
| Learning rate | 0.001 | |
| Transformer code block | 2 | |
| Number of multihead attention | 8 | |
| Embedding dimensions | 512 | |
| Hidden dimensions | 512 | |
| Classifier | Nearest neighbor K | 1 |
| Sample Size n | Indexs | Methods | ||
|---|---|---|---|---|
| SCNN | SViT-KNN | Proposed | ||
| 10 | Accuracy | 0.8363 | 0.9345 | 0.9722 |
| Recall | 0.8409 | 0.8571 | 0.9836 | |
| Precision | 0.8842 | 0.9375 | 0.9843 | |
| F1 | 0.7852 | 0.8955 | 0.9836 | |
| 20 | Accuracy | 0.9098 | 0.9632 | 0.9821 |
| Recall | 0.9208 | 0.9231 | 0.9816 | |
| Precision | 0.9328 | 0.9767 | 0.9837 | |
| F1 | 0.9172 | 0.9492 | 0.9815 | |
| 30 | Accuracy | 0.9460 | 0.9768 | 0.9913 |
| Recall | 0.9595 | 0.9320 | 0.9895 | |
| Precision | 0.9632 | 0.9716 | 0.9897 | |
| F1 | 0.9585 | 0.9514 | 0.9895 | |
| Sample Size n | Indexs | Methods | |||
|---|---|---|---|---|---|
| 1D-CNN | DCSN-DRN | OSLNet | Proposed | ||
| 10 | Accuracy | 0.5303 | 0.9023 | 0.6372 | 0.9722 |
| Recall | 0.5303 | 0.8940 | 0.6339 | 0.9836 | |
| Precision | 0.3978 | 0.9062 | 0.7438 | 0.9894 | |
| F1 | 0.4232 | 0.8847 | 0.5966 | 0.9836 | |
| 20 | Accuracy | 0.8250 | 0.9246 | 0.8692 | 0.9821 |
| Recall | 0.8250 | 0.9282 | 0.7238 | 0.9816 | |
| Precision | 0.7528 | 0.9335 | 0.6285 | 0.9893 | |
| F1 | 0.7745 | 0.9261 | 0.9815 | 0.9815 | |
| 30 | Accuracy | 0.9011 | 0.9676 | 0.9642 | 0.9913 |
| Recall | 0.9937 | 0.9663 | 0.8653 | 0.9895 | |
| Precision | 0.9939 | 0.9699 | 0.9306 | 0.9917 | |
| F1 | 0.9937 | 0.9661 | 0.9895 | 0.9895 | |
Disclaimer/Publisher’s Note: The statements, opinions and data contained in all publications are solely those of the individual author(s) and contributor(s) and not of MDPI and/or the editor(s). MDPI and/or the editor(s) disclaim responsibility for any injury to people or property resulting from any ideas, methods, instructions or products referred to in the content. |
© 2024 by the authors. Licensee MDPI, Basel, Switzerland. This article is an open access article distributed under the terms and conditions of the Creative Commons Attribution (CC BY) license (https://creativecommons.org/licenses/by/4.0/).
Share and Cite
Li, S.; Qi, L.; Shi, J.; Xiao, H.; Da, B.; Tang, R.; Zuo, D. Study on Few-Shot Fault Diagnosis Method for Marine Fuel Systems Based on DT-SViT-KNN. Sensors 2025, 25, 6. https://doi.org/10.3390/s25010006
Li S, Qi L, Shi J, Xiao H, Da B, Tang R, Zuo D. Study on Few-Shot Fault Diagnosis Method for Marine Fuel Systems Based on DT-SViT-KNN. Sensors. 2025; 25(1):6. https://doi.org/10.3390/s25010006
Chicago/Turabian StyleLi, Shankai, Liang Qi, Jiayu Shi, Han Xiao, Bin Da, Runkang Tang, and Danfeng Zuo. 2025. "Study on Few-Shot Fault Diagnosis Method for Marine Fuel Systems Based on DT-SViT-KNN" Sensors 25, no. 1: 6. https://doi.org/10.3390/s25010006
APA StyleLi, S., Qi, L., Shi, J., Xiao, H., Da, B., Tang, R., & Zuo, D. (2025). Study on Few-Shot Fault Diagnosis Method for Marine Fuel Systems Based on DT-SViT-KNN. Sensors, 25(1), 6. https://doi.org/10.3390/s25010006

