Wireless Power Transfer Efficiency Optimization Tracking Method Based on Full Current Mode Impedance Matching
Abstract
1. Introduction
2. System Topology and Circuit Theory Analysis
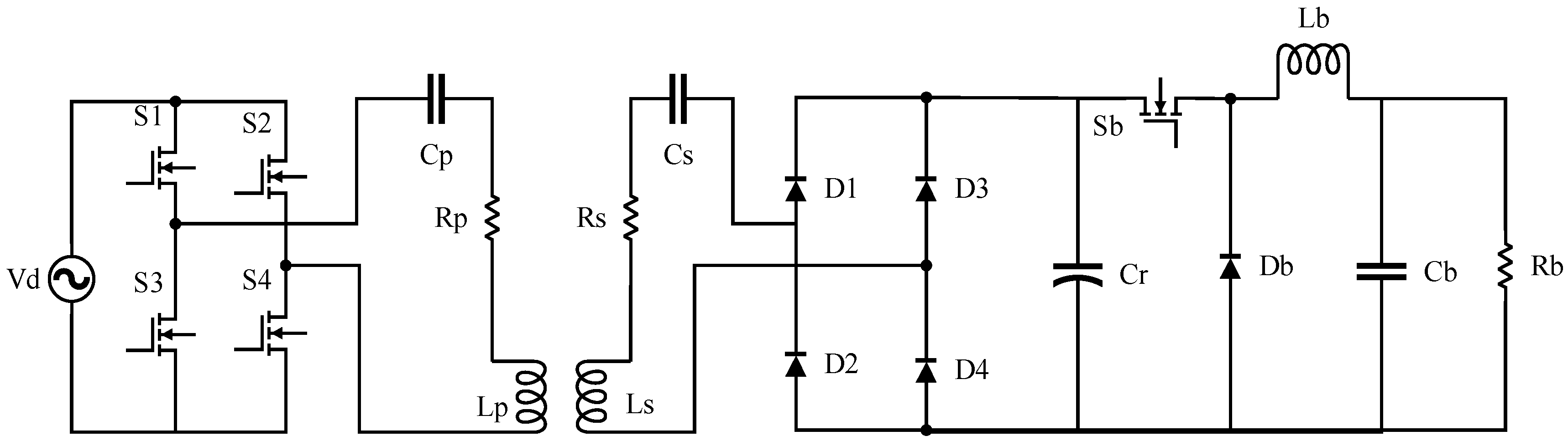
Topology Analysis of SS-Type Wireless Power Transfer System
3. Optimal Efficiency Tracking Method in Full Current Mode
3.1. Secondary-Side Impedance Matching Topology and Analysis
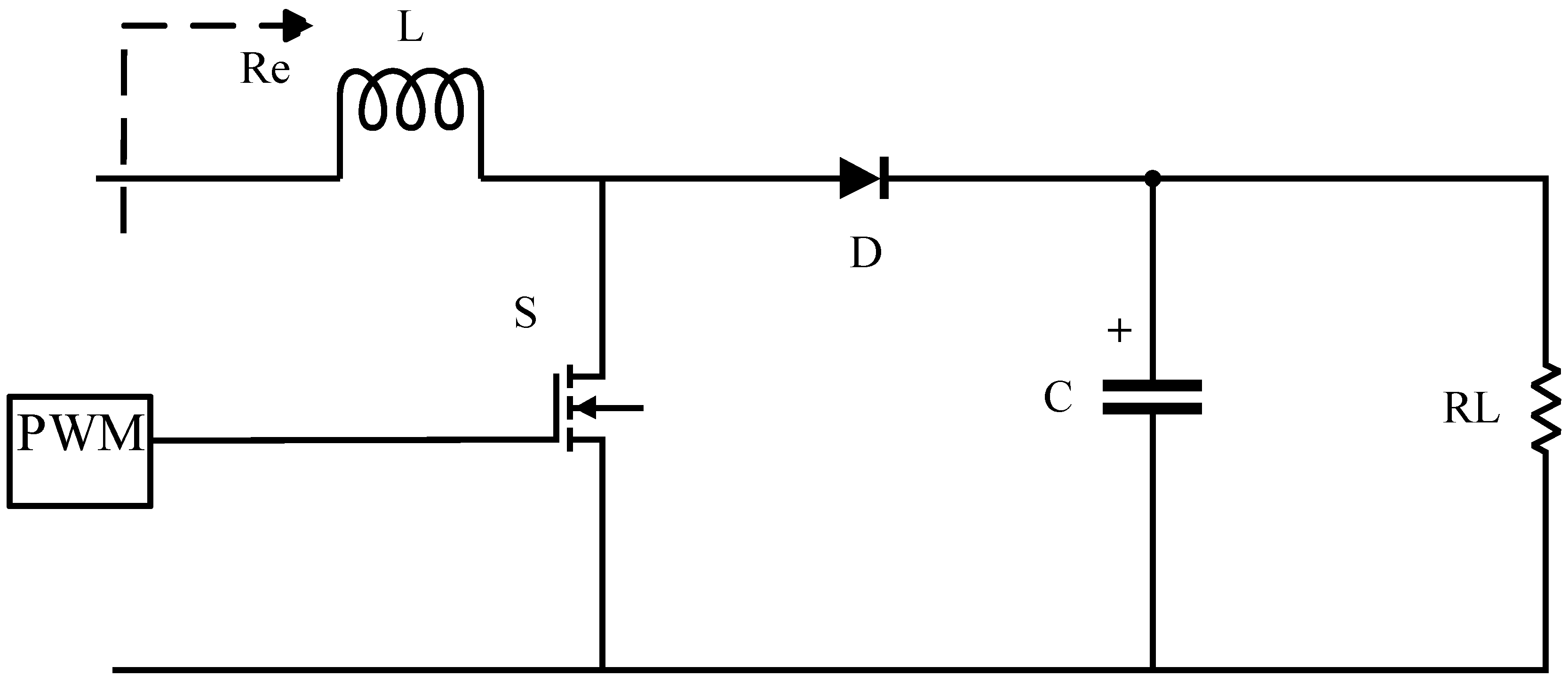
3.2. Analysis of Impedance Matching Circuit: Buck Circuit
3.3. Analysis of Impedance Matching Circuit: Boost Circuit
4. Extension of Traditional Impedance Tracking Topology
4.1. Overall Impedance Matching Topology
4.2. Switching Criteria between CCM and DCM Modes in the Buck Circuit
4.3. Analysis of CCM Mode
4.4. Analysis of DCM Mode
5. System Simulation and Results Analysis
5.1. Mathematical Analysis of Model Establishment
5.2. Model Control Block Diagram
5.3. Boundary Calculation of the Model
5.4. Results Analysis of the Extended Model
5.5. Experimental Data and Analysis
6. Conclusions
Author Contributions
Funding
Institutional Review Board Statement
Informed Consent Statement
Data Availability Statement
Conflicts of Interest
References
- Mahmood, A.I.; Gharghan, S.K.; Eldosoky, M.A.; Soliman, A.M. Near-field wireless power transfer used in biomedical implants: A comprehensive review. IET Power Electron. 2022, 15, 1936–1955. [Google Scholar] [CrossRef]
- Mude, K.N.; Aditya, K. Comprehensive review and analysis of two-element resonant compensation topologies for wireless inductive power transfer systems. Chin. J. Electr. Eng. 2019, 5, 14–31. [Google Scholar] [CrossRef]
- Ahmad, A.; Alam, M.S.; Chabaan, R. A comprehensive review of wireless charging technologies for electric vehicles. IEEE Trans. Transp. Electrif. 2017, 4, 38–63. [Google Scholar] [CrossRef]
- Mohamed, N.; Aymen, F.; Alharbi, T.E.A.; El-Bayeh, C.Z.; Lassaad, S.; Ghoneim, S.S.M.; Eicker, U. A comprehensive analysis of wireless charging systems for electric vehicles. IEEE Access 2022, 10, 43865–43881. [Google Scholar] [CrossRef]
- Roy, S.; Azad, A.N.M.W.; Baidya, S.; Alam, M.K.; Khan, F.H. Powering solutions for biomedical sensors and implants inside the human body: A comprehensive review on energy harvesting units, energy storage, and wireless power transfer techniques. IEEE Trans. Power Electron. 2022, 37, 12237–12263. [Google Scholar] [CrossRef]
- Pham, T.S.; Nguyen, T.D.; Tung, B.S.; Khuyen, B.X.; Hoang, T.T.; Ngo, Q.M.; Hiep, L.T.H.; Lam, V.D. Optimal frequency for magnetic resonant wireless power transfer in conducting medium. Sci. Rep. 2021, 11, 18690. [Google Scholar] [CrossRef] [PubMed]
- Ming, C.; Yanting, L.; Yongmin, Y.; Yingchun, Z.; Yingxiao, X. Performance optimization method of wireless power transfer system based on magnetic field editing. In Proceedings of the 2021 4th International Conference on Advanced Electronic Materials, Computers and Software Engineering (AEMCSE), Changsha, China, 26–28 March 2021; IEEE: Piscataway, NJ, USA, 2021; pp. 10–17. [Google Scholar]
- Zhang, J.; Zhao, J.; Zhang, Y.; Deng, F. A wireless power transfer system with dual switch-controlled capacitors for efficiency optimization. IEEE Trans. Power Electron. 2019, 35, 6091–6101. [Google Scholar] [CrossRef]
- Lee, S.B.; Kim, M.; Jang, I.G. Determination of the optimal resonant condition for multireceiver wireless power transfer systems considering the transfer efficiency and different rated powers with altered coupling effects. IEEE J. Emerg. Sel. Top. Power Electron. 2020, 9, 2384–2393. [Google Scholar] [CrossRef]
- Lee, J.; Lee, K. Effects of number of relays on achievable efficiency of magnetic resonant wireless power transfer. IEEE Trans. Power Electron. 2019, 35, 6697–6700. [Google Scholar] [CrossRef]
- Corrêa, D.C.; Resende, U.C.; Bicalho, F.S. Experiments with a compact wireless power transfer system using strongly coupled magnetic resonance and metamaterials. IEEE Trans. Magn. 2019, 55, 1–4. [Google Scholar] [CrossRef]
- Shi, P.; Qin, Y.; Cao, Y.; Zhao, H.; Gao, R.; Liu, S. Topology optimization of metamaterial microstructure for wireless power transfer with high power transmission efficiency. J. Magn. Magn. Mater. 2021, 537, 168228. [Google Scholar] [CrossRef]
- Murliky, L.; Porto, R.W.; Brusamarello, V.J.; de Sousa, F.R.; Triviño-Cabrera, A. Active tuning of wireless power transfer system for compensating coil misalignment and variable load conditions. AEU-Int. J. Electron. Commun. 2020, 119, 153166. [Google Scholar] [CrossRef]
- Zhang, K.; Ye, T.; Yan, Z.; Song, B.; Hu, A.P. Obtaining maximum efficiency of inductive power-transfer system by impedance matching based on boost converter. IEEE Trans. Transp. Electrif. 2020, 6, 488–496. [Google Scholar] [CrossRef]
- Zhang, Z.; Pang, H.; Eder, S.H.K.; Kennel, R. Self-balancing virtual impedance for multiple-pickup wireless power transfer. IEEE Trans. Power Electron. 2020, 36, 958–967. [Google Scholar] [CrossRef]
- Jiang, J.; Li, Z.; Song, K.; Song, B.; Dong, S.; Zhu, C. A cascaded topology and control method for two-phase receivers of dynamic wireless power transfer systems. IEEE Access 2020, 8, 47445–47455. [Google Scholar] [CrossRef]
- Issi, F.; Kaplan, O. Design and application of wireless power transfer using Class-E inverter based on Adaptive Impedance-Matching Network. ISA Trans. 2022, 126, 415–427. [Google Scholar] [CrossRef] [PubMed]
- Zhaksylyk, Y.; Hanke, U.; Azadmehr, M. Single-Sided Interspiraled Inductive Impedance Matching for Magnetic Resonance Wireless Power Transfer. IEEE Tran. Circuits Syst. I Regul. Pap. 2023, 70, 2189–2200. [Google Scholar] [CrossRef]
- Wang, Q.; Che, W.; Dionigi, M.; Mastri, F.; Mongiardo, M.; Monti, G. Gains maximization via impedance matching networks for wireless power transfer. Prog. Electromagn. Res. 2019, 164, 135–153. [Google Scholar] [CrossRef]
- Song, K.; Lan, Y.; Zhang, X.; Jiang, J.; Sun, C.; Yang, G.; Yang, F.; Lan, H. A Review on Interoperability of Wireless Charging Systems for Electric Vehicles. Energies 2023, 16, 1653. [Google Scholar] [CrossRef]
- Rong, C.; Duan, X.; Chen, M.; Wang, Q.; Yan, L.; Wang, H.; Xia, C.; He, X.; Zeng, Y.; Liao, Z. Critical Review of Recent Development of Wireless Power Transfer Technology for Unmanned Aerial Vehicles. IEEE Access 2023, 11, 132982–133003. [Google Scholar] [CrossRef]
- Zhou, W.; Zhou, H.; Cui, X.; Zhou, F.; Tan, H.; Li, X.-Y. IMeP: Impedance Matching Enhanced Power-Delivered-to-Load Optimization for Magnetic MIMO Wireless Power Transfer System. ACM Trans. Sens. Netw. 2023, 19, 1–25. [Google Scholar] [CrossRef]
- Mahmud, S.; Nezaratizadeh, A.; Satriya, A.B.; Yoon, Y.-K.; Ho, J.S.; Khalifa, A. Harnessing metamaterials for efficient wireless power transfer for implantable medical devices. Bioelectron. Med. 2024, 10, 7. [Google Scholar] [CrossRef] [PubMed]
- Zhao, J.; Zhao, J.; Zhang, J. Research on maximum efficiency tracking of active impedance matching network in intermittent current mode in wireless power transmission system. Trans. China Electrotech. Soc. 2022, 37, 24–35. [Google Scholar]
- Su, Y.; Yang, J.; Dai, X. Load and mutual inductance recognition method for MCR-WPT system based on TensorFlow neural network. Autom. Electr. Power Syst. 2021, 45, 162–169. [Google Scholar]
- Liu, Y.; Feng, H. Maximum Efficiency Tracking Control Method for WPT System Based on Dynamic Coupling Coefficient Identification and Impedance Matching Network. IEEE J. Emerg. Sel. Top. Power Electron. 2019, 8, 3633–3643. [Google Scholar] [CrossRef]















| K | Ib*/A | Ib/A | η* | η |
|---|---|---|---|---|
| 0.30 | 0.391 | 0.402 | 0.811 | 0.841 |
| 0.32 | 0.396 | 0.406 | 0.806 | 0.837 |
| 0.34 | 0.401 | 0.411 | 0.801 | 0.832 |
| 0.36 | 0.407 | 0.418 | 0.797 | 0.827 |
| 0.38 | 0.412 | 0.422 | 0.791 | 0.822 |
| 0.40 | 0.418 | 0.429 | 0.786 | 0.818 |
| 0.42 | 0.421 | 0.436 | 0.782 | 0.815 |
| Literature | Impedance Matching Circuits | Optimal Efficiency Tracking Control Methods | Load Response Time | Overall Efficiency | |
|---|---|---|---|---|---|
| Variations in Coupling Coefficients | Changes in Load Resistance | ||||
| This paper | Both modes employ buck conversion circuits | Adjusting the converter duty cycle | Approximately 170 ms | Approximately 160 ms | Approximately 80.2% |
| [24] | With a buck–boost conversion circuit in DCM mode | Adjusting the converter duty cycle in DCM mode | Approximately 180 ms | Approximately 150 ms | Approximately 80% |
| [25] | With a buck–boost conversion circuit in CCM mode | Adjusting the converter duty cycle in CCM mode | Approximately 800 ms | Approximately 600 ms | Approximately 80% |
| [26] | Along with a T-type passive impedance matching circuit | The tuning of the passive impedance matching network’s inductance and capacitance values | Approximately 200 ms | Approximately 200 ms | Approximately 80% |
Disclaimer/Publisher’s Note: The statements, opinions and data contained in all publications are solely those of the individual author(s) and contributor(s) and not of MDPI and/or the editor(s). MDPI and/or the editor(s) disclaim responsibility for any injury to people or property resulting from any ideas, methods, instructions or products referred to in the content. |
© 2024 by the authors. Licensee MDPI, Basel, Switzerland. This article is an open access article distributed under the terms and conditions of the Creative Commons Attribution (CC BY) license (https://creativecommons.org/licenses/by/4.0/).
Share and Cite
Xu, Y.; Zhang, Y.; Wu, T. Wireless Power Transfer Efficiency Optimization Tracking Method Based on Full Current Mode Impedance Matching. Sensors 2024, 24, 2917. https://doi.org/10.3390/s24092917
Xu Y, Zhang Y, Wu T. Wireless Power Transfer Efficiency Optimization Tracking Method Based on Full Current Mode Impedance Matching. Sensors. 2024; 24(9):2917. https://doi.org/10.3390/s24092917
Chicago/Turabian StyleXu, Yuanzhong, Yuxuan Zhang, and Tiezhou Wu. 2024. "Wireless Power Transfer Efficiency Optimization Tracking Method Based on Full Current Mode Impedance Matching" Sensors 24, no. 9: 2917. https://doi.org/10.3390/s24092917
APA StyleXu, Y., Zhang, Y., & Wu, T. (2024). Wireless Power Transfer Efficiency Optimization Tracking Method Based on Full Current Mode Impedance Matching. Sensors, 24(9), 2917. https://doi.org/10.3390/s24092917
