Self-Diagnostic and Self-Compensation Methods for Resistive Displacement Sensors Tailored for In-Field Implementation †
Abstract
1. Introduction
2. Materials and Methods
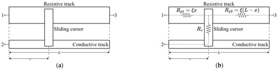
2.1. Resistive Displacement Sensor Model
- Wear: sensor components like the sliding cursor and the resistive/conductive track can wear out or become contaminated with dust, dirt, or other debris, causing the sensor to malfunction or eventually fail.
- Mechanical damage: shock, vibrations or impacts can damage or even break the sliding cursor or the resistive/conductive track.
- Environmental factors: the sensor can be affected by temperature changes or gradients, pressure variations impairing sensor sealing, moisture infiltration, or other causes producing changes in resistance, which leads to measurement errors up to complete failure.
- Aging: the electrical properties of materials forming the resistive/conductive track and the cursor might change over time, causing sensor resistance drift or output instability, leading to inaccurate measurements up to an unacceptable level.
2.2. Parameter Estimation
2.3. Cursor Position Estimation and Compensation
2.4. Fault Detection
3. Results
3.1. Simulation Results
3.2. Experimental Setup
3.3. Experimental Results
4. Discussion
5. Conclusions
6. Patents
Author Contributions
Funding
Institutional Review Board Statement
Informed Consent Statement
Data Availability Statement
Conflicts of Interest
References
- Valenzuela, R.; Vazquez, M.; Hernando, A. A Position Sensor Based on Magnetoimpedance. J. Appl. Phys. 1996, 79, 6549–6551. [Google Scholar] [CrossRef]
- Aiestaran, P.; Dominguez, V.; Arrue, J.; Zubia, J. A Fluorescent Linear Optical Fiber Position Sensor. Opt. Mater. 2009, 31, 1101–1104. [Google Scholar] [CrossRef]
- Nagaoka, T.; Uchiyama, A. Development of a Small Wireless Position Sensor for Medical Capsule Devices. In Proceedings of the 26th Annual International Conference of the IEEE Engineering in Medicine and Biology Society, San Francisco, CA, USA, 1–5 September 2004; Volume 1, pp. 2137–2140. [Google Scholar]
- Bebek, O.; Cavusoglu, C.M. Whisker-like Position Sensor for Measuring Physiological Motion. IEEE/ASME Trans. Mechatron. 2008, 13, 538–547. [Google Scholar] [CrossRef]
- Datlinger, C.; Hirz, M. Benchmark of Rotor Position Sensor Technologies for Application in Automotive Electric Drive Trains. Electronics 2020, 9, 1063. [Google Scholar] [CrossRef]
- Kirchhoff, M.R.; Boese, C.; Güttler, J.; Feldmann, M.; Büttgenbach, S. Innovative High-Precision Position Sensor Systems for Robotic and Automotive Applications. Procedia Chem. 2009, 1, 501–504. [Google Scholar] [CrossRef]
- Reininger, T.; Welker, F.; von Zeppelin, M. Sensors in Position Control Applications for Industrial Automation. Sens. Actuators A Phys. 2006, 129, 270–274. [Google Scholar] [CrossRef]
- Zhu, M.; Li, J.; Wang, W.; Chen, D. Self-Detection and Self-Diagnosis Methods for Sensors in Intelligent Integrated Sensing System. IEEE Sens. J. 2021, 21, 19247–19254. [Google Scholar] [CrossRef]
- Basri, E.I.; Abdul Razak, I.H.; Ab-Samat, H.; Kamaruddin, S. Preventive Maintenance (PM) Planning: A Review. J. Qual. Maint. Eng. 2017, 23, 114–143. [Google Scholar] [CrossRef]
- Betta, G.; Pietrosanto, A. Instrument Fault Detection and Isolation: State of the Art and New Research Trends. IEEE Trans. Instrum. Meas. 2000, 49, 100–107. [Google Scholar] [CrossRef]
- Isermann, R. Model-Based Fault-Detection and Diagnosis—Status and Applications. Annu. Rev. Control 2005, 29, 71–85. [Google Scholar] [CrossRef]
- Samy, I.; Postlethwaite, I.; Gu, D.-W. Survey and Application of Sensor Fault Detection and Isolation Schemes. Control Eng. Pract. 2011, 19, 658–674. [Google Scholar] [CrossRef]
- Thirumarimurugan, M.; Bagyalakshmi, N.; Paarkavi, P. Comparison of Fault Detection and Isolation Methods: A Review. In Proceedings of the 10th International Conference on Intelligent Systems and Control, ISCO 2016, Coimbatore, India, 7–8 January 2016; Institute of Electrical and Electronics Engineers Inc.: Piscataway, NJ, USA, 2016; pp. 1–6. [Google Scholar]
- Lou, X.; Willsky, A.S.; Verghese, G.C. Optimally Robust Redundancy Relations for Failure Detection in Uncertain Systems. Automatica 1986, 22, 333–344. [Google Scholar] [CrossRef]
- Clark, R.N.; Fosth, D.C.; Walton, V.M. Detecting Instrument Malfunctions in Control Systems. IEEE Trans. Aerosp. Electron. Syst. 1975; AES-11, 465–473. [Google Scholar] [CrossRef]
- Willsky, A.S.; Deyst, J.J.; Crawford, B.S. Adaptive Filtering and Self-Test Methods for Failure Detection and Compensation. In Proceedings of the Joint Automatic Control Conference, Austin, TX, USA, 18–21 June 1974; pp. 637–645. [Google Scholar]
- Mohapatra, D.; Subudhi, B.; Daniel, R. Real-Time Sensor Fault Detection in Tokamak Using Different Machine Learning Algorithms. Fusion Eng. Des. 2020, 151, 111401. [Google Scholar] [CrossRef]
- Warriach, E.U.; Tei, K. Fault Detection in Wireless Sensor Networks: A Machine Learning Approach. In Proceedings of the 16th IEEE International Conference on Computational Science and Engineering, CSE 2013, Sydney, NSW, Australia, 3–5 December 2013; pp. 758–765. [Google Scholar]
- Jan, S.U.; Lee, Y.D.; Koo, I.S. A Distributed Sensor-Fault Detection and Diagnosis Framework Using Machine Learning. Inf. Sci. 2021, 547, 777–796. [Google Scholar] [CrossRef]
- Henry, M.P.; Clarke, D.W. The Self-Validating Sensor: Rationale, Definitions and Examples. Control Eng. Pract. 1993, 1, 585–610. [Google Scholar] [CrossRef]
- Çinar, Z.M.; Nuhu, A.A.; Zeeshan, Q.; Korhan, O.; Asmael, M.; Safaei, B. Machine Learning in Predictive Maintenance towards Sustainable Smart Manufacturing in Industry 4.0. Sustainability 2020, 12, 8211. [Google Scholar] [CrossRef]
- Mazzoli, F.; Alghisi, D.; Ferrari, V. Self-Diagnostic Method for Resistive Displacement Sensors. Proceedings 2024, 97, 164. [Google Scholar] [CrossRef]
- Saitoh, M.; Osada, K. Long Life Potentiometric Position Sensor—Its Material and Application. SAE Trans. 1991, 100, 251–262. [Google Scholar]
- Hattangadi, A.A. Potentiometer Failures. In Failure Prevention of Plant and Machinery; McGraw-Hill Education: New York, NY, USA, 2004; ISBN 9780070483095. [Google Scholar]
- Todd, C.D. The Potentiometer Handbook: Users’ Guide to Cost-Effective Applications; McGraw-Hill: New York, NY, USA, 1975; ISBN 978-0070066908. [Google Scholar]
- Mazzoli, F.; Alghisi, D.; Ferrari, V. Position Sensor Configured to Monitor the Condition and/or the Wear Level of That Position Sensor During Its Use.















| Approach | Description | Properties | 
|---|---|---|
| Preventive Maintenance | Regular maintenance based on theoretical failure rate to avoid failures before they occur. | It is costly and prone to cause unnecessary repairs. | 
| Analytical redundancy techniques | Detection and identification of sensor failures from models built on a specific process. | It requires deep knowledge of the entire process. The model must be updated as the process changes. | 
| Machine Learning | Detection and identification of sensor faults through models trained on sensor data. | Faults are identified by changes in certain signal characteristic features rather than by underlying sensor-specific causes. | 
| Method proposed in this work | Detection and identification of sensor failures from models built on the sensor itself, independently of the processes. | It can be cost effective and the effort for model development can be easily amortized. It offers augmented sensor diagnostic coverage. | 
| 0.1 ± 0.1 | 0.8 ± 0.1 | −1 ± 1 | 11.5 ± 0.7 | 
| Sensor Condition | Rc Mean Value | ||||||
|---|---|---|---|---|---|---|---|
| Undamaged (U) | 123.0 ±0.1 | 4.5 ± 0.1 | 49,058 ± 1 | 1.3 ± 0.7 | 10.9 ± 0.1 | 10.9 ± 0.1 | 0.1 ± 0.1 | 
| Faulty (F) | 161.6 ± 0.1 | 21.9 ± 0.1 | 62,142 ± 1 | 9.9 ± 0.7 | 88.6 ± 0.1 | 83.1 ± 0.1 | 1.1 ± 0.1 | 
| Type of Fault Detected | Accuracy | Precision | Recall | 
|---|---|---|---|
| Sliding Cursor | 95.5% | 98.9% | 92.0 | 
| Resistive Track | 99.0% | 98.0% | 100% | 
| Disclaimer/Publisher’s Note: The statements, opinions and data contained in all publications are solely those of the individual author(s) and contributor(s) and not of MDPI and/or the editor(s). MDPI and/or the editor(s) disclaim responsibility for any injury to people or property resulting from any ideas, methods, instructions or products referred to in the content. | 
© 2024 by the authors. Licensee MDPI, Basel, Switzerland. This article is an open access article distributed under the terms and conditions of the Creative Commons Attribution (CC BY) license (https://creativecommons.org/licenses/by/4.0/).
Share and Cite
Mazzoli, F.; Alghisi, D.; Ferrari, V. Self-Diagnostic and Self-Compensation Methods for Resistive Displacement Sensors Tailored for In-Field Implementation. Sensors 2024, 24, 2594. https://doi.org/10.3390/s24082594
Mazzoli F, Alghisi D, Ferrari V. Self-Diagnostic and Self-Compensation Methods for Resistive Displacement Sensors Tailored for In-Field Implementation. Sensors. 2024; 24(8):2594. https://doi.org/10.3390/s24082594
Chicago/Turabian StyleMazzoli, Federico, Davide Alghisi, and Vittorio Ferrari. 2024. "Self-Diagnostic and Self-Compensation Methods for Resistive Displacement Sensors Tailored for In-Field Implementation" Sensors 24, no. 8: 2594. https://doi.org/10.3390/s24082594
APA StyleMazzoli, F., Alghisi, D., & Ferrari, V. (2024). Self-Diagnostic and Self-Compensation Methods for Resistive Displacement Sensors Tailored for In-Field Implementation. Sensors, 24(8), 2594. https://doi.org/10.3390/s24082594
 
        



 
       