Next Article in Journal
Modelling, Analysis and Validation of Hydraulic Self-Adaptive Bearings for Elevated Floating Bridges
Next Article in Special Issue
Testing and Validation of the Vehicle Front Camera Verification Method Using External Stimulation
Previous Article in Journal
Joint Fault Diagnosis of IGBT and Current Sensor in LLC Resonant Converter Module Based on Reduced Order Interval Sliding Mode Observer
Previous Article in Special Issue
Post-Processing Kalman Filter Application for Improving Cooperative Awareness Messages’ Position Data Accuracy
 
 
Font Type:
Arial Georgia Verdana
Font Size:
Aa Aa Aa
Line Spacing:
Column Width:
Background:
Article

Signal Detection by Sensors and Determination of Friction Coefficient During Brake Lining Movement

1
Department of Machine and Industrial Design, Faculty of Mechanical Engineering, VSB-Technical University of Ostrava, 17. listopadu 2172/15, 708 00 Ostrava-Poruba, Czech Republic
2
Faculty of Manufacturing Technologies, Technical University of Kosice with a Seat in Presov, Bayerova 1, 080 01 Presov, Slovakia
3
Faculty of BERG, Technical University of Kosice, Park Komenskeho 14, 040 01 Kosice, Slovakia
4
Faculty of Mechanical Engineering, Lublin University of Technology, 36 Nadbystrzycka St., 20-618 Lublin, Poland
*
Author to whom correspondence should be addressed.
Sensors 2024, 24(24), 8078; https://doi.org/10.3390/s24248078
Submission received: 20 October 2024 / Revised: 25 November 2024 / Accepted: 3 December 2024 / Published: 18 December 2024
(This article belongs to the Special Issue Sensors and Systems for Automotive and Road Safety (Volume 2))

Abstract

This article presents a laboratory device by which the course of two signals can be detected using two types of sensors—strain gauges and the DEWESoft DS-NET measuring apparatus. The values of the coefficient of friction of the brake lining when moving against the rotating shell of the brake drum were determined from the physical quantities sensed by tensometric sensors and transformed into electrical quantities. The friction coefficient of the brake lining on the circumference of the rotating brake disc shell can be calculated from the known values measured by the sensors, the design dimensions of the brake, and the revolutions of the rotating parts system. The values of the friction coefficient were measured during brake lining movement. A woven asbestos-free material, Beral 1126, which contained brass fibers and resin additives, showed slightly higher values when rotating at previously tested speeds compared to the friction coefficient values obtained when the brake drum rotation was uniformly delayed. The methodology for determining the friction coefficient of the brake lining allowed the laboratory device to verify its magnitude for different friction materials under various operating conditions.

1. Introduction

Friction is an “ordinary” physical/mechanical phenomenon encountered in everyday life. It can be defined as a mutual contact-based interaction between different bodies that prevents their relative motion. Liang XM et al. [1] conducted experiments that revealed that the linear relationship between friction force and average load always holds. However, for the relation between friction force and actual contact area, the linearity holds only at the loading stage, while it fails at the unloading stage. Holmberg and Erdemir [2] report that wear is more critical than friction because it can lead to catastrophic and operational failures that adversely affect productivity and, thus, costs. Hsu S. et al. [3] state that controlling friction becomes essential in seeking sustainable technologies. Friction, after all, is an indicator of energy efficiency. If it is possible to reduce the unnecessary parasitic energy losses and increase the current energy efficiency, it will give us time to develop alternative energy sources. Krc et al. [4] presented a database of shear friction test results collected from the literature and analyzed using the approaches in the PCI Design Handbook. Santos and Júlio [5] presented a literature review on design expressions for shear friction, which they described chronologically, starting with proposals from the earliest research studies, precursors of the theory, until the most recent studies incorporated in the newest fib Model Code. Blau [6] deals with the measurement and use of static and kinetic coefficients of friction, discusses their usefulness, and describes sources of frictional resistance in terms of shear localization. Blau and Jolly [7] investigated whether the wear of brake lining materials can be measured in shorter-term laboratory tests and, if so, determined to what extent the relative ranking of several lining materials’ wear resistance depends on the testing method. Ertan and Yavuz [8] experimentally investigated the brake lining composition for the effects of manufacturing parameters on tribological properties and to obtain optimal manufacturing parameters for improved tribological behavior. Laguma-Camacho et al.’s study [9] described the wear mechanisms involved in disc and shoe pads (bodies). Using theoretical mechanics, Dosaev [10] solved the classical problem of the contact between a shoe and a wheel. They also analyzed each element’s elastic and viscous properties, simulating the material’s compliance in the contact area between the wheel and the brake shoe. They determined that elastic force acts on the shoe from the side of the pusher, pressing the shoe against the wheel. Teoh et al. [11] show the development of a minimal model of a drum brake squeal under binary flutter instability, which is caused by the velocity-independent friction coefficient.
The function of the brake lining (or the entire brake system) is to reduce how long it takes for a moving transport device or means of transport to stop by exerting friction between the brake lining and the rotating brake drum. In the work of Aleksendrić and Barton [12], the synergistic effects of the friction material’s properties, defined by its composition and manufacturing conditions, and the brake’s operating regimes on the disc brake factor C variation were modeled using artificial neural networks. Yang and Chen [13] created an inverse algorithm based on the conjugate gradient method and the discrepancy principle and used it to estimate the unknown space- and time-dependent heat flux of the disc in a disc brake system. Their calculations were based on temperature measurements taken within the disc.
In several engineering applications, friction is an undesirable phenomenon, and efforts are made to eliminate it; in the case of brake linings, friction is an essential prerequisite for the safe operation of transport equipment.
The methodology for measuring the coefficient of shear friction of the brake lining at the moment of brake disc start-up is discussed in [14,15]. The value of the shear friction coefficient depends mainly on the surface condition and the materials’ roughness [16]. For cases where Amonton friction laws apply [17,18], the values of the factor range from zero (practically no friction) to several times higher than one, indicating that the frictional force is many times greater than the perpendicular pressure. Since 2012, it has been known and experimentally proven that in a specific small range of perpendicular pressures, the coefficient of shear friction can be negative (Gao et al. [19]).
A distinction is made between shear friction and friction at rest (static friction). Hrabovský and Janek [20] presented an experimental measurement of the mining equipment’s motion resistance. Friction during movement (the magnitude of the friction force in kinematic friction) does not depend on speed. The experiments realized by Lee et al. [21] classified different forms of friction.
It is generally known that the magnitude of the coefficient of friction on the standard contact surface of two bodies cannot be measured directly. Burris and Sawyer [21] reviewed the challenges of low-friction measurements and presented a robust reversal technique that eliminates misalignment bias. Schmitz et al. [22] investigate the experimental uncertainty associated with friction measurements obtained by following the guidelines prescribed in international standards.
The friction coefficient is calculated from two measured forces—compressive normal force and tensile force. The friction coefficient at the slip point, or during the slippage of the conveyor belt on the rubber or steel casing of the driving drum, was determined for two states of the surfaces in contact. Experimental measurements on a laboratory machine determined four values of friction coefficients for two types of drum surfaces and for two states of contact surfaces, which were compared with the recommended standard values. The measured values reached higher than those given by the CSN standards (Hrabovský et al. [23]). Straffelini [24] defines the transmission ratio of the acting forces as the coefficient of static friction. In general, it is independent of the nominal contact area, while it can rely on the properties of the opposing materials and their surfaces.
A closer investigation of the mechanics of the body’s contact, including numerical modeling, experiments, and determination of the actual contact spatial area, including the macro/micro/nano view and the friction coefficient and friction models, is given by [1,2,3,25,26,27,28,29,30,31,32,33].
The paper presents a laboratory device for measurements (using two sensors—strain gauges and DEWESoft DS-NET measuring apparatus). Based on the brake design dimensions and the speed of the rotating system, the friction coefficient of the brake lining on the circumference of the brake disc rotating casing is determined and calculated. The methodology that was created enables the laboratory device to verify the magnitude of the friction coefficient for different friction materials under various operating conditions.

2. Materials and Methods

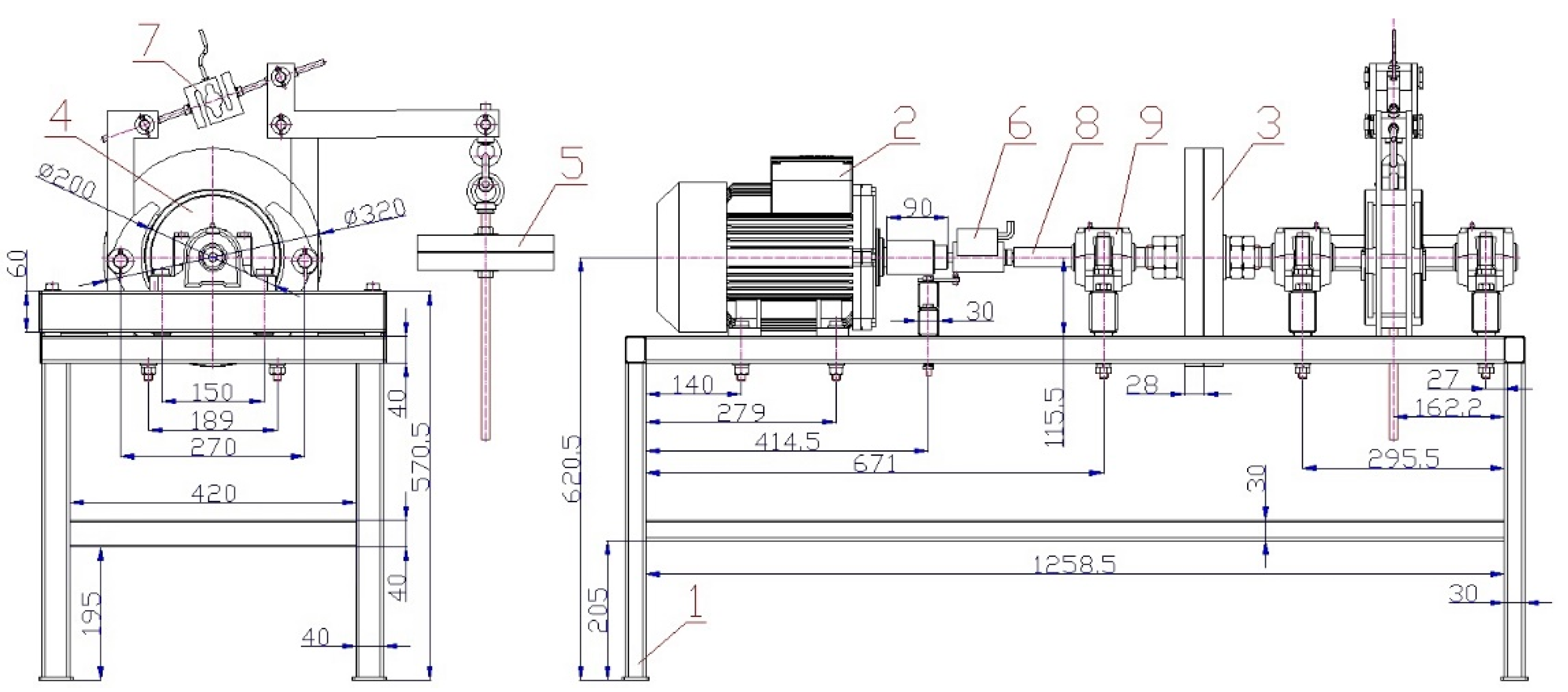
The laboratory device (see Figure 1) is formed by a welded steel construction 1 of closed profiles with a cross-sectional dimension of 30 × 40 mm. A foot electric motor 2 [34] (type AP 112M-S3, power Pe = 1.5 kW, revolutions ne = 710 min−1) is attached to the structure 1 using screw connections. A torque sensor 6 [35] is installed between the shaft 8 and the electric motor 2. The shaft 8 is housed in three plummer blocks 9 (type SN 507 [36]), which are attached to the Jäckl by screw connections 10. The brake disc 4 (ϕ200 mm, width 85 mm) of the disc brake is placed on the shaft 8 using a tight spring (8e7 × 7 × 50 [37]). A flywheel 3 (ϕ320/36 ϕmm, width 28 mm) is mounted on the threaded part of the shaft 8.
Figure 2 presents a 2D assembly sketch of the laboratory device’s structural design, adapted from a volumetric 3D model created in the SolidWorks 2012 ×64 Edition SP05 software environment [39] and made in the AutoCAD 2010 software environment [40].
The standard plummer block in a laboratory device is used to fasten the bearings to the bearing structure. The plummer block 9 (see Figure 1 and Figure 2) is a split version of the standing plummer block in the laboratory device used to place the shaft 8 (see Figure 3a; its upper part is removable, significantly simplifying assembly and maintenance).
Equation (1) gives the moment equation of forces acting on point A (see Figure 4b) on the brake lever 2, provided that G [N] is the weight 7 acting on the arm e [m] of the brake lever, α[deg] is the angle of inclination of the threaded rod 6 of the brake, FM [N] is the force in the threaded rod 6 of the brake derived by the weight G [N] through the brake lever 2 of length e [m], or the tensile force acting in the threaded rod 6 (see Figure 4c), detected by the force sensor 5.
M A = 0   N m     F M cos ( α ) d     G e = 0     F M = G e d cos ( α )   [ N ]
By using the moment equation of the forces acting on point B (see Figure 4b), it is possible to express the magnitude of the pressure force N1 [N] (2) of the left brake shoe 3 (see Figure 4a) against the brake disc 4.
M B = 0   N m     N 1 a     F M cos ( α ) l = 0     N 1 = F M cos ( α ) l a   [ N ]
If (1) is added to Equation (2) after FM [N], the magnitude of the pressure force N1 [N] of the left brake shoe 3 against the brake disc 4 can be expressed by Equation (3).
N 1 = F M cos ( α ) l a = G e cos ( α ) l d cos ( α ) a = G e l a d   [ N ]
From the moment equation of the forces acting on point C (see Figure 4b), it is possible to express the magnitude of the pressure force N2 [N] (4) of the right brake shoe 3 (see Figure 4a) against the brake disk 4.
M C = 0   N m     F M cos ( α ) l     N 2 a = 0     N 2 = F M cos ( α ) l a   [ N ]
If (1) is added to Equation (4) after FM [N], the magnitude of the pressure force N2 [N] of the right brake shoe 3 against the brake disk 4 can be expressed by Equation (5).
N 2 = F M cos ( α ) l a = G e cos ( α ) l a d cos ( α ) = G e l a d   [ N ]
In double-jaw brakes, two jaws are placed against each other on pivots. The braked circumferential force Fu [N] and the braked moment Mu [N·m] can be expressed, assuming the same magnitude of both pressure forces of the brake jaws N1 [N] (3) and N2 [N] (5), according to Equation (6).
F u = ( N 1 + N 2 ) f = 2 F M cos ( α ) f l a = 2 G f e l a d   [ N ] ;   M u = F u D 2 = F M cos ( α ) f l D a = G f e l D a d   [ N m ]
The implemented measurements were performed on a test device; see Figure 3. The electric motor 2 is used to start up the flywheel 3 to the desired angular speed ω [rad·s−1]; once this speed is reached, the motor is disconnected, and the double-jaw brake is activated. Flywheel 3 consists of thin (thickness of 28 mm) discs of constant dimensions. The addition of discs allows changing the weight of the flywheel and thus the moment of inertia of the moving (rotating) weights of the test device J [kg·m2] (7). The programming device allows setting the desired operating mode, i.e., angular acceleration ε [rad·s−2] (7).
J = J M + J s + J B   [ kg m 2 ] ;   ε = d ω dt = ω t b = 2 π n M t b   [ rad s 2 ]
where JM [kg·m2] is the moment of inertia of the engine (JM = 0.0122 kg·m2 [34]), JS [kg·m2] is the moment of inertia of the flywheel (8), and JB [kg·m2] is the moment of inertia of the brake disc (JB = 0.06 kg·m2, read from the SolidWorks 3D modeler [39]),
J s = 1 2 m s ( R s 2     r s 2 ) = 1 2 17.45 ( 0.16 2     0 . 018 2 ) = 0 . 221   kg m 2
where Rs [m] is the radius of the flywheel shell, rs [m] is the radius of the hole in the flywheel, ms [kg] is the weight of the flywheel (ms = 17.45 kg, read from the SolidWorks 3D modeler [39]).
The required braking torque MB [N·m] can be expressed by Equation (9).
M B = J ε = ( J M + 2 J s + J B ) 2 π n M t b   [ N m ]
When the electric motor [43] starts up to the speed nM [min−1], which is set by the frequency converter [44] (nominal speed of the motor ne = 710 min−1 = 12.3 s−1 [34]), it is disconnected from the power supply. For this case, Equation (10) can be determined, according to Figure 4c:
M B     M u     M r = 0     J 2 π n M t b     F M f l D a     M r = 0   [ N m ]
where Mr [N·m] is the torque expressing the system resistance (shaft, flywheel, and brake drum) against rotation (resistance in the bearings); the value was determined experimentally.
By changing the Equation (6) or (10), the value of friction coefficient f [-] (11) can be expressed.
f = M M a F M l D = J 2 π n M t b     M r F M D l a = ( J 2 π n M t b     M r ) a F M D l   [ - ] ;   f 1 i = M Mi a F M i l D   [ - ] ;   f 2 i = ( J 2 π n M t b i     M r ) a F Mi D l   [ - ]
Torque sensor 1 (type T4WA-S3 [35]) calibration was carried out as follows: The square of the sensor shaft 1 was clamped by the jaws of a bench vice 2 (see Figure 5a), and the square head of the sliding rod socket adapter socket wrench 3 [7] was inserted into the square hole in the sensor shaft 1. A steel tube 4 [8] (external diameter ϕ16 mm, wall thickness 1 mm, weight mt = 0.37 kg·m−1) was inserted into the ϕ16 mm hole in the head of the sliding rod socket adapter socket wrench 2, to which a suspension nut with an M8 eye 5 (DIN 582) was attached using a screw. A weight 6 was hung on the suspension nut. The magnitude of the torque Mc [N·m], derived for sensor 1 calibration, can be calculated according to Equation (12).
M c = ( m t L t + m z L z ) g   [ N m ]
The calibration of the force sensor 7 (type AST-250 kg [38]) (see Figure 5b) was carried out by hanging a weight 9 (known weight 232 N) on a hanger 8. As seen in Figure 6, the torque sensor cable and the force sensor cable, terminated with a D-Sub 9-pin plug, were connected to the module DS NET BR4 [45]. The DS GATE module [45] was connected to the PC (ASUS K72JR-TY131, ASUS, Suzhou, China), in which DEWESoft X2 SP5 software was installed, using the RJ45 connectors of the network cable [46].

3. Results

The measurements on the laboratory device (Figure 1 and Figure 2) were carried out using three procedures in a laboratory at the Department of Machine and Industrial Design, Faculty of Mechanical Engineering, VSB-Technical University of Ostrava.
The first measurements were performed to determine the resistance to rotation of the system Mr [N·m] of the laboratory device rotating parts; see Section 3.1 for details.
The second measurement detected the torque MMi [N·m] and the tensile force FMi [N] in the threaded rod connecting the pins in the upper parts of the double-jaw brake levers. From the known measured values MMi [N·m] and FMi [N], it was possible (using Equation (11)) to calculate the values of friction coefficient f1i [-] of the brake lining against the steel casing of the brake disc rotating at revolutions nM [min−1]. The specific procedure for determining the value of friction coefficient f1i [-] is given in Section 3.2.
The third measurement was of the braking time tbi [s] of the rotating parts system in the laboratory device, rotating at revolutions ne [min−1]. System braking in the laboratory device was implemented by deriving the tensile force FMi [N] in the threaded rod connecting the pins of the two-jaw brake levers at the moment of electric current supply interruption into the electric motor power terminals. From the known dimensions of the two-jaw brake (see Figure 4), the moment of inertia of the laboratory device rotating parts (7), the moment Mr [N·m] (see Table 1), and the measured values nM [min−1] and FMi [N], is possible to calculate the friction coefficient f2i [-]; see Section 3.3 for more details.

3.1. Resistance Against the Rotation of the Laboratory Device Rotating Parts

The measurement of torque Mri [N·m], expressing the resistance against the rotation of the system’s rotating parts (without the motor rotor), was carried out on a laboratory device (see Figure 3) with the electric motor 2 removed and brake jaws fully opened off the brake disc circumference 4. A mounting wrench was attached to the quadrilateral of the torque sensor 6, which was acted upon by a force that caused the system to rotate when a certain amount was exceeded. The generated moment, Mri [N·m], as seen in Figure 7, acting on the torque sensor, was recorded by DEWESoft X2 SP5 measuring software [46].
The measurement of moment Mri [N·m] was repeated 5 times under the same technical conditions; the values of Mri [N·m] are shown in Table 1. The measurement results were statistically processed using Student’s distribution. For the risk α = 5% and the confidence coefficient P = 95%, the Student’s coefficient t5%,5 = 2.78 was chosen according to [47] for the number of repeated measurements n = 5. The arithmetic mean Mrs [N·m] of all measured values Mri [N·m] and the extreme error κα,n = κ%,5[N·m] are shown in Table 1.

3.2. Friction Coefficients of the Brake Lining Against the Rotating Casing of the Brake Drum

When measuring starts, the drum brake jaws, fitted with BERAL 1126 [48] brake lining, are detached from the brake drum shell. Separation of the brake jaws from the brake drum is ensured by loosening a hexagonal nut screwed onto the threaded rod that connects the two brake levers. The threaded rod is broken, and both end parts of the fractured threaded rod are screwed with an AST-250 kg [38].
By applying electric current to the electric motor 1 AP 112M-S3 terminals (see Figure 8), a magnetic field is generated in the stator winding of the engine, which spins the rotor from zero revolutions to nominal revolutions neT [min−1] (13) (theoretically calculated revolutions, nominal revolutions ne [min−1]).
The electric motor rotor rotates at revolutions neT [min−1], controlled by a frequency converter (YASKAWA VS-606 V7 [44]). A torque sensor 3 is installed between the electric motor shaft and the driven shaft 2 T4WA-S3 [35].
n eT = n e   f c f   [ min 1 ]
where f [Hz] is the frequency of the alternating current in the distribution grid f = 50 Hz (Europe, f = 60 Hz USA), and fc [Hz] is the frequency set on a frequency changer.
The actual speed of the electric motor 1 nM [min−1] was obtained from measuring speed sensor UNI-T UT373 4 [35]. A force sensor 5 (AST-250 kg) is installed in the upper part of both brake levers, which detects the force FMi [N]. Before starting the electric motor 1, the tensile force FMi [N] is derived by tightening the hexagonal nuts 6 in the threaded rod of the brake, interrupted, and fitted with a strain gauge force sensor 5.
At the moment when the rotor of the electric motor 1 rotates at the speed ne [min−1], the force FMi [N] is sensed by the force sensor 5, and the torque MMi [N·m] by the torque sensor 4. According to (11), the value of friction coefficient f1i [-] is calculated (see Table 2) for the brake lining—woven asbestos-free friction material BERAL 1126 containing brass fibers for increased resistance and high-temperature stability. The brake lining is made using resin additives and with the help of a three-axial structure [49].
The speed sensor UNI-T UT373 4 accurately detects the rotating motor rotor’s speed. When the speed of the motor rotor reaches the value of theoretical nominal speed neT [min−1], the hexagonal nut is tightened, which brings the ends of the brake levers closer to each other and thus increases the pressure of the brake lining against the shell of the brake drum.
The plugged electric motor 1 [34] rotates to the required theoretical revolutions neT [min−1] (13), set by using the YASKAWA VS-606 V7 frequency converter [44]. The actual speed of the electric motor nM [min−1] is detected by the speed sensor 4 UNI-T. At this point, the brake shoes are not in contact with the brake disc.
Four repeated measurements under the same conditions, using the same DEWESoft DS-NET [45] measuring apparatus, obtained the values of force FMi [N] and torque MMi [N·m], listed in Table 2.
Table 2 shows the calculated value of friction coefficient f1 [-] in Equation (14) using Student’s distribution [47].
f 1 = f 1 s   ±   χ α , n = f 1 s   ±   χ 5 % , 4   [ - ] ;   χ α , n = t α , n s = t 5 % , 4 s   [ - ]
where f1i [-] is the arithmetic mean of all (n [-]—number of repeated measurements) measured values f1i [-], χα,n [-] is the extreme error, tα,n [-] (t5%,4 = 3.18) is Student’s coefficient for risk α [%] (α = 5%) and confidence coefficient P [%] (P = 95%) [47], with [-]—sample standard deviation of the arithmetic mean.
Figure 9 presents the course of the tensile force FMi [N] measured by the force sensor [38] and the torque MMi [N·m] by the torque sensor [3] when the electric motor rotates at nM [min−1] revolutions.
Table 3 shows the measured values of force FMi [N] and torque MMi [N·m] when the electric motor speed nM [min−1] is controlled by the frequency converter with the set frequency values fc = 30 Hz and fc = 40 Hz.
Time recording of measured tensile force FMi [N] and torque MMi [N·m] when the electric motor rotates at speeds nM [min−1] lower than the nominal speed of the electric motor [34] ne = 710 min−1, controlled by a frequency converter [44], as shown in Figure 10.
Four repeated measurements under the same conditions, using the same DEWESoft DS-NET [46] measuring apparatus, obtained the values of force FMi [N] and torque MMi [N·m], listed in Table 4.
Time recording of measured values of tensile force FMi [N] and torque MMi [N·m] when the electric motor rotates at the speed nM [min−1] identical to the nominal speed of the electric motor [34] ne = 710 min−1, as shown in Figure 11.

3.3. Friction Coefficients of the Brake Lining Friction Against the Brake Disc Shell During the Disc’s Braking

The plugged electric motor [34] rotates to the required theoretical revolutions neT [min−1] (13), set by using the YASKAWA VS-606 V7 frequency converter [44]. The actual speed of the electric motor nM [min−1] is detected by the speed sensor UNI-T UT373 [35]; see Table 5, Table 6 and Table 7. At this point, the brake shoes are not in contact with the brake disc.
The force sensor AST-250kg [38] is installed between the upper pins in the end parts of both levers of the double-jaw brake, detecting the force FMi [N]; see Figure 4. In the threaded rod of the brake, interrupted and fitted with a geometric force sensor [6] (see Figure 4), the force FMi [N] is derived by tightening the hexagonal nuts; (see Table 5, Table 6 and Table 7). The magnitude of force FMi [N] is detected by DEWESoft X2 SP5 [46].
After the required speed ne [min−1] of the electric motor and a required tensile force FMi [N] in the threaded rod (DEWESoft X2 SP5 records the time course of force FMi [N] values) are achieved, the electric motor is disconnected from the power supply (measurement time t1i [s]; see Figure 12 and Figure 13). Due to the friction force N1 = N2 [N] (3) and (5), a uniform reduction in the system revolutions takes place until the system is entirely stopped (measuring time t2i [s]; see Figure 12 and Figure 13). The braking time tbi [s] is calculated from the measured times t1i [s] and t2i [s].
From the known brake dimensions a [m], l [m], and D [m] (see Figure 4), a total moment of system inertia J [kg·m2] (7), the moment of system resistance against rotation Mri [N·m] (see Section 3.1), and the braking time tbi [s], the value of friction coefficient f2i [-] can be calculated according to (11), when moving.
As shown in Table 5, DEWESoft X2 SP5 software obtained start times t1i [s] and end times t2i [s] of rotating parts system braking (revolutions nM = 148.5 min−1 for fc = 10 Hz and nM = 298.4 min−1 for fc = 20 Hz) in the laboratory device and the magnitude of force FMi [N] when the braking of laboratory device rotating parts starts.
Table 5. The magnitude of FMi [N] at the start of braking t1i [s] of the rotating system at speeds nM = 148.5 min−1 and 298.4 min−1, the time of the end of braking t2i [s].
Table 5. The magnitude of FMi [N] at the start of braking t1i [s] of the rotating system at speeds nM = 148.5 min−1 and 298.4 min−1, the time of the end of braking t2i [s].
nM [min−1]FE [N]t1i [s]t2i [s]tbi [s]f2i [-]nM [min−1]FE [N]t1i [s]t2i [s]tbi [s]f2i [-]
148.537.0 118.53 219.57 31.040.369298.499.4 417.39 518.44 61.050.351
33.916.1717.311.140.35595.518.8719.981.110.344
29.714.8815.941.060.32692.318.4219.410.990.390
35.117.4018.380.980.31093.318.5619.450.890.325
Σ f2i [-]1.360 Σ f2i [-]1.410
f2i = Σ f2i/i [-]0.340 f2i = Σ f2i/i [-]0.353
χ5%,4 [-]0.054 χ5%,4 [-]0.043
1 see Figure 9a, 2 see Figure 12a, 3 see Figure 12b, 4 see Figure 9c, 5 see Figure 12c, 6 see Figure 12d.
In Table 6, DEWESoft X2 SP5 software-obtained start times t1i [s] and end times t2i [s] of rotating parts system braking in the laboratory device (revolutions nM = 448.5 min−1 for fc = 30 Hz and nM = 598.4 min−1 for fc = 40 Hz) are presented, along with the magnitude of force FMi [N] when braking of the laboratory device rotating parts starts.
Table 6. The magnitude of FMi [N] at the start of braking t1i [s] of the rotating system at speeds nM = 448.5 min−1 and 598.4 min−1, the time of the end of braking t2i [s].
Table 6. The magnitude of FMi [N] at the start of braking t1i [s] of the rotating system at speeds nM = 448.5 min−1 and 598.4 min−1, the time of the end of braking t2i [s].
nM [min−1]FE [N]t1i [s]t2i [s]tbi [s]f2i [-]nM [min−1]FE [N]t1i [s]t2i [s]tbi [s]f2i [-]
448.569.1 124.18 226.13 31.950.378598.481.1 424.06 526.43 62.370.366
65.923.0725.152.080.36887.522.1924.632.440.338
51.919.0421.452.410.38084.723.1925.842.650.321
71.626.3128.131.820.39288.325.8426.322.260.359
Σ f2i [-]1.518 Σ f2i [-]1.384
f2i = Σ f2i/i [-]0.380 f2i = Σ f2i/i [-]0.346
χ5%,4 [-]0.015 χ5%,4 [-]0.038
1 see Figure 10a, 2 see Figure 13a, 3 see Figure 13b, 4 see Figure 10c, 5 see Figure 13c, 6 see Figure 13d.
Figure 13 presents the course of measured tensile force FMi [N] and the torque MMi [N·m] values when the electric motor rotates at a speed of nM = 448.5 min−1 (Figure 13a,b) or 598.4 min−1 (Figure 13c,d). The start time t1i [s] and end time t2i [s] of the braking system of laboratory device rotating parts, at the frequency fc = 30 Hz on the frequency converter, are given in Figure 13a,b. The start time t1i [s] and end time t2i [s] of the braking system of the laboratory device rotating parts, at the frequency fc = 40 Hz on the frequency converter, are given in Figure 13c,d.
As shown in Table 7, the DEWESoft X2 SP5 software obtained the start times t1i [s] and end times t2i [s] of the rotating parts system braking (revolutions nM = 748.2 min−1 for fc = 50 Hz) of the laboratory device. The magnitude of force FMi [N] when braking of the laboratory device’s rotating parts starts is presented.
Table 7. The magnitude of FMi [N] at the start of braking t1i [s] of the rotating system at speed nM = 748.2 min−1, the time of the end of braking t2i [s].
Table 7. The magnitude of FMi [N] at the start of braking t1i [s] of the rotating system at speed nM = 748.2 min−1, the time of the end of braking t2i [s].
nM [min−1]FE [N]t1i [s]t2i [s]tbi [s]f2i [-]
748.288.9 120.82 223.63 32.810.359
72.3 429.63 532.61 62.980.341
83.233.7936.843.050.350
85.329.9233.133.210.329
Σ f2i [-]1.379
f2i = Σ f2i/i [-]0.345
χ5%,4 [-]0.022
1 see Figure 11a, 2 see Figure 14a, 3 see Figure 14b, 4 see Figure 11b, 5 see Figure 14c, 6 see Figure 14d.
Figure 14 presents the course of the measured tensile force FMi [N] and the torque MMi [N·m] values when the electric motor rotates at speed nM = 748.5 min−1. Figure 14a,b give the start time t1i [s] and end time t2i [s] of the braking system of the laboratory device rotating parts at the frequency fc = 50 Hz on the frequency converter.

4. Discussion

Crane brakes are used in technical practice for two purposes: either to stop sliding and rotational movement (parking brakes) or to maintain the load’s movement at the required speed (if the device is not self-locking or started in another way, starting brakes).
With double-jaw brakes, the braking effect comes from friction generated by the pressure of the brake lining attached to the brake shoes against the brake drum shell.
The brake friction coefficient is also one of the key parameters of a vehicle’s braking performance. The coefficient fundamentally affects the optimization of braking systems and the vehicle braking performance.
Bartolomeo et al. [50] present an experimental and numerical analysis of friction-induced vibrations arising from frictional contact between two bodies in relative motion. The sliding contact was reproduced within a mechanical system characterized by simple dynamics to better distinguish between the system’s dynamic response and the broadband induction coming from the contact. In this article, the authors research the effects of some parameters, especially relative speed, roughness, and normal load, on the size and frequency content of induced vibrations and compare the experimental measurements and simulation results.
Because the magnitude of the friction coefficient cannot be measured directly, a laboratory device was designed and created in a laboratory at the Department of Machine and Industrial Design, Faculty of Mechanical Engineering, VSB-Technical University of Ostrava, on which the torque and tensile force were detected. The DEWESoft DS-NET measuring apparatus subtracted the necessary data from the measurement records in the DEWESoft X2 SP5 software environment, and the friction coefficient was calculated.
The values obtained by measuring the friction coefficient of the brake lining against the casing of a rotating (revolutions nM [min−1]) brake drum (see Section 3.2) were the highest at the lowest revolutions nM < ne [min−1] and the lowest at the highest revolutions nM = ne = 710 min−1.
At the set frequency fc = 10 Hz on the frequency converter, with the parts of the laboratory device rotating at speeds nM = 148.5 min−1 (see Table 2), the friction coefficient f1(10 Hz) = 0.469 ± 0.031 value was calculated.
At fc = 20 Hz (nM = 298.4 min−1; see Table 2), the value of friction coefficient f1(20Hz) = 0.357 ± 0.010 was calculated, which corresponds to 0.76% of the value f1(10Hz) [-].
At fc = 30 Hz (nM = 448.5 min−1; see Table 3), the value of friction coefficient f1(30Hz) = 0.365 ± 0.077 was calculated, which corresponds to 0.78% of the value f1(10Hz) [-].
At fc = 40 Hz (nM = 598.4 min−1; see Table 3), the value of friction coefficient f1(40Hz) = 0.357 ± 0.032 was calculated, which corresponds to 0.76% of the value f1(10Hz) [-].
At fc = 50 Hz (nM = 598.4 min−1; see Table 4), the value of friction coefficient f1(40Hz) = 0.333 ± 0.081 was calculated, which corresponds to 0.71% of the value f1(10Hz) [-].
The measurements on the laboratory device were carried out when the brake disc casing surface was clean and dry. In practice, no supply of oil or lubricants to the surface of the brake drum case is allowed due to a drastic reduction in friction coefficient.
Braking time measurement on the laboratory device was carried out at different speeds nM [min−1] of its rotating parts: the electric motor rotor, flywheel, brake disc, and shaft. After the rotating parts had started up to the required angular speed, the electric motor power supply was disconnected, and the brake was put into operation by the tensile force FMi [N] in the threaded rod, sensed by the sensor. The measuring software recorded the total braking time tbi [s].
Table 5 shows the calculated values of friction coefficient f2(10Hz) = 0.340 ± 0.054 and f2(20Hz) = 0.353 ± 0.043 for the actual revolutions nM(10Hz) = 148.5 min−1 and nM(20Hz) = 148.5 min−1 of the laboratory device rotating parts. At frequency fc = 20 Hz on the frequency converter, the average value of the friction coefficient f2(20Hz) is 104% of the value f2(10Hz).
Table 6 shows the calculated values of friction coefficient f2(30Hz) = 0.380 ± 0.015 and f2(40Hz) = 0.346 ± 0.038 for the actual revolutions nM(30Hz) = 448.5 min−1 and nM(40Hz) = 598.4 min−1 of the laboratory device rotating parts. At frequency fc = 30 Hz on the frequency converter, the average friction coefficient f2(30Hz) value is 112% of f2(10Hz). At frequency fc = 40 Hz on the frequency converter, the mean value of friction coefficient f2(40Hz) is 102% of the value f2(10Hz).
Table 7 shows the calculated values of friction coefficient f2(50Hz) = 0.345 ± 0.022 for the actual revolutions nM(50Hz) = 748.2 min−1 of the laboratory device rotating parts. At fc = 50 Hz on the frequency converter, the mean value of friction coefficient f2(50Hz) is 102% of the value f2(10Hz).
The difference in the average friction coefficient values between the brake lining and the rotating brake drum casing f1(iHz) in Section 3.2 and the values (f2) in Section 3.3 can be attributed to the challenges in obtaining completely accurate braking time readings tbi [s] when recording the braking of the laboratory device’s rotating parts using the DEWESoft program. Substituting slightly different braking times into Equation (12) results in a change in the calculated friction coefficient value in the brake lining against the casing of the rotating brake drum.
The arithmetic average of the calculated friction coefficients value in the brake lining against the casing of the rotating brake drum f1(iHz) [-], listed in Table 2, Table 3 and Table 4, is f1 = 0.376. The arithmetic average of the calculated friction coefficients value in the brake lining against the casing of the rotating brake drum f2(iHz) [-], listed in Table 5, Table 6 and Table 7, is f2 = 0.353. The value f2 = 0.353 is 93.9% of f1 = 0.376.
It is also undesirable for water to reach the surface of the brake drum, as mainly during the occasional use of a double-jaw brake, the dry friction could change into semi-dry friction or, in extreme cases, even liquid friction could occur. The area between the dry and wet state of the contact brake surfaces is not determined from a physical point of view. It is also unclear how thick a layer of water or damp dirt is needed to fundamentally change the friction coefficient value in the contact surfaces of a double-jaw brake.
Double-jaw brakes are friction brakes. By the friction of the brake lining against the brake drum surface, minute particles are separated, and heat is generated by changing the kinetic energy of all sliding and rotating masses into friction and heat. The heat generated during braking, especially in high-performance machinery, dries the moisture/water, but in occasional braking mode or with a selected short braking time, declaring the value of dry friction coefficient is impossible when brake contact surfaces are wet.
Experimental investigation and determination of the boundary between the dry and wet states of the brakes’ contact surfaces stimulate further research. In practice, it is also desirable to determine a minimum thickness of the liquid layer from the measurement results, at which point the dry friction coefficient would still be considered for technical calculations.
The construction design of the described laboratory device and its execution in the laboratory were carried out to obtain the values of the friction coefficient of brake linings for drum brakes with external shoes for their subsequent verification and comparison with the values declared by the manufacturer. The manufacturer often states the friction coefficient of brake linings only as a value corresponding to the operating temperature. Still, this coefficient is unknown for the contact conditions (presence of pollution, humidity, presence of lubricant, and oil) under which the brakes are commonly operated in actual conditions.
In the bachelor’s form of study at the Faculty of Mechanical Engineering, VSB Technical University of Ostrava, the device will be used to obtain values of the static friction coefficient for different brake linings and different states of contact surfaces, which will then be assessed and compared.

5. Conclusions

The implemented measurements aimed to design a laboratory device on which the most accurate value of friction coefficient could be experimentally obtained for the Beral 1126 type brake lining glued to the brake shoes of a double-jaw brake under dry operating conditions. When writing this article, the authors did not consider comparing the values of friction coefficients in different friction materials used as brake linings from the beginning.
Brakes, regardless of their design, serve to reduce the speed or stop a moving load (service brakes) and to secure a stationary load against unwanted movement (parking brake). The braking effect is achieved by friction between fixed and rotating parts. The kinetic energy turns into a thermal one, which needs to be dissipated into the atmosphere.
The calculated average value of the friction coefficient in brake lining type Beral 1126 when the brake disc is rotating, calculated from the parameters measured by the force and torque sensors on the laboratory device (see Section 3.2), is f1 = 0.376.
The measured friction coefficients of the brake lining type Beral 1126 result in the average value of friction coefficient f2 being 0.353, based on the braking time measured on the laboratory device according to the procedure described in Section 3.3.
Double-acting jaw brakes are widespread components of drive units of continuously and intermittently operating transport devices. Due to the smaller acting torques, the brake drum is designed as a flexible connector between the drive motor and the gearbox. The braking effect of shoe brakes comes from clamping the jaws (usually loosely mounted on pins passing through holes in the brake levers) on the outer shell of the brake drum with a compression spring or weight. A single-acting electromagnet or an electrohydraulic brake release performed brake release.
From the data obtained by measuring sensors (see Table 1, Table 2, Table 3, Table 4, Table 5, Table 6 and Table 7), it can be stated that the magnitude of the friction coefficient of the brake lining can be determined, with sufficient accuracy, on the designed laboratory device. Future research aims to implement measurements that allow for the determination of friction coefficient values in various friction materials used as brake linings under different operating conditions—when wet or when contaminated with oil or dust.

Author Contributions

Conceptualization, L.H. and J.B.; methodology, V.M.; software, J.F.; validation, G.F., J.F., and J.B.; formal analysis, N.M.; investigation, T.J.; resources, L.H.; data curation, V.M.; writing—original draft preparation, G.F.; writing—review and editing, L.H.; visualization, J.F.; supervision, G.F.; project administration, T.J.; funding acquisition, N.M. All authors have read and agreed to the published version of the manuscript.

Funding

This research was funded by “Research and innovation of modern processes and technologies in industrial practice”, grant number SP2024/001 MŠMT CR (Ministry of Education, Youth and Sports). This research was funded by the projects VEGA 1/0674/24, VEGA 1/0101/22, KEGA 005TUKE-4/2022, KEGA 018TUKE-4/2022, APVV-21-0195, SK-SRB-23-0054, and ITMS: 313011T567.

Institutional Review Board Statement

Not applicable.

Informed Consent Statement

Not applicable.

Data Availability Statement

The original contributions presented in the study are included in this article; further inquiries can be directed to the corresponding author.

Conflicts of Interest

The authors declare no conflicts of interest.

References

  1. Liang, X.M.; Xing, Y.Z.; Li, L.T.; Yuan, W.K.; Wang, G.F. An experimental study on the relation between friction force and actual contact area. Sci. Rep. 2021, 11, 20366. [Google Scholar] [CrossRef]
  2. Holmberg, K.; Erdemir, A. Influence of tribology on global energy consumption, costs and emissions. Friction 2017, 5, 263–284. [Google Scholar] [CrossRef]
  3. Hsu, S.; Ying, C.; Zhao, F. The nature of friction: A critical assessment. Friction 2014, 2, 1–26. [Google Scholar] [CrossRef]
  4. Krc, K.; Wermager, S.; Sneed, L.H.; Meinheit, D. Examination of the effective coefficient of friction for shear friction de-sign. PCI J. 2016, 61, 44–67. [Google Scholar] [CrossRef]
  5. Santos, P.M.D.; Júlio, E.N.B.S. A state-of-the-art review on shear-friction. Eng. Struct. 2012, 45, 435–448. [Google Scholar] [CrossRef]
  6. Blau, P.J. The significance and use of the friction coefficient. Tribol. Int. 2001, 34, 585–591. [Google Scholar] [CrossRef]
  7. Blau, P.J.; Jolly, B.C. Wear of truck brake lining materials using three different test methods. Wear 2005, 259, 1022–1030. [Google Scholar] [CrossRef]
  8. Ertan, R.; Yavuz, N. An experimental study on the effects of manufacturing parameters on the tribological properties of brake lining materials. Wear 2010, 268, 1524–1532. [Google Scholar] [CrossRef]
  9. Laguna-Camacho, J.R.; Juárez-Morales, G.; Calderón-Ramón, C.; Velázquez-Martínez, V.; Hernández-Romero, I.; Mén-dez-Méndez, J.V.; Vite-Torres, M. A study of the wear mechanisms of disk and shoe brake pads. Eng. Fail. Anal. 2015, 56, 348–359. [Google Scholar] [CrossRef]
  10. Dosaev, M. Features of interaction of a brake shoe with a wheel. Appl. Math. Model. 2021, 91, 959–972. [Google Scholar] [CrossRef]
  11. Teoh, C.Y.; Ripin, Z.M.; Hamid, M.A. Modeling of brake shoe in drum brake squeal. In Proceedings of the Regional Tribology Conference 2011: RTC2011, Langkawi Island, Malaysia, 22–24 November 2011; pp. 105–110. [Google Scholar]
  12. Aleksendrić, D.; Barton, D.C. Neural network prediction of disc brake performance. Tribol. Int. 2009, 42, 1074–1080. [Google Scholar] [CrossRef]
  13. Yang, Y.C.; Chen, W.L. A nonlinear inverse problem in estimating the heat flux of the disc in a disc brake system. Appl. Therm. Eng. 2011, 31, 2439–2448. [Google Scholar] [CrossRef]
  14. Hrabovský, L.; Hrbáč, R. Laboratory Device Detecting the Magnitude of the Static Friction Coefficient of Brake Lining. Adv. Sci. Technol. Res. J. 2021, 15, 191–197. [Google Scholar] [CrossRef]
  15. Xiao, X.; Yin, Y.; Bao, J.; Lu, L.; Feng, X. Review on the friction and wear of brake materials. Adv. Mech. Eng. 2016, 8, 1–10. [Google Scholar] [CrossRef]
  16. Archard, J.F.; A, P.R.S.L. Elastic deformation and the laws of friction. Proc. R. Soc. Lond. Ser. A. Math. Phys. Sci. 1957, 243, 190–205. [Google Scholar] [CrossRef]
  17. Barber, J.R. Multiscale surfaces and Amontons’ Law of Friction. Tribol. Lett. 2013, 49, 539–543. [Google Scholar] [CrossRef]
  18. Desplanques, Y. Amontons-Coulomb friction laws, a review of the original manuscript. SAE Int. J. Mater. Manuf. 2014, 8, 98–103. [Google Scholar] [CrossRef]
  19. Gao, J.; Luedtke, W.D.; Gourdon, D.; Ruths, M.; Israelachvili, J.N.; Landman, U. Frictional forces and Amontons’ law: From the molecular to the macroscopic scale. J. Phys. Chem. B 2004, 108, 3410–3425. [Google Scholar] [CrossRef]
  20. Hrabovský, L.; Janek, V. Determination of mining equipment motion resistance. MATEC Web Conf. 2019, 263, 01003. [Google Scholar] [CrossRef]
  21. Burris, D.L.; Sawyer, W.G. Addressing practical challenges of low friction coefficient measurements. Tribol. Lett. 2009, 35, 17–23. [Google Scholar] [CrossRef]
  22. Schmitz, T.L.; Action, J.E.; Ziegert, J.C.; Sawyer, W.G. The difficulty of measuring low friction: Uncertainty analysis for friction coefficient measurements. J. Tribol. 2005, 127, 673–678. [Google Scholar] [CrossRef]
  23. Hrabovský, L.; Nenička, P.; Fries, J. Laboratory Machine Verification of Force Transmission Provided by Friction Acting on the Drive Drum of a Conveyor Belt. Machines 2023, 11, 544. [Google Scholar] [CrossRef]
  24. Straffelini, G. Friction. In Friction and Wear; Springer International Publishing: New York, NY, USA, 2015; pp. 21–60. ISBN 978-3-319-05893-1. [Google Scholar]
  25. Sheng, G.; Lee, J.H.; Narravula, V.; Song, D. Experimental characterization and analysis of wet belt friction and the vi-bro-acoustic behavior. Tribol. Int. 2011, 44, 258–265. [Google Scholar] [CrossRef]
  26. Jourani, A.; Hagège, B.; Bouvier, S.; Bigerelle, M.; Zahouani, H. Influence of abrasive grain geometry on friction coefficient and wear rate in belt finishing. Tribol. Int. 2013, 59, 30–37. [Google Scholar] [CrossRef]
  27. Childs, T.H.C. The contact and friction between flat belts and pulleys. Int. J. Mech. Sci. 1980, 22, 117–126. [Google Scholar] [CrossRef]
  28. Lubarda, V.A. The Mechanics of Belt Friction Revisited. Int. J. Mech. Eng. Educ. 2014, 42, 97–112. [Google Scholar] [CrossRef]
  29. Konyukhov, A.; Schweizerhof, K.; Metzger, A. On contact between curves and rigid surfaces—From verification of the Euler-Eytelwein problem to knots. In Proceedings of the COMPLAS XI International Conference on Computational Plasticity. Fundamentals and Applications, Barcelona, Spain, 7–9 September 2011; pp. 147–158. [Google Scholar]
  30. Hobbs, R.E.; Ridge, I.M.L. A new estimate of the yarn-on-yarn friction coefficient. J. Strain Anal. Eng. Des. 2018, 53, 191–196. [Google Scholar] [CrossRef]
  31. Hrabovský, L.; Dluhoš, D. Calibration of Transducers and a Coil Compression Spring Constant on the Testing Equipment Simulating the Process of a Pallet Positioning in a Rack Cell. Open Eng. 2020, 9, 631–640. [Google Scholar] [CrossRef]
  32. Konyukhov, A.; Shala, S. New benchmark problems for verification of the curve-to-surface contact algorithm based on the generalized Euler–Eytelwein problem. Int. J. Numer. Methods Eng. 2021, 123, 411–443. [Google Scholar] [CrossRef]
  33. Konyukhov, A. Contact of ropes and orthotropic rough surfaces. ZAMM Zeitschrift fur Angew. Math. und Mech. 2015, 95, 406–423. [Google Scholar] [CrossRef]
  34. Three-Phase Asynchronous Motors with Squirrel-Cage Rotor. Available online: www.sspu-opava.cz/~prochazka/SPS/motory.pdf (accessed on 10 October 2024).
  35. T4A Datasheet. Available online: www.sensor-hbm.com/upload/product-file/b0591.pdf (accessed on 10 October 2024).
  36. Plummer Blocks SD500. Available online: www.ldk-bearings.com/uploads/file/sn500-plummer-blocks.pdf (accessed on 10 October 2024).
  37. Tight Splines with Width Tolerances e7 or h9. Available online: https://csnonlinefirmy.agentura-cas.cz/html_nahledy/02/68469/68469_nahled.htm (accessed on 10 October 2024).
  38. AST Sensor Type S. Available online: www.format1.cz/files/products_files/a/AST.pdf (accessed on 10 October 2024).
  39. SolidWorks 2012 x64 Edition SP05. Available online: https://solidworks-2012-x64-edition-sp05.software.informer.com/ (accessed on 10 October 2024).
  40. Autodesk AutoCAD. Available online: www.mutaz.pro/free-programs/en/download/?1417Program (accessed on 10 October 2024).
  41. Clamping Bushings, Shaft Diameter 17–40 mm. Available online: www.vkloziska.cz/files/editor_source/PDF_katalogy/Dle_typu_loziska/upinaci_pouzdra.pdf (accessed on 10 October 2024).
  42. Bearing Adapters Clamping Sleeve. Available online: https://us.misumi-ec.com/vona2/detail/221303751464 (accessed on 10 October 2024).
  43. Electric motor 1.5 kW, 700 rpm., 1AL112M-8. Available online: www.elektro-motor.cz/obchod/elektromotor-1-5kw-700rpm-1-al-112-m-8/ (accessed on 10 October 2024).
  44. VS-606V7 Series Instruction Manual. Available online: https://automasjonslab.files.wordpress.com/2018/09/yaskawa-607.pdf (accessed on 10 October 2024).
  45. DS-NET V20-1 Reference Manual. Available online: https://d36j349d8rqm96.cloudfront.net/3/6/Dewesoft-DS-NET-Manual-EN.pdf (accessed on 10 October 2024).
  46. DewesoftX Previous Releases. Available online: https://dewesoft.com/download/dewesoftx-previous-releases (accessed on 10 October 2024).
  47. Madr, V.; Knejzlik, J.; Kopecny, I.; Novotny, I. Physical Measurement; SNTL Praha: Praha, Czech Republic, 1991; ISBN 80-03-00266-4. [Google Scholar]
  48. Brakes CZ. Available online: www.brzdy.cz/renovace/brzdové-pásy (accessed on 10 October 2024).
  49. Ganguly, A.; George, R. Asbestos free friction composition for brake linings. Bull. Mater. Sci. 2008, 31, 19–22. [Google Scholar] [CrossRef]
  50. Di Bartolomeo, M.; Lacerra, G.; Baillet, L.; Chatelet, E.; Massi, F. Parametrical experimental and numerical analysis on friction-induced vibrations by a simple frictional system. Tribol. Int. 2017, 112, 47–57. [Google Scholar] [CrossRef]
Figure 1. Laboratory device detecting the friction coefficient of the brake lining. 1—steel structure; 2—electric motor; 3—flywheel; 4—double-jaw brake; 5—weights; 6—torque sensor [35]; 7—force sensor [38]; 8—shaft; 9—plummer block [36]; 10—Jäckl 60 × 40.
Figure 1. Laboratory device detecting the friction coefficient of the brake lining. 1—steel structure; 2—electric motor; 3—flywheel; 4—double-jaw brake; 5—weights; 6—torque sensor [35]; 7—force sensor [38]; 8—shaft; 9—plummer block [36]; 10—Jäckl 60 × 40.
Sensors 24 08078 g001
Figure 2. Two-dimensional laboratory device sketch. 1—steel structure; 2—electric motor; 3—flywheel; 4—double-jaw brake; 5—weights; 6—torque sensor [35]; 7—force sensor [38]; 8—shaft; 9—plummer block [36].
Figure 2. Two-dimensional laboratory device sketch. 1—steel structure; 2—electric motor; 3—flywheel; 4—double-jaw brake; 5—weights; 6—torque sensor [35]; 7—force sensor [38]; 8—shaft; 9—plummer block [36].
Sensors 24 08078 g002
Figure 3. (a) Plummer block SN 507 [36], (b) clamping sleeve A207X [41]. 1—plummer block; 2—clamping sleeve; 3—KM nut KM7 [42]; 4—MB washer MB7; 5—tilting ball bearing 1207 K.
Figure 3. (a) Plummer block SN 507 [36], (b) clamping sleeve A207X [41]. 1—plummer block; 2—clamping sleeve; 3—KM nut KM7 [42]; 4—MB washer MB7; 5—tilting ball bearing 1207 K.
Sensors 24 08078 g003
Figure 4. Two-jaw disc brake. (a) Basic dimensions of the brake, (b) forces acting in the brake pins, (c) tensile force acting in the threaded rod. 1—brake arm; 2—brake lever; 3—brake shoes; 4—brake drum; 5—force sensor [38]; 6—threaded rod; 7—weight.
Figure 4. Two-jaw disc brake. (a) Basic dimensions of the brake, (b) forces acting in the brake pins, (c) tensile force acting in the threaded rod. 1—brake arm; 2—brake lever; 3—brake shoes; 4—brake drum; 5—force sensor [38]; 6—threaded rod; 7—weight.
Sensors 24 08078 g004
Figure 5. Calibration of (a) T4WA-S3 torque sensor, (b) AST-250 kg force sensor. 1—sensor T4WA-S3; 2—bench vice; 3—head of assembly sliding rod socket adapter socket wrench; 4—steel pipe; 5—suspension nut; 6—weight; 7—sensor AST-250 kg; 8—hinge; 9—weight.
Figure 5. Calibration of (a) T4WA-S3 torque sensor, (b) AST-250 kg force sensor. 1—sensor T4WA-S3; 2—bench vice; 3—head of assembly sliding rod socket adapter socket wrench; 4—steel pipe; 5—suspension nut; 6—weight; 7—sensor AST-250 kg; 8—hinge; 9—weight.
Sensors 24 08078 g005
Figure 6. A measuring chain is a sequence of interconnected devices and equipment that enables the detection and processing of measured signals.
Figure 6. A measuring chain is a sequence of interconnected devices and equipment that enables the detection and processing of measured signals.
Sensors 24 08078 g006
Figure 7. The time course of torque Mri [N·m], expressing the system resistance against rotation, was measured on a laboratory device. (a) Mr1 = 2.32 N·m, (b) Mr2 = 2.76 N·m, (c) Mr4 = 2.56 N·m, (d) Mr6 = 2.67 N·m.
Figure 7. The time course of torque Mri [N·m], expressing the system resistance against rotation, was measured on a laboratory device. (a) Mr1 = 2.32 N·m, (b) Mr2 = 2.76 N·m, (c) Mr4 = 2.56 N·m, (d) Mr6 = 2.67 N·m.
Sensors 24 08078 g007
Figure 8. A laboratory device was created to determine the friction coefficient f1i [-] of the brake lining in motion and the friction coefficient f2i [-] of the brake lining when the rotating parts of the laboratory device are braked. 1—electric motor; 2—driven shaft; 3—torque sensor; 4—speed sensor; 5—force sensor; 6—hexagonal nut.
Figure 8. A laboratory device was created to determine the friction coefficient f1i [-] of the brake lining in motion and the friction coefficient f2i [-] of the brake lining when the rotating parts of the laboratory device are braked. 1—electric motor; 2—driven shaft; 3—torque sensor; 4—speed sensor; 5—force sensor; 6—hexagonal nut.
Sensors 24 08078 g008
Figure 9. Time recording of tensile force FMi [N] and torque MMi [N·m] measured on a laboratory device for fc [Hz] (a,b) 10, (c,d) 20.
Figure 9. Time recording of tensile force FMi [N] and torque MMi [N·m] measured on a laboratory device for fc [Hz] (a,b) 10, (c,d) 20.
Sensors 24 08078 g009
Figure 10. Tensile force FMi [N] and torque MMi [N·m] course, measured on a laboratory device for fc [Hz] (a,b) 30, (c,d) 40.
Figure 10. Tensile force FMi [N] and torque MMi [N·m] course, measured on a laboratory device for fc [Hz] (a,b) 30, (c,d) 40.
Sensors 24 08078 g010
Figure 11. Tensile force FMi [N] and torque MMi [N·m] course, measured on laboratory device for fc = 50 Hz. (a) FM1 = 88.9 N, MM1 = 16.60 N·m; (b) FM2 = 72.3 N, MM2 = 13.50 N·m; (c) FM3 = 83.2 N, MM3 = 12.89 N·m; (d) FM4 = 85.3 N, MM4 = 12.50 N·m.
Figure 11. Tensile force FMi [N] and torque MMi [N·m] course, measured on laboratory device for fc = 50 Hz. (a) FM1 = 88.9 N, MM1 = 16.60 N·m; (b) FM2 = 72.3 N, MM2 = 13.50 N·m; (c) FM3 = 83.2 N, MM3 = 12.89 N·m; (d) FM4 = 85.3 N, MM4 = 12.50 N·m.
Sensors 24 08078 g011
Figure 12. Tensile force FMi [N] and torque MMi [N·m] course measured on the laboratory device during the braking of the rotating parts system. (a) fc = 10 Hz, t11 = 18.53 s; (b) fc = 10 Hz, t21 = 19.57 s; (c) fc = 20 Hz, t11 = 17.39 s; (d) fc = 20 Hz, t21 = 18.44 s.
Figure 12. Tensile force FMi [N] and torque MMi [N·m] course measured on the laboratory device during the braking of the rotating parts system. (a) fc = 10 Hz, t11 = 18.53 s; (b) fc = 10 Hz, t21 = 19.57 s; (c) fc = 20 Hz, t11 = 17.39 s; (d) fc = 20 Hz, t21 = 18.44 s.
Sensors 24 08078 g012
Figure 13. Tensile force FMi [N] and torque MMi [N·m] course measured on the laboratory device during braking of the rotating parts system. (a) fc = 30 Hz, t11 = 24.18 s; (b) fc = 30 Hz, t21 = 26.13 s; (c) fc = 40 Hz, t11 = 24.06 s; (d) fc = 40 Hz, t21 = 26.43 s.
Figure 13. Tensile force FMi [N] and torque MMi [N·m] course measured on the laboratory device during braking of the rotating parts system. (a) fc = 30 Hz, t11 = 24.18 s; (b) fc = 30 Hz, t21 = 26.13 s; (c) fc = 40 Hz, t11 = 24.06 s; (d) fc = 40 Hz, t21 = 26.43 s.
Sensors 24 08078 g013
Figure 14. Tensile force FMi [N] and torque MMi [N·m] course, measured on the laboratory device during braking of the rotating parts system of the laboratory device at fc = 50 Hz. (a) t11 = 20.82 s, (b) t21 = 23.63 s, (c) t12 = 29.63 s, (d) t22 = 32.61 s.
Figure 14. Tensile force FMi [N] and torque MMi [N·m] course, measured on the laboratory device during braking of the rotating parts system of the laboratory device at fc = 50 Hz. (a) t11 = 20.82 s, (b) t21 = 23.63 s, (c) t12 = 29.63 s, (d) t22 = 32.61 s.
Sensors 24 08078 g014
Table 1. Measurement of the torque expressing the system’s resistance to rotation Mr [N·m] on laboratory device.
Table 1. Measurement of the torque expressing the system’s resistance to rotation Mr [N·m] on laboratory device.
Mri [N·m]2.32 12.76 22.56 32.812.67 4Σ Mri [N·m]13.12Mrs [N·m]2.62κ%,5 [N·m]0.26
1 see Figure 7a, 2 see Figure 7b, 3 see Figure 7c, 4 see Figure 7d.
Table 2. Measured values of the force FMi [N] and the torque MMi [N·m] on the laboratory device when the rotor rotates at speeds ne = 148.5 min−1 and 298.4 min−1.
Table 2. Measured values of the force FMi [N] and the torque MMi [N·m] on the laboratory device when the rotor rotates at speeds ne = 148.5 min−1 and 298.4 min−1.
fc [Hz]nM [min−1]FMi [N]MMi [N·m]f1i [-]fc [Hz]nM [min−1]FMi [N]MMi [N·m]f1i [-]
10148.537.0 18.82 10.47020298.499.4 317.70 30.351
33.9 28.30 20.48295.5 417.50 40.361
29.77.270.48292.316.600.354
35.17.880.44293.317.130.362
Σ f1i [-]1.876 Σ f1i [-]1.428
f1s = Σ f1i/i [-]0.469 f1s = Σ f1i/i [-]0.357
χ5%,4 [-]0.031 χ5%,4 [-]0.010
1 see Figure 9a, 2 see Figure 9b, 3 see Figure 9c, 4 see Figure 9d.
Table 3. Measured values of force FMi [N] and torque MMi [N·m] on the laboratory device when the motor rotor rotates at speeds nM = 448.5 min−1 and 598.4 min−1.
Table 3. Measured values of force FMi [N] and torque MMi [N·m] on the laboratory device when the motor rotor rotates at speeds nM = 448.5 min−1 and 598.4 min−1.
fc [Hz]nM [min−1]FE [N]MMi [N·m]f1i [-]fc [Hz]nM [min−1]FE [N]MMi [N·m]f1i [-]
30448.551.911.370.43240598.484.715.560.362
65.912.110.36287.515.230.343
69.1 111.95 10.34181.1 315.63 30.380
71.6 211.81 20.32588.3 415.40 40.344
Σ f1i [-]1.460 Σ f1i [-]1.429
f1s = Σ f1i/i [-]0.365 f1s = Σ f1i/i [-]0.357
χ5%,4 [-]0.077 χ5%,4 [-]0.032
1 see Figure 10a, 2 see Figure 10b, 3 see Figure 10c, 4 see Figure 10d.
Table 4. Measured values of the force FMi [N] and the torque MMi [N·m] on the laboratory device when the motor rotor rotates at speed nM = 748.2 min−1.
Table 4. Measured values of the force FMi [N] and the torque MMi [N·m] on the laboratory device when the motor rotor rotates at speed nM = 748.2 min−1.
fc [Hz]nM [min−1]FE [N]MMi [N·m]f1i [-]
50748.288.9 116.60 10.368
72.3 213.50 20.368
83.2 312.89 30.305
85.3 412.50 40.289
Σ f1i [-]1.330
f1s = Σ f1i/I [-]0.333
χ5%,4 [-]0.081
1 see Figure 11a, 2 see Figure 11b, 3 see Figure 11c, 4 see Figure 11d.
Disclaimer/Publisher’s Note: The statements, opinions and data contained in all publications are solely those of the individual author(s) and contributor(s) and not of MDPI and/or the editor(s). MDPI and/or the editor(s) disclaim responsibility for any injury to people or property resulting from any ideas, methods, instructions or products referred to in the content.

Share and Cite

MDPI and ACS Style

Hrabovský, L.; Molnár, V.; Fedorko, G.; Mikusova, N.; Blata, J.; Fries, J.; Jachowicz, T. Signal Detection by Sensors and Determination of Friction Coefficient During Brake Lining Movement. Sensors 2024, 24, 8078. https://doi.org/10.3390/s24248078

AMA Style

Hrabovský L, Molnár V, Fedorko G, Mikusova N, Blata J, Fries J, Jachowicz T. Signal Detection by Sensors and Determination of Friction Coefficient During Brake Lining Movement. Sensors. 2024; 24(24):8078. https://doi.org/10.3390/s24248078

Chicago/Turabian Style

Hrabovský, Leopold, Vieroslav Molnár, Gabriel Fedorko, Nikoleta Mikusova, Jan Blata, Jiří Fries, and Tomasz Jachowicz. 2024. "Signal Detection by Sensors and Determination of Friction Coefficient During Brake Lining Movement" Sensors 24, no. 24: 8078. https://doi.org/10.3390/s24248078

APA Style

Hrabovský, L., Molnár, V., Fedorko, G., Mikusova, N., Blata, J., Fries, J., & Jachowicz, T. (2024). Signal Detection by Sensors and Determination of Friction Coefficient During Brake Lining Movement. Sensors, 24(24), 8078. https://doi.org/10.3390/s24248078

Note that from the first issue of 2016, this journal uses article numbers instead of page numbers. See further details here.

Article Metrics

Back to TopTop