Using a Bodily Weight-Fat Scale for Cuffless Blood Pressure Measurement Based on the Edge Computing System
Abstract
1. Introduction
- This study uses the self-made circuits to measure BCG and IPG signals from the bodily weight-fat scale. These signals were filtered and segmented to extract the calibration-free and calibration-based PTT parameters.
- This study proposes an operation procedure to extract these PTT parameters in the edge computing system.
- Our proposed models for SBP and DBP estimations in this study are tested on the STM32F756ZG NUCLEO development board. This system could perform the cuffless BP measurement in real time.
- This study verifies the performances of server-based computing and edge computing. Edge computing has a loss in performance at about 8%.
2. Materials and Methods
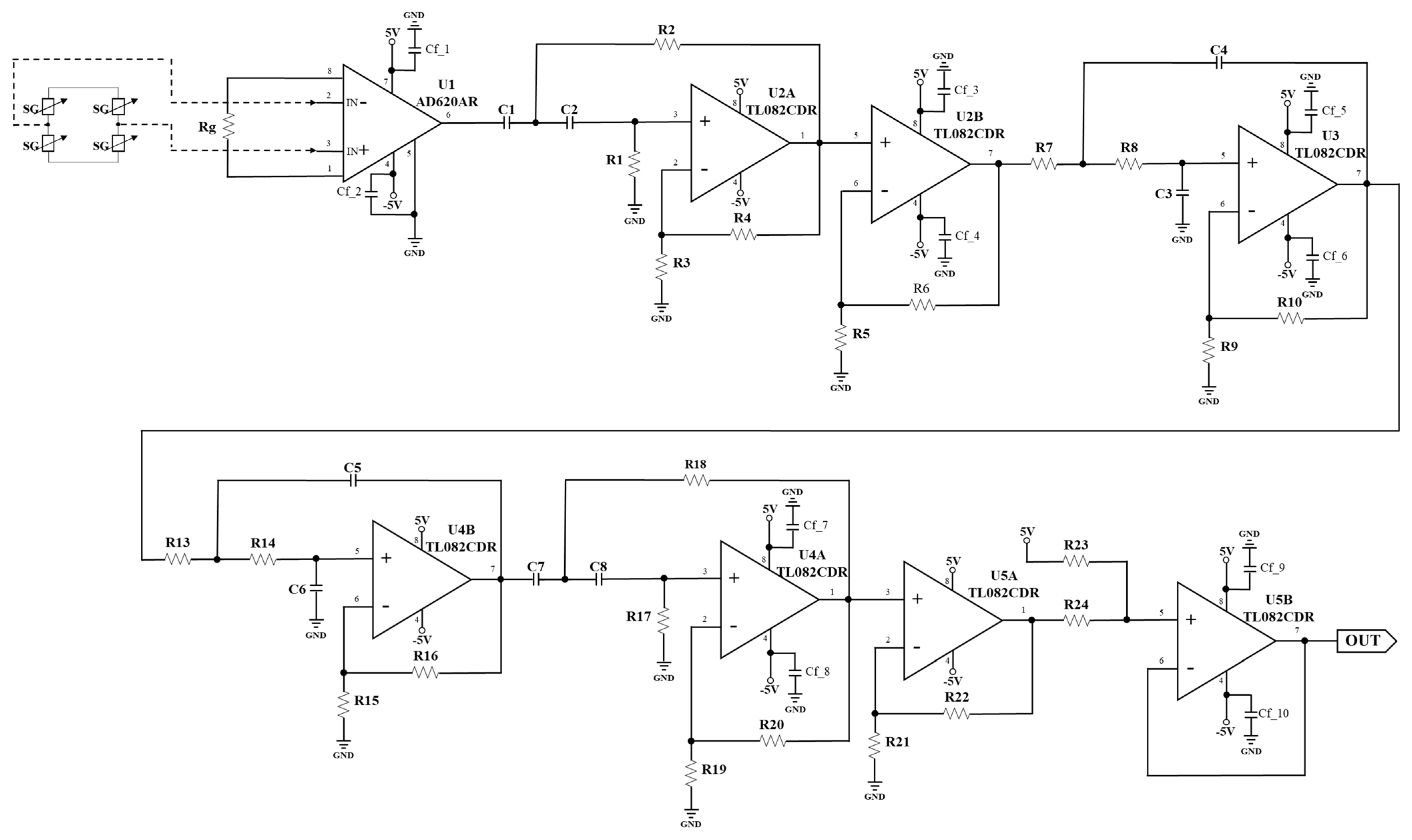
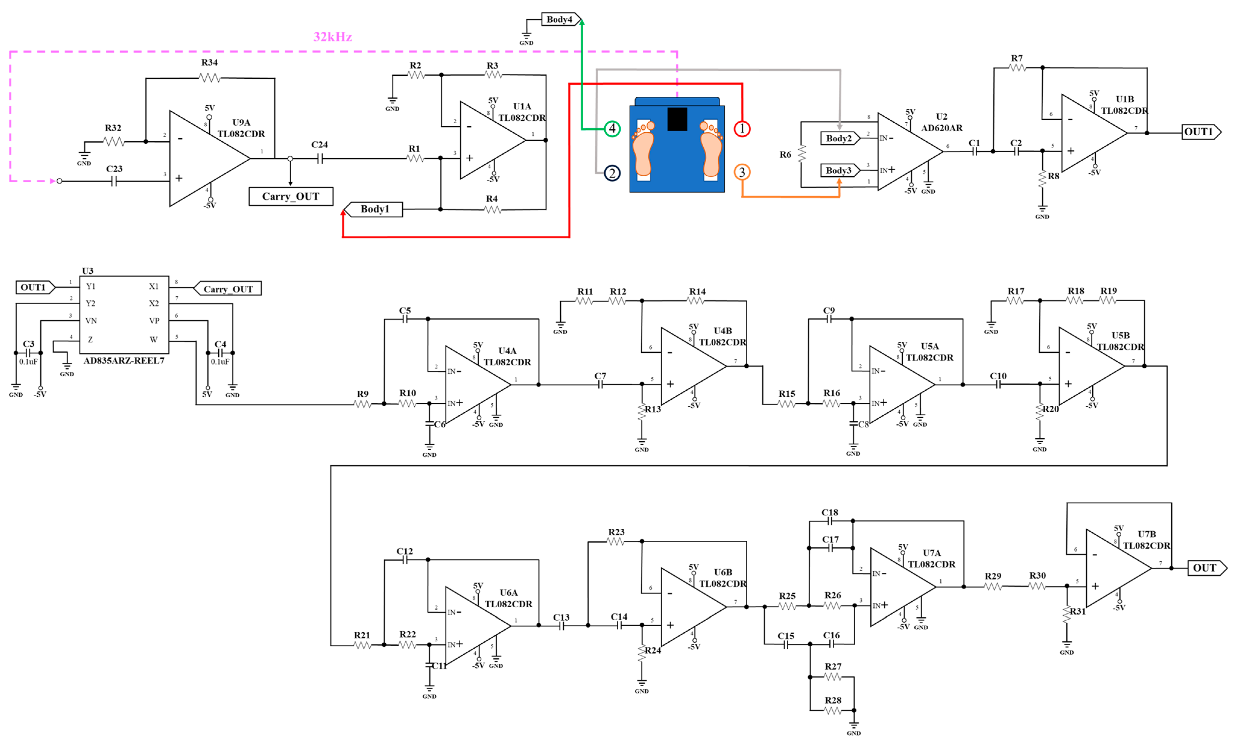
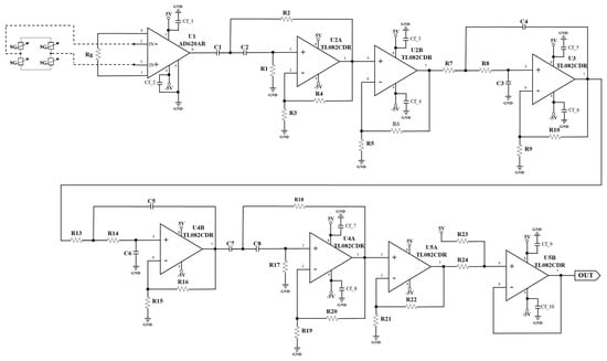
2.1. BCG and IPG Measurement
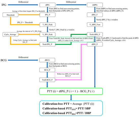
2.2. Signal Processing and Parameter Extraction
2.3. Models of Blood Pressure Estimation
2.3.1. XGBoost
2.3.2. Python to C Codes
2.4. Data Collection
- Subjects stood on the bodily weight-fat scale for five minutes to measure IPG and BCG signals, with blood pressure measured once. This BP was the baseline, which was used to normalize PTT.
- Subjects ran on a treadmill at a fixed speed for a minimum of six minutes to boost SBP above 20 mmHg from the resting SBP. If the SBP is less than 20 mmHg, subjects continually ran about 1 min.
- After treadmill exercise, subjects stood on the bodily weight-fat scale for six minutes to measure IPG and BCG signals. Blood pressure was concurrently measured every minute. Thus, there were six times for BP measurements.
- Subjects underwent the procedure four times and rested at least one week between two experiments.
2.5. Statistical Analysis
3. Results
3.1. Analysis of Server-Based Computing
3.2. Analysis of Edge Computing
4. Discussions
5. Conclusions
Author Contributions
Funding
Institutional Review Board Statement
Informed Consent Statement
Data Availability Statement
Acknowledgments
Conflicts of Interest
References
- United Nations, Department of Economic Social Affairs. World Population Ageing 2019: Highlights; United Nations: New York, NY, USA, 2019. [Google Scholar]
- Lupton, D. The digitally engaged patient: Self-monitoring and self-care in the digital health era. Soc. Theory Health 2013, 11, 256–270. [Google Scholar] [CrossRef]
- Labrique, A.; Vasudevan, L.; Mehl, G.; Rosskam, E.; Hyder, A.A. Digital health and health systems of the future. Glob. Health Sci. Pract. 2018, 6, S1–S4. [Google Scholar] [CrossRef] [PubMed]
- Williams, R.; Weiner, K.; Henwood, F.; Will, C. Constituting practices, shaping markets: Remaking healthy living through commercial promotion of blood pressure monitors and scales. Crit. Public Health 2018, 30, 28–40. [Google Scholar] [CrossRef]
- Lacey, B.; Lewington, S.; Clarke, R.; Kong, X.L.; Chen, Y.; Guo, Y.; Yang, L.; Bennett, D.; Bragg, F.; Bian, Z.; et al. Age-specific association between blood pressure and vascular and non-vascular chronic diseases in 0·5 million adults in China: A prospective cohort study. Lancet Glob. Health 2018, 6, e641–e649. [Google Scholar] [CrossRef] [PubMed]
- Neter, J.E.; Stam, B.E.; Kok, F.J.; Grobbee, D.E.; Geleijnse, J.M. Influence of weight reduction on blood pressure: A meta-analysis of randomized controlled trials. Hypertension 2003, 42, 878–884. [Google Scholar] [CrossRef]
- Männistö, T.; Mendola, P.; Vääräsmäki, M.; Järvelin, M.-R.; Hartikainen, A.-L.; Pouta, A.; Suvanto, E. Elevated blood pressure in pregnancy and subsequent chronic disease risk. Circulation 2013, 127, 681–690. [Google Scholar] [CrossRef]
- Ravera, M.; Re, M.; Deferrari, L.; Vettoretti, S.; Deferrari, G. Importance of blood pressure control in chronic kidney disease. J. Am. Soc. Nephrol. 2006, 17, S98–S103. [Google Scholar] [CrossRef]
- Röhling, M.; Kempf, K.; Banzer, W.; Braumann, K.M.; Führer-Sakel, D.; Halle, M.; McCarthy, D.; Martin, S.; Scholze, J.; Toplak, H.; et al. A high-protein and low-glycemic formula diet improves blood pressure and other hemodynamic parameters in High-Risk individuals. Nutrients 2022, 14, 1443. [Google Scholar] [CrossRef]
- Harsha, D.W.; Bray, G.A. Weight loss and blood pressure control. Hypertension 2008, 51, 1420–1425. [Google Scholar] [CrossRef]
- Gill, L.E.; Bartels, S.J.; Batsis, J.A. Weight management in older adults. Curr. Obes. Rep. 2015, 4, 379–388. [Google Scholar] [CrossRef]
- Gallagher, D.; Visser, M.; Sepúlveda, D.; Pierson, R.N.; Harris, T.; Heymsfield, S.B. How useful is body mass index for comparison of body fatness across age, sex, and ethnic groups? Am. J. Epidemiol. 1996, 143, 228–239. [Google Scholar] [CrossRef] [PubMed]
- Sharwood-Smith, G.; Bruce, J.; Drummond, G. Assessment of pulse transit time to indicate cardiovascular changes during obstetric spinal anesthesia. Br. J. Anesth. 2006, 96, 100–105. [Google Scholar] [CrossRef] [PubMed]
- Newman, D.L.; Greenwald, S.E. Validity of the Moens-Korteweg Equation. The Arterial System; Springer: Berlin/Heidelberg, Germany, 1978; pp. 109–115. [Google Scholar]
- Liu, S.-H.; Zhang, B.-H.; Chen, W.; Su, C.-H.; Chin, C.-L. Cuffless and touchless measurement of blood pressure from ballistocardiogram based on a body weight scale. Nutrients 2022, 14, 2552. [Google Scholar] [CrossRef] [PubMed]
- Liu, S.-H.; Wu, Y.-R.; Chen, W.; Su, C.-H.; Chin, C.-L. Using ballistocardiogram and impedance plethysmogram for minimal contact measurement of blood pressure based on a body weight-fat scale. Sensors 2023, 23, 2318. [Google Scholar] [CrossRef] [PubMed]
- Zheng, K.; Jiang, G.; Liu, X.; Chi, K.; Yao, X.; Liu, J. DRL-based offloading for computation delay minimization in wireless-powered multi-access edge computing. IEEE Trans. Commun. 2023, 71, 1755–1770. [Google Scholar] [CrossRef]
- Hartmann, M.; Hashmi, U.S.; Imran, A. Edge computing in smart health care systems: Review, challenges, and research directions. Trans. Emerg. Telecommun. Technol. 2019, 33, e3710. [Google Scholar] [CrossRef]
- Maqsood, S.; Xu, S.; Tran, S.; Saurabh, G.; Springer, M.; Karunanithi, M.; Mohawesh, R. A survey: From shallow to deep machine learning approaches for blood pressure estimation using biosensors. Expert Syst. Appl. 2022, 197, 116788. [Google Scholar] [CrossRef]
- Chin, C.-L.; Lin, C.-C.; Wang, J.-W.; Chin, W.-C.; Chen, Y.-H.; Chang, S.-W.; Huang, P.-C.; Zhu, X.; Hsu, Y.-L.; Liu, S.-H. A wearable assistant device for the hearing impaired to recognize emergency vehicle sirens with edge computing. Sensors 2023, 23, 7454. [Google Scholar] [CrossRef]
- Rahman, M.A.; Hossain, M.S. An internet-of-medical-things-enabled edge computing framework for tackling COVID-19. IEEE Internet Things J. 2021, 8, 15847–15854. [Google Scholar] [CrossRef]
- Goossens, W.; Mustefa, D.; Scholle, D.; Fotouhi, H.; Denil, J. Evaluating edge computing and compression for remote cuffless blood pressure monitoring. J. Sens. Actuator Netw. 2023, 12, 2. [Google Scholar] [CrossRef]
- Bernard, D.; Msigwa, C.; Yun, J. Toward IoT-based medical edge devices: PPG-based blood pressure estimation application. IEEE Internet Things J. 2023, 10, 5240–5255. [Google Scholar] [CrossRef]
- Ahmed, K.; Hassan, M. tinyCare: A tinyML-based low-cost continuous blood pressure estimation on the extreme edge. In Proceedings of the IEEE 10th International Conference on Healthcare Informatics, Rochester, MN, USA, 11–14 June 2022; pp. 264–275. [Google Scholar] [CrossRef]
- Sun, B.; Bayes, S.; Abotaleb, A.M.; Hassan, M. The case for tinyML in healthcare: CNNs for real-time on-edge blood pressure estimation. In Proceedings of the 38th ACM/SIGAPP Symposium on Applied Computing, Tallinn, Estonia, 27–31 March 2023; pp. 629–638. [Google Scholar] [CrossRef]
- Chen, T.; Guestrin, C. XGBoost: A scalable tree boosting system. arXiv 2016, arXiv:1603.02754. [Google Scholar]
- IEEE Standard 1708™-2014; IEEE Standard for Wearable, Cuffless Blood Pressure Measuring Devices. IEEE: Piscataway, NJ, USA, 2014.
- Khan, W.Z.; Ahmed, E.; Hakak, S.; Yaqoob, I.; Ahmed, A. Edge computing: A survey. Future Gener. Comput. Syst. 2019, 97, 219–235. [Google Scholar] [CrossRef]
- Zha, Z.M.; Liu, F.; Cai, Z.P. Edge computing: Platforms, applications and challenges. J. Comput. Res. Dev. 2018, 55, 327337. [Google Scholar]
- Cao, K.; Liu, Y.; Meng, G.; Sun, Q. An overview on edge computing research. IEEE Access 2020, 8, 85714–85728. [Google Scholar] [CrossRef]
- Zulqarnain, M.; Stanzione, S.; Rathinavel, G.; Smout, S.; Willegems, M.; Myny, K.; Cantatore, E. A flexible ECG patch compatible with NFC RF communication. Flex. Electron. 2020, 4, 13. [Google Scholar] [CrossRef]
- Randazzo, V.; Ferretti, J.; Pasero, E. ECG watch: A real time wireless wearable ECG. In Proceedings of the 2019 IEEE International Symposium on Medical Measurements and Applications, Istanbul, Turkey, 26–28 June 2019; pp. 26–28. [Google Scholar]
- Pipek, L.Z.; Nascimento, R.F.V.; Acencio, M.M.P.; Teixeira, L.R. Comparison of SpO2 and heart rate values on Apple Watch and conventional commercial oximeters devices in patients with lung disease. Sci. Rep. 2021, 11, 18901. [Google Scholar] [CrossRef]
- Tang, L.; Chang, S.-J.; Chen, C.-J.; Liu, J.-T. Non-Invasive blood glucose monitoring technology: A review. Sensors 2020, 20, 6925. [Google Scholar] [CrossRef] [PubMed]
- Liu, S.-H.; Lin, C.-B.; Chen, Y.; Chen, W.; Huang, T.-S.; Hsu, C.-Y. An EMG patch for the real-time monitoring of muscle-fatigue conditions during exercise. Sensors 2019, 19, 3108. [Google Scholar] [CrossRef]
- Pandit, J.A.; Lores, E.; Batlle, D. Cuffless blood pressure monitoring: Promises and challenges. Clin. J. Am. Soc. Nephrol. 2020, 15, 1531–1538. [Google Scholar] [CrossRef]
- Tan, I.; Gnanenthiran, S.R.; Chand, J.; Kyriakoulise, K.G.; Schlaichd, M.P.; Rodgersa, A.; Stergioue, G.S.; Schuttea, A.E. Evaluation of the ability of a commercially available cuffless wearable device to track blood pressure changes. J. Hypertens. 2023, 41, 1003–1010. [Google Scholar] [CrossRef] [PubMed]
- Liu, Z.D.; Li, Y.; Zhang, Y.T.; Zeng, J.; Chen, Z.X.; Cui, Z.W.; Miao, F. Cuffless blood pressure measurement using smartwatches: A large-scale validation study. IEEE J. Biomed. Health Inform. 2023, 27, 4216–4227. [Google Scholar] [CrossRef] [PubMed]
- Kim, C.-S.; Carek, A.M.; Mukkamala, R.; Inan, O.T.; Hahn, J.-O. Ballistocardiogram as proximal timing reference for pulse transit time measurement: Potential for cuffless blood pressure monitoring. IEEE Trans. Biomed. Eng. 2015, 62, 2657–2664. [Google Scholar] [CrossRef] [PubMed]
- Seok, W.; Lee, K.J.; Cho, D.; Roh, J.; Kim, S. Blood pressure monitoring system using a two-channel ballistocardiogram and convolutional neural network. Sensors 2021, 21, 2303. [Google Scholar] [CrossRef] [PubMed]
- Martin, S.L.-O.; Carek, A.M.; Kim, C.-S.; Ashouri, H.; Inan, O.T.; Hahn, J.-O.; Mukkamala, R. Weighing scale-based pulse transit time is a superior marker of blood pressure than conventional pulse arrival time. Sci. Rep. 2016, 6, 639273. [Google Scholar] [CrossRef]
- Liu, S.-H.; Cheng, D.-C.; Su, C.-H. A cuffless blood pressure measurement based on the impedance plethysmography technique. Sensors 2017, 17, 1176. [Google Scholar] [CrossRef]






| Numbers of Trees | SBP | DBP |
|---|---|---|
| 100 | 0.78727 ± 0.013 | 0.77318 ± 0.021 |
| 90 | 0.78843 ± 0.013 | 0.77609 ± 0.019 |
| 80 | 0.79089 ± 0.012 | 0.77926 ± 0.018 |
| 70 | 0.79293 ± 0.016 | 0.78116 ± 0.016 |
| 60 | 0.79307 ± 0.015 | 0.78251 ± 0.015 |
| 50 | 0.79118 ± 0.013 | 0.78046 ± 0.014 |
| Numbers of Trees | SBP (mmHg) | DBP (mmHg) |
|---|---|---|
| 90 | 7.52 ± 0.18 | 4.88 ± 0.11 |
| 80 | 7.63 ± 0.20 | 5.01 ± 0.11 |
| 70 | 7.99 ± 0.25 | 5.35 ± 0.09 |
| 60 | 8.96 ± 0.46 | 6.16 ± 0.13 |
| 50 | 11.31 ± 0.22 | 7.82 ± 0.16 |
| Server-Based Computing | Edge Computing | |||
|---|---|---|---|---|
| SBP | DBP | SBP | DBP | |
| PCC | 0.80 | 0.81 | 0.73 | 0.78 |
| ME (mmHg) | 2.64 ± 9.71 | 1.52 ± 6.32 | 2.2 ± 10.9 | 1.87 ± 6.79 |
| MAE (mmHg) | 7.63 ± 0.20 | 5.01 ± 0.11 | 8.58 ± 7.2 | 5.27 ± 4.66 |
| Reference | PTT Signals (Sensor Placement) | PCC | |
|---|---|---|---|
| [39] | BCG (foot) and BPW (finger) | SBP: 0.70 DBP: 0.66 | NA |
| [40] | BCG (chair) | SBP: 0.755 DBP: 0.532 | ME SBP: 0.93 ± 6.24 mmHg DBP: 0.21 ± 5.42 mmHg |
| [41] | BCG (foot) and PPG (foot) | NA | RMSE SBP: 11.8 ± −1.6 mmHg DBP: 7.6 ± −0.5 mmHg, |
| [42] | ECG and IPG (arm) | SBP: 0.700 DBP: 0.450 | NA |
| [15] | BCG (foot) and PPG (foot) | SBP: 0.775 DBP: 0.532 | RMSE SBP: 6.7 ± 1.6 mmHg DBP: 4.8 ± 1.47 mmHg |
| [16] | BCG (foot) and IPG (foot) | SBP: 0.754 DBP: 0.533 | RMSE SBP: 7.3 ± 2.1 mmHg DBP: 4.5 ± 1.8 mmHg |
| Proposed method: Server-based Computing | BCG (foot) and IPG (foot) | SBP: 0.80 DBP: 0.81 | ME SBP: 2.64 ± 9.71 mmHg DBP: 1.52 ± 6.32 mmHg |
| Proposed method: Edge Computing | BCG (foot) and IPG (foot) | SBP: 0.73 DBP: 0.78 | ME SBP: 2.2 ± 10.9 mmHg DBP: 1.87 ± 6.79 mmHg |
Disclaimer/Publisher’s Note: The statements, opinions and data contained in all publications are solely those of the individual author(s) and contributor(s) and not of MDPI and/or the editor(s). MDPI and/or the editor(s) disclaim responsibility for any injury to people or property resulting from any ideas, methods, instructions or products referred to in the content. |
© 2024 by the authors. Licensee MDPI, Basel, Switzerland. This article is an open access article distributed under the terms and conditions of the Creative Commons Attribution (CC BY) license (https://creativecommons.org/licenses/by/4.0/).
Share and Cite
Liu, S.-H.; Wu, B.-Y.; Zhu, X.; Chin, C.-L. Using a Bodily Weight-Fat Scale for Cuffless Blood Pressure Measurement Based on the Edge Computing System. Sensors 2024, 24, 7830. https://doi.org/10.3390/s24237830
Liu S-H, Wu B-Y, Zhu X, Chin C-L. Using a Bodily Weight-Fat Scale for Cuffless Blood Pressure Measurement Based on the Edge Computing System. Sensors. 2024; 24(23):7830. https://doi.org/10.3390/s24237830
Chicago/Turabian StyleLiu, Shing-Hong, Bo-Yan Wu, Xin Zhu, and Chiun-Li Chin. 2024. "Using a Bodily Weight-Fat Scale for Cuffless Blood Pressure Measurement Based on the Edge Computing System" Sensors 24, no. 23: 7830. https://doi.org/10.3390/s24237830
APA StyleLiu, S.-H., Wu, B.-Y., Zhu, X., & Chin, C.-L. (2024). Using a Bodily Weight-Fat Scale for Cuffless Blood Pressure Measurement Based on the Edge Computing System. Sensors, 24(23), 7830. https://doi.org/10.3390/s24237830

