Abstract
Temporal (race) computing schemes rely on temporal memories, where information is represented with the timing of signal edges. Standard digital circuit techniques can be used to capture the relative timing characteristics of signal edges. However, the properties of emerging device technologies could be particularly exploited for more efficient circuit implementations. Specifically, the collective dynamics of networks of memristive devices could be leveraged to facilitate time-domain computations in emerging memristive memories. To this end, this work studies the star interconnect configuration of bipolar memristive devices. Through circuit simulations using a behavioral model of voltage-controlled bipolar memristive devices, we demonstrated the suitability of such circuits in two different contexts, namely sensing and “rank-order” coding. We particularly analyzed the conditions that the employed memristive devices should meet to guarantee the expected operation of the circuit and the possible effects of device variability in the storage and the reproduction of the information in arriving signal edges. The simulation results in LTSpice validate the correct operation and confirm the promising application prospects of such simple circuit structures, which, we show, natively exist in the crossbar geometry. Therefore, the star interconnect configuration could be considered for temporal computations inside resistive memory (ReRAM) arrays.
1. Introduction
Advances in the technology of resistive switching devices, also called “memristive” devices [1], are expected to bring innovation to the development of nonvolatile memory and relevant applications [2,3]. However, memristive devices are also considered an enabling technology for unconventional computing systems [4,5]. Among several such computing methods, in “race logic”, the information is represented with the timing of signal edges (i.e., wavefronts) instead of logic levels, and computation is performed by exploiting the delays between racing events. To the best of our knowledge, such a concept was introduced in [6], where a circuit design methodology was proposed for race computing, which demonstrated the best area × delay × power performance, compared to other conventional design approaches that rely entirely on binary logic and level-based logic computations. The race logic concept was revisited in [7] as a possible means to accelerate the solution to a broad class of optimization problems, by engineering race conditions in the circuits to perform computation. More recently, “space-time” algebra was proposed in [8], which captures the essential features of the race logic paradigm, providing a mathematical structure for modeling the relationships between events occurring in linear, discretized time, thus contributing to the design of race logic circuits, whose benefits for the solution of graph-based problems were discussed in [9]. Moreover, in [10], it was demonstrated that a functionally complete set of temporal operations can be realized in superconducting circuits, which can naturally compute directly over temporal relationships between pulse arrivals. Everything considered, the systematic exploration of this temporal computing scheme rests upon the development of “temporal memories”, which operate in the time domain based on wavefronts of signals and can store and reproduce temporally coded information. In this direction, a temporal memory cell design was presented in [11], which can linearly convert information from the time domain to a displacement on magnetic racetracks, using current pulses of varying lengths. The principles for wavefront propagation through metastable memristive transmission lines were presented earlier in [12,13], whereas a memristive crossbar array was used in [14] to store and recall wavefronts through tunable RC time constants. Even though the relative timing information of wavefronts can be captured via standard digital circuits before being stored in a memristive memory, as shown in [9,14], the rich collective dynamics of networks of memristive devices [15,16] could be leveraged for the development of memristive temporal memories to facilitate time-domain computations.
The dynamic response of memristive networks has been extensively explored for several potential applications [17,18]. Often, a specific configuration of bipolar memristive devices is used in much different contexts. For instance, two bipolar devices connected in series with opposite polarity (anti-series) could serve either as a memory cell [19,20] or as a voltage step sensor [21,22]. The suitability for each application depends on the performance characteristics that the employed memristive devices should satisfy. Moreover, it has been shown that complex interconnection patterns of memristive devices can be explored to achieve a conditional switching response [23].
In this context, here, we explore the star interconnect configuration of bipolar memristive devices for sensing and for arrival-time-coded computations, carried out in a memristive temporal memory fabric. Such a circuit exploits the rich analog dynamics arising in networks of memristive devices with different polarity. We particularly analyzed the conditions that the employed memristive devices should meet to guarantee the expected operation of the circuit and possible effects of variability in their switching performance. Depending on the switching characteristics of the individual memristive devices, the circuit could store the recent history of the arriving wavefronts in the resistance of the memristive devices and mark certain input channels before switching inhibition is activated. We simulated the proposed circuit configuration in LTSpice using a behavioral model of voltage-controlled bipolar memristive devices [24]. The simulation results validate the correct operation of the circuit and confirm the promising application prospects of such a simple device structure, which natively exists in the crossbar array geometry, so it is suitable for implementation in emerging resistive (memristive) memories.
2. The Memristive Star Network Topology
An example of the proposed memristive star network topology is shown in Figure 1a. The circuit consists of N memristive devices whose top electrodes (TEs) are independent and their bottom electrodes (BEs) are commonly connected. We assume that when (VTE − VBE) > VSET, the devices undergo a SET (resistance decrease) process, whereas a RESET (resistance increase) occurs when (VBE − VTE) > |VRESET|. We consider N − 1 input terminals and only one output terminal. Thus, there are N − 1 memristive devices associated to the input channels and only one associated to the output terminal, which is connected to ground. During normal operation, the wavefronts of voltage signals arrive at the input terminals. The input memristive devices are originally in a high-resistive state (HRS) and can only undergo a SET process, whereas the output memristive device is initially in a low-resistive state (LRS) and can only experience a RESET process. A native formation of a star network within a 1T1R crossbar array is shown in Figure 1b to highlight its suitability for in-memory implementation.
Figure 1.
(a) Basic schematic of a star network of bipolar memristive devices. (b) Implementation of a star network within a row of a 1T1R crossbar array, by activating the select transistors of the memory cells and by properly driving the TEs. ‘1′ and ‘0′ represent the digital signals that are applied to the transistor gates to enable the corresponding branches of the star network.
The operation of this topology is based upon the dynamic response of a memristive voltage divider, as follows: When the first wavefront arrives at a specific input terminal INi, a voltage divider is formed between the memristive devices Mi and Mout, which have opposite polarity. The larger portion of the applied input voltage Vin drops on Mi, which is in HRS. Provided that (Vini − Vo) > VSET, it causes a SET process to Mi, whose resistance drops to LRS. The resulting redistribution of the voltage between the two series devices triggers a RESET process for Mout once the voltage at the intermediate node Vo exceeds the |VRESET| threshold. From that moment on, if more wavefronts arrive, the Mout acts as a “fuse” since its HRS inhibits any change in the state of all the remaining input memristive devices. The reason is that the voltage Vo increases with the number of wavefronts that arrive, and this prevents the voltage drop (Vini − Vo) on the terminals of any input memristive device from reaching the value VSET.
3. Application-Specific Requirements for Memristive Devices
In an anti-series connection of memristive devices, the RESET is self-accelerating, since the higher the resistance of the device subjected to this process, the larger the voltage drop on its terminals. This leads to an increasingly faster switching rate towards HRS. On the contrary, the SET is self-limiting, since a decrease in the resistance of the device exposed to this process causes a proportional decrease to the voltage on its terminals. The latter can slow down the switching rate or even inhibit it. The target application, studied here, requires the RESET of Mout to be conditional to a previous SET of any input device. Therefore, the voltage threshold values and the HRS/LRS ratio of the employed devices should allow for this specific sequence of events. However, this also depends on the type of switching response (gradual or abrupt) of the devices during SET and RESET. For instance, since the purpose of Mout is to act as a “fuse”, its RESET process should be abrupt to suddenly interrupt any SET process of the input devices. Likewise, the type of SET response of the input devices may enable different applications for a memristive star network, as described below:
- abrupt SET: The arrival of the first wavefront will cause the conditional activation of the “fuse”. In the extreme case that many wavefronts arrive simultaneously, then the respective input memristive devices will all experience a SET process in parallel. Under these circumstances, the circuit can label the input channel(s) where the wavefront(s) arrived first, with the LRS of the respective memristive devices.
- gradual SET: The arrival of every successive wavefront will initiate a SET process in the corresponding input memristive device. If only one wavefront arrives, its SET process will eventually trigger the “fuse”. However, if more wavefronts arrive at close moments, several input memristive devices can be subjected to a SET process in parallel, before the “fuse” is activated. Under these circumstances, the circuit can capture the recent history of the arriving wavefronts and store such temporal information in the resistance of the input memristive devices using a “rank order” encoding scheme. Different resistive states will be achieved, proportional to the time that elapsed from the moment of arrival of the wavefront until the RESET of Mout. The earlier a wavefront arrives, the lower the resistance of the corresponding memristive device(s).
The key difference in case (2) is that several input devices can change their state simultaneously until the RESET of Mout inhibits the switching process. However, the same is possible if the SET process is abrupt and the RESET process is gradual, as observed in the experimental measurements in [21]. In such a case, with the arrival of the first wavefront, the input memristive device will be abruptly SET to LRS and this will initiate the gradual RESET of Mout and the increase in the voltage at Vo. Meanwhile, other arriving wavefronts could trigger the SET of the corresponding input memristive devices, as long as the resulting voltage drop on their terminals is higher than VSET. Thus, it becomes clear that the operation and the sensing possibilities of the proposed memristive star network topology depend on the type of response of the memristive devices and their overall performance.
Next, we identify the conditions that need to be satisfied for the memristive star network to operate as expected. It is necessary to find the maximum voltage amplitude allowed to be applied to the input terminals, which will guarantee that the state of the input memrsitive devices will not be modified after the “fuse” has been activated. To this end, we assume the worst-case scenario where all the memristive devices are in HRS, meaning that Mout has switched to HRS before any SET has previously occurred in the input memristive devices by the arriving wavefronts. For k identical input voltage sources of amplitude Vin, it becomes Vo = Vin ∙ (k/(k + 1)). When only one wavefront has arrived (k = 1), the value of Vo is the lowest possible (Vin/2), and there is a higher probability of potential drift induced to the resistance of the input memristive devices. This brings us to the maximum accepted amplitude for Vin, which can be selected such that (Vin/2) < VSET. Moreover, the HRS/LRS ratio of the devices affects the increment step of the resulting voltage on Vo with every arrival of a new wavefront. With a high resolution in the increment of Vo, given a high |VRESET| threshold, many wavefronts need to arrive to create the conditions that will activate the memristive “fuse”. Thus, this is a circuit design parameter to consider.
4. Simulation Results
Here, we present results from circuit simulations, carried out using LTSpice, for different memristive device topologies. For the bipolar memristive devices, we used the behavioral model of voltage-controlled switching performance, proposed in [24]. If Vm is the voltage on the terminals of the memristive device and Vth is a voltage threshold, the resistance of the device is modified only if Vm > Vth, and the switching rate is linearly dependent on the applied voltage, approximated by β × (Vm − Vth), where β is a fitting constant. The values of the model parameters will be specified in each simulation scenario.
4.1. The Dynamic Memristive Voltage Divider
The dynamic memristive voltage divider is the most fundamental structure within the star network topology. Moreover, the selected applications require the RESET of Mout to be conditional on a previous SET of an input memristive device. To this end, we first simulated the response of a voltage divider formed by the memristive devices Mi and Mout, which have opposite polarity (see inset of Figure 2). The devices were properly initialized and then subjected to a positive triangular pulse (amplitude 3 V, rise time 100 ns). The values of the parameters of the model were selected as follows: RON = 1 kΩ, ROFF = 200 kΩ, βSET = βRESET = 5∙1013 Ω/(V∙s), VSET = 0.9 V, and VRESET = −0.3 V. The simulation results are shown in Figure 2. Due to the high HRS/LRS ratio, almost all the applied voltage Vin initially drops on Mi. Thus, as the applied voltage increases, the first device to receive sufficient voltage on its terminals to initiate its switching process is Mi. We observe that the SET switching rate is slow at the beginning (self-limiting process). Once the SET of Mi is complete, only then are the conditions met for the RESET of Mout to be initiated. The RESET of Mout is faster than the previous SET of Mi, because of its self-accelerated nature. The switching process is complete when Vin reaches approximately 1.5 V, and no further change is observed in the state of the two devices after that point. Therefore, we conclude that with the abovementioned device characteristics, the dynamic memristive voltage divider performs as expected. Note that similar circuit performance can be achieved with devices that have symmetric threshold values (VSET = |VRESET|). However, if VSET < |VRESET|, then the previous SET of any input memristive device is not the only condition for the RESET of Mout to start. In fact, after the SET of Mi is concluded, a higher input voltage is still required for the voltage drop across the terminals of Mout to exceed |VRESET|. So, higher amplitudes would be required to achieve the desired operation. Moreover, along with the threshold voltage values, the HRS/LRS ratio (namely ROFF/RON according to the naming of the model parameters) also affects the minimum voltage amplitude required to initiate the SET switching process of the input memristive device.
Figure 2.
Simulation results for the performance of two anti-series memristive devices. The inset shows a schematic of the simulated circuit. The plots show the current through the two devices, the resistance of each one, and the sum of the two resistances, with respect to the applied voltage (Vin). The arrows are a guide to the eye for the evolution of every measured parameter. The vertical dashed line indicates the moment when the completion of the SET of Mi triggers the RESET of Mout.
4.2. The Memristive Star Network
Next, we focus on the performance of a memrsitive star network with three input channels. The simulated circuit is shown in Figure 3. In every input branch, in series with the input memristive device (Mi), we used a diode to prevent the current flow towards the input terminals when the input voltage was at 0 V. The values of the memristive model parameters were kept as mentioned previously, except for the β parameters. Here, we used βSET = 4∙1010 Ω/(V∙s) and βRESET = 4∙1012 Ω/(V∙s), with a higher β for the RESET to comply with the memristive “fuse” concept, which requires the RESET to be as fast as possible. At the input terminals, we applied voltage pulses, which were 10-μs wide and had 2.2 V amplitude. Given a 0.7 V diode threshold, the effective voltage applied to the input channels was Vin = 1.5 V. Note that the VSET = 0.9 V is higher than the effective Vin/2, as required, whereas the value of VRESET = −0.3 V guarantees that the RESET of Mout will not be triggered unless a complete SET process has first occurred in any input device. Note that such values of the model parameters reflect the performance features expected for any memristive device suitable to be used in such applications.
Figure 3.
Schematic of the simulated memristive star network with three input channels.
In the first simulation scenario, we present the applied input signals in Figure 4a, whereas Figure 4b shows the evolution of the resistance of all the devices and the resulting voltage Vo. Initially, only one input channel is activated. We observe that the corresponding device M1 switches gradually to LRS. As a result, the voltage Vo also increases, but there is a steep self-accelerated increase once Vo exceeds the RESET threshold of Mout, which is attributed to the activation of the “fuse”. Next, when the second input channel is activated, the voltage on the respective memristive device is below its SET threshold because of the high Vo value. The same happens when two input channels are simultaneously active. This confirms the expected operation of the circuit. In fact, the input channel which first received a wavefront is correctly labeled, since M1 is the only input memristive device which eventually switched to LRS. Note that the number of inputs of the star network can be arbitrarily increased without any impact on the circuit operation.
Figure 4.
(a) Plot of the input voltage signals, applied to the three input channels of the star network. (b) Simulation results showing the time-evolution of the resistance of the input memristive devices (M1–M3), the output memristive device (Mout), and of the voltage at node Vo. The horizontal dashed line highlights the |VRESET| value.
In another simulation scenario, we explored the capability of “rank order” encoding of the temporal information of the arriving wavefronts. Regarding the memristive model parameters, here, we modified the β values (βSET = 2∙1012 Ω/(V∙s), βRESET = 1∙1014 Ω/(V∙s))) to achieve a switching time in the ns regime for the same amplitude of the input voltage signals. Moreover, the operational resistive range of all the memristive devices was reduced (RON = 10 kΩ, ROFF = 40 kΩ) to evaluate the functionality of the circuit for a much lower HRS/LRS ratio. We also increased the |VRESET| threshold for representation purposes. We present the applied input signals in Figure 5a, and the resistance evolution of all the devices with the resulting voltage at node Vo in Figure 5b. The arriving wavefronts are purposely spaced 10 ns apart. The arrival of every wavefront initiates a SET process only to the memristive device of the corresponding input channel. After 30 ns, the arrival of the last wavefront (Vi3) instantly triggers the “fuse”, so the device M3 is unable to significantly modify its resistance. It can be noted that the circuit is able to achieve a “rank order” encoding, since the order of arrival of the wavefronts is correctly captured. The earlier the wavefront arrives, the lower the resistance of the corresponding memristive device.
Figure 5.
(a) Plot of the input voltage signals, applied to the three input channels of the star network. (b) Simulation results showing the time-evolution of the resistance of the input memristive devices (M1–M3), the output memristive device (Mout), and of the voltage at node Vo. The horizontal dashed line highlights the |VRESET| value. During ΔT1, only M1 is changing. During ΔT2, both M1 and M2 are changing their state, but at a much slower pace, compared to ΔT1.
When a “timing code” scheme is required, then equally spaced wavefronts should be represented by equally spaced resistive values in the state of the input memristive devices. Nevertheless, with a closer observation of Figure 5b, we conclude that a “timing code” is not possible to achieve with this memristive star network topology. In the memristive model we used [24], the change rate of the resistance depends linearly on the voltage across the device terminals, i.e., Vm = Vini − Vo for the input memristive devices. So, if the voltage at Vo increases, Vm decreases and the switching rate of the input memristive devices is slowed down. Indeed, we notice in Figure 5b that every arrival of a new wavefront causes a sudden increase in the voltage at Vo, which leads to a drastic decrease in the rate of change in all the devices that are subjected to a SET process (we observe a “break” in the curves of M1 and M2 with a notably different slope during ΔT1 and ΔT2). Therefore, the order of arrival is the only information that can be stored in the input memristive devices of a memristive star network topology as the one proposed in this paper.
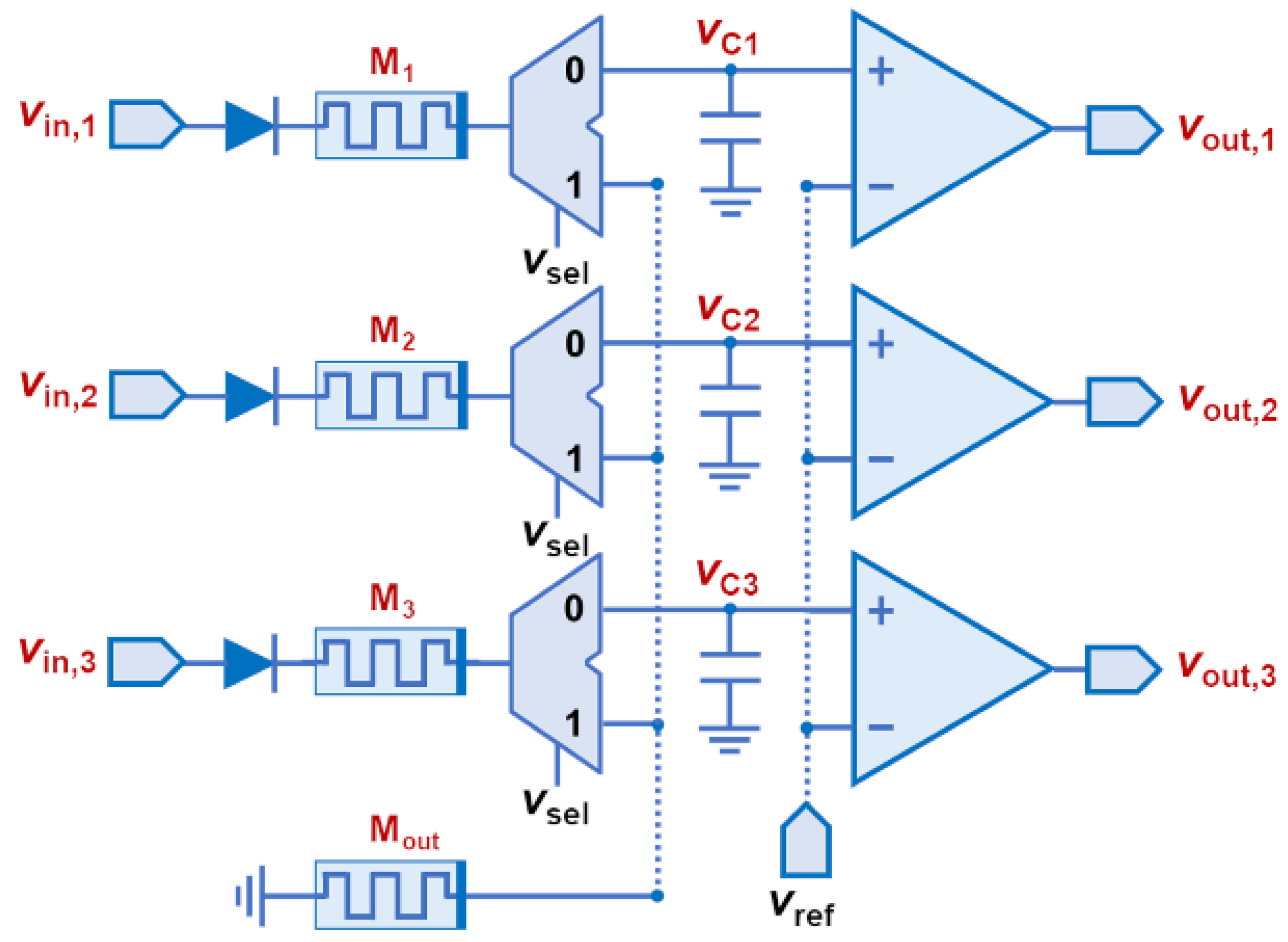
4.3. A Circuit for Capture and Reproduction of Signal Edges
In the last simulation scenario, we demonstrate both the capture and the reproduction of wavefronts by properly driving the memristive star network. The simulated circuit is shown in Figure 6. Compared to the previous design in Figure 3, here, we included a set of custom analog multiplexers (MUXes) designed with 1 μm CMOS transistor models to selectively connect the memristive devices that hold the wavefront information to the analog comparators of the output stage. For the comparator modules, we used a behavioral description in LTSpice. We show in Figure 7a the applied voltage signals and, in Figure 7b, the simulation results, including the input/output voltage of the comparator modules. The memristive model parameters were kept as in the previous simulation scenario. The parasitic capacitance of the memristive devices was not taken into account. However, the parasitic capacitance of the transistors, used to implement the analog MUXes was properly considered in simulations, whereas the capacitors shown in the circuit of Figure 6 aim to represent the total capacitance of the output lines.
Figure 6.
Schematic of the simulated circuit, able to capture and reproduce voltage wavefronts.
Figure 7.
(a) Plot of the input voltage signals, applied to the three input channels, and the selection signal Vsel of the MUXes. (b) Simulation results showing the time-evolution of the resistance of all the memristive devices, the voltage at node Vo, and the voltage at the input/output nodes of the comparators. The comparison threshold Vref is shown with a dashed line.
When Vsel is ‘1’, the MUXes allow the memristive star network to be formed, so the arrival of wavefronts can be stored in the memristive devices. Unlike in Figure 5b, we note that the parasitic capacitance of the transistors, implementing the MUXes, produces a different shape in the response at node Vo. However, the switching performance of the memristive devices is very similar to what was observed and discussed in previous simulations, so the information of the arriving wavefronts is correctly stored. Next, when Vsel is ‘0’, the input channels are connected to the network of comparators at the output stage. This circuit is based on a previous proposal in [14]. When the same voltage pulse is applied to all the input channels, the capacitors of the output lines are charged via the memristive devices. Different resistance values in the memristive devices generate different RC time constants, so the moment the comparison threshold Vref is reached is different in every comparator and depends on the previously captured timing characteristics of the incoming wavefronts. The latter produces a varied response at the output nodes Vout1 through Vout3 that allows for reproducing the order of the previously received wavefronts, as we can observe in Figure 7b. Note that the order of arrival is the only information that can be encoded in the state of the input memristive devices. The only way to achieve matching of the capturing and the reproduction time scales is by using variable capacitor values at the output lines. This, however, is not further explored in this work.
Even though the precise timing characteristics of the input waveforms cannot be recovered from the information stored in the memristive devices, the simulation results confirm the correct operation of the proposed circuit, representing a solution for sensing and for arrival-time-coded computations, able to be carried out inside the core of a resistive memory. In this context, note that the proposed application does not imply any significant area overhead, since the MUX and the comparator modules can be found in the periphery of a resistive crossbar array, as part of the driving circuitry used to perform conventional READ and WRITE memory operations (see [5] for further information of such a driver).
4.4. Effects of Memristive Device Variability in the Overall Circuit Performance
Variability in the switching performance is an important aspect of memristive devices, as analyzed in [25]. Therefore, to test the correctness of the circuit response in the presence of variability, we upgraded the model of memristive devices to incorporate cycle-to-cycle and device-to-device variability. More specifically, up to 50% variability was considered for the threshold parameters (VSET and VRESET) and for parameter β.
Note that, for the circuit to be able to label the input channel(s) where the wavefront(s) arrived first and to capture the recent history of the arriving wavefronts, the RESET of the output device should be conditional on a previous SET of an input device. To this end, the relation of the switching thresholds of the employed devices is very important. If the variability makes VSET < |VRESET|, then the previous SET of any input memristive device will not be the only condition for the RESET of the output device to start. To avoid such a situation, the most appropriate devices to consider for this implementation should demonstrate a VSET threshold sufficiently higher than |VRESET|. Moreover, it was explained that the amplitude for the Vin pulses can be selected such that (Vin/2) < VSET. If such a relation does not hold, owing to variability, then it cannot be guaranteed that the state of the input memrsitive devices will not be modified after the “fuse” has been activated. Therefore, the selected Vin amplitude in the abovementioned relation should consider the percentage of observed variability in the VSET threshold of the input devices. Everything considered, the variability in the switching thresholds can principally affect the “fuse” function, since the output device could be activated earlier than expected and prevent the input devices from switching sufficiently their state, or the input devices could keep changing their state even after the RESET of the output device has occurred.
Furthermore, regarding the “rank order” encoding, the earlier a wavefront arrives at the input channel, the lower the achieved resistance of the corresponding input memristive device. However, variability applied to the fitting constant β directly impacts on the switching rate of the devices and could possibly affect the “rank order” encoding capacity of the circuit. More specifically, memristive devices that received the wavefront later could unexpectedly achieve a lower final resistance. Consequently, the temporal information of the arriving wavefronts could be stored in the wrong order. Nevertheless, our analysis showed that this is only possible for arriving wavefronts that are too close to each other. Everything considered, the minimum distinguishable spacing of the arriving wavefronts emerged as another circuit design parameter to consider, owing to variability.
5. Conclusions
Through circuit simulations, we validated the application prospects of the rich analog dynamics arising in a star network of bipolar memristive devices. We particularly demonstrated the suitability of the proposed circuit in two different contexts, namely for sensing and “rank-order” coding, even though the relationship between the input signal duration and the corresponding resistance of the storage elements is not linear. Other works previously used standard digital circuits to capture the relative timing information of arriving wavefronts. Alternatively, the circuit proposed in this work could directly store the recent history of the arriving wavefronts in the resistance of memristive devices. Possible limitations for the target application include the device variability and the nonlinear time evolution of the resistance of the devices under constant voltage biasing. The latter could impact on the resolution of the system for the storage and the reproduction of the arriving signal wavefronts, so they should be taken into consideration along with the rest of the design parameters, commented and analyzed throughout this work, for the design of sensing and temporal memory structures based on memristive star networks. Of course, the driver capacitance, the wire resistance and capacitance, as well as post-layout design information and technology-specific models of memristive devices should be included in any detailed analysis concerning the scaling of such temporal circuits. Future work includes the further exploitation of possibilities of memristive star networks in hardware with real memristive devices.
Author Contributions
Conceptualization, I.V.; methodology, I.V.; software, J.R.; validation, I.V., and J.R.; formal analysis, I.V. and J.R.; investigation, I.V. and J.R.; resources, J.R.; data curation, J.R.; writing—original draft preparation, I.V. and J.R.; writing—review and editing, I.V.; visualization, I.V. and J.R.; supervision, I.V.; project administration, I.V.; funding acquisition, I.V. All authors have read and agreed to the published version of the manuscript.
Funding
This work was funded by the Chilean government under grants FONDECYT Regular No. 1221747 and ANID-Basal FB0008.
Institutional Review Board Statement
Not applicable for this study as humans or animals are not involved.
Informed Consent Statement
Not applicable for this study as humans are not involved.
Data Availability Statement
No data available online. The data that support the findings of this study can be available from the corresponding author upon reasonable request.
Conflicts of Interest
The authors declare no conflicts of interest.
References
- Lanza, M.; Sebastian, A.; Lu, W.D.; Le Gallo, M.; Chang, M.F.; Akinwande, D.; Puglisi, F.M.; Alshareef, H.N.; Liu, M.; Roldan, J.B. Memristive technologies for data storage, computation, encryption, and radio-frequency communication. Science 2022, 376, eabj9979. [Google Scholar] [CrossRef] [PubMed]
- Chang, T.-C.; Chang, K.C.; Tsai, T.M.; Chu, T.J.; Sze, S.M. Resistance random access memory. Mater. Today 2016, 19, 254–264. [Google Scholar] [CrossRef]
- Pantazi, A.; Woźniak, S.; Tuma, T.; Eleftheriou, E. All-memristive neuromorphic computing with level-tuned neurons. Nanotechnology 2016, 27, 355205. [Google Scholar] [CrossRef] [PubMed]
- Pedretti, G.; Ielmini, D. In-Memory Computing with Resistive Memory Circuits: Status and Outlook. Electronics 2021, 10, 1063. [Google Scholar] [CrossRef]
- Fernandez, C.; Cirera, A.; Vourkas, I. Design Exploration of Threshold Logic in Memory and Experimental Implementation using Knowm Memristors. Int. J. Unconv. Comput. 2023, 18, 249–267. [Google Scholar]
- Lee, S.-J.; Yoo, H.-J. Race Logic Architecture (RALA): A Novel Logic Concept Using the Race Scheme of Input Variables. IEEE J. Solid-State Circuits 2002, 37, 191–201. [Google Scholar]
- Madhavan, A.; Sherwood, T.; Strukov, D. Race Logic: Abusing Hardware Race Conditions to Perform Useful Computation. IEEE Micro 2015, 35, 48–57. [Google Scholar] [CrossRef]
- Smith, J.E. Space-Time Algebra: A Model for Neocortical Computation. In Proceedings of the 2018 ACM/IEEE 45th Annual International Symposium on Computer Architecture (ISCA), Los Angeles, CA, USA, 1–6 June 2018. [Google Scholar]
- Madhavan, A.; Daniels, M.W.; Stiles, M.D. Temporal State Machines: Using Temporal Memory to Stitch Time-based Graph Computations. J. Emerg. Technol. Comput. Syst. 2021, 17, 28. [Google Scholar] [CrossRef] [PubMed]
- Tzimpragos, G.; Volk, J.; Vasudevan, D.; Tsiskaridze, N.; Michelogiannakis, G.; Madhavan, A.; Shalf, J.; Sherwood, T. Temporal Computing with Superconductors. IEEE Micro 2021, 41, 71–79. [Google Scholar] [CrossRef]
- Vakili, H.; Sakib, M.N.; Ganguly, S.; Stan, M.; Daniels, M.W.; Madhavan, A.; Stiles, M.D.; Ghosh, A.W. Temporal Memory with Magnetic Racetracks. IEEE J. Explor. Solid State Comput. Devices Circuits 2020, 6, 107–115. [Google Scholar] [CrossRef]
- Slipko, V.; Pershin, Y. Metastable memristive lines for signal transmission and information processing applications. Phys. Rev. E 2017, 95, 042213. [Google Scholar] [CrossRef] [PubMed]
- Vourkas, I.; Escudero, M.; Sirakoulis, G.C.; Rubio, A. Ubiquitous Memristors In Multi-Level Memory, In-Memory Computing, Data Converters, Clock Generation and Signal Transmission. In Metal Oxides for Non-Volatile Memory, Materials, Technology and Applications; Dimitrakis, P., Valov, I., Tappertzhofen, S., Eds.; Elsevier: Amsterdam, The Netherlands, 2022; pp. 445–463. [Google Scholar]
- Madhavan, A.; Stiles, M.D. Storing and Retrieving Wavefronts with Resistive Temporal Memory. In Proceedings of the 2020 IEEE International Symposium on Circuits and Systems (ISCAS), Seville, Spain, 12–14 October 2020. [Google Scholar]
- Vourkas, I.; Sirakoulis, G.C. Networks of Memristors and Memristive Components. In Memristor-Based Nanoelectronic Computing Circuits and Architectures, 1st ed.; Springer International Publishing: Cham, Switzerland, 2016; pp. 173–198. [Google Scholar]
- Pershin, Y.V.; Di Ventra, M. Self-organization and solution of shortest-path optimization problems with memristive networks. Phys. Rev. E 2013, 88, 013305. [Google Scholar] [CrossRef] [PubMed]
- Ju, D.; Ahn, J.; Ho, J.; Kim, S.; Chung, D. Implementation of Physical Reservoir Computing in a TaOx/FTO-Based Memristor Device. Mathematics 2023, 11, 4325. [Google Scholar] [CrossRef]
- Mizrahi, A.; Marsh, T.; Hoskins, B.; Stiles, M.D. Scalable Method to Find the Shortest Path in a Graph with Circuits of Memristors. Phys. Rev. Appl. 2018, 10, 064035. [Google Scholar] [CrossRef]
- Vourkas, I.; Sirakoulis, G.C. Nano-Crossbar Memories Comprising Parallel/Serial Complementary Memristive Switches. BioNanoSci. 2014, 4, 166–179. [Google Scholar] [CrossRef]
- Linn, E.; Rosezin, R.; Kügeler, C.; Waser, R. Complementary resistive switches for passive nanocrossbar memories. Nat. Mater. 2010, 9, 403–406. [Google Scholar] [CrossRef] [PubMed]
- Serb, A.; Khiat, A.; Prodromakis, T. Practical demonstration of a RRAM memory fuse. Int. J. Circ. Theor. Appl. 2021, 49, 2363–2372. [Google Scholar] [CrossRef]
- Stathis, D.; Vourkas, I.; Sirakoulis, G.C. Shortest Path Computing Using Memristor-Based Circuits and Cellular Automata. In Cellular Automata: ACRI 2014. Lecture Notes in Computer Science; Wąs, J., Sirakoulis, G.C., Bandini, S., Eds.; Springer: Cham, Switzerland, 2014; Volume 8751, pp. 398–407. [Google Scholar]
- Vourkas, I.; Sirakoulis, G.C. On the Generalization of Composite Memristive Network Structures for Computational Analog/Digital Circuits and Systems. Microelectron. J. 2014, 45, 1380–1391. [Google Scholar] [CrossRef]
- Pershin, Y.; Di Ventra, M. SPICE model of memristive devices with threshold. Radioeng. 2013, 22, 485–489. [Google Scholar]
- Roldán, J.B.; Miranda, E.; Maldonado, D.; Mikhaylov, A.N.; Agudov, N.V.; Dubkov, A.A.; Koryazhkina, M.N.; González, M.B.; Villena, M.A.; Poblador, S.; et al. Variability in Resistive Memories. Adv. Intell. Syst. 2023, 5, 2200338. [Google Scholar] [CrossRef]
Disclaimer/Publisher’s Note: The statements, opinions and data contained in all publications are solely those of the individual author(s) and contributor(s) and not of MDPI and/or the editor(s). MDPI and/or the editor(s) disclaim responsibility for any injury to people or property resulting from any ideas, methods, instructions or products referred to in the content. |
© 2024 by the authors. Licensee MDPI, Basel, Switzerland. This article is an open access article distributed under the terms and conditions of the Creative Commons Attribution (CC BY) license (https://creativecommons.org/licenses/by/4.0/).






