Study on the Strength of the Brake Pad of a Freight Wagon under Uneven Loading in Operation
Abstract
1. Introduction
2. Analysis of Recent Research and Publications
3. Purpose and Tasks of the Research
- To determine the causes of the uneven loading on the brake pad in operation;
- To offer a mathematical tool for determining the strength of the brake pad unevenly loaded;
- To investigate the stress distribution fields in the brake pad loaded unevenly.
4. Determination of Causes of the Uneven Loading in Operation
- Uneven distribution of the specific pressure on the brake pad due to the shift of the response of the wheel to the pad relative to the symmetry axis toward the leading end of the pad;
- The pad touches the wheel with the upper end during the train movement due to the imperfect design of the brake lever. This is explained by the fact that the axis passing through the center of the hole in the brake strut does not coincide with the axis of the pendulum suspensions that hold the composite brake pads;
- During the operation of freight wagons, wear is generated in the kinetostatic connections of the brake leverage, which causes a significant increase in clearances, which, in turn, causes an uneven distribution of specific pressures on the pad and, as a result, uneven wear of the pads;
- Failures in the device for the parallel retraction of brake shoes, which result in constant contact of the upper part of the pad and the wheel during the train movement with the brakes released.
5. Development of a Mathematical Tool for Determining the Strength of an Unevenly Loaded Brake Pad
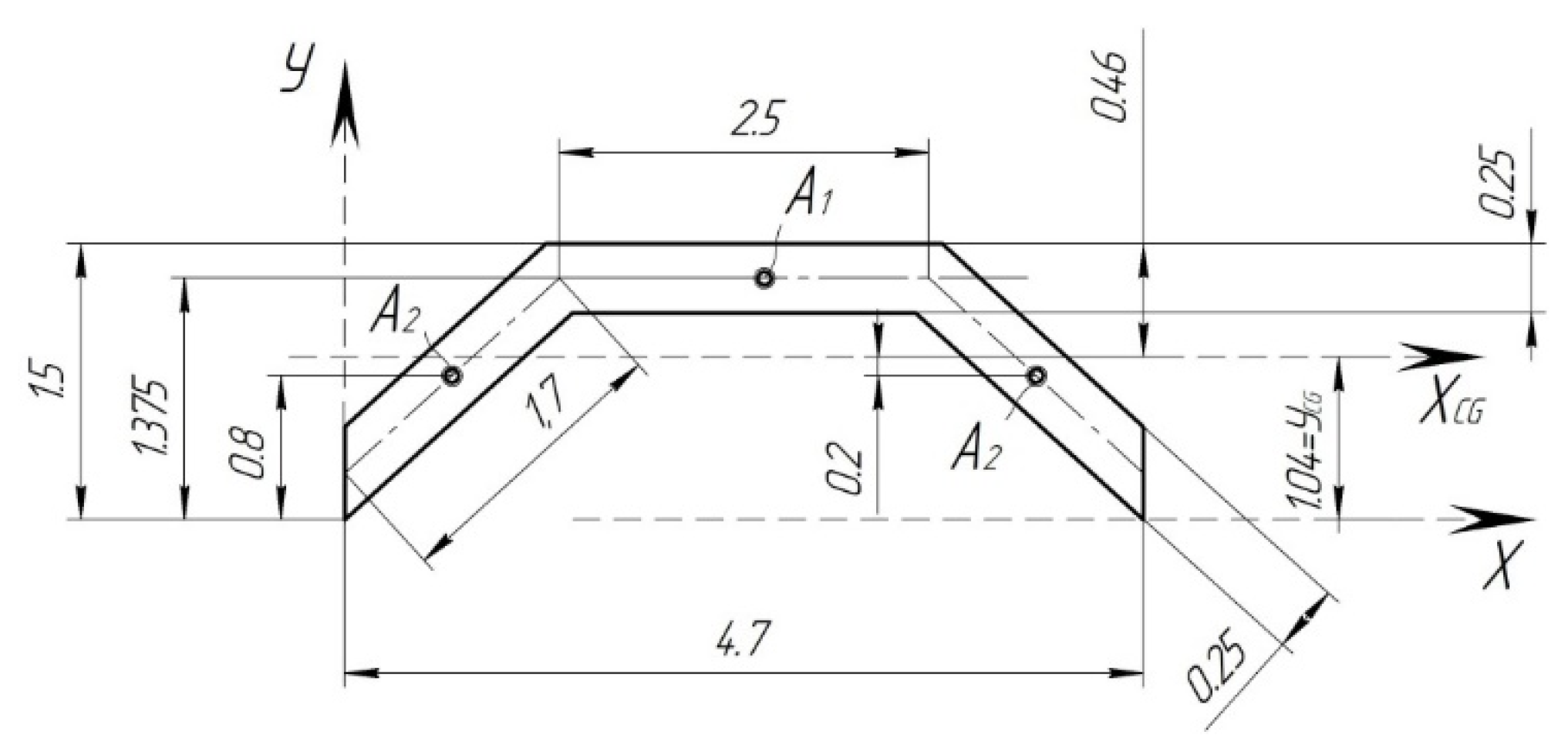
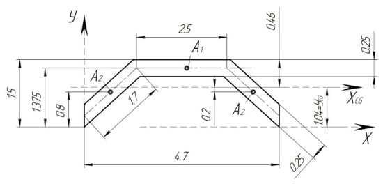
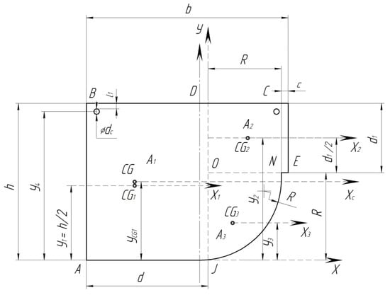
General Provisions and Geometrical Characteristics of the Composite Brake Pad
- At the moment of braking, the pad has a degree of freedom equal to 1 (Figure 4);
- The coefficient of friction between the pad and the wheel is ϕff = 0.3;
- The pressure from the shoe to the pad is applied as a distributed load, and for calculation, it is replaced by concentrated forces. In braking, it is distributed along the middle of the pad;
- The pressure transmitted from the shoe to the pad is directed vertically, not in the direction of the cross-sections;
- The friction forces, according to [23], are directed in a straight line;
- The pressure from the shoe to the wheel is transmitted in the form of an unevenly distributed load, which increases from the ends to the middle of the bar. It can be determined by placing the pad on the supports located at characteristic points.
6. Investigation of Stress Distribution Fields in the Brake Pad Unevenly Loaded
7. Discussion
8. Conclusions
- The causes of the uneven loading of the brake pad in operation have been identified. It has been found that one of the most important of them is a failure of the device for parallel retraction of brake shoes, which can result in constant contact of the upper part of the pad with the wheel during the train movement with brakes released. Also, the reason for the uneven loading of the pad is the deviation of the general center of gravity of the pad from the center of the hole in the brake strut.
- The mathematical tool for determining the strength of the pad unevenly loaded has been proposed. It has been taken into account that the pad is a curvilinear beam on which external loads are acting in the form of concentrated forces and bending moment. In this case, classical approaches to the strength of materials and structural mechanics were used.
- The results of the pad calculation at the values of the external vertical load F = 20.55 kN and the bending moment M = 68.8 kN∙m have proven that the stresses arising in it are 21.1 MPa. Therefore, they exceed the permissible values by 29%. This demonstrates that under the action of static forces applied unevenly across the area of the pad, the strength of the pad is not ensured.
- The stress distribution fields in the brake composite pad of the wagon have been investigated, including the uneven loading. In this case, the finite element method was used, which is implemented in SolidWorks Simulation. The maximum stress criterion was used as a design criterion. The calculation was carried out for the loading operational mode of the air distributor with ref. No. 483-000. The stress state diagrams of the pad have been obtained. At the same time, the maximum stresses are typical for main stress III, and they amount to about 19 MPa. These stresses are 21% higher than permissible values and occur in the back of the pad.
- The results of the study indicate that the uneven loading on the pad due to the stresses that exceed permissible ones can cause the destruction of the pad during braking, which can cause traffic accidents in operation. Therefore, it is necessary to implement scientific solutions during the design and creation of innovative brake systems for bogies that will eliminate the uneven loading in triangular systems, reduce the operating and maintenance costs of the wagon fleet, and guarantee train traffic safety.
- The research will be useful for those who are concerned about designing innovative rolling stock units and improving the operational efficiency of railway transport.
Author Contributions
Funding
Institutional Review Board Statement
Informed Consent Statement
Data Availability Statement
Acknowledgments
Conflicts of Interest
References
- Analysis of the State of Traffic Safety in the Structure of JSC “Ukrzaliznytsia” in 2019; Joint-Stock Company “Ukrainian Railway” Department of Traffic Safety: Kyiv, Ukraine, 2019; 198p.
- Chaubey, A.O.; Raut, A.A. Failure Analysis of Brake Shoe in Indian Railway Wagon. IPASJ Int. J. Mech. Eng. 2015, 3, 37–41. [Google Scholar]
- Koptovets, A.N. Dynamic brake model. NSU Sci. Bull. 2010, 2, 64–67. [Google Scholar]
- Gerlici, J.; Kravchenko, K.; Fomina, Y. Development of an Innovative Technical Solution to Improve the Efficiency of Rolling Stock Friction Brake Elements Operation. In Proceedings of the 12th International Conference TRANSBALTICA: Transportation Science and Technology, Vilnius, Lithuania, 16–17 September 2021. [Google Scholar]
- Koptovets, O.; Haddad, J.S.; Brovko, D.; Posunko, L.; Tykhonenko, V. Identification of the conditions of a mine locomotive brake system as well as its functional and morphological model with the stressed closed kinematic circuit. In Proceedings of the 14th International Research and Practice Conference, Berdiansk, Ukraine, 7–11 September 2020. [Google Scholar]
- Zhang, Z.; Dhanasekar, M. Dynamics of railway wagons subjected to braking/traction torque. Veh. Syst. Dyn. 2009, 47, 285–307. [Google Scholar] [CrossRef]
- Panchenko, S.; Vatulia, G.; Lovska, A.; Ravlyuk, V.; Elyazov, I.; Huseynov, I. Influence of structural solutions of an improved brake cylinder of a freight car of railway transport on its load in operation. Eureka Phys. Eng. 2022, 6, 45–55. [Google Scholar] [CrossRef]
- Mazur, V.L.; Naidek, V.L.; Popov, E.S. Comparison of cast-iron and composite with cast-iron inserts brake shoes for railway rolling stock. Magazine. Met. Cast. Ukr. 2021, 2, 30–39. [Google Scholar]
- Nechvoloda, S.I.; Martynov, I.E. The inconsistency of power factors with tribotechnical processes is the cause of wedge-shaped wear of brake pads. Car Fleet 2013, 79, 14–17. [Google Scholar]
- Ravlyuk, V.; Ravliuk, M.; Hrebeniuk, V.; Bondarenko, V. Research of the calculation scheme for the brake lever transmission and construction of the load model for the brake pads of freight cars. In Proceedings of the 8th International Scientific Conference Reliability and Durability of Railway Transport Engineering Structures and Buildings TransBud 2019, Kharkiv, Ukraine, 20–22 November 2019. [Google Scholar]
- Instructions for operating rolling stock brakes on Ukrainian railways: TST–TSV–TSL–0015. Kyiv, Ukraine, 2004; 146p.
- Cruceanu, C. Brakes for Railway Vehicles; Matrix Rom Publishing House: Bucharest, Romania, 2007. [Google Scholar]
- Cruceanu, C.; Oprea, R.; Spiroiu, M.; Craciun, C.; Arsene, S. Computer Aided Study Regarding the Influence of Filling Characteristics on the Longitudinal Reaction within the Body of a Braked Train. In Proceedings of the 13th WSEAS International Conference on Computers, Rods, Greece, 22–24 July 2009. [Google Scholar]
- Kiss, I.; Cioata, V.; Alexa, V.; Ratiu, S. Investigations on the phosphorous cast iron destined for brake shoes manufacturing. Appl. Eng. Lett. 2016, 1, 61–66. [Google Scholar]
- Kiss, I. The chemical composition of phosphorous cast irons behavior in the manufacturing of brake shoes meant for the rolling stock. Acta Tech. Corviniensis–Bull. Eng. 2016, 9, 77–84. [Google Scholar]
- Cruceanu, C. Train Braking. In Reliability and Safety in Railway; Perpinya, X., Ed.; IntechOpen: London, UK, 2012; pp. 29–74. [Google Scholar]
- Zhang, Y.; Chen, Y.; He, R.; Shen, B. Investigation of tribological properties of brake shoe materials–phosphorous cast irons with different graphite morphologies. Wear 1993, 166, 179–186. [Google Scholar] [CrossRef]
- Bucur, F.; Socalici, A.; Berghian, A.B.; Baneasa, C.B.; Pascu, L. The tribology of composite materials used for manufacturing brake shoes. Materiale Plastice 2022, 59, 13–20. [Google Scholar] [CrossRef]
- Safronov, O. Use of computer modeling for assessment of gallery efficiency of truck wagons. Transp. Syst. Technol. 2018, 32, 61–75. (In Ukrainian) [Google Scholar]
- Voloshin, D.; Afanasenko, I.; Derevianchuk, Y. The question of the hopper-car mechanical brake elements improving. Sci. J. Volodymyr Dahl East Ukr. Natl. Univ. 2018, 243, 54–59. (In Ukrainian) [Google Scholar]
- Chikhladze, E.D. Resistance of Materials: Textbook for Students of Construction Specialties of Transport Universities; UkrDAZT: Kharkiv, Ukraine, 2011; 366p. [Google Scholar]
- Shvabyuk, V.I. Resistance of Materials: Textbook; Knowledge: Kyiv, Ukraine, 2016; 400p. [Google Scholar]
- Grzes, P. Adaptation of rectangular and trapezoidal time functions to simulate the rotational motion of the brake disc. Mech. Syst. Signal Process. 2024, 207, 110923. [Google Scholar] [CrossRef]
- Vatulya, G.L.; Glazunov, Y.V.; Kravtsiv, L.B.; Smolyanyuk, N.V. Calculation of Spacer Systems: Academic Manual; UkrDAZT: Kharkiv, Ukraine, 2016; 124p. [Google Scholar]
- Composite Brake Pads with a Mesh-Wire Frame for Railway Freight Cars. Technical Conditions: TU U 6-05495978.017-2001. Bila Tserkva, Ukraine, 2001; 27p.
- Kozyar, M.M.; Feshchuk, Y.V.; Parfenyuk, O.V. Computer Graphics: SolidWorks: Study Guide; Oldi-Plus: Kherson, Ukraine, 2018; 252p. [Google Scholar]
- Soukup, J.; Skocilas, J.; Skocilasova, B. Vertical vibration of the vehicle model with higher degree of freedom. In Proceedings of the 6th Conference on Modelling of Mechanical and Mechatronic Systems MMaMS, Vysoke Tatry, Slovakia, 25–27 November 2014. [Google Scholar]
- Kalivoda, J.; Bauer, P.; Novak, Z. Assessment of Active Wheelset Steering System Using Computer Simulations and Roller Rig Tests. Appl. Sci. 2021, 11, 11727. [Google Scholar] [CrossRef]
- Bosso, N.; Magelli, M.; Zampieri, N. Validation of a brake monitoring system using a multi-axle roller-rig. In Proceedings of the 17th International Conference on Railway Engineering Design and Operation, CR 2020, Virtual Online, 1–3 July 2020. [Google Scholar]
- Pustylga, S.I.; Samostyan, V.R.; Kluck, Y.V. Engineering Graphics in SolidWorks: A Study Guide; Tower: Lutsk, Ukraine, 2018; 172p. [Google Scholar]
- Landström, E.V.; Vernersson, T.; Lundén, R. Analysis and testing of tread braked railway wheel–effects of hot spots on wheel performance. Int. J. Fatigue 2024, 180, 108116. [Google Scholar] [CrossRef]
- Stastniak, P.; Moravcík, M. Development of two types of freight wagons with bogies for non-standard wheelbase or track wheelset, complying with the criteria for interoperability, environmental issues, safety and reliability. In Proceedings of the 23rd Conference: Current Problems in Rail Vehicles 2017, Ceska Trebova, Czech Republic, 20–22 September 2017. [Google Scholar]
- Pascu, L.V. Research on Improving the Quality of Brake Shoes Intended for Rolling Stock. Doctoral Thesis, University Politehnica Timisoara, Timisoara, Romania, 2015. (In Romanian). [Google Scholar]
- Kiss, I.; Cioata, V.; Alexa, V.; Ratiu, R. Investigations on the selection of friction materials destined to railway vehicles applications. In Proceedings of the International Conference on Applied Sciences ICAS, Hunedoara, Romania, 25–27 May 2016. [Google Scholar]
- Vambol, O.; Kondratiev, A.; Purhina, S.; Shevtsova, M. Determining the parameters for a 3D-printing process using the fused deposition modeling in order to manufacture an article with the required structural parameters. East. Eur. J. Enterp. Technol. 2021, 2, 70–80. [Google Scholar]
- Kurčík, P.; Gerlici, J.; Lack, T.; Suchánek, A.; Harušinec, J. Innovative solution for test equipment for the experimental investigation of friction properties of brake components of brake systems. In Proceedings of the 13th International Scientific Conference on Sustainable, Modern and Safe Transport TRANSCOM 2019 Conference, High Tatras, Slovak Republic, 29–31 May 2019. [Google Scholar]
- Mege-Revil, A.; Rapontchombo-Omanda, J.; Serrano-Munoz, I.; Cristol, A.-L.; Mgnier, V.; Dufrenoy, P. Sintered Brake Pads Failure in High-Energy Dissipation Braking Tests: A Post-Mortem Mechanical and Microstructural Analysis. Materials 2023, 16, 7006. [Google Scholar] [CrossRef] [PubMed]
- Esteban, B.; Spiryagin, M.; Stichel, S.; Bosso, N.; Roger, L.; Bosomworth, C.; Qing, W.; Colin, C. Friction-slip curves—The pathway from twin-disc tribo measurements to full-scale locomotive multibody simulations. In Proceedings of the 2022 Joint Rail Conference, JRC 2022, Virtual Online, 20–21 April 2022. [Google Scholar]
- Zhu, H.; Lian, S.; Jin, M.; Wang, Y.; Yang, S.; Lu, Q.; Tao, Z.; Xiao, Q. Review of research on the influence of vibration and thermal fatigue crack of brake disc on rail vehicles. Eng. Fail. Anal. 2023, 153, 107603. [Google Scholar] [CrossRef]
- Gerlici, J.; Lack, T.; Harušinec, J. Development of test stand prototype for rail vehicles brake components testing. Commun.–Sci. Lett. Univ. Zilina 2024, 16, 27–32. [Google Scholar] [CrossRef]
















| Indicator | Value |
|---|---|
| Brinell hardness, HB | 1.2–3.0 |
| Modulus of elasticity, Pa | 5000 |
| Poisson’s ratio | 0.37 |
| Mass density, kg/m3 | 2200 |
| Compressive strength, MPa, not less than | 15 |
| Thermal expansion coefficient, K−1 | 4.1 × 10−6 |
Disclaimer/Publisher’s Note: The statements, opinions and data contained in all publications are solely those of the individual author(s) and contributor(s) and not of MDPI and/or the editor(s). MDPI and/or the editor(s) disclaim responsibility for any injury to people or property resulting from any ideas, methods, instructions or products referred to in the content. |
© 2024 by the authors. Licensee MDPI, Basel, Switzerland. This article is an open access article distributed under the terms and conditions of the Creative Commons Attribution (CC BY) license (https://creativecommons.org/licenses/by/4.0/).
Share and Cite
Panchenko, S.; Gerlici, J.; Lovska, A.; Ravlyuk, V.; Dižo, J.; Harušinec, J. Study on the Strength of the Brake Pad of a Freight Wagon under Uneven Loading in Operation. Sensors 2024, 24, 463. https://doi.org/10.3390/s24020463
Panchenko S, Gerlici J, Lovska A, Ravlyuk V, Dižo J, Harušinec J. Study on the Strength of the Brake Pad of a Freight Wagon under Uneven Loading in Operation. Sensors. 2024; 24(2):463. https://doi.org/10.3390/s24020463
Chicago/Turabian StylePanchenko, Sergii, Juraj Gerlici, Alyona Lovska, Vasyl Ravlyuk, Ján Dižo, and Jozef Harušinec. 2024. "Study on the Strength of the Brake Pad of a Freight Wagon under Uneven Loading in Operation" Sensors 24, no. 2: 463. https://doi.org/10.3390/s24020463
APA StylePanchenko, S., Gerlici, J., Lovska, A., Ravlyuk, V., Dižo, J., & Harušinec, J. (2024). Study on the Strength of the Brake Pad of a Freight Wagon under Uneven Loading in Operation. Sensors, 24(2), 463. https://doi.org/10.3390/s24020463

