An Exploration into the Fault Diagnosis of Analog Circuits Using Enhanced Golden Eagle Optimized 1D-Convolutional Neural Network (CNN) with a Time-Frequency Domain Input and Attention Mechanism
Abstract
1. Introduction
- (1)
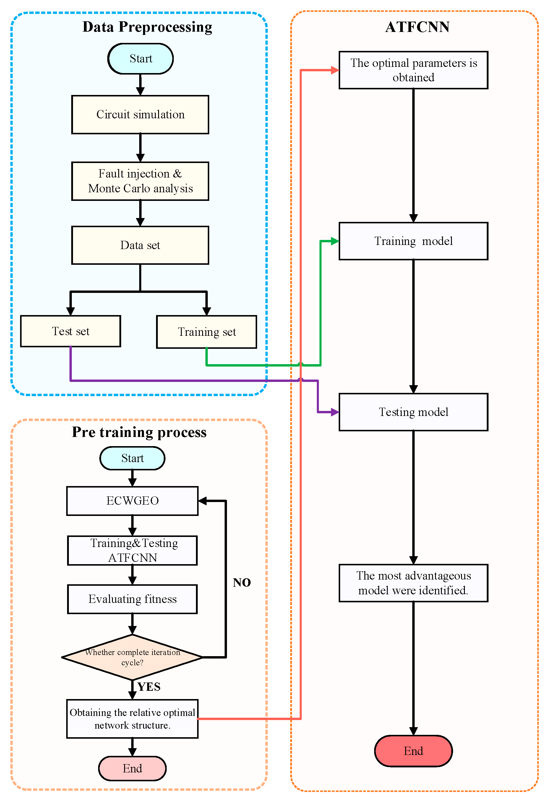
- A Pspice model was built for typical analog circuits, and a variety of fault injections closer to the real situation were carried out, experimental data were obtained using Monte Carlo analysis, and the training and test sets were divided.
- (2)
- The fault injection method is closer to the actual situation, which leads to the aggravation of the fault features’ overlapping, which brings more challenges to the fault feature extraction. To solve this problem, the proposed method does not rely on experience to design the network structure, but selects the GEO algorithm and improves it according to the characteristics of deep learning network structure design, adding a chaos operator to solve the problem of decreasing population diversity in the late stage of optimization, as well as strengthening the search strategy to enhance the convergence speed and is named ECWGEO; the results show that the optimized algorithm has a certain advantage in both the convergence speed and the selection of the final results. Result selection has certain advantages.
- (3)
- To further explore the potential value of the data and enhance the fault-diagnosis ability of the model, the one-dimensional convolutional algorithm was improved by adopting the joint input mechanism in the time–frequency domain and adding the attention mechanism. The results show that the joint input mechanism provides richer features for the network, the existence of the attention mechanism improves the feature-selection ability of the model, and the proposed network achieves good results.
2. Related Research
2.1. Golden Eagle Optimizer
2.1.1. Parameter Initialization
2.1.2. Exploitation and Exploration
2.1.3. Move to a New Position
2.2. Related Works on the GEO
2.3. Attention Mechanism
3. The Proposed Method
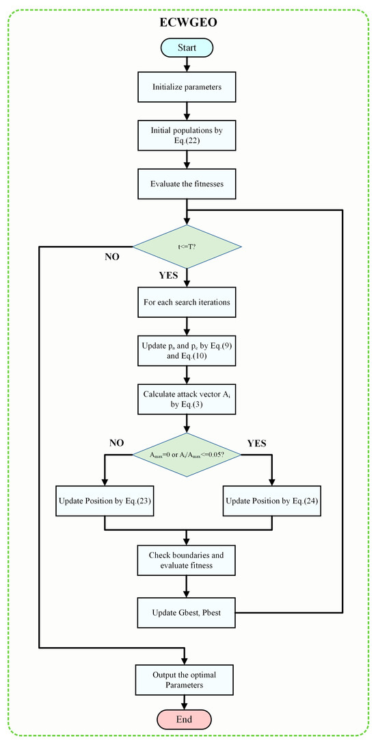
3.1. Enhanced Chaos-Weighted GEO (ECWGEO)
3.2. Attention Time–Frequency Convolution Neural Network (ATFCNN)
4. Experiment
5. Result
5.1. Parameter Optimization Validation
5.2. Network Structure Validation
5.3. Small Sample Validation
5.4. Comparison of the Rest of the Algorithms
6. Conclusions
- In this study, an improved GEO algorithm is proposed to optimize the network parameters in the pre-training stage of the 1D-CNN. The algorithm overcomes the problem of insufficient population diversity in the late iteration of the traditional GEO algorithm, and the chaos operator is used as a perturbation factor to improve the population diversity. At the same time, to accelerate the convergence speed of the algorithm, a strengthened search strategy is added based on the above for position updating, which effectively improves the convergence speed of the algorithm and reduces the amount of computation.
- In this study, an improved 1D-CNN network structure incorporating the channel attention mechanism is proposed. Considering that analog circuit signals contain rich feature information in both time and frequency domains, the network fuses time-domain signals and frequency-domain signals as network inputs. At the same time, due to the different importance of information carried by different channels in the 1D-CNN network, this paper introduces the channel attention mechanism to dynamically fuse multi-channel feature information. The algorithm can extract fault feature information more effectively and comprehensively and improve the network diagnosis performance.
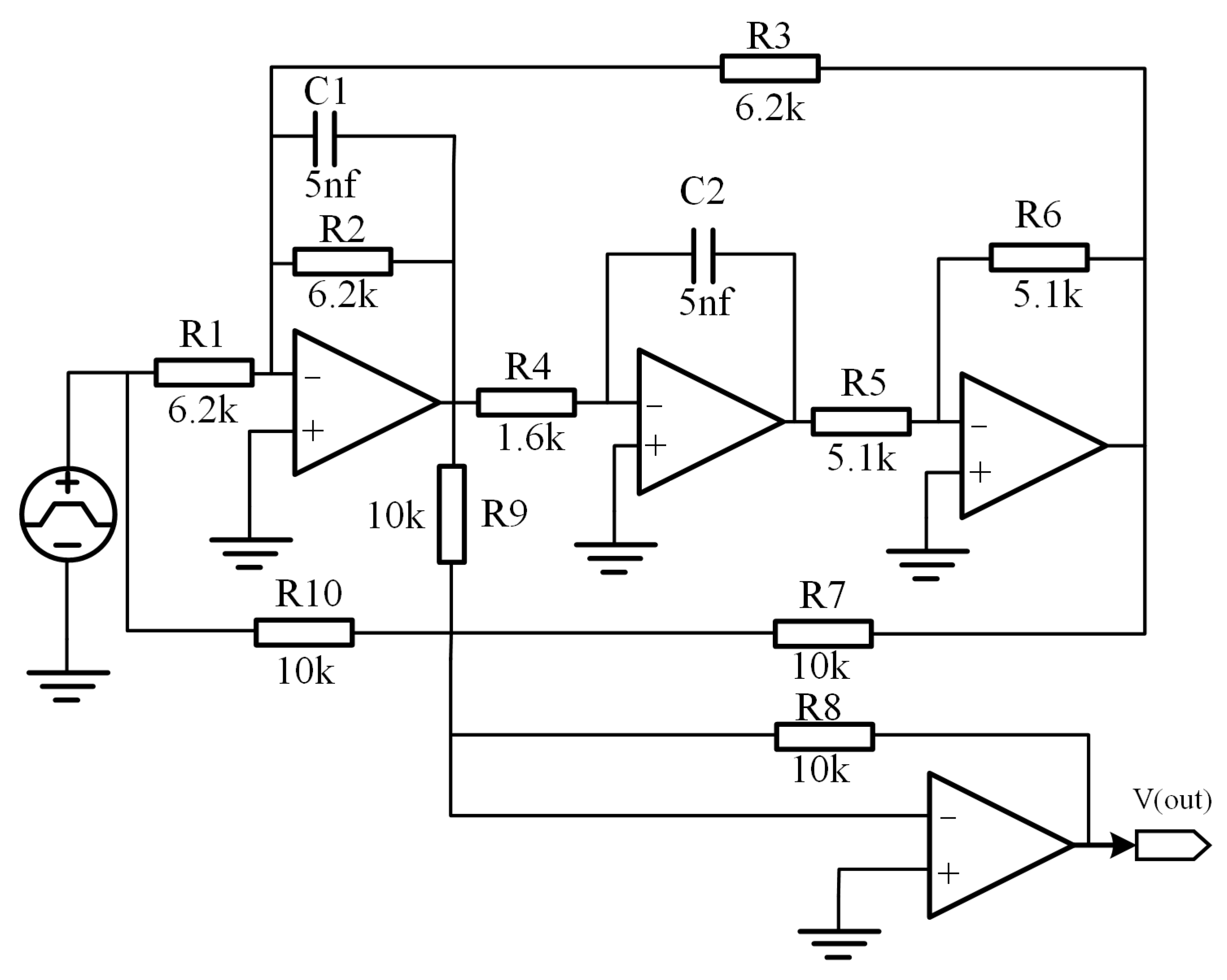
- This paper takes the widely used four-op-amp biquadratic filter circuit in analog circuit fault diagnosis as the research object. It makes a reasoned selection of fault values and performs fault injection based on actual circuit component fault patterns, enhancing the practical utility of the fault-diagnosis method.
- To verify the effectiveness of the ECWGEO-ATFCNN algorithm, this paper designs the verification experiments from the aspects of parameter optimization, the network structure, small samples, and an algorithm comparison, respectively. The experiments show that the algorithm proposed in this paper has a faster convergence speed of parameter optimization, has a higher fault-diagnosis accuracy, is more sensitive to small samples, and achieves the best fault-diagnosis effect compared to the traditional algorithm, realizing a 98.93% correct fault-identification rate.
Author Contributions
Funding
Institutional Review Board Statement
Informed Consent Statement
Data Availability Statement
Acknowledgments
Conflicts of Interest
References
- Huang, C.; Shen, Z.; Zhang, J.; Hou, G. Bit-based intermittent fault diagnosis of analog circuits by improved deep forest classifier. IEEE Trans. Instrum. Meas. 2022, 71, 1–13. [Google Scholar] [CrossRef]
- Wang, S.; Liu, Z.; Jia, Z.; Li, Z. Composite fault diagnosis of analog circuit system using chaotic game optimization-assisted deep ELM-AE. Measurement 2022, 202, 111826. [Google Scholar] [CrossRef]
- Wang, S.; Liu, Z.; Jia, Z.; Li, Z. Incipient fault diagnosis of analog circuit with ensemble HKELM based on fused multi-channel and multi-scale features. Eng. Appl. Artif. Intell. 2023, 117, 105633. [Google Scholar] [CrossRef]
- Ji, L.; Fu, C.; Sun, W. Soft fault diagnosis of analog circuits based on a ResNet with circuit spectrum map. IEEE Trans. Circuits Syst. I Regul. Pap. 2021, 68, 2841–2849. [Google Scholar] [CrossRef]
- Fang, X.; Qu, J.; Chai, Y.; Liu, B. Adaptive multiscale and dual subnet convolutional auto-encoder for intermittent fault detection of analog circuits in noise environment. ISA Trans. 2023, 136, 428–441. [Google Scholar] [CrossRef] [PubMed]
- Binu, D.; Kariyappa, B.S. A survey on fault diagnosis of analog circuits: Taxonomy and state of the art. AEU-Int. J. Electron. Commun. 2017, 73, 68–83. [Google Scholar] [CrossRef]
- Puvaneswari, G. Test Node Selection for Fault Diagnosis in Analog Circuits using Faster RCNN Model. Circuits Syst. Signal Process. 2023, 42, 3229–3254. [Google Scholar] [CrossRef]
- Sun, P.; Yang, Z.; Jiang, Y.; Jia, S.; Peng, X. A Fault Diagnosis Method of Modular Analog Circuit Based on Svdd and D–s Evidence Theory. Sensors 2021, 21, 6889. [Google Scholar] [CrossRef]
- Yang, H.; Meng, C.; Wang, C. Data-Driven Feature Extraction for Analog Circuit Fault Diagnosis Using 1-D Con-volutional Neural Network. IEEE Access 2020, 8, 18305–18315. [Google Scholar] [CrossRef]
- Zhang, C.; He, Y.; Yang, T.; Zhang, B.; Wu, J. An Analog Circuit Fault Diagnosis Approach Based on Improved Wavelet Transform and MKELM. Circuits Syst. Signal Process. 2022, 41, 1255–1286. [Google Scholar] [CrossRef]
- Alippi, C.; Catelani, M.; Fort, A.; Mugnaini, M. SBT soft fault diagnosis in analog electronic circuits: A sensitivity-based approach by randomized algorithms. IEEE Trans. Instrum. Meas. 2002, 51, 1116–1125. [Google Scholar] [CrossRef]
- Deng, Y.; Shi, Y.; Zhang, W. An Approach to Locate Parametric Faults in Nonlinear Analog Circuits. IEEE Trans. Instrum. Meas. 2012, 61, 358–367. [Google Scholar] [CrossRef]
- Jung, H.; Choi, S.; Lee, B. Rotor Fault Diagnosis Method Using CNN-Based Transfer Learning with 2D Sound Spectrogram Analysis. Electronics 2023, 12, 480. [Google Scholar] [CrossRef]
- Yang, J.; Li, Y.; Gao, T. An incipient fault diagnosis method based on Att-GCN for analogue circuits. Meas. Sci. Technol. 2023, 34, 045002. [Google Scholar] [CrossRef]
- Li, Y.; Wang, Y.; Wang, R.; Wang, Y.; Wang, K.; Wang, X.; Cao, W.; Xiang, W. GA-CNN: Convolutional Neural Network Based on Geometric Algebra for Hyperspectral Image Classification. IEEE Trans. Geosci. Remote Sens. 2022, 60, 1–14. [Google Scholar] [CrossRef]
- Lu, W.; Rui, H.; Liang, C.; Jiang, L.; Zhao, S.; Li, K. A Method Based on GA-CNN-LSTM for Daily Tourist Flow Prediction at Scenic Spots. Entropy 2020, 22, 261. [Google Scholar] [CrossRef]
- Mohammadi-Balani, A.; Nayeri, M.D.; Azar, A.; Taghizadeh-Yazdi, M. Golden Eagle Optimizer: A nature-inspired metaheuristic algorithm. Comput. Ind. Eng. 2020, 152, 107050. [Google Scholar] [CrossRef]
- Eluri, R.K.; Devarakonda, N. Binary Golden Eagle Optimizer with Time-Varying Flight Length for Feature Selection. Knowl.-Based Syst. 2022, 247, 108771. [Google Scholar] [CrossRef]
- Lv, J.X.; Yan, L.J.; Chu, S.C.; Cai, Z.M.; Pan, J.S.; He, X.K.; Xue, J.K. A New Hybrid Algorithm Based on Golden Eagle Optimizer and Grey Wolf Optimizer for 3D Path Planning of Multiple UAVs in Power Inspection. Neural Comput. Appl. 2022, 34, 11911–11936. [Google Scholar] [CrossRef]
- Abdel-Basset, M.; Mohamed, R.; Elkomy, O.M.; Abouhawwash, M. Recent Metaheuristic Algorithms with Genetic Operators for High-dimensional Knapsack Instances: A Comparative Study. Comput. Ind. Eng. 2022, 166, 107974. [Google Scholar] [CrossRef]
- Fan, Z.K.; Lian, K.L.; Lin, J.F. A New Golden Eagle Optimization with Stooping Behaviour for Photovoltaic Maximum Power Tracking under Partial Shading. Energies 2023, 16, 5712. [Google Scholar] [CrossRef]
- Panneerselvam, K.; Nayudu, P.P. Improved Golden Eagle Optimization Based CNN for Automatic Segmentation of Psoriasis Skin Images. Wirel. Pers. Commun. 2023, 131, 1817–1831. [Google Scholar] [CrossRef]
- Deng, J.; Zhang, D.; Li, L.; He, Q. A Nonlinear Convex Decreasing Weights Golden Eagle Optimizer Technique Based on a Global Optimization Strategy. Appl. Sci. 2023, 13, 9394. [Google Scholar] [CrossRef]
- Hu, Y.; Li, J.; Huang, Y.; Gao, X. Channel-Wise and Spatial Feature Modulation Network for Single Image Super-Resolution. IEEE Trans. Circuits Syst. Video Technol. 2020, 30, 3911–3927. [Google Scholar] [CrossRef]
- Sun, H.; Li, B.; Dan, Z.; Hu, W.; Du, B.; Yang, W.; Wan, J. Multi-level Feature Interaction and Efficient Non-Local Information Enhanced Channel Attention for image dehazing. Neural Netw. 2023, 163, 10–27. [Google Scholar] [CrossRef] [PubMed]
- Guo, L.; Ding, S.; Wang, L.; Dang, J. DSTCNet: Deep Spectro-Temporal-Channel Attention Network for Speech Emotion Recognition. IEEE Trans. Neural Netw. Learn. Syst. 2023, 1–10. [Google Scholar] [CrossRef]
- Sayed, G.I.; Darwish, A.; Hassanien, A.E. A New Chaotic Whale Optimization Algorithm for Features Selection. J. Classif. 2018, 35, 300–344. [Google Scholar] [CrossRef]
- Liu, B.; Wang, L.; Jin, Y.H.; Tang, F.; Huang, D.X. Improved particle swarm optimization combined with chaos. Chaos Solitons Fractals 2005, 25, 1261–1271. [Google Scholar] [CrossRef]
- Ding, H.; Wu, Z.; Zhao, L. Whale optimization algorithm based on nonlinear convergence factor and chaotic inertial weight. Concurr. Comput. Pract. Exp. 2020, 32, e5949. [Google Scholar] [CrossRef]
- Braik, M.S. Chameleon Swarm Algorithm: A Bio-inspired Optimizer for Solving Engineering Design Problems. Expert Syst. Appl. 2021, 174, 114685. [Google Scholar] [CrossRef]
- Zhou, R.; Zhang, Y.; He, K. A novel hybrid binary whale optimization algorithm with chameleon hunting mechanism for wrapper feature selection in QSAR classification model: A drug-induced liver injury case study. Expert Syst. Appl. 2023, 234, 121015. [Google Scholar] [CrossRef]
- He, W.; Yuan, Z.; Yin, B.; Wu, W.; Min, Z. Robust Locally Linear Embedding and its Application in Analogue Circuit Fault Diagnosis. Meas. Sci. Technol. 2023, 34, 105005. [Google Scholar] [CrossRef]
- Zhu, Y.; Li, G.; Tang, S.; Wang, R.; Su, H.; Wang, C. Acoustic signal-based fault detection of hydraulic piston pump using a particle swarm optimization enhancement CNN. Appl. Acoust. 2022, 192, 108718. [Google Scholar] [CrossRef]
- Chen, J.; Xu, Q.; Xue, X.; Guo, Y.; Chen, R. Quantum-behaved particle swarm optimization of convolutional neural network for fault diagnosis. J. Exp. Theor. Artif. Intell. 2022, 1–17. [Google Scholar] [CrossRef]
- Yang, P.; Wang, T.; Yang, H.; Meng, C.; Zhang, H.; Cheng, L. The Performance of Electronic Current Transformer Fault Diagnosis Model: Using an Improved Whale Optimization Algorithm and RBF Neural Network. Electronics 2023, 12, 1066. [Google Scholar] [CrossRef]
- Ren, H.; Guo, C.; Yang, R.; Wang, S. Fault diagnosis of electric rudder based on self-organizing differential hybrid biogeography algorithm optimized neural network. Measurement 2023, 208, 112355. [Google Scholar] [CrossRef]
- Wei, Q.; Tian, X.; Cui, L.; Zheng, F.; Liu, L. WSAFormer-DFFN: A model for rotating machinery fault diagnosis using 1D window-based multi-head self-attention and deep feature fusion network. Eng. Appl. Artif. Intell. 2023, 124, 106633. [Google Scholar] [CrossRef]














| Fault Name | Incipient Fault Class | Nominal Value | Fault Value |
|---|---|---|---|
| F0 | NF | / | / |
| F1 | C1 | 5 nF | 3 nF |
| F2 | C2 | 5 nF | 3 nF |
| F3 | R1 | 6.2 kΩ | 7.44 kΩ |
| F4 | R2 | 6.2 kΩ | 7.44 kΩ |
| F5 | R3 | 6.2 kΩ | 7.44 kΩ |
| F6 | R4 | 1.6 kΩ | 1.92 kΩ |
| Filters in the First Convolutional Layer | Filters in the Second Convolutional Layer | Kernel Size | Learning Rate | Dropout Rate | |
|---|---|---|---|---|---|
| ATFCNN | 64 | 128 | 5 | 0.01 | 0.4 |
| GEO-ATFCNN | 61 | 112 | 3 | 0.007011 | 0.0739 |
| ECWGEO-ATFCNN | 40 | 137 | 2 | 0.008407 | 0.3313 |
| Algorithm | ECWGEO | GEO | PSO | QPSO | WOA |
|---|---|---|---|---|---|
| Best | 0.12925 | 0.20311 | 0.17731 | 0.21147 | 0.20938 |
| Mean | 0.13051 | 0.22158 | 0.22573 | 0.24894 | 0.22715 |
| Worst | 0.13177 | 0.24004 | 0.24400 | 0.31562 | 0.24389 |
| Algorithm | ATFCNN | CNN | BPNN | RNN |
|---|---|---|---|---|
| Best | 98.93% | 88.21% | 90.71% | 88.57% |
| Mean | 98.45% | 87.38% | 87.98% | 87.02% |
| Worst | 97.86% | 86.79% | 85.36% | 86.07% |
Disclaimer/Publisher’s Note: The statements, opinions and data contained in all publications are solely those of the individual author(s) and contributor(s) and not of MDPI and/or the editor(s). MDPI and/or the editor(s) disclaim responsibility for any injury to people or property resulting from any ideas, methods, instructions or products referred to in the content. |
© 2024 by the authors. Licensee MDPI, Basel, Switzerland. This article is an open access article distributed under the terms and conditions of the Creative Commons Attribution (CC BY) license (https://creativecommons.org/licenses/by/4.0/).
Share and Cite
Gao, J.; Guo, J.; Yuan, F.; Yi, T.; Zhang, F.; Shi, Y.; Li, Z.; Ke, Y.; Meng, Y. An Exploration into the Fault Diagnosis of Analog Circuits Using Enhanced Golden Eagle Optimized 1D-Convolutional Neural Network (CNN) with a Time-Frequency Domain Input and Attention Mechanism. Sensors 2024, 24, 390. https://doi.org/10.3390/s24020390
Gao J, Guo J, Yuan F, Yi T, Zhang F, Shi Y, Li Z, Ke Y, Meng Y. An Exploration into the Fault Diagnosis of Analog Circuits Using Enhanced Golden Eagle Optimized 1D-Convolutional Neural Network (CNN) with a Time-Frequency Domain Input and Attention Mechanism. Sensors. 2024; 24(2):390. https://doi.org/10.3390/s24020390
Chicago/Turabian StyleGao, Jiyuan, Jiang Guo, Fang Yuan, Tongqiang Yi, Fangqing Zhang, Yongjie Shi, Zhaoyang Li, Yiming Ke, and Yang Meng. 2024. "An Exploration into the Fault Diagnosis of Analog Circuits Using Enhanced Golden Eagle Optimized 1D-Convolutional Neural Network (CNN) with a Time-Frequency Domain Input and Attention Mechanism" Sensors 24, no. 2: 390. https://doi.org/10.3390/s24020390
APA StyleGao, J., Guo, J., Yuan, F., Yi, T., Zhang, F., Shi, Y., Li, Z., Ke, Y., & Meng, Y. (2024). An Exploration into the Fault Diagnosis of Analog Circuits Using Enhanced Golden Eagle Optimized 1D-Convolutional Neural Network (CNN) with a Time-Frequency Domain Input and Attention Mechanism. Sensors, 24(2), 390. https://doi.org/10.3390/s24020390

