A Novel Shunt Zigzag Double-Tap Low-Harmonic Multi-Pulse Rectifier Based on a Three-Stage Power Electronic Phase-Shifting Transformer
Abstract
1. Introduction
2. Proposed Topology
2.1. Three-Stage PEPT
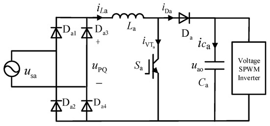
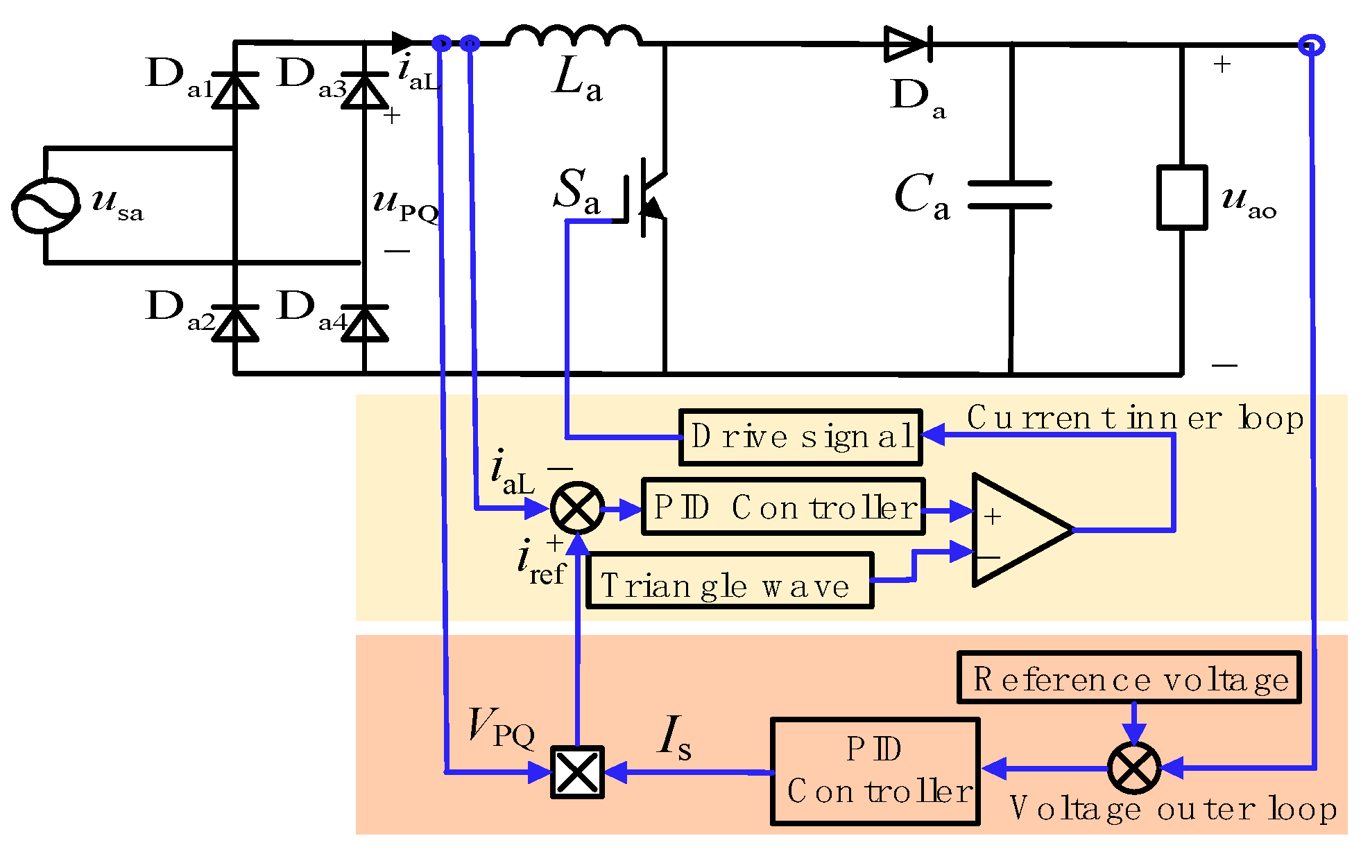
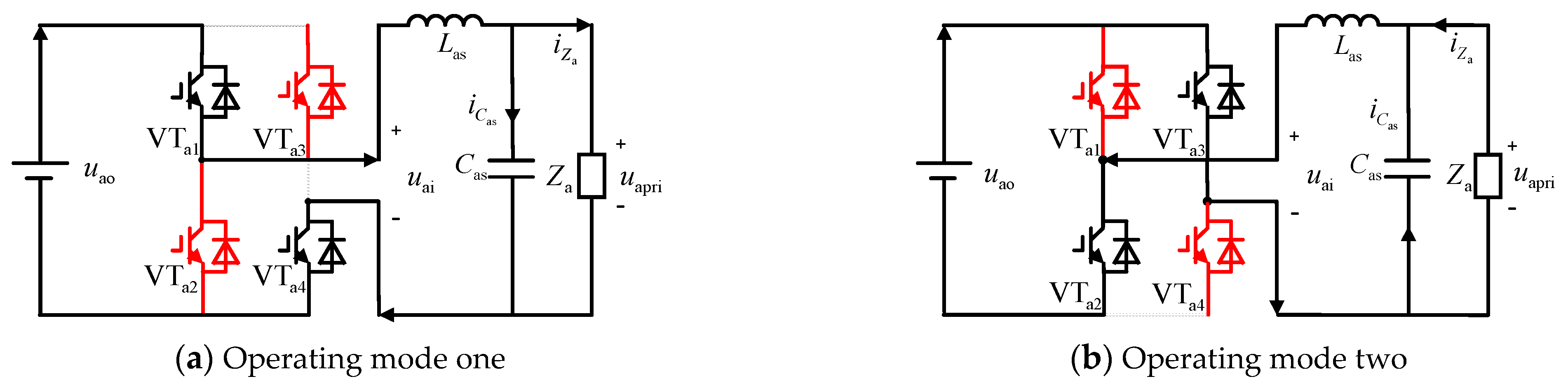
2.2. Specific Control Strategy
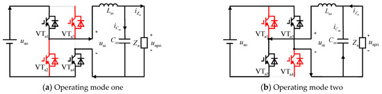
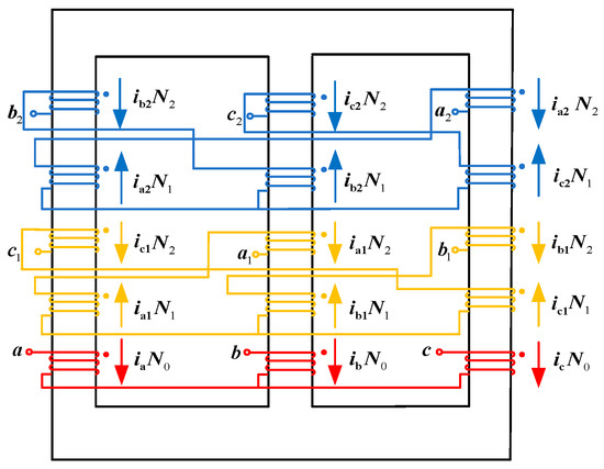
2.3. Shunt Zigzag Phase-Shifting Transformer
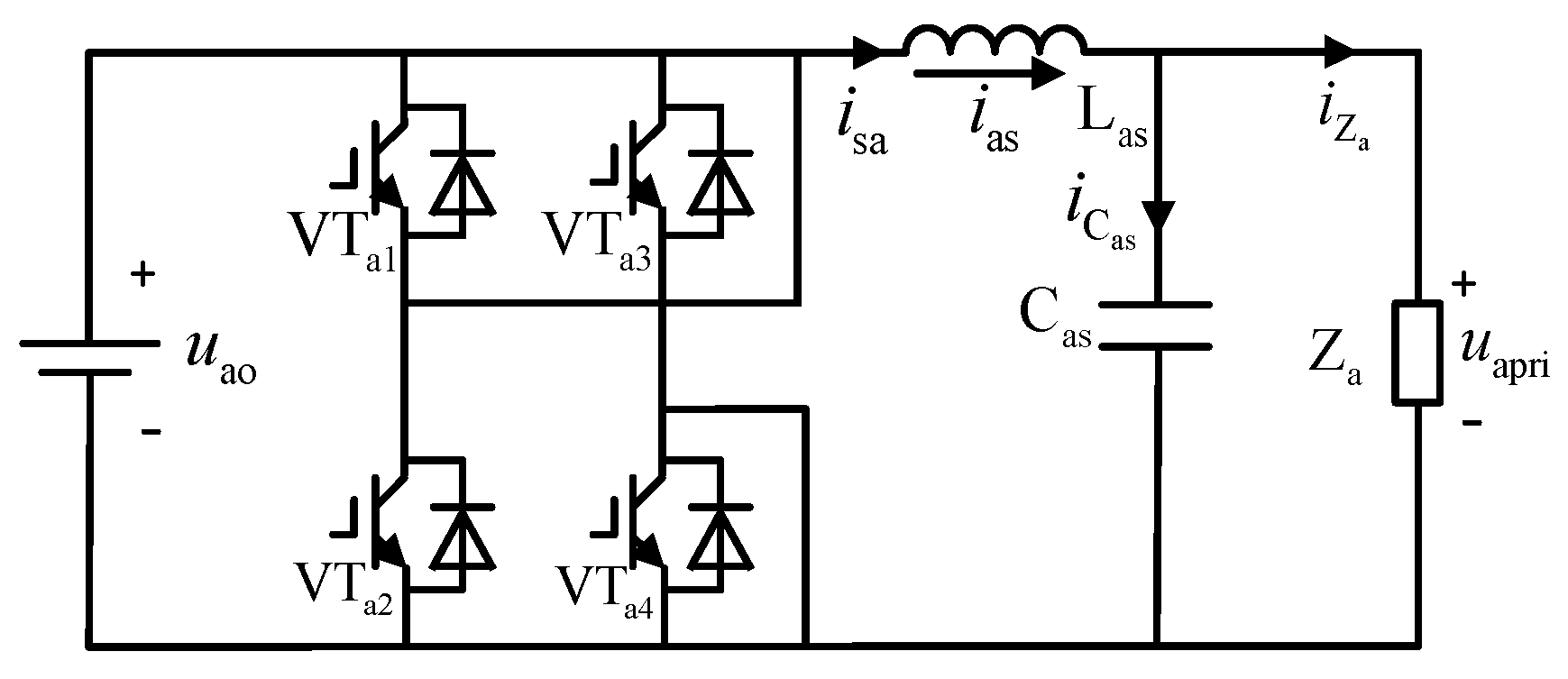
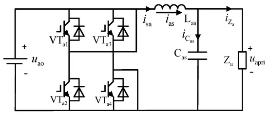
2.4. Dual-Tap Converter
3. Optimal Design of Turns Ratio for Dual-Tap Transformer
4. Test Validation and Analysis
5. Adaptability Analysis of Proposed MPR
6. Conclusions
- (1)
- Reducing the size of conventional industrial frequency phase-shifter transformers to be suitable for applications where the size of the transformer is strictly required;
- (2)
- Weakening the harmonic distortion rate of grid-side input current to meet harmonic standards;
- (3)
- Improving the function of power factor correction and ensuring the input voltage and current are kept in the same phase;
- (4)
- Investigating the proposed MPR load adaptability to determine the harmonic distortion extent so that it is very suitable for high-power applications.
Author Contributions
Funding
Institutional Review Board Statement
Informed Consent Statement
Data Availability Statement
Acknowledgments
Conflicts of Interest
References
- Saeed, M.H.; Fangzong, W.; Kalwar, B.A.; Iqbal, S. A Review on Microgrids’ Challenges & Perspectives. IEEE Access 2021, 9, 166502–166517. [Google Scholar]
- Kook, S.; Kim, K.; Ryu, J.; Lee, Y.; Won, D. Lightweight Hash-Based Authentication Protocol for Smart Grids. Sensors 2024, 24, 3085. [Google Scholar] [CrossRef] [PubMed]
- Hou, B.; Qi, J.; Li, H. Discrete-Time Adaptive Control for Three-Phase PWM Rectifier. Sensors 2024, 24, 3010. [Google Scholar] [CrossRef]
- Alduraibi, A.; Yaghoobi, J.; Solatialkaran, D. Harmonic mitigation technique using active three-phase converters utilised in commercial or industrial distribution networks. IET Power Electron. 2020, 13, 2794–2803. [Google Scholar] [CrossRef]
- Chen, X.; Bai, T.; Wang, Y.; Gong, J.; Mu, X.; Chang, Z. A Novel Series 24-Pulse Rectifier Operating in Low Harmonic State Based on Auxiliary Passive Injection at DC Side. Electronics 2024, 13, 1160. [Google Scholar] [CrossRef]
- Chen, J.; Gong, C.; Chen, J. Research on multi-pulse rectification technique in wind power application. Trans. China Electrotech. Soc. 2012, 27, 131–137. [Google Scholar]
- Wang, J.; Yao, X.; Feng, S. A double inverse star 12-pulse rectifier based on full-wave balanced reactor. Power Autom. Equip. 2020, 40, 96–103. [Google Scholar]
- Wang, Y.; Wang, Y.; Chen, X. A series-type 36-pulse rectifier for HVDC with dual passive harmonic injection. Power Syst. Prot. Control 2022, 50, 165–176. [Google Scholar]
- Chen, X.; Liu, X.; Wang, Y. A shunt-type 24-pulse rectifier using low-loss passive pulse-wave multiplier circuits on the DC side. Power Syst. Prot. Control 2023, 51, 33–46. [Google Scholar]
- Chen, T.; Chen, X.; Wang, Y. Study of a new boost 18-pulse wave autotransformer rectifier. Power Grid Technol. 2021, 45, 1527–1535. [Google Scholar]
- Dong, W.; Xin, G.; Gao, F. Modeling simulation and harmonic mechanism analysis of AT based on numerical oscillation elimination. J. Railw. Sci. Eng. 2019, 16, 2324–2330. [Google Scholar]
- Mcmurray, W. Power Converter Circuits Having a High Frequency Link. U.S. Patent No. 3517300, 23 June 1970. [Google Scholar]
- Usman, N.; Alessandro, C.; Patrick, W. A new AC/AC power converter. In Proceedings of the 2017 IEEE Southern Power Electronics Conference (SPEC), Puerto Varas, Chile, 4–7 December 2017; pp. 1–6. [Google Scholar]
- Zhu, Q.; Wang, L.; Chen, D. Design and implementation of a 7.2 kV single stage AC-AC solid state transformer based on current source series resonant converter and 15kV SiC MOSFET. In Proceedings of the 2017 IEEE Energy Conversion Congress and Exposition (ECCE), Cincinnati, OH, USA; 2017; pp. 1288–1295. [Google Scholar]
- Krishnamoorthy, H.; Enjeti, P.; Garg, P. Simplified medium/high frequency transformer isolation approach for multi-pulse diode rectifier front-end adjustable speed drives. In Proceedings of the Annual IEEE Applied Power Electronics Conference and Exposition (APEC), Charlotte, NC, USA; 2015; pp. 527–534. [Google Scholar]
- Meng, F.; Man, Z.; Gao, L. 12-pulse rectification technology based on power electronic phase shift transformers. J. Electr. Eng. Technol. 2019, 34, 3865–3872. [Google Scholar]
- Meng, F.; Jiang, T.; Guo, Y. Connection in series 12-pulse rectifier based on power electronic transformer. J. Electr. Mach. Control 2021, 25, 52–59. [Google Scholar]
- Du, Q.; Gao, L.; Li, Q. Harmonic reduction methods at DC side of parallel-connected multipulse rectifiers: A review. IEEE Trans. Power Electron. 2021, 36, 2768–2782. [Google Scholar] [CrossRef]
- Kalpana, S.; Chethana, K.; Singh, B. A 36-pulse ac–dc converter with dc-side tapped interphase bridge rectifier for power quality improvement. IEEE Trans. Ind. Appl. 2021, 57, 549–558. [Google Scholar]
- Lian, Y.; Yang, S.; Ben, H. A 36-pulse diode rectifier with an unconventional interphase reactor. Energies 2019, 12, 820. [Google Scholar] [CrossRef]
- Wang, J.; Yao, X.; Bai, J. A simple 36-pulse diode rectifier with hybrid pulse multiplication inter-phase reactor at dc side. IEEE J. Emerg. Sel. Top. Power Electron. 2020, 8, 2989–3000. [Google Scholar]
- Chen, X.; Qiu, H. Zigzag connected autotransformer-based 24-pulse AC-DC converter. Int. J. Emerg. Electr. Power Syst. 2015, 16, 23–32. [Google Scholar]
- Li, Z.; Gao, F.; Zhao, C. Research review of power electronic transformer technologies. Proc. Chin. Soc. Electr. Eng. 2018, 38, 1274–1289. [Google Scholar]
- Cao, X.; Mao, C.; Lu, J. Application of power electronic transformers in improving dynamic characteristics of power systems. Power Autom. Equip. 2005, 25, 65–68. [Google Scholar]
- Liu, K.; Li, L. Analysis of favored design frequency of high-frequency transformer with different power capacities. In Proceedings of the IEEE 2014 International Conference on Power System Technology (POWERCON), Chengdu, China, 20–22 October 2014; pp. 2272–2278. [Google Scholar]
- IEEE Std. 519.1992; IEEE Guide for Recommended Control and Reactive Compensation of Static Power Converters. IEEE: New York, NY, USA, 1992.
- Meng, F.; Xu, X.; Gao, L. A multi-pulse rectifier using passive harmonic suppression method. J. Electrotechnol. 2017, 32, 77–86. [Google Scholar]
- Man, Z. Research on Parallel Type Multi-Pulse Wave Rectification Technology Based on Power Electronic Transformer. Master’s Thesis, Harbin Institute of Technology, Harbin, China, 2019. [Google Scholar]
- Guo, Y. Research on Double Inverse Star Rectifier Based on Power Electronic Transformer. Master’s Thesis, Harbin Institute of Technology, Harbin, China, 2020. [Google Scholar]


























| Circuit Parameters/Symbols | Numerical Value |
|---|---|
| The effective value of the input phase voltage/Um | 220 V |
| PFC converter inductor/La | 0.3 mH |
| PFC converter capacitor/Ca | 2000 μF |
| SPWM inverter inductor/Las | 1 mH |
| SPWM inverter capacitor/Cas | 10 μF |
| Grid-side voltage frequency/fv | 50 Hz |
| Phase-shifting transformer operating frequency/f | 400 Hz |
| Phase-shifting transformer turns ratio/N0:N1:N2 | |
| Load resistance/R | 20 Ω |
| Load filtering inductor/L | 15 mH |
| Topology | Input Current THD/% | Pulse Number |
|---|---|---|
| Two-stage PET [15] | 16% | 12 |
| Single passive MPR [27] | 7.52% | 24 |
| Two-stage PET double passive [28] | 4.65% | 24 |
| Two-stage PET single passive [28] | 7.44% | 24 |
| Double-star uncontrolled PET [29] | 31% | 6 |
| Three-stage PEPT in this paper | 2.49% | 24 |
| Load/Ω | ia’s THD/% | Ud/V |
|---|---|---|
| 20 | 2.49 | 513.3 |
| 40 | 2.46 | 513.8 |
| 60 | 2.54 | 514 |
| 80 | 2.60 | 514.1 |
| 100 | 2.64 | 514.4 |
| Load Types | ia’s THD/% | Ud/V |
|---|---|---|
| RL | 2.48 | 513.1 |
| RC | 2.91 | 515 |
| RLC | 2.93 | 514.8 |
Disclaimer/Publisher’s Note: The statements, opinions and data contained in all publications are solely those of the individual author(s) and contributor(s) and not of MDPI and/or the editor(s). MDPI and/or the editor(s) disclaim responsibility for any injury to people or property resulting from any ideas, methods, instructions or products referred to in the content. |
© 2024 by the authors. Licensee MDPI, Basel, Switzerland. This article is an open access article distributed under the terms and conditions of the Creative Commons Attribution (CC BY) license (https://creativecommons.org/licenses/by/4.0/).
Share and Cite
Mu, X.; Chen, X.; Liu, Q.; Wang, Y.; Bai, T.; Ge, L.; Ma, X. A Novel Shunt Zigzag Double-Tap Low-Harmonic Multi-Pulse Rectifier Based on a Three-Stage Power Electronic Phase-Shifting Transformer. Sensors 2024, 24, 5564. https://doi.org/10.3390/s24175564
Mu X, Chen X, Liu Q, Wang Y, Bai T, Ge L, Ma X. A Novel Shunt Zigzag Double-Tap Low-Harmonic Multi-Pulse Rectifier Based on a Three-Stage Power Electronic Phase-Shifting Transformer. Sensors. 2024; 24(17):5564. https://doi.org/10.3390/s24175564
Chicago/Turabian StyleMu, Xiuqing, Xiaoqiang Chen, Qianxiao Liu, Ying Wang, Tun Bai, Leijiao Ge, and Xiping Ma. 2024. "A Novel Shunt Zigzag Double-Tap Low-Harmonic Multi-Pulse Rectifier Based on a Three-Stage Power Electronic Phase-Shifting Transformer" Sensors 24, no. 17: 5564. https://doi.org/10.3390/s24175564
APA StyleMu, X., Chen, X., Liu, Q., Wang, Y., Bai, T., Ge, L., & Ma, X. (2024). A Novel Shunt Zigzag Double-Tap Low-Harmonic Multi-Pulse Rectifier Based on a Three-Stage Power Electronic Phase-Shifting Transformer. Sensors, 24(17), 5564. https://doi.org/10.3390/s24175564
