Low-Resource Time-to-Digital Converters for Field Programmable Gate Arrays: A Review
Abstract
1. Introduction
2. TDC Main Parameters
- Resolution refers to the smallest detectable time interval or the smallest distinguishable step-in-time measurement that the TDC can achieve. The smallest resolvable time interval is represented by the Least Significant Bit (LSB), which establishes the resolution of the TDC.
- Dead-time refers to the minimum time interval required between two consecutive events or pulses for accurate detection and measurement. It is the period during which the TDC is temporarily unable to respond to incoming signals due to internal processing, resetting, or recovery time. Dead-time is an inherent characteristic of TDCs and is primarily caused by the time required for data acquisition, signal conditioning, digitization, and internal circuitry operations.
- Precision refers to the repeatability and consistency of time measurements performed by the TDC. It is directly affected by the non-linearities of the TDC.
- Differential non-linearities (DNLs) can be defined as the deviation of a single quantization step from the ideal LSB. They quantify the step size variation between consecutive output codes. DNL is typically expressed as the difference between the measured step size and the ideal step size (in LSB). The DNL is evaluated by comparing the number of pulses per LSB bin () with the mean value ():
- Integral non-linearities (INLs) describe the greatest deviation in the transfer function of a TDC from the ideal linear relationship. The INL value provides information about the linearity and precision of the TDC’s measurements. It can be determined by performing the following calculation [18]:where represents the input pulse width, denotes the average of the pulse width measurements, and indicates the bin size.
- Range refers to the time intervals that the TDC is capable of accurately measuring. It represents the minimum and maximum values that the TDC can handle within its specified operating conditions.
- Clock Frequency refers to the frequency at which the TDC’s internal clock operates, influencing the resolution and measurement capabilities.
- Calibration parameters: some TDCs, in order to compensate for non-linearities and enhance accuracy, require a calibration process. Usually, the calibration system increases the use of resources.
- Resource occupancy concerns the utilization of FPGA resources, such as lookup tables (LUTs), flip-flops (FFs), memory blocks, interconnects, or other FPGA hardware, such as SerDes or IOs delays, to implement the TDC functionality. The present review is dedicated to TDCs which are implemented with low resource use.
3. The Basics: The Counter and the Interpolator
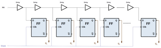
4. Tapped Delay Line TDCs
Expanding Precision and Resolution beyond the Delay Cell
5. Vernier Ring Oscillator TDCs
6. Noise-Shaping TDCs
7. Gray Code Oscillator TDCs
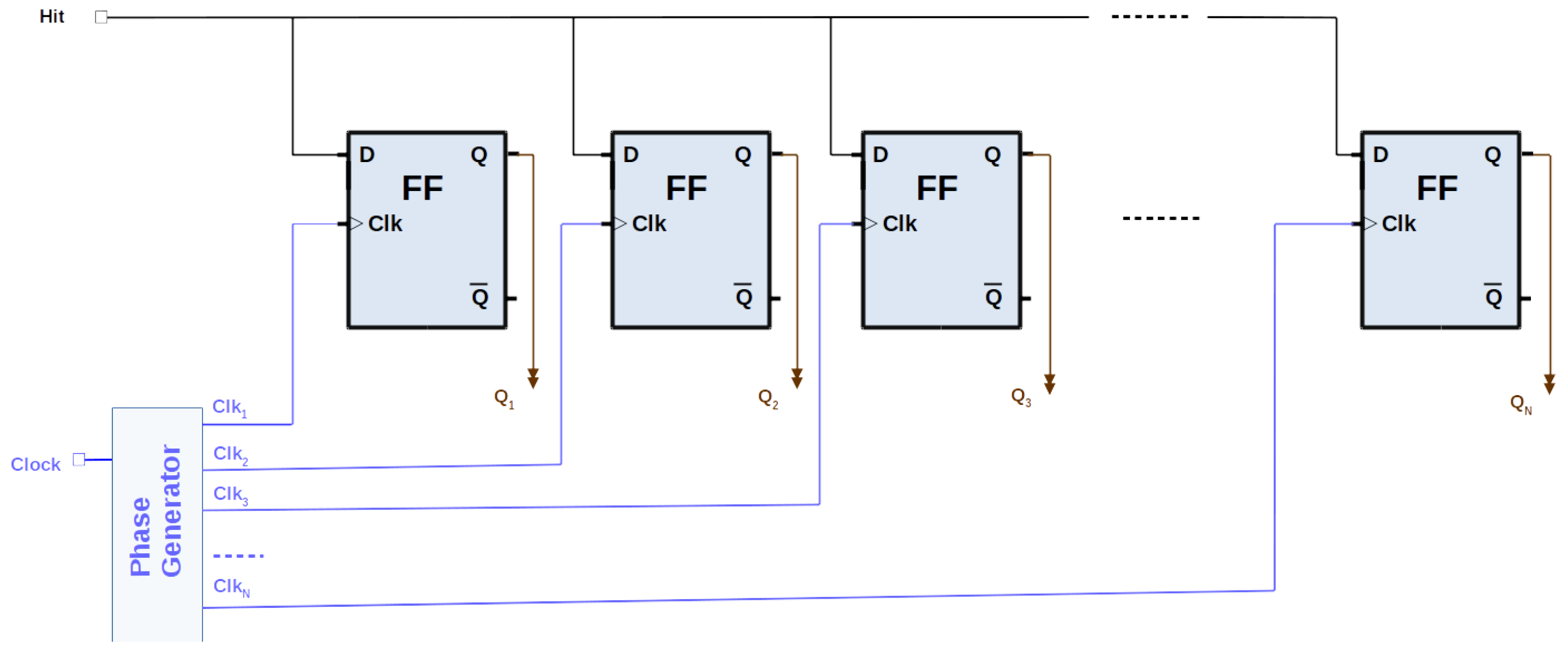
8. Multi-Phase Shift Clock TDCs
8.1. SerDes TDC
8.1.1. One-SerDes TDCs
8.1.2. Two-SerDes TDCs
8.1.3. Four-SerDes TDCs
9. Two-Stage Interpolation TDCs
10. Discussion
11. Conclusions
Author Contributions
Funding
Institutional Review Board Statement
Informed Consent Statement
Data Availability Statement
Conflicts of Interest
References
- Roberts, G.W.; Ali-Bakhshian, M. A Brief Introduction to Time-to-Digital and Digital-to-Time Converters. IEEE Trans. Circuits Syst. II Express Briefs 2010, 57, 153–157. [Google Scholar] [CrossRef]
- Qiu, L.; Zheng, Y.; Siek, L. Multichannel Time Skew Calibration for Time-Interleaved ADCs Using Clock Signal. Circuits Syst. Signal Process. 2015, 35, 2669–2682. [Google Scholar] [CrossRef]
- Guimarães, L.A. Testing Techniques for Detection of Hardware Trojans in Integrated Circuits of Trusted Systems. Ph.D. Thesis, Micro and Nanotechnologies/Microelectronics, Université Grenoble Alpes, Grenoble, France, 2018. [Google Scholar]
- Aguilar, A.; García-Olcina, R.; Martinez, P.A.; Martos, J.; Soret, J.; Benlloch, J.M.; Gonzalez, A.J.; Sanchez, F. Time of flight measurements based on FPGA using a breast dedicated PET. J. Instrum. 2014, 9, C05012. [Google Scholar] [CrossRef]
- Moses, W. Time of flight in PET revisited. IEEE Trans. Nucl. Sci. 2003, 50, 1325–1330. [Google Scholar] [CrossRef]
- Imrek, J.; Hegyesi, G.; Kalinka, G.; Molnar, J.; Nagy, F.; Valastyan, I.; Szabo, Z. FPGA based TDC using Virtex-4 ISERDES blocks. In Proceedings of the IEEE Nuclear Science Symposium and Medical Imaging Conference, Knoxville, TN, USA, 30 October–6 November 2010; pp. 1413–1415. [Google Scholar] [CrossRef]
- Arpin, L.; Bergeron, M.; Tetrault, M.A.; Lecomte, R.; Fontaine, R. A Sub-Nanosecond Time Interval Detection System Using FPGA Embedded I/O Resources. IEEE Trans. Nucl. Sci. 2010, 57, 519–524. [Google Scholar] [CrossRef]
- Song, B.; Zheng, W. The Research of Precision Timing Measurement in Application of TDC GP2 in Laser Ranging. In Proceedings of the International Symposium on Photoelectronic Detection and Imaging 2013: Laser Sensing and Imaging and Applications, Beijing, China, 25–27 June 2013; Volume 8905, p. 890523. [Google Scholar] [CrossRef]
- Tyndall, D.; Rae, B.R.; Li, D.D.U.; Arlt, J.; Johnston, A.; Richardson, J.A.; Henderson, R.K. A High-Throughput Time-Resolved Mini-Silicon Photomultiplier with Embedded Fluorescence Lifetime Estimation in 0.13 um CMOS. IEEE Trans. Biomed. Circuits Syst. 2012, 6, 562–570. [Google Scholar] [CrossRef]
- Zwirello, L.; Schipper, T.; Jalilvand, M.; Zwick, T. Realization Limits of Impulse-Based Localization System for Large-Scale Indoor Applications. IEEE Trans. Instrum. Meas. 2015, 64, 39–51. [Google Scholar] [CrossRef]
- De Angelis, A.; Dwivedi, S.; Händel, P. Characterization of a Flexible UWB Sensor for Indoor Localization. IEEE Trans. Instrum. Meas. 2013, 62, 905–913. [Google Scholar] [CrossRef]
- Araújo, S.; Machado, R.; Cabral, J. Double-sampling Gray TDC with a ROS Interface for a LiDAR System. In Proceedings of the 2021 7th International Conference on Event-Based Control, Communication, and Signal Processing (EBCCSP), Krakow, Poland, 22–25 June 2021; pp. 1–8. [Google Scholar] [CrossRef]
- Arai, Y. TDC Architecture Study for the ATLAS Muon Tracker. In Proceedings of the Electronics for LHC Experiments, Proceedings, 3rd Workshop, London, UK, 22–26 September 1997. [Google Scholar]
- Carrió, F. Upgrading the ATLAS Tile Calorimeter Electronics. EPJ Web Conf. 2013, 60, 20057. [Google Scholar] [CrossRef]
- Bifulco, P.; Izzo, V.; Mastroianni, S.; Aloisio, A.; Giordano, R.; Ameli, F.; Bocci, V.; Cadeddu, S.; Casu, L.; Lai, A.; et al. A fully-digital and fully-synthetizable TDC for high energy physics experiments. In Proceedings of the Second International Conference on Event-based Control, Communication, and Signal Processing (EBCCSP), Krakow, Poland, 13–15 June 2016; pp. 1–4. [Google Scholar] [CrossRef]
- Balla, A.; Beretta, M.; Ciambrone, P.; Gatta, M.; Gonnella, F.; Iafolla, L.; Mascolo, M.; Messi, R.; Moricciani, D.; Riondino, D. The characterization and application of a low resource FPGA-based time to digital converter. Nucl. Instruments Methods Phys. Res. Sect. A Accel. Spectrometers Detect. Assoc. Equip. 2014, 739, 75–82. [Google Scholar]
- Hazen, E.S.; Alexander, C.M.; Anderson, E.W.; Aoki, T.; Berns, H.G.; Berson, U.; Bosetti, P.C.; Bolesta, P.E.; Boynton, P.E. The DUMAND-II digitizer. In Proceedings of the 23rd International Cosmic Ray Conference Proceedings, Calgary, AB, Canada, 19–30 July 1993. [Google Scholar]
- Aiello, S.; Albert, A.; Alves Garre, S.; Aly, Z.; Ameli, F.; Andre, M.; Androulakis, G.; Anghinolfi, M.; Anguita, M.; Anton, G. Architecture and performance of the KM3NeT front-end firmware. J. Astron. Telesc. Instrum. Syst. 2021, 7, 016001. [Google Scholar] [CrossRef]
- Aiello, S.; Ameli, F.; Margiotta, A.; Andre, M.; Androulakis, G.; Anghinolfi, M.; Marinelli, A.; Anton, G.; Ardid, M.; Markou, C. KM3NeT front-end and readout electronics system: Hardware, firmware and software. J. Astron. Telesc. Instrum. Syst. 2019, 5, 046001. [Google Scholar] [CrossRef]
- Portaluppi, D.; Pasquinelli, K.; Cusini, I.; Zappa, F. Multi-Channel FPGA Time-to-Digital Converter with 10 ps Bin and 40 ps FWHM. IEEE Trans. Instrum. Meas. 2022, 71, 1–9. [Google Scholar] [CrossRef]
- Yuan, Q.; Zhang, B.; Wu, J.; Zaghloul, M.E. A high resolution time-to-digital converter on FPGA for Time-Correlated Single Photon Counting. In Proceedings of the 2012 IEEE 55th International Midwest Symposium on Circuits and Systems (MWSCAS), Boise, ID, USA, 5–8 August 2012; pp. 900–903. [Google Scholar] [CrossRef]
- Wu, J.; Xu, J. A Novel TDC Scheme: Combinatorial Gray Code Oscillator Based TDC for Low Power and Low Resource Usage Applications. In Proceedings of the 2019 5th International Conference on Event-Based Control, Communication, and Signal Processing (EBCCSP), Vienna, Austria, 27–29 May 2019; pp. 1–7. [Google Scholar] [CrossRef]
- Tontini, A.; Gasparini, L.; Pancheri, L.; Passerone, R. Design and Characterization of a Low-Cost FPGA-Based TDC. IEEE Trans. Nucl. Sci. 2018, 65, 680–690. [Google Scholar] [CrossRef]
- Caponio, F.; Abba, A.; Lusardi, N.; Geraci, A. A high-precision wave union TDC implementation in FPGA. In Proceedings of the 2013 IEEE Nuclear Science Symposium and Medical Imaging Conference (2013 NSS/MIC), Seoul, Republic of Korea, 27 October–2 November 2013; pp. 1–4. [Google Scholar]
- Favi, C.; Charbon, E. A 17ps time-to-digital converter implemented in 65nm FPGA technology. In Proceedings of the ACM/SIGDA International Symposium on Field Programmable Gate Arrays, Monterey, CA, USA, 23–25 February 2009; pp. 113–120. [Google Scholar]
- Lusardi, N.; Palmucci, A.; Geraci, A. Fully-migratable TDC architecture for FPGA devices. In Proceedings of the 2016 IEEE Nuclear Science Symposium, Medical Imaging Conference and Room-Temperature Semiconductor Detector Workshop (NSS/MIC/RTSD), Strasbourg, France, 29 October–6 November 2016; pp. 1–3. [Google Scholar]
- Lusardi, N.; Garzetti, F.; Cibin, M.; Sury, R.; Geraci, A. Hardware and software co-design of a system-on-chip for real-time bidirectional transfer and processing of data from a time-to-digital converter. In Proceedings of the 2017 IEEE Nuclear Science Symposium and Medical Imaging Conference (NSS/MIC), Atlanta, GA, USA, 21–28 October 2017; pp. 1–6. [Google Scholar]
- Abbas, M.; Khalil, K. A 23ps resolution Time-to-Digital converter implemented on low-cost FPGA platform. In Proceedings of the 2015 International Symposium on Signals, Circuits and Systems (ISSCS), Iasi, Romania, 9–10 July 2015; pp. 1–4. [Google Scholar] [CrossRef]
- Wang, H.; Zhang, M.; Yao, Q. A new realization of time-to-digital converters based on FPGA internal routing resources. IEEE Trans. Ultrason. Ferroelectr. Freq. Control 2013, 60, 1787–1795. [Google Scholar] [CrossRef]
- Pan, W.; Gong, G.; Li, J. A 20-ps Time-to-Digital Converter (TDC) Implemented in Field-Programmable Gate Array (FPGA) with Automatic Temperature Correction. IEEE Trans. Nucl. Sci. 2014, 61, 1468–1473. [Google Scholar] [CrossRef]
- Nutt, R. Digital time intervalometer. Rev. Sci. Instrum. 1968, 39, 1342–1345. [Google Scholar] [CrossRef]
- Liu, C.; Wang, Y. A 128-Channel, 710 M Samples/Second, and Less Than 10 ps RMS Resolution Time-to-Digital Converter Implemented in a Kintex-7 FPGA. IEEE Trans. Nucl. Sci. 2015, 62, 773–783. [Google Scholar] [CrossRef]
- Machado, R.; Cabral, J.; Alves, F.S. Recent Developments and Challenges in FPGA-Based Time-to-Digital Converters. IEEE Trans. Instrum. Meas. 2019, 68, 4205–4221. [Google Scholar] [CrossRef]
- Andaloussi, M.; Boukadoum, M.; Aboulhamid, E. A novel time-to-digital converter with 150 ps time resolution and 2.5 ns pulse-pair resolution. In Proceedings of the 14th International Conference on Microelectronics, Beirut, Lebanon, 11–13 December 2002; pp. 123–126. [Google Scholar] [CrossRef]
- Chen, Y.C.; Chang, H.C.; Chen, H. Two-Dimensional Multiply-Accumulator for Classification of Neural Signals. IEEE Access 2018, 6, 19714–19725. [Google Scholar] [CrossRef]
- Weber, A.A. Development of Readout Electronics for the RICH Detector in the HADES and CBM Experiments—HADES RICH Upgrade, mRICH Detector Construction and Analysis. Ph.D. Thesis, Universitätsbibliothek Giessen, Giessen, Germany, 2021. [Google Scholar] [CrossRef]
- Kwiatkowski, P. Employing FPGA DSP blocks for time-to-digital conversion. Metrol. Meas. Syst. 2019, 26, 631–643. [Google Scholar] [CrossRef]
- Adamič, M.; Trost, A. A Fast High-Resolution Time-to-Digital Converter Implemented in a Zynq 7010 SoC. In Proceedings of the 2019 Austrochip Workshop on Microelectronics (Austrochip), Vienna, Austria, 24 October 2019; pp. 29–34. [Google Scholar] [CrossRef]
- Choi, K.J.; Jee, D.W. Design and Calibration Techniques for a Multichannel FPGA-Based Time-to-Digital Converter in an Object Positioning System. IEEE Trans. Instrum. Meas. 2021, 70, 1–9. [Google Scholar] [CrossRef]
- Wang, Y.; Xie, W.; Chen, H.; Li, D.D.U. Multichannel Time-to-Digital Converters With Automatic Calibration in Xilinx Zynq-7000 FPGA Devices. IEEE Trans. Ind. Electron. 2022, 69, 9634–9643. [Google Scholar] [CrossRef]
- Chaberski, D.; Frankowski, R.; Gurski, M.; Zieliński, M. Comparison of Interpolators Used for Time-Interval Measurement Systems Based on Multiple-Tapped Delay Line. Metrol. Meas. Syst. 2017, 24, 401–412. [Google Scholar] [CrossRef]
- Chaberski, D. Time-to-digital-converter based on multiple-tapped-delay-line. Measurement 2016, 89, 87–96. [Google Scholar] [CrossRef]
- Lusardi, N.; Garzetti, F.; Geraci, A. The role of sub-interpolation for Delay-Line Time-to-Digital Converters in FPGA devices. Nucl. Instrum. Meth. A 2019, 916, 204–214. [Google Scholar] [CrossRef]
- Wu, J.; Shi, Z. The 10-ps wave union TDC: Improving FPGA TDC resolution beyond its cell delay. In Proceedings of the 2008 IEEE Nuclear Science Symposium Conference Record, Dresden, Germany, 19–25 October 2008; pp. 3440–3446. [Google Scholar] [CrossRef]
- Wang, Y.; Liu, C. A 3.9 ps Time-Interval RMS Precision Time-to-Digital Converter Using a Dual-Sampling Method in an UltraScale FPGA. IEEE Trans. Nucl. Sci. 2016, 63, 2617–2621. [Google Scholar] [CrossRef]
- Kwiatkowski, P.; Sondej, D.; Szplet, R. Subpicosecond resolution time interval counter with multisampling wave union type B TDCs in 28 nm FPGA device. Measurement 2023, 209, 112510. [Google Scholar] [CrossRef]
- Wang, Y.; Xie, W.; Chen, H.; Day-Uei Li, D. High-resolution time-to-digital converters (TDCs) with a bidirectional encoder. Measurement 2023, 206, 112258. [Google Scholar] [CrossRef]
- Tancock, S.; Rarity, J.; Dahnoun, N. The Wave-Union Method on DSP Blocks: Improving FPGA-Based TDC Resolutions by 3x with a 1.5x Area Increase. IEEE Trans. Instrum. Meas. 2022, 71, 1–11. [Google Scholar] [CrossRef]
- Parsakordasiabi, M.; Vornicu, I.; Rodríguez-Vázquez, A.; Carmona-Galán, R. A Low-Resources TDC for Multi-Channel Direct ToF Readout Based on a 28-nm FPGA. Sensors 2021, 21, 308. [Google Scholar] [CrossRef] [PubMed]
- Parsakordasiabi, M.; Vornicu, I.; Rodríguez-Vázquez, A.; Carmona-Galán, R. An Efficient TDC Using a Dual-Mode Resource-Saving Method Evaluated in a 28-nm FPGA. IEEE Trans. Instrum. Meas. 2022, 71, 1–13. [Google Scholar] [CrossRef]
- Mao, X.; Yang, F.; Wei, F.; Shi, J.; Cai, J.; Cai, H. A Low Temperature Coefficient Time-to-Digital Converter with 1.3 ps Resolution Implemented in a 28 nm FPGA. Sensors 2022, 22, 2306. [Google Scholar] [CrossRef]
- Alshahry, S.M.; Alshehry, A.H.; Alhazmi, A.K.; Chodavarapu, V.P. A Size, Weight, Power, and Cost-Efficient 32-Channel Time to Digital Converter Using a Novel Wave Union Method. Sensors 2023, 23, 6621. [Google Scholar] [CrossRef]
- Yuan, F. CMOS Time-Mode Circuits and Systems: Fundamentals and Applications; CRC Press: Boca Raton, FL, USA, 2016. [Google Scholar]
- Amiri, A.M.; Boukadoum, M.; Khouas, A. A Multihit Time-to-Digital Converter Architecture on FPGA. IEEE Trans. Instrum. Meas. 2009, 58, 530–540. [Google Scholar] [CrossRef]
- Chan, A.; Roberts, G. A jitter characterization system using a component-invariant Vernier delay line. IEEE Trans. Very Large Scale Integr. (VLSI) Syst. 2004, 12, 79–95. [Google Scholar] [CrossRef]
- Cui, K.; Li, X.; Liu, Z.; Zhu, R. Toward Implementing Multichannels, Ring-Oscillator-Based, Vernier Time-to-Digital Converter in FPGAs: Key Design Points and Construction Method. IEEE Trans. Radiat. Plasma Med Sci. 2017, 1, 391–399. [Google Scholar] [CrossRef]
- Cui, K.; Li, X. A High-Linearity Vernier Time-to-Digital Converter on FPGAs with Improved Resolution Using Bidirectional-Operating Vernier Delay Lines. IEEE Trans. Instrum. Meas. 2020, 69, 5941–5949. [Google Scholar] [CrossRef]
- Uemori, S.; Ishii, M.; Kobayashi, H.; Hirabayashi, D.; Arakawa, Y.; Doi, Y.; Kobayashi, O.; Matsuura, T.; Niitsu, K.; Yano, Y.; et al. Multi-bit Sigma-Delta TDC Architecture with Improved Linearity. J. Electron. Test. 2013, 29, 879–892. [Google Scholar] [CrossRef]
- Khaki, A.M.Z.; Farshidi, E.; Asl, K.A.; Ali, S.H.M.; Othman, M. Design and Analysis of a Multirate 5-bit High-Order 52 fs(rms) Sigma-Delta Time-to-Digital Converter Implemented on 40 nm Altera Stratix IV FPGA. IEEE Access 2021, 9, 128117–128125. [Google Scholar] [CrossRef]
- Machado, R.; Alves, F.S.; Cabral, J. Gray-Code TDC with Improved Linearity and Scalability for LiDAR applications. In Proceedings of the 2020 6th International Conference on Event-Based Control, Communication, and Signal Processing (EBCCSP), Krakow, Poland, 23–25 September 2020; pp. 1–8. [Google Scholar] [CrossRef]
- Wang, Y.; Xie, W.; Chen, H.; Li, D.D. Low-Hardware Consumption, Resolution-Configurable Gray Code Oscillator Time-to-Digital Converters Implemented in 16 nm, 20 nm, and 28 nm FPGAs. IEEE Trans. Ind. Electron. 2023, 70, 4256–4266. [Google Scholar] [CrossRef]
- Fries, M.D.; Williams, J. High-precision TDC in an FPGA using a 192 MHz quadrature clock. In Proceedings of the 2002 IEEE Nuclear Science Symposium Conference Record, Norfolk, VA, USA, 10–16 November 2002; Volume 1, pp. 580–584. [Google Scholar]
- Yonggang, W.; Chong, L.; Wensong, Z. Two novel designs of multi-phase clocked ultra-high speed time counter on FPGA for TDC implementation. In Proceedings of the 2013 IEEE Nuclear Science Symposium and Medical Imaging Conference (2013 NSS/MIC), Seoul, Republic of Korea, 26 October–2 November 2013; pp. 1–4. [Google Scholar] [CrossRef]
- Büchele, M.; Fischer, H.; Herrmann, F.; Königsmann, K.; Schill, C.; Schopferer, S. The GANDALF 128-Channel Time-to-Digital Converter. Phys. Procedia 2012, 37, 1827–1834. [Google Scholar] [CrossRef]
- Suwada, T.; Miyahara, F.; Furukawa, K.; Shoji, M.; Ikeno, M.; Tanaka, M. Wide dynamic range FPGA-based TDC for monitoring a trigger timing distribution system in linear accelerators. Nucl. Instruments Methods Phys. Res. Sect. A Accel. Spectrometers Detect. Assoc. Equip. 2015, 786, 83–90. [Google Scholar] [CrossRef]
- Li, Z.; Li, Q.; Chang, J.; Ma, Y.; Liu, P.; Wang, Z.; Hu, M.; Zhao, J.; Alp, E.E.; Xu, W.; et al. Development of an integrated four-channel fast avalanche-photodiode detector system with nanosecond time resolution. Nucl. Instruments Methods Phys. Res. Sect. A Accel. Spectrometers Detect. Assoc. Equip. 2017, 870, 43–49. [Google Scholar] [CrossRef]
- Sano, Y.; Tomoto, M.; Horii, Y.; Sasaki, O.; Uchida, T.; Ikeno, M. Development of a sub-nanosecond time-to-digital converter based on a field-programmable gate array. J. Instrum. 2016, 11, C03053. [Google Scholar] [CrossRef][Green Version]
- Sano, Y.; Horii, Y.; Ikeno, M.; Kawaguchi, T.; Mizukoshi, K.; Sasaki, O.; Shukutani, K.; Tomoto, M.; Uchida, T. Performances of typical high energy physics applications in flash-based field-programmable gate array under gamma irradiation. J. Instrum. 2017, 12, C04002. [Google Scholar] [CrossRef][Green Version]
- Jia, Y.; Wang, C.; Shi, H.; Liu, X. Multi-channel high precision time digital converter system based on equivalent pulse counting. In Proceedings of the 2018 Chinese Control And Decision Conference (CCDC), Shenyang, China, 9–11 June 2018; pp. 5933–5938. [Google Scholar] [CrossRef]
- Bogdan, M.; DeMaat, R.; Klein, R.; Miao, T.; Wilson, P.; Phillips, T.J. A 96-channel FPGA-based Time-to-Digital Converter (TDC) and fast trigger processor module with multi-hit capability and pipeline. Nucl. Instruments Methods Phys. Res. Sect. A Accel. Spectrometers Detect. Assoc. Equip. 2005, 554, 444–457. [Google Scholar] [CrossRef]
- Kong, D.; Fu, Z.; Dang, H.; Liu, H.; Tang, X.; Wu, K. A Novel Design of FPGA-TDC Based on SerDes. In Proceedings of the 2023 IEEE Autotestcon, National Harbor, MD, USA, 28–31 August 2023; pp. 1–7. [Google Scholar] [CrossRef]
- Xiang, T.; Zhao, L.; Jin, X.; Wang, T.; Chu, S.; Ma, C.; Liu, S.; An, Q. A 56-ps multi-phase clock time-to-digital convertor based on Artix-7 FPGA. In Proceedings of the 2014 19th IEEE-NPSS Real Time Conference, Nara, Japan, 26–30 May 2014; pp. 1–4. [Google Scholar] [CrossRef]
- Bai, Y.; Gaisbauer, D.; Huber, S.; Konorov, I.; Levit, D.; Steffen, D.; Paul, S. Intelligent FPGA Data Acquisition Framework. IEEE Trans. Nucl. Sci. 2017, 64, 1219–1224. [Google Scholar] [CrossRef]
- Finogeev, D.; Guber, F.; Izvestnyy, A.; Karpushkin, A.; Makhnev, A.; Morozov, S.; Serebryakov, D. Development of a 100 ps TDC based on a Kintex 7 FPGA for the high granular neutron time-of-flight detector for the BM@N experiment. Nucl. Instruments Methods Phys. Res. Sect. A Accel. Spectrometers Detect. Assoc. Equip. 2024, 1059, 168952. [Google Scholar] [CrossRef]
- Dong, X.; Ma, C.; Zhao, X.; Li, X.; Huang, Z. A high resolution multi-phase clock Time-Digital Convertor implemented on Kintex-7 FPGA. J. Instrum. 2020, 15, T11005. [Google Scholar] [CrossRef]
- Real, D.; Calvo, D.; Manzaneda, M.; Díaz, A.; Gozzini, R.; Zornoza, J.D.; Ricolfe-Viala, C.; Lajara, R. Novel hybrid low-resource Field-Programmable-Gate-Array time-to-digital-converter architecture. Prepint-Techrxiv 2024. [Google Scholar] [CrossRef]
- Wang, Y.; Xie, W.; Chen, H.; Pei, C.; Day-Uei Li, D. A Two-Stage Interpolation Time-to-Digital Converter Implemented in 20 and 28 N·m FGPAs. IEEE Trans. Ind. Electron. 2024, 71, 15200–15210. [Google Scholar] [CrossRef]
- Lusardi, N.; Garzetti, F.; Costa, A.; Ronconi, E.; Gerac, A. From Multiphase to Novel Single-Phase Multichannel Shift-Clock Fast Counter Time-to-Digital Converter. IEEE Trans. Ind. Electron. 2023, 71, 9886–9894. [Google Scholar] [CrossRef]
- Szplet, R.; Kwiatkowski, P.; Tyburski, J. Precise Time Digitizer Based on Counting Method and Multiphase In-Period Interpolation. In Proceedings of the 2019 Joint Conference of the IEEE International Frequency Control Symposium and European Frequency and Time Forum (EFTF/IFC), Orlando, FL, USA, 14–18 April 2019; pp. 1–3. [Google Scholar] [CrossRef]





| Work | Res. (ps) | Pre. (ps) | DNL/INL(LSB) | LUTs | FFs | Primitive | BRAM (kB) | FPGA |
|---|---|---|---|---|---|---|---|---|
| NS | ||||||||
| Kha-21 [59] | 0.18 | NR | NR/NR | NR | 311 | 5 PLL | 2000 | Stratix-IV |
| TDL | ||||||||
| Choi-21 [39] | 4.88 | 8.03 | 0.51/0.51 | 2962 | 4157 | 0 | 0 | Artix-7 |
| Pars-21 [49] | 22.2 | 26.04 | 2.13/3.97 | 216 | 678 | 0 | 90 | Artix-7 |
| Pars-22 [50] | 22.1 | 22.35 | 1.18/2.75 | 216 | 678 | 0 | 90 | Artix-7 |
| Lusa-23 [78] | 156.25 | 93 | 0.23/0.26 | 295 | 446 | 0 | 0 | Artix-7 |
| Lusa-23 [78] | 312.5 | 93 | 0.26/0.2 | 238 | 431 | 0 | 0 | Artix-7 |
| Lusa-23 [78] | 625 | 255.5 | 0.045/0.045 | 212 | 336 | 0 | 0 | Artix-7 |
| VRO | ||||||||
| Cui-17 [56] | [23, 37] | [32, 39] | 0.8/1.7 | 104 | 319 | 0 | 0 | Virtex-6 |
| Cui-20 [57] | 24.5 | 28 | 0.45/0.85 | 172 | 986 | 0 | 0 | Virtex-6 |
| GCO | ||||||||
| Wu-19 [22] | 256 | 160 | 1.25/NR | NR | NR | 0 | NR | Kintex-7 |
| Mach-20 [60] | 380.9 | 290 | 0.76/0.71 | NR | NR | 0 | NR | Virtex-7 |
| Arau-21 [12] | 69 | 54.99 | 1.76/1.5 | NR | NR | 0 | NR | Ultrascale+ |
| Wang-23 [61] | 20.97 | 17.11 | 0.087/0.224 | 455 | 368 | 0 | 54 | Ultrascale+ |
| Wang-23 [61] | 36.01 | 27.37 | 0.102/0.262 | 453 | 367 | 0 | 54 | Ultrascale |
| Wang-23 [61] | 34.84 | 32.33 | 0.078/0.203 | 437 | 368 | 0 | 54 | Virtex-7 |
| Wang-23 [61] | 256.41 | N/R | 0.65/3.1 | 380 | 333 | 0 | 54 | Virtex-7 |
| MPSC | ||||||||
| Frie-02 [62] | 1400 | 750 | 0.4/NR | NR | NR | 0 | 0 | Virtex-5 |
| Buch-12 [64] | 160 | 64 | 0.4/NR | 125 | 198 | 0 | 0 | Virtex-5 |
| Wang-13 [63] | 138 | NR | 0.29/NR | NR | NR | 0 | 0 | Virtex-5 |
| Ball-14 [16] | 625 | 255 | 0.05/0.05 | 68 | 274 | 0 | 0 | Virtex-5 |
| Suwa-15 [65] | 1000 | 500 | 0.52/0.39 | NR | NR | 0 | 0 | Spartan-6 |
| Sano-16 [67] | 280 | NR | 0.28/0.3 | NR | NR | 0 | 0 | Kintex-7 |
| Sano-17 [68] | 780 | 350 | 0.53/2.8 | NR | NR | 0 | 0 | IGLOO-2 |
| Li-17 [66] | 1000 | 430 | NR/NR | NR | NR | 0 | 0 | Spartan-6 |
| Jia-18 [69] | 138 | 73.6 | NR/NR | NR | NR | 0 | 0 | Artix-7 |
| Szplet-19 [79] | 43 | 36 | 1.91/NR | NR | NR | 0 | 0 | Kintex-7 |
| MPSC SerDes | ||||||||
| Bogd-05 [70] | 1200 | 1200 | 0.17/NR | NR | NR | 1 SER | 0 | Stratix |
| Calv-21 [18] | 1000 | NR | 0.03/0.12 | NR | NR | 1 SER | 0 | Kintex-7 |
| Kong-23 [71] | 100 | 169 | NR/NR | NR | NR | 1 SER | 0 | Kintex-7 |
| Xian-14 [72] | 156 | 56 | 0.32/1 | 109 | 238 | 2 SER | 0 | Artix-7 |
| Bai-17 [73] | 803 | 229 | 0.05/NR | 30 | 42 | 2 SER 1 IOD | 0 | Artix-7 |
| Arpi-10 [7] | 321.5 | NR | 0.3/0.65 | NR | NR | 4 SER 4 IOD | 0 | Virtex-4 |
| Imre-10 [6] | 312 | NR | 0.6/NR | NR | NR | 4 SER 4 IOD | 0 | Virtex-4 |
| Fino-24 [74] | 100 | 42 | 0.35/NR | NR | NR | 4 SER 3 IOD | 0 | Artix-7 |
| Two-stage | ||||||||
| Dong-20 [75] | 78.13 | 35 | 0.8/0.94 | 199 | 347 | 1 SER 1 IOD | 0 | Kintex-7 |
| Wang-24 [77] | 10.05 | 19.81 | 2.85/13.61 | 293 | 385 | 0 | 0 | Virtex-7 |
| Wang-24 [77] | 4.57 | 22.88 | 4.36/18.26 | 440 | 570 | 0 | 0 | Ultrascale |
| Real-24 [76] | 415.84 | 186 | 0.2/0.15 | 102 | 115 | 1 IOD | 0 | Artix-7 |
| Type | Advantages | Drawbacks |
|---|---|---|
| TDL | High-resolution | Calibration |
| PVT | ||
| Resource consumption | ||
| TDL:IODELAY | Resource-efficient | Moderate resolution |
| PVT-compensated | Limited number | |
| Delay granularity | ||
| VRO | High-resolution | Resource consumption |
| slightly linear | ||
| high dead-time | ||
| GCO | Resource-efficient | Calibration |
| PVT | ||
| MPSC | Resource-efficient | Moderate resolution |
| Highly linear | ||
| MPSC:SerDes | Resource-efficient | Moderate resolution |
| Highly linear | Limited number |
Disclaimer/Publisher’s Note: The statements, opinions and data contained in all publications are solely those of the individual author(s) and contributor(s) and not of MDPI and/or the editor(s). MDPI and/or the editor(s) disclaim responsibility for any injury to people or property resulting from any ideas, methods, instructions or products referred to in the content. |
© 2024 by the authors. Licensee MDPI, Basel, Switzerland. This article is an open access article distributed under the terms and conditions of the Creative Commons Attribution (CC BY) license (https://creativecommons.org/licenses/by/4.0/).
Share and Cite
Real, D.; Calvo, D. Low-Resource Time-to-Digital Converters for Field Programmable Gate Arrays: A Review. Sensors 2024, 24, 5512. https://doi.org/10.3390/s24175512
Real D, Calvo D. Low-Resource Time-to-Digital Converters for Field Programmable Gate Arrays: A Review. Sensors. 2024; 24(17):5512. https://doi.org/10.3390/s24175512
Chicago/Turabian StyleReal, Diego, and David Calvo. 2024. "Low-Resource Time-to-Digital Converters for Field Programmable Gate Arrays: A Review" Sensors 24, no. 17: 5512. https://doi.org/10.3390/s24175512
APA StyleReal, D., & Calvo, D. (2024). Low-Resource Time-to-Digital Converters for Field Programmable Gate Arrays: A Review. Sensors, 24(17), 5512. https://doi.org/10.3390/s24175512

