Development of High-Precision NO2 Gas Sensor Based on Non-Dispersive Infrared Technology
Abstract
1. Introduction
2. Non-Dispersive Infrared Gas Sensor Theory
3. Device Design and Fabrication
3.1. Design and Preparation of NDIR Gas Sensor
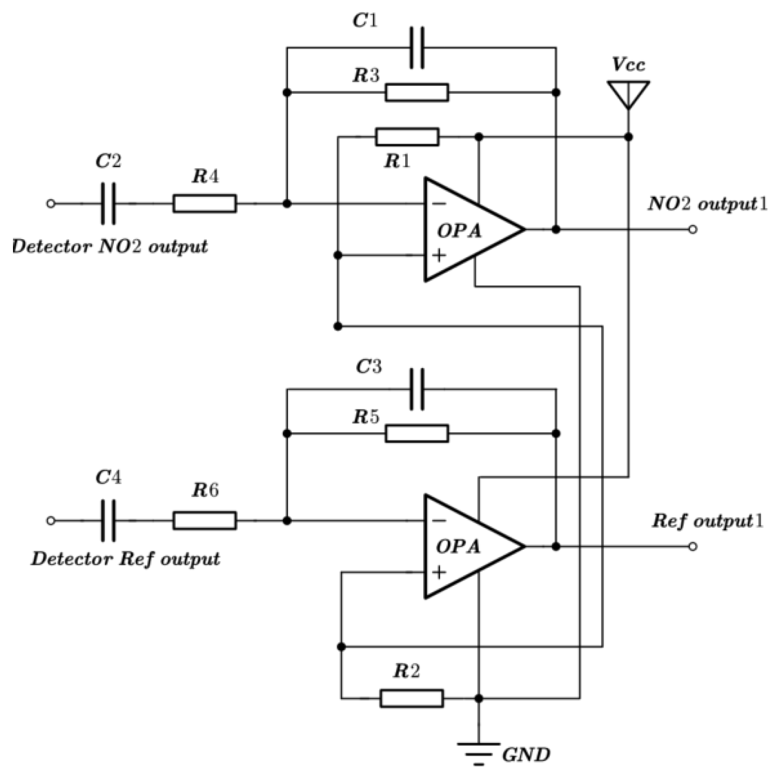
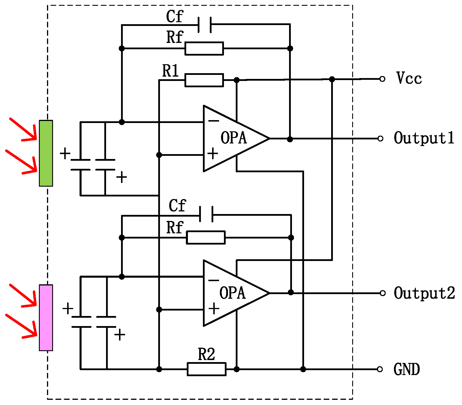
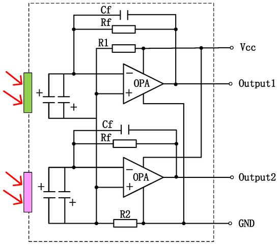
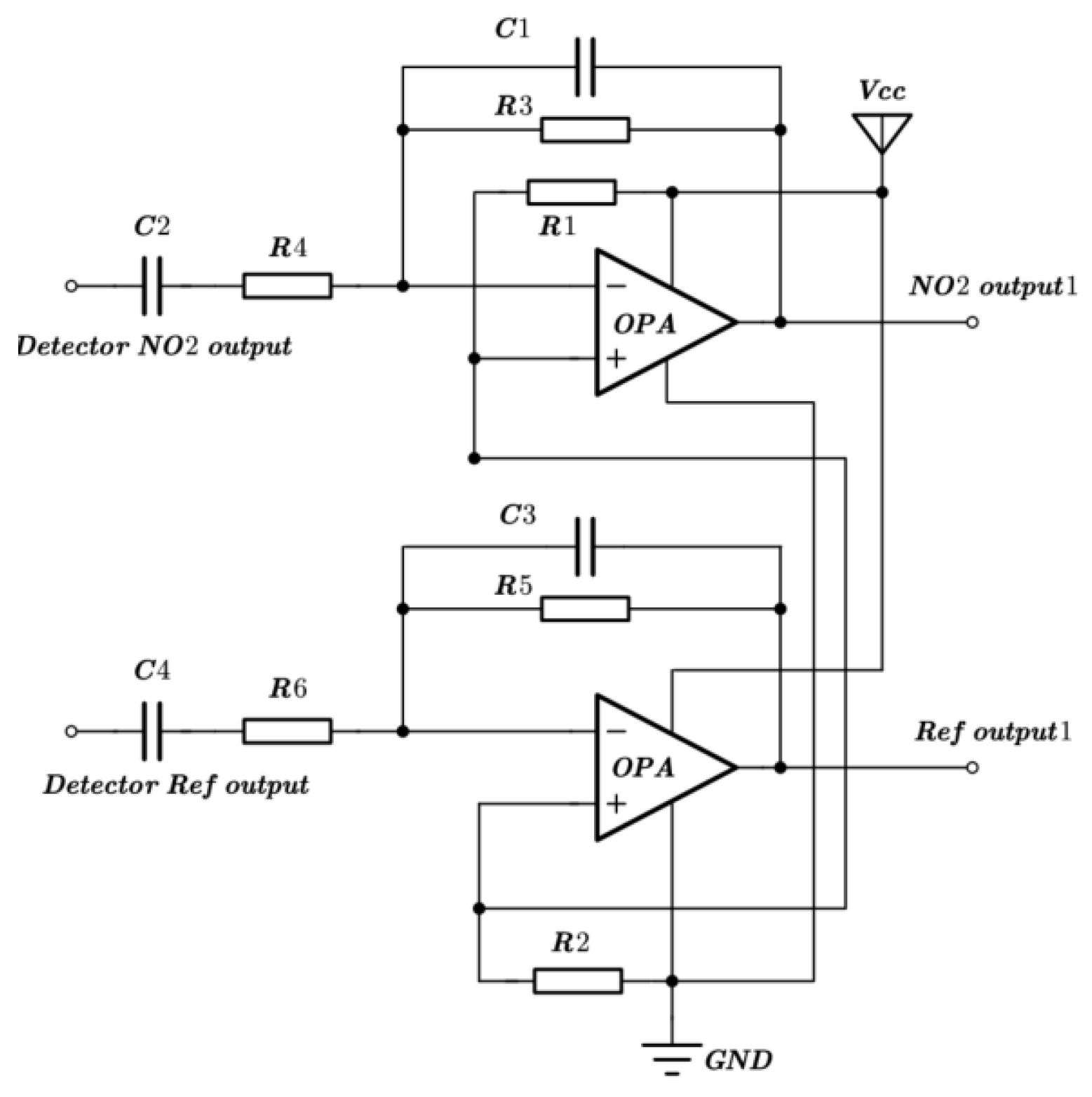
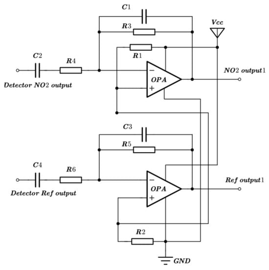
3.2. Design and Fabrication of Pyroelectric Detector
4. Results and Discussion
4.1. Performance of Pyroelectric Detector
4.2. Calibration and Data Fitting of Gas Sensor
4.3. Relative Error of Gas Sensor
4.4. Linearity of Gas Sensor
4.5. Repeatability and Stability of Gas Sensor
5. Conclusions
Author Contributions
Funding
Institutional Review Board Statement
Informed Consent Statement
Data Availability Statement
Acknowledgments
Conflicts of Interest
References
- Lehtoranta, K.; Vesala, H.; Koponen, P.; Korhonen, S. Selective catalytic reduction operation with heavy fuel oil: NOx, NH3, and particle emissions. Environ. Sci. Technol. 2015, 49, 4735–4741. [Google Scholar] [CrossRef] [PubMed]
- De Castro, A.J.; Meneses, J.; Briz, S.; Lopez, F. Nondispersive infrared monitoring of NO emissions in exhaust gases of vehicles. Rev. Sci. Instrum. 1999, 70, 3156–3159. [Google Scholar] [CrossRef]
- Stolberg-Rohr, T.; Buchner, R.; Clausen, S.; Jensen, J.M.; Skouboe, A.; Hawkins, G.; Hansen, R.S. In optics humidity compensation in NDIR exhaust gas measurements of NO2. In Proceedings of the Optical Sensors SeTh1C-3, Barcelona, Spain, 27–31 July 2014. [Google Scholar]
- Shendage, S.S.; Patil, V.L.; Vanalakar, S.A.; Patil, S.P.; Harale, N.S.; Bhosale, J.L.; Kim, J.H.; Patil, P.S. Sensitive and selective NO2 gas sensor based on WO3 nanoplates. Sens. Actuators B Chem. 2017, 240, 426–433. [Google Scholar] [CrossRef]
- Jain, S.; Ayushi, P.; Vinay, G.; Monika, T. Long Range Surface Plasmons assisted highly sensitive and room temperature operated NO2 gas sensor. Sens. Actuators B Chem. 2020, 311, 127897. [Google Scholar] [CrossRef]
- Wang, H.T.; Feng, Z.L.; Zhang, Y.D.; Han, D.; Ma, J.N.; Chai, X.J.; Sang, S.B. Highly sensitive and low detection limit NO2 gas sensor based on In2O3 nanoparticles modified peach kernel-like GaN composites. Sens. Actuators B Chem. 2023, 382, 133452. [Google Scholar] [CrossRef]
- Tan, X.C.; Zhang, H.; Li, J.Y.; Wan, H.W.; Guo, Q.S.; Zhu, H.B.; Liu, H.; Yi, F. Non-dispersive infrared multi-gas sensing via nanoantenna integrated narrowband detectors. Nat. Commun. 2020, 11, 5245. [Google Scholar] [CrossRef] [PubMed]
- Mechery, S.J.; Singh, J.P. Fiber optic based gas sensor with nanoporous structure for the selective detection of NO2 in air samples. Anal. Chim. Acta 2006, 557, 123–129. [Google Scholar] [CrossRef]
- Hainey, M.F., Jr.; Mano, T.; Kasaya, T.; Ochiai, T.; Osato, H.; Watanabe, K.; Sugimoto, Y.; Kawazu, T.; Arai, Y.; Shigetou, A.; et al. Near-field resonant photon sorting applied: Dual-band metasurface quantum well infrared photodetectors for gas sensing. Nanophotonics 2020, 9, 4775–4784. [Google Scholar] [CrossRef]
- Li, J.; Li, R.J.; Liu, Y.; Li, F.; Lin, X.; Yu, X.L.; Shao, W.W.; Xu, X. In Situ Measurement of NO, NO2, and H2O in Combustion Gases Based on Near/Mid-Infrared Laser Absorption Spectroscopy. Sensors 2022, 22, 5729. [Google Scholar] [CrossRef]
- Chen, C.; Ren, Q.; Wang, Y.Z. Review on multi gas detector using infrared spectral absorption technology. Appl. Spectrosc. Rev. 2015, 54, 425–444. [Google Scholar] [CrossRef]
- Hodgkinson, J.; Tatam, R.P. Optical gas sensing: A review. Meas. Sci. Technol. 2012, 24, 012004. [Google Scholar] [CrossRef]
- Hodgkinson, J.; Smith, R.; Ho, W.O.; Saffell, J.R.; Tatam, R.P. Non-dispersive infra-red (NDIR) measurement of carbon dioxide at 4.2 μm in a compact and optically efficient sensor. Sens. Actuators B Chem. 2013, 186, 580–588. [Google Scholar] [CrossRef]
- Vincent, T.A.; Gardner, J.W. A low cost MEMS based NDIR system for the monitoring of carbon dioxide in breath analysis at ppm levels. Sens. Actuators B Chem. 2016, 236, 954–964. [Google Scholar] [CrossRef]
- Mendes, L.B.; Ogink, N.W.; Edouard, N.; Van Dooren, H.J.C.; Tinoco, I.D.F.F.; Mosquera, J. NDIR gas sensor for spatial monitoring of carbon dioxide concentrations in naturally ventilated livestock buildings. Sensors 2015, 15, 11239–11257. [Google Scholar] [CrossRef]
- Han, Y.L.; Zhao, Y.M.; Ming, A.J.; Fang, Y.Y.; Fang, S.; Bi, S.S.; Chen, J.; Xu, R.; Wei, F.; Mao, C. Application of an NDIR Sensor System Developed for Early Thermal Runaway Warning of Automotive Batteries. Energies 2023, 16, 3620. [Google Scholar] [CrossRef]
- Popa, D.; Udrea, F. Towards integrated mid-infrared gas sensors. Sensors 2019, 19, 2076. [Google Scholar] [CrossRef] [PubMed]
- Wang, Q.; Liu, Y.P.; Li, W.L. Development of a multi-component infrared gas sensor detection system. J. Phys. Conf. Ser. 2019, 1229, 012068. [Google Scholar]
- Tan, Q.L.; Tang, L.C.; Yang, M.L.; Xue, C.Y.; Zhang, W.D.; Liu, J.J. Three-gas detection system with IR optical sensor based on NDIR technology. Opt. Lasers Eng. 2015, 74, 103–108. [Google Scholar] [CrossRef]
- Li, Y.C.; Liang, Y.Z.; Ma, X.S.; Jia, W.P. Experimental study of methane sensor based on the principle of infrared detection. Appl. Mech. Mater. 2014, 590, 651–655. [Google Scholar] [CrossRef]
- Ng, D.K.; Ha, C.P.; Xu, L.; Chen, W.; Fu, Y.H.; Zhang, T.; Siow, L.Y.; Jaafar, N.; Ng, E.J.; Gao, Y.; et al. CO2 Gas Sensing By CMOS-MEMS ScAlN-Based Pyroelectric Detector Based on MID-IR Absorption. In Proceedings of the 21st International Conference on Solid-State Sensors, Actuators and Microsystems (Transducers), Orlando, FL, USA, 20–24 June 2021; pp. 827–830. [Google Scholar]
- Dinh, T.V.; Choi, I.Y.; Son, Y.S.; Kim, J.C. A review on non-dispersive infrared gas sensors: Improvement of sensor detection limit and interference correction. Sens. Actuators B Chem. 2016, 231, 529–538. [Google Scholar] [CrossRef]
- Gordon, I.E.; Rothman, L.S.; Hargreaves, R.J.; Hashemi, R.; Karlovets, E.V.; Skinner, F.M.; Conway, E.K.; Hill, C.; Kochanov, R.V.; Tan, Y.; et al. The HITRAN2020 molecular spectroscopic database. J. Quant. Spectrosc. Radiat. Transf. 2022, 277, 107949. [Google Scholar]
- Hartwig, S.; Hildenbrand, J.; Moreno, M.; Fonollosa, J.; Fonseca, L.; Santander, J.; Rubio, R.; Cané, C.; Lambrecht, A.; Wollenstein, J. A highly sensitive IR-optical sensor for ethylene-monitoring. In Smart Sensors, Actuators, and MEMS II; SPIE: Bellingham, WA, USA, 2005; Volume 5836, pp. 452–460. [Google Scholar]
- Lee, R.; Kester, W. Complete gas sensor circuit using nondispersive infrared (NDIR). Anal. Dialog. 2016, 50, 10–18. [Google Scholar]
- Liang, Z.Q.; Li, S.B.; Liu, Z.J.; Jiang, Y.D.; Li, W.Z.; Wang, T.; Wang, J. High responsivity of pyroelectric infrared detector based on ultra-thin (10 μm) LiTaO3. J. Mater. Sci. Mater. Electron. 2015, 26, 5400–5404. [Google Scholar] [CrossRef]
- Zhang, S.X.; Wang, J.C.; Zhao, Y.M.; Han, Y.L.; Ming, A.J.; Wei, F.; Mao, C.H. High-dielectric loss black silicon decorated with multi-nanostructure for wide-band mid-infrared absorption. Rare Met. 2023, 42, 2447–2456. [Google Scholar] [CrossRef]
- Sun, X.L.; Ming, A.J.; Zhang, J.; Liu, W.B.; Meng, Y.; Qin, D.; Yao, J.; Wang, W.; Chen, D. Pyroelectric infrared detector based on LiTaO3 crystal with novelty nanostructured amorphous carbon film. In Proceedings of the 12th International Conference on Nano/Micro Engineered and Molecular Systems, Los Angeles, CA, USA, 9–12 April 2017; pp. 623–626. [Google Scholar]
- Liang, Z.Q.; Zheng, X.; Li, G.T.; Liu, Z.J.; Jiang, Y.D.; Wang, T. High Absorption of Goldblack Film for a pyroelectric detector based on ultra-thin LiTaO3 crystal. In Proceedings of the 46th International Conference on Infrared, Millimeter and Terahertz Waves (IRMMW-THz), Chengdu, China, 29 August–3 September 2021; pp. 1–2. [Google Scholar]
- Ng, D.K.T.; Ho, C.P.; Xu, L.; Chen, W.; Fu, Y.H.; Zhang, T.; Siow, L.Y.; Jaafar, N.; Ng, E.J.; Gao, Y.; et al. NDIR CO2 gas sensing using CMOS compatible MEMS ScAlN-based pyroelectric detector. Sens. Actuators B Chem. 2021, 346, 130437. [Google Scholar] [CrossRef]
- CWA Methods Team. Definition and Procedure for the Determination of the Method Detection Limit Revision2; Engineering and Analytical Support Branch/EAD (4303T), Office of Science and Technology: Washington, DC, USA, 2016; pp. 1–6. [Google Scholar]


















| Name | Symbol | Values and Units |
|---|---|---|
| Materials of detector | / | LiTaO3 |
| LT thickness | d | 20 μm |
| MEMS IR emitter power | 0.66 W | |
| Length of optical path | l | 1.5 m |
| Wavelength of filter | λ | 6.25 μm |
| Name | Symbol | Values and Units |
|---|---|---|
| LT area | As | 1 × 1.8 mm2 |
| LT thickness | d | 20 μm |
| Absorption coefficient | >0.85 | |
| Feedback resistance | Rf | 100 GΩ |
| Feedback capacity | Cf | 0.2 pF |
| Actual Concentration/ppm | Measurements Concentration/ppm | Relative Error (%FS) | ||
|---|---|---|---|---|
| 10 | 11 | 13 | 13 | 0.46% |
| 25 | 27 | 28 | 25 | 0.33% |
| 50 | 47 | 48 | 47 | −0.53% |
| 100 | 92 | 95 | 96 | −1.13% |
| 200 | 200 | 201 | 203 | 0.26% |
| 300 | 298 | 299 | 294 | −0.60% |
| 400 | 397 | 402 | 395 | −0.40% |
| 500 | 500 | 497 | 499 | −0.27% |
| Name | Concentration/ppm | S | MDL/ppm | ||||||
|---|---|---|---|---|---|---|---|---|---|
| Experimental data | 11 | 13 | 13 | 13 | 12 | 11 | 12 | 0.899 | 2.8 |
| Name | Concentration/ppm | Linearity | ||||||||
|---|---|---|---|---|---|---|---|---|---|---|
| Experimental data | 11.59 | 25.91 | 46.96 | 93.40 | 202.40 | 297.42 | 394.93 | 498.21 | −5.54 | −1.09% |
| Fitted data | 9.38 | 24.30 | 49.15 | 98.86 | 198.28 | 297.70 | 397.12 | 496.54 | ||
| Name | Concentration/ppm | Values and Units | |||||
|---|---|---|---|---|---|---|---|
| Repeatability | 503 | 497 | 502 | 499 | 503 | 499 | 0.47% |
| Stability | 501 | 498 | 499 | 496 | 506 | 510 | 2% |
Disclaimer/Publisher’s Note: The statements, opinions and data contained in all publications are solely those of the individual author(s) and contributor(s) and not of MDPI and/or the editor(s). MDPI and/or the editor(s) disclaim responsibility for any injury to people or property resulting from any ideas, methods, instructions or products referred to in the content. |
© 2024 by the authors. Licensee MDPI, Basel, Switzerland. This article is an open access article distributed under the terms and conditions of the Creative Commons Attribution (CC BY) license (https://creativecommons.org/licenses/by/4.0/).
Share and Cite
Zhao, Y.; Zhang, C.; Ci, G.; Zhao, X.; Lv, J.; Liang, J.; Ming, A.; Wei, F.; Mao, C. Development of High-Precision NO2 Gas Sensor Based on Non-Dispersive Infrared Technology. Sensors 2024, 24, 4146. https://doi.org/10.3390/s24134146
Zhao Y, Zhang C, Ci G, Zhao X, Lv J, Liang J, Ming A, Wei F, Mao C. Development of High-Precision NO2 Gas Sensor Based on Non-Dispersive Infrared Technology. Sensors. 2024; 24(13):4146. https://doi.org/10.3390/s24134146
Chicago/Turabian StyleZhao, Yongmin, Congchun Zhang, Guangteng Ci, Xiaoguang Zhao, Jinguang Lv, Jingqiu Liang, Anjie Ming, Feng Wei, and Changhui Mao. 2024. "Development of High-Precision NO2 Gas Sensor Based on Non-Dispersive Infrared Technology" Sensors 24, no. 13: 4146. https://doi.org/10.3390/s24134146
APA StyleZhao, Y., Zhang, C., Ci, G., Zhao, X., Lv, J., Liang, J., Ming, A., Wei, F., & Mao, C. (2024). Development of High-Precision NO2 Gas Sensor Based on Non-Dispersive Infrared Technology. Sensors, 24(13), 4146. https://doi.org/10.3390/s24134146

