Low-Cost Source Measure Unit (SMU) to Characterize Sensors Built on Graphene-Channel Field-Effect Transistors
Abstract
1. Introduction
2. Materials and Methods
2.1. Probe Station
2.2. Source Measure Unit (SMU)
2.2.1. Design Criteria
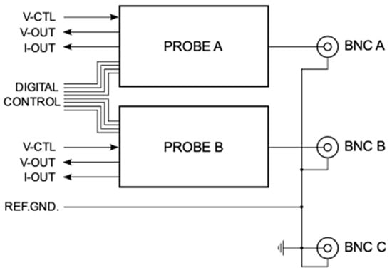
2.2.2. Device Overview
2.2.3. Modes
2.2.4. Calibration
2.2.5. Shielding
2.3. Software Interface
2.4. Data Collection
3. Results and Discussion
3.1. SMU Functionality Testing
3.2. SMU and Probe Station Integration Testing
3.3. Quality Testing: Parasitic Schottky Junction Formed by Oxide Breakdown
3.4. Demonstration of Measurements on Graphene-Channel FETs
4. Conclusions
- Our main focus is on the analog component, but the device offers flexible interfacing options for mid-level data acquisition systems, DAQ cards, or dataloggers.
- The design includes digitally controlled options of per-probe voltage and current measurement, combined with the option to configure each probe as either controlled-voltage or controlled-current sources. All configurations are ambipolar. This flexibility allows us to measure and characterize semiconductors other than FETs, specifically those that require V-I curve measured under constant current conditions. Ambipolar probes also allow us to examine unknown sensors to identify their point of highest sensitivity with minimal assumptions.
- Digitally controlled switchable gain makes use of the dynamic range of low-cost ADCs and DACs with as few as 12 bits of resolution.
- Converters with higher bit resolution can be used to lower the quantization error, and an example configuration of the SMU with off-the-shelf PCI or USB data acquisition cards can be seen in the Supplementary Materials in Figure S2.
- The design is centered on the very low currents that are typical for semiconductor-based sensors, as demonstrated with graphene FETs in this manuscript.
- From an electronic design perspective, the analog part typically poses a greater challenge than the digital part. By focusing on the analog driver and measurement circuitry, the SMU is kept relatively straightforward with five analog ICs and approximately 35 passive components for one probe channel; low-impedance unipolar interface connections allow robust and uncritical adaptation to existing data acquisition infrastructure.
- The design is modular: The driver/measurement circuits for each probe are independent circuits that can be repeated if more than two active probes are needed.
- Although, at this point, no custom-printed circuit board was designed (to maintain design flexibility at the development stage), we expect that a suitably designed PCB can further improve the performance metrics. It is our plan to realize such a PCB, which will then be shared in electronic form similar to the schematics.
Supplementary Materials
Author Contributions
Funding
Institutional Review Board Statement
Informed Consent Statement
Data Availability Statement
Conflicts of Interest
References
- Syedmoradi, L.; Ahmadi, A.; Norton, M.L.; Omidfar, K. A review on nanomaterial-based field effect transistor technology for biomarker detection. Microchim. Acta 2019, 186, 739. [Google Scholar] [CrossRef]
- Geim, A.K. Graphene: Status and prospects. Science 2009, 324, 1530–1534. [Google Scholar] [CrossRef]
- Novoselov, K.S.; Fal’ko, V.I.; Colombo, L.; Gellert, P.R.; Schwab, M.G.; Kim, K. A roadmap for graphene. Nature 2012, 490, 192–200. [Google Scholar] [CrossRef] [PubMed]
- Schwierz, F. Graphene Transistors: Status, Prospects, and Problems. Proc. IEEE 2013, 101, 1567–1584. [Google Scholar] [CrossRef]
- Marconcini, P.; Macucci, M. Transport Simulation of Graphene Devices with a Generic Potential in the Presence of an Orthogonal Magnetic Field. Nanomaterials 2022, 12, 1087. [Google Scholar] [CrossRef] [PubMed]
- Kwong Hong Tsang, D.; Lieberthal, T.J.; Watts, C.; Dunlop, I.E.; Ramadan, S.; del Rio Hernandez, A.E.; Klein, N. Chemically Functionalised Graphene FET Biosensor for the Label-free Sensing of Exosomes. Sci. Rep. 2019, 9, 13946. [Google Scholar] [CrossRef] [PubMed]
- Chen, X.; Pu, H.; Fu, Z.; Sui, X.; Chang, J.; Chen, J.; Mao, S. Real-time and Selective Detection of Nitrates in Water using Graphene-based Field-effect Transistor Sensors. Environ. Sci. Nano 2018, 5, 1990–1999. [Google Scholar] [CrossRef]
- Sengupta, J.; Hussain, C.M. Graphene-based Field-effect Transistor Biosensors for the Rapid Detection and Analysis of Viruses: A Perspective in View of Covid-19. Carbon Trends 2021, 2, 100011. [Google Scholar] [CrossRef] [PubMed]
- Kim, J.E.; No, Y.H.; Kim, J.N.; Shin, Y.S.; Kang, W.T.; Kim, Y.R.; Kim, K.N.; Kim, Y.H.; Yu, W.J. Highly Sensitive Graphene Biosensor by Monomolecular Self-assembly of Receptors on Graphene Surface. Appl. Phys. Lett. 2017, 110, 203702. [Google Scholar] [CrossRef]
- Kitadai, H.; Yuan, M.; Ma, Y.; Ling, X. Graphene-based Environmental Sensors: Electrical and Optical Devices. Molecules 2021, 26, 2165. [Google Scholar] [CrossRef] [PubMed]
- De Sanctis, A.; Mehew, J.; Craciun, M.; Russo, S. Graphene-Based Light Sensing: Fabrication, Characterisation, Physical Properties, and Performance. Materials 2018, 11, 1762. [Google Scholar] [CrossRef] [PubMed]
- Patil, A.; Koybasi, O.; Lopez, G.; Foxe, M.; Childres, I.; Roecker, C.; Boguski, J.; Gu, J.; Bolen, M.L.; Capano, M.A.; et al. Graphene Field Effect Transistor as Radiation Sensor. In Proceedings of the 2011 IEEE Nuclear Science Symposium Conference, Valencia, Spain, 23–29 October 2011. [Google Scholar]
- Foxe, M.; Lopez, G.; Childres, I.; Jalilian, R.; Patil, A.; Roecker, C.; Boguski, J.; Jovanovic, I.; Chen, Y.P. Graphene Field-effect Transistors on Undoped Semiconductor Substrates for Radiation Detection. IEEE Trans. Nanotechnol. 2012, 11, 581–587. [Google Scholar] [CrossRef]
- Ono, T.; Okuda, S.; Ushiba, S.; Kanai, Y.; Matsumoto, K. Challenges for Field-Effect-Transistor-Based Graphene Biosensors. Materials 2024, 17, 333. [Google Scholar] [CrossRef] [PubMed]
- Rodriguez, S.; Vaziri, S.; Smith, A.; Fregonese, S.; Ostling, M.; Lemme, M.C.; Rusu, A. A comprehensive graphene FET model for circuit design. IEEE Trans. Electron Devices 2014, 61, 1199–1206. [Google Scholar] [CrossRef]
- Tektronix. Available online: https://www.tek.com/en/products/keithley/source-measure-units (accessed on 8 April 2024).
- Keysight. Available online: https://www.keysight.com/us/en/assets/3120-1466/data-sheets/B2900B-B2900BL-Series-Precision-Source-Measure-Unit.pdf (accessed on 8 April 2024).
- Rohde & Schwarz. Available online: https://www.rohde-schwarz.com/us/products/test-and-measurement/dc-power-supplies/rs-ngu-source-measure-units_63493-1005128.html (accessed on 8 April 2024).
- Signatone. Available online: https://signatone.com/static/6cf63861cc95452ca1cea5d8e6bb9257/s-1160-data-sheet-v1.5.pdf (accessed on 5 March 2024).
- Microchip. Available online: https://ww1.microchip.com/downloads/en/DeviceDoc/TP2540-P-Channel-Enhancement-Mode-Vertical-DMOS-FET-Data-Sheet-20006371A.pdf (accessed on 5 March 2024).
- Chen, T.P.; Lee, T.C.; Ling, C.C.; Beling, C.D.; Fung, S. Current transport and its effect on the determination of the Schottky-barrier height in a typical system: Gold on silicon. Solid-State Electron. 1993, 36, 949–954. [Google Scholar] [CrossRef]
- Li, J.; Niu, L.; Zheng, Z.; Yan, F. Photosensitive graphene transistors. Adv. Mater. 2014, 26, 5239–5273. [Google Scholar] [CrossRef] [PubMed]
- Lemme, M.C.; Koppens, F.H.; Falk, A.L.; Rudner, M.S.; Park, H.; Levitov, L.S.; Marcus, C.M. Gate-activated photoresponse in a graphene P–N junction. Nano Lett. 2011, 11, 4134–4137. [Google Scholar] [CrossRef] [PubMed]



















| Manufacturer | Model | Current Range | Voltage Range | Accuracy | Resolution (Current/Voltage) | Cost |
|---|---|---|---|---|---|---|
| Keithley [16] | 2400 Standard Series | 1 pA to 5 A | 100 nV to 1100 V | 0.0012% | 1 pA/100 nV | USD 5280–USD 15,000 |
| Keithley [16] | 2650 Series | 1 pA to 50 A | 1 μV to 1100 V | 0.08% | 100 fA/100 nV | USD 27,400–USD 33,000 |
| Keysight [17] | B2900 Series | 10 fA to 10 A | 100 nV to 210 V | 0.015% | 10 fA/100 nV | USD 5788–USD 13,814 |
| Rohde & Schwarz [18] | NGU Series | 200 pA to 10 A | 5 μV to 20 V | 0.025% | 200 pA/5 μV | USD 5290–USD 8840 |
| Our SMU | -- | 490 pA to 20 mA 1 | 1 μV to 10 V | 0.02–1.09% | 490 pA/1 μV | USD 400 2 |
| Combined Control Bits (Binary) | Bit 0: Control Mode | Bits 1, 2: Current Sensitivity and Range | Bit 3: Voltage Range | Bit 4: Voltage Sensitivity § | Resolution (per LSB), 12-Bit DAC and ADC |
|---|---|---|---|---|---|
| 10xx0 | 0 (voltage) | † | 0: ±10 V | (1) | 4.88 mV |
| 01xx0 | 1: ±1.25 V | (0) | 0.61 mV | ||
| ×1001 | 1 (current) | 00: ±100 μA | ‡ | 0: ±10 V or 1: ±1.25 V | 48.8 nA |
| ×1011 | 01: ±25 μA | 12.2 nA | |||
| ×1101 | 10: ±5 μA | 2.44 nA | |||
| ×1111 | 11: ±1 μA | 0.49 nA |
| Probe | Mode 1 | Mode 3 | Mode 5 | Mode 7 | Mode 8 | Mode 16 |
|---|---|---|---|---|---|---|
| A | 1.09% | 0.67% | 0.43% | n/a | 0.10% | 0.01% |
| B | 1.09% | 0.67% | 0.43% | n/a | 0.10% | 0.02% |
Disclaimer/Publisher’s Note: The statements, opinions and data contained in all publications are solely those of the individual author(s) and contributor(s) and not of MDPI and/or the editor(s). MDPI and/or the editor(s) disclaim responsibility for any injury to people or property resulting from any ideas, methods, instructions or products referred to in the content. |
© 2024 by the authors. Licensee MDPI, Basel, Switzerland. This article is an open access article distributed under the terms and conditions of the Creative Commons Attribution (CC BY) license (https://creativecommons.org/licenses/by/4.0/).
Share and Cite
Galanti, A.M.; Haidekker, M.A. Low-Cost Source Measure Unit (SMU) to Characterize Sensors Built on Graphene-Channel Field-Effect Transistors. Sensors 2024, 24, 3841. https://doi.org/10.3390/s24123841
Galanti AM, Haidekker MA. Low-Cost Source Measure Unit (SMU) to Characterize Sensors Built on Graphene-Channel Field-Effect Transistors. Sensors. 2024; 24(12):3841. https://doi.org/10.3390/s24123841
Chicago/Turabian StyleGalanti, Ashley Morgan, and Mark A. Haidekker. 2024. "Low-Cost Source Measure Unit (SMU) to Characterize Sensors Built on Graphene-Channel Field-Effect Transistors" Sensors 24, no. 12: 3841. https://doi.org/10.3390/s24123841
APA StyleGalanti, A. M., & Haidekker, M. A. (2024). Low-Cost Source Measure Unit (SMU) to Characterize Sensors Built on Graphene-Channel Field-Effect Transistors. Sensors, 24(12), 3841. https://doi.org/10.3390/s24123841

