Design of High-Speed, Low-Power Sensing Circuits for Nano-Scale Embedded Memory
Abstract
:1. Introduction
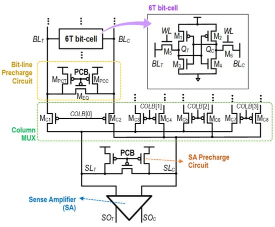
2. Backgrounds on SRAM Read Operation and Conventional Sensing Circuits
3. SRAM Sensing Circuits for Offset Reduction
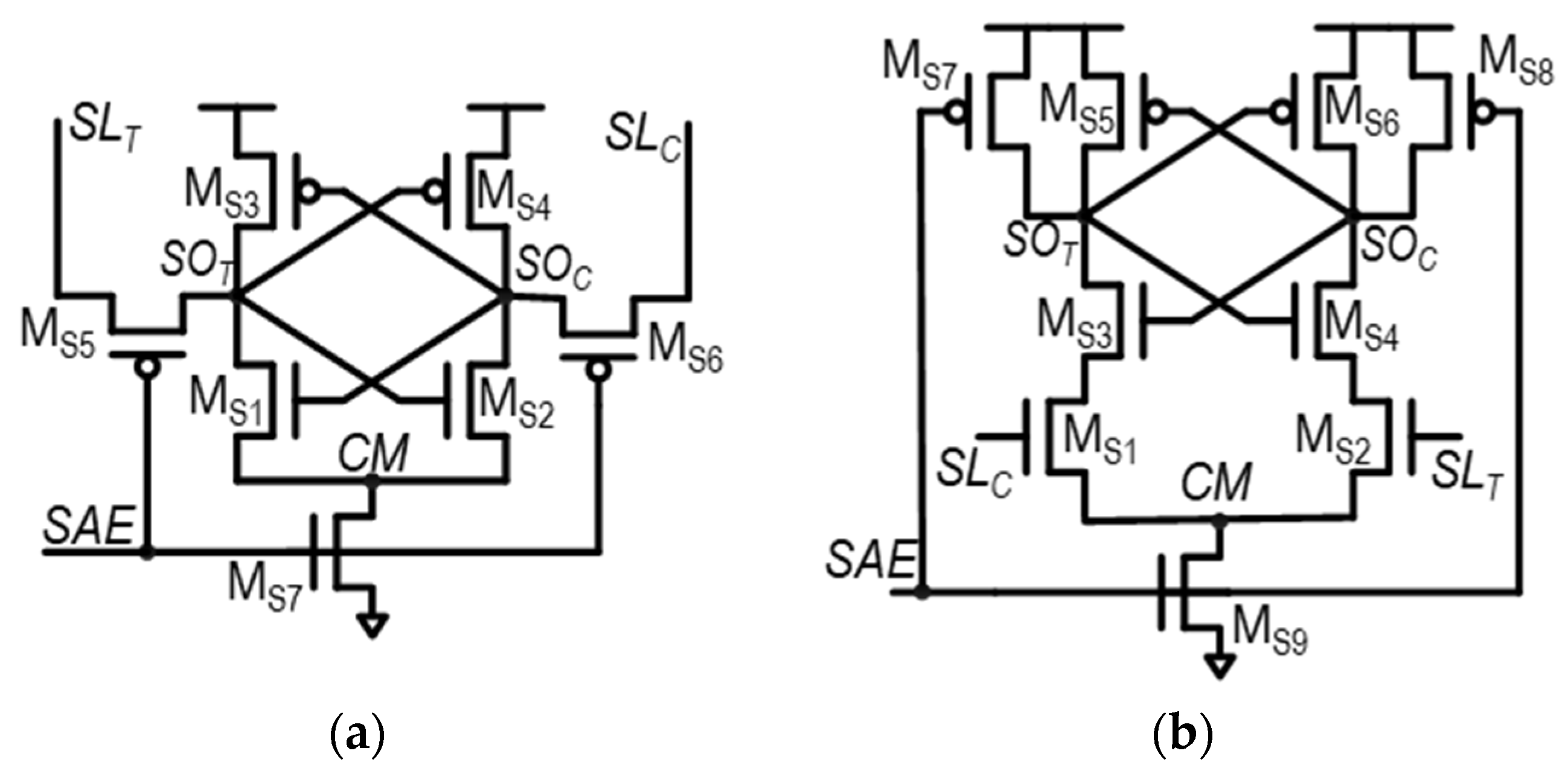
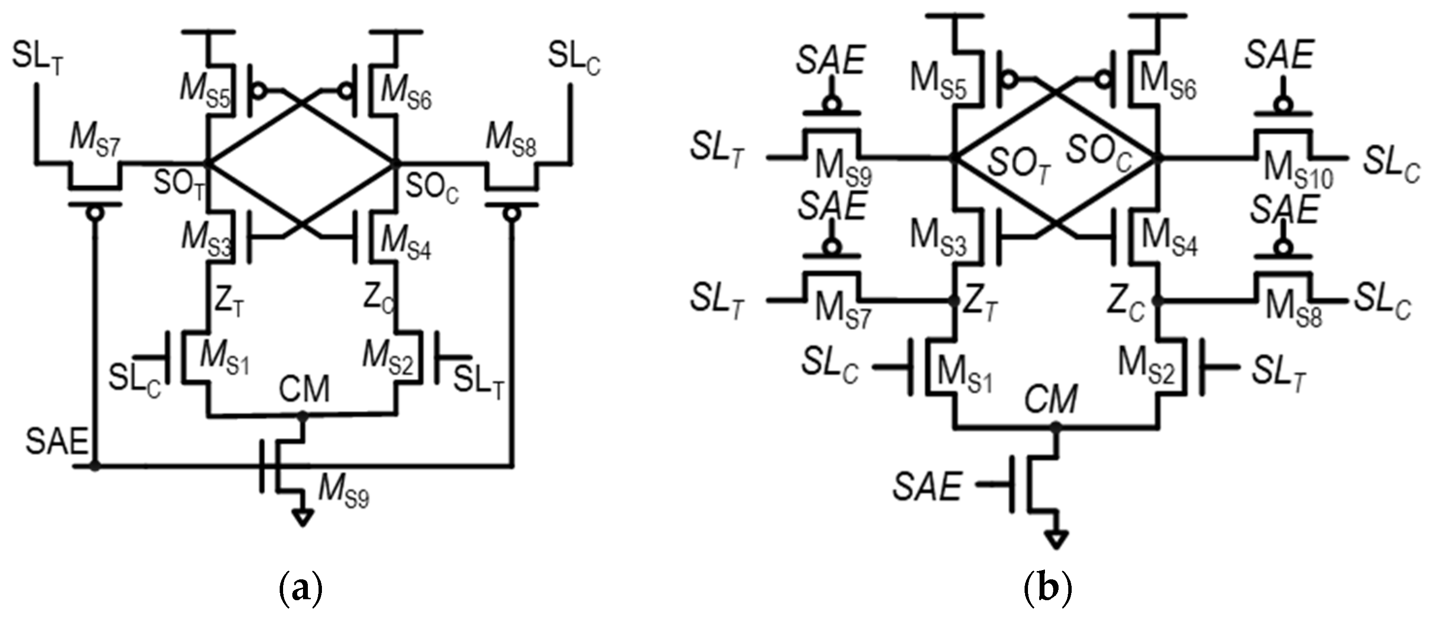
3.1. Schmitt Trigger Sense Amplifiers
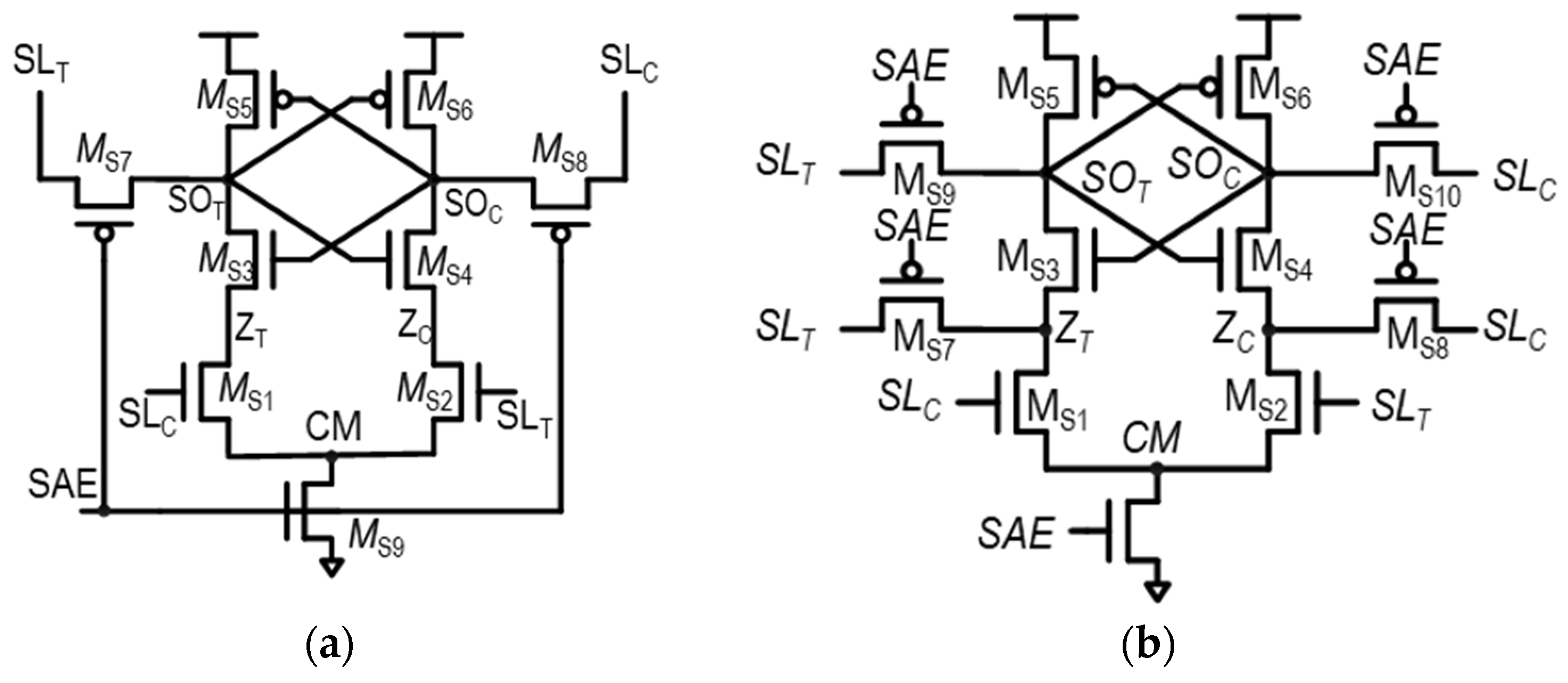
3.2. Hybrid Latch-Type Sense Amplifiers
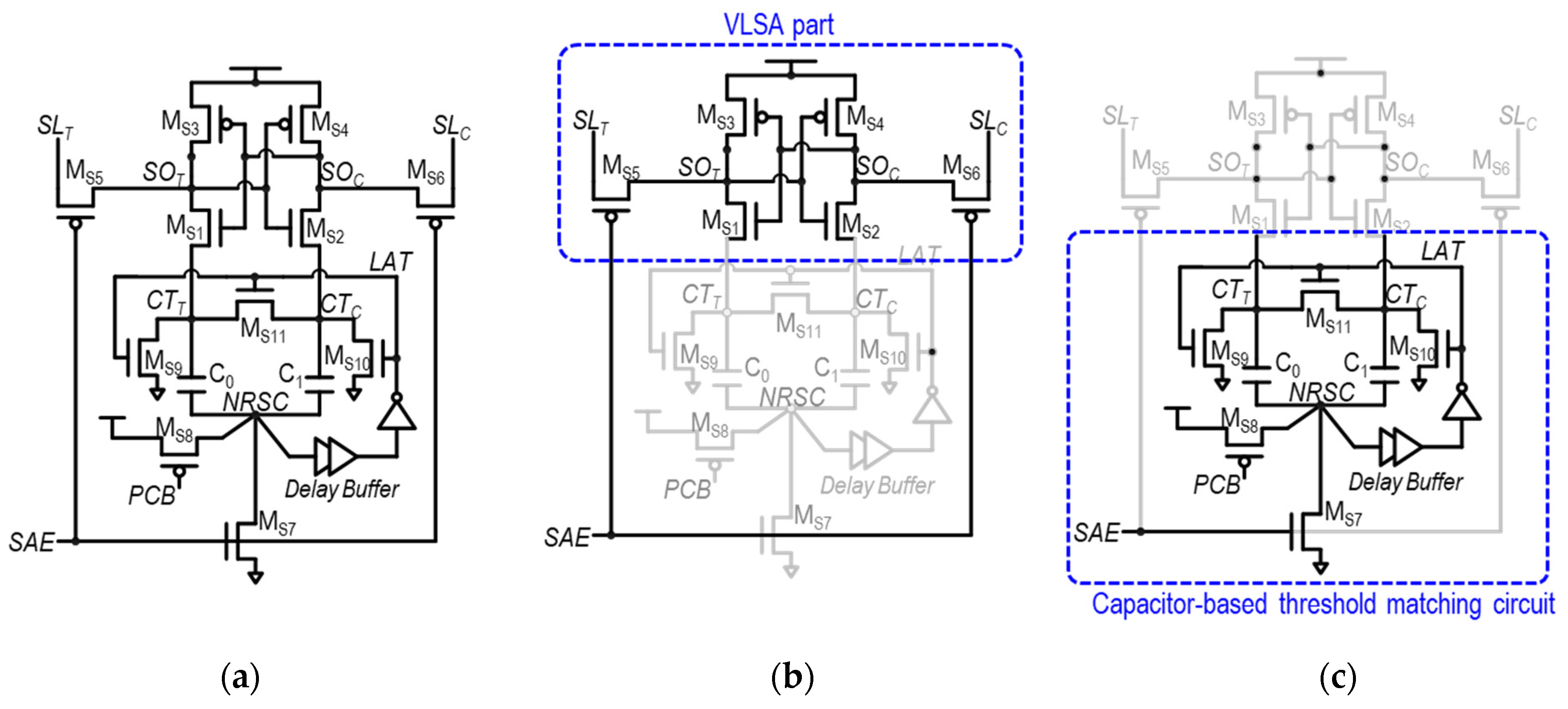
3.3. Capacitor-Based Offset-Compensated SAs
- (1)
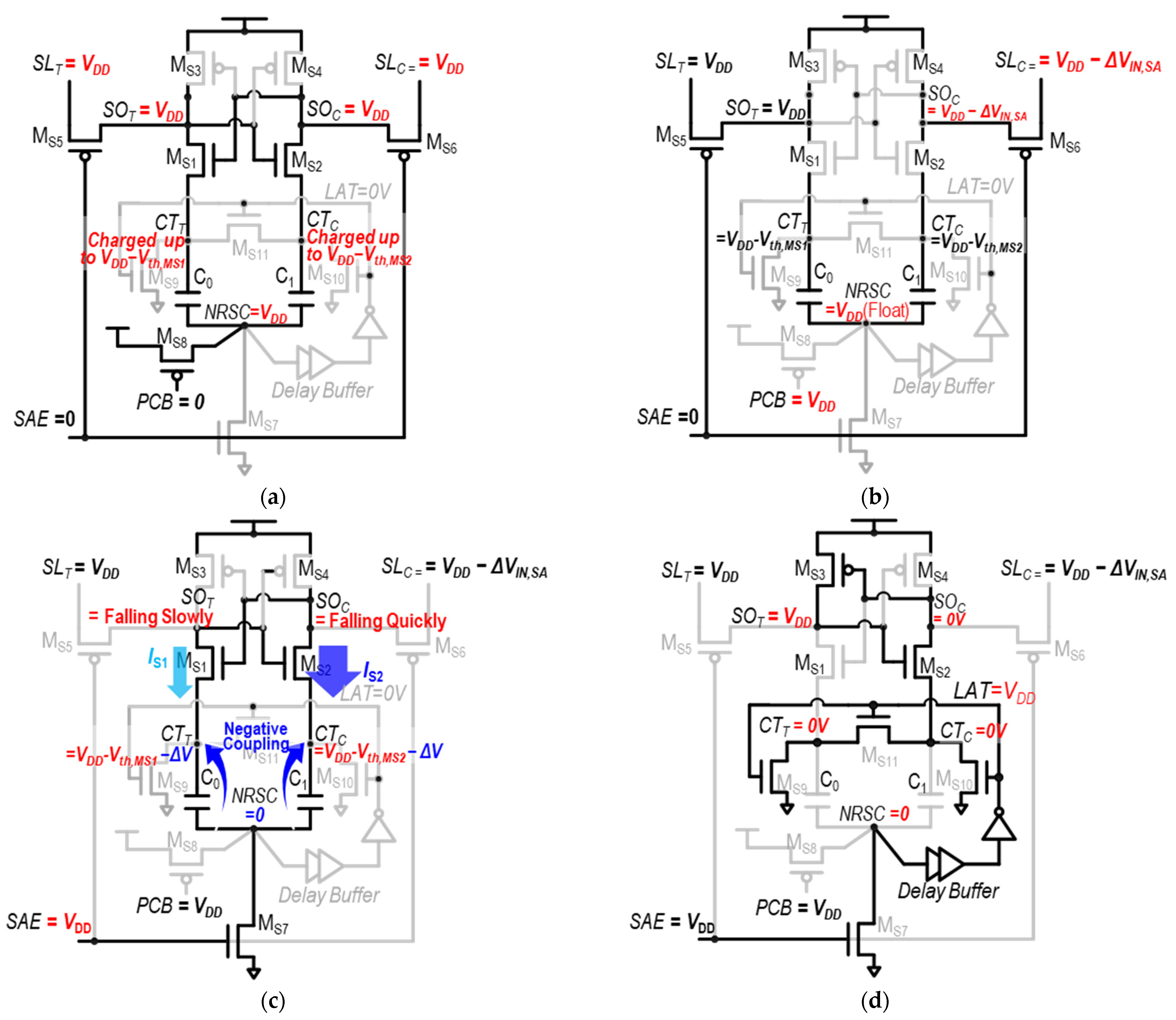
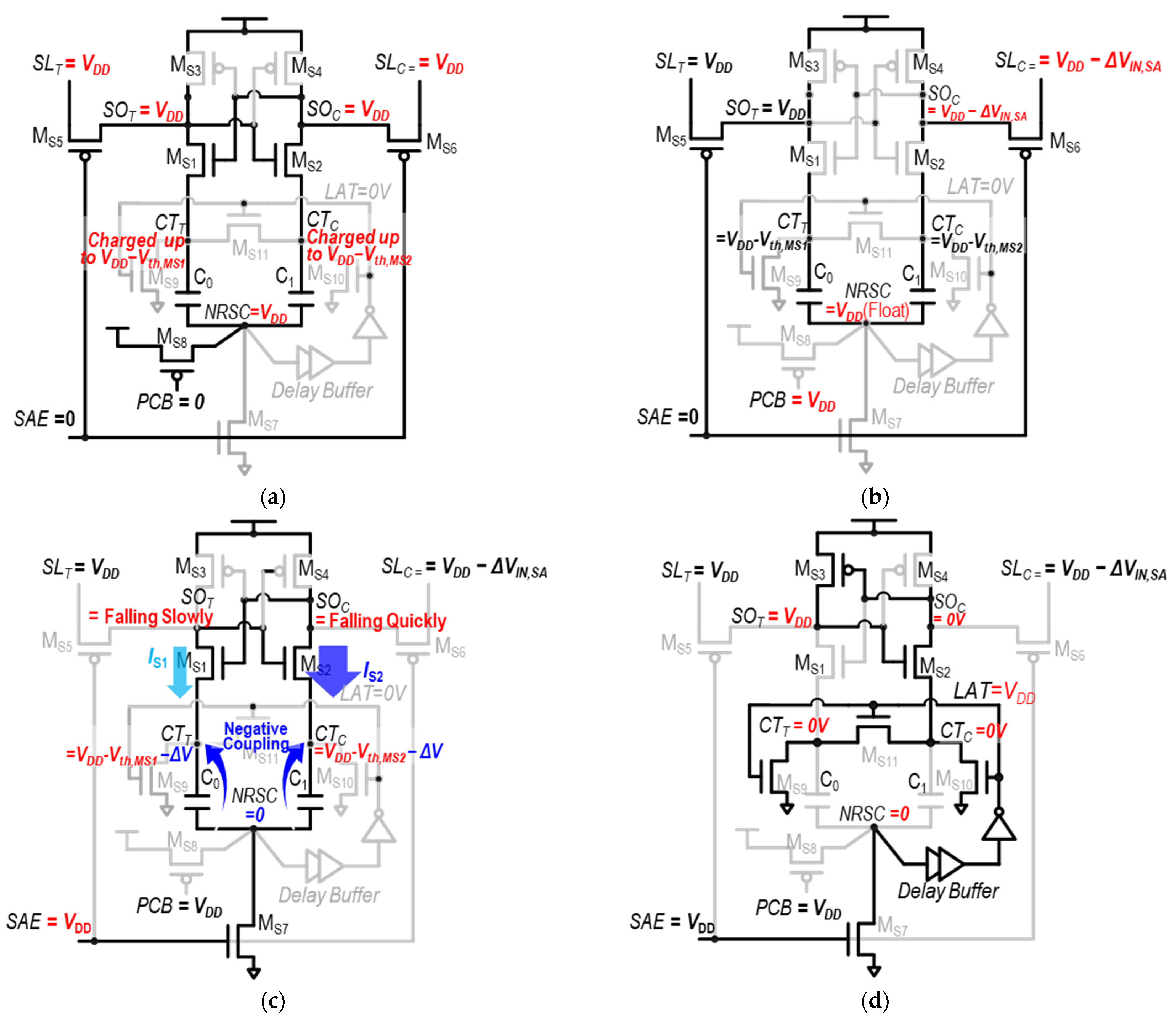
- Pre-charge phase (Figure 9a): During this phase, the input and output nodes of the SA—SLT, SLC, SOT, and SOC—are pre-charged to VDD. Then, the top-plate nodes of C0 and C1—CTT and CTC—are pre-charged to VDD − Vth,MS1 and VDD − Vth,MS2, respectively, and MS1 and MS2 become turned off. This pre-charge is conducted under the assumption that CTT and CTC are initially at 0 V before pre-charging (the rationale for this will be explained). In addition, the common bottom-plate node for C0 and C1, NRSC, is pre-charged to VDD by MS8, which is turned on by PCB = 0.
- (2)
- Access phase (Figure 9b): In this phase, SLC is lowered and becomes VDD − ΔVIN,SA by the bit-cell, causing the SOC to also be VDD − ΔVIN,SA. In addition, the PCB becomes high, so the common bottom-plate node of C0 and C1, NRSC, becomes float-high.
- (3)
- Evaluation phase (Figure 9c): This phase starts with the SAE rising, turning on MS7, so the NRSC is pulled down. This results in negative capacitive voltage couplings from NRSC to CTT and CTC, through C0 and C1, respectively. Thus, CTT and CTC are decreased by ΔV, meaning that CTT and CTC are changed into VDD − Vth,MS1 − ΔV and VDD − Vth,MS2 − ΔV, respectively. These turn on MS1 and MS2, where the overdrive voltage (VOV = VGS − Vth) of MS1 and MS2—VOV,MS1 and VOV,MS2—become as follows:VOV,MS1 = VGS,M1 − Vth,M1 = V(SOC) − V(CTT) − Vth,MS1= (VDD − ΔVIN,SA) − (VDD − Vth,MS1 − ΔV) − Vth,MS1 = ΔV − ΔVIN,SAVOV,MS2 = VGS,M2 − Vth,M2 = V(SOT) − V(CTC) − Vth,MS2= VDD − (VDD − Vth,MS2 − ΔV) − Vth,MS2 = ΔVThe noticeable point is that VOV,MS1 and VOV,MS2, which determine IS1 and IS2, are independent of Vth,MS1 and Vth,MS2, respectively. Thus, even in the presence of a mismatch between Vth,MS1 and Vth,MS2, IS1 and IS2 can be stably generated (e.g., IS1 < IS2 for datum “1“ sensing as in Figure 9c) at the beginning of the evaluation phase. This renders the TMSA to be notably more robust than the conventional VLSA, leading to a reduced VOS.
- (4)
- Latching phase (Figure 9d): After the NRSC becomes low in the evaluation phase, this change in NRSC propagates to make LAT = VDD through a delay buffer, which starts the latching phase. In this phase, CTT and CTC become 0 V, so SOT and SOC can latch the sensing results at the full digital level. This state is kept until the next pre-charge phase. Here, one can see that CTT and CTC are 0 V, and they are to be charged up to VDD − Vth,MS1 and VDD − Vth,MS2, respectively, in the next pre-charge phase.
- (1)
- Trip-point bias phase (Figure 11a): In this phase, the input and output are shorted in INV1 and INV2 of the SA. As a result, the input and output of INV1 and INV2 are set to their respective trip points—Vbias,INV1 and Vbias,INV2. This is accomplished by turning on the MS7 and MS8 transistors through PRE = 1, while also turning on the header and footer switches MS11 and MS12 with EN = 1. In addition, SAE = 0 in this phase, to make the bottom plate of the coupling capacitors, SLIT and SLIC, also be equal to the trip points of the inverters.
- (2)
- Access phase (Figure 11b): In this phase, the input–output connections are disconnected, and the two trip-point-biased inverters are ready to accept changes in SLT and SLC through capacitive couplings. Specifically, when sensing datum “1”, as demonstrated in Figure 11b, SLC is decreased by ΔVIN,SA. Then, SLIC is decreased by ΔVcoup through capacitive coupling via CC1. Due to trip-point bias, this input change of INV2 leads to a significant change in the output of INV2, SOT. As a result, an amplified voltage difference is observed between SOT and SOC, which is K × ΔVIN,SA, where K > 1. It is important to note that, as previously mentioned, because the inverters are biased to their respective trip point, the output change is almost only determined by the input change, while largely independent to the process variations.
- (3)
- Evaluation phase (Figure 11c): In this phase, the SAE becomes high; thus, the two inverters are connected in a cross-coupled fashion, by turning on MS10 and MS9. At the same time, the two cross-coupled inverters are isolated from the input by turning off MS5 and MS6. Through the positive feedback of the cross-coupled inverters, the final data are latched onto SOT and SOC at the full digital level, similar to the operation of other SAs.
- (1)
- Trip-point storage phase (ΦTrs = 1, Figure 13a): In this phase, SLT and SLC are pre-charged to VDD, and the input and output of each inverter, INV1 and INV2, are shorted. In this manner, the trip points of INV1 and INV2, VTr1 and VTr2, are captured and stored at the input and output nodes of the respective inverters, as shown in Figure 13a. It is accomplished by turning on MS7, MS8, MS9, and MS10 while turning off T1, T2, MS5, and MS6. The difference between two inverter trip points, ΔVTr, is stored across the capacitor, C0.
- (2)
- Trip-point bias phase (ΦTrb =1, Figure 13b): During this phase, the input and output of INV1 and INV2 are disconnected by turning off MS7 and MS10. Subsequently, by utilizing the ΔVTr stored in C0 in the previous phase, the input of each inverter is held as its respective trip point, while INV1 and INV2 are configured in the cross-coupled connection. For example, the input of INV1 is kept as VTr1, while it is connected to the output of INV2 (=SOc), and vice versa. This is achieved by turning on MS5 and MS7 while turning off MS11. Then, the voltage difference is made between SLT and SLC by the bit-cell, and develops the differential current through MS3 and MS4.
- (3)
- Evaluation phase (SAE = 1, Figure 13c): In this phase, the two cross-coupled inverters are disconnected from C0 by turning off MS8 and MS9. Simultaneously, the positive feedback of the cross-coupled inverters is initiated by turning on MS11, T1, and T2. As a result, the full digital voltage level appears at two differential outputs of the SA, SOT and SOC.
3.4. Offset-Compensated Pre-Amplifiers
- (1)
- Pre-charge phase (PCB = 0): In this phase, MS13 and MS14 in BP2SP are turned on to pre-charge BLC and BLT, respectively. This pre-charges BLC and BLT to VDD − Vth,MS15 and VDD − Vth,MS16, respectively, through a diode connection. It ensures that MS15 and MS16 have VGS = Vth, allowing them to turn on immediately, regardless of Vth variations, when BLC or BLT is discharged in the subsequent phase. This compensates the Vth mismatch between MS15 and MS16. In the SA side, SLT and SLC are pre-discharged to 0 V through MS8 and MS9.
- (2)
- Access phase (PCB = 1, WL = 1): During this phase, the data stored in the selected bit-line are reflected to the BLT and BLC. In the example shown in Figure 14b, datum “1” is sensed, so the BLT remains close to its pre-charge level, VDD − Vth,MS16, while BLC decreases from VDD − Vth,MS15. Because the BLC is pre-charged at VDD − Vth,MS15, MS15 turns on instantly as soon as the BLC decreases. This causes the BLXT to increase rapidly. Simultaneously, the COLB is lowered to enable the column MUX, resulting in SLT increasing and SLC remaining at 0 V. As shown in Figure 14b, this phase effectively pre-amplifies the voltage difference between BLT and BLC to the voltage difference between SLT and SLC.
- (3)
- Evaluation phase (SAE = 1): In this phase, the SAE is raised, meaning /SAE is lowered. Consequently, the VLSA is enabled to store the final sensing data in the form of a full digital voltage at the SOT and SOC nodes. In addition, during this phase, the bit-line equalization circuit—transmission gate T1—is activated to equalize BLT and BLC. This ensures that the subsequent pre-charge operation of BLT and BLC can start with both bit-lines having the same low voltage level as the initial condition. This equalization step is important for maintaining consistency in the subsequent memory operation.
- (1)
- Pre-charge phase (PBE = 0, PCB = 0): During this phase, the pre-charging boost enable signal (PBE) and PCB are low, so the SA input pre-charge circuit (MS3–MS4–MS5) and MS6 are turned on. This maintains VDDSA as VDD, while SLXT and SLXC are pre-charged to VDD. It should be noted that, unlike the conventional pre-charge operation, all the column MUX transistors and bit-line equalization circuits (T1) are turned on. As a result, SLT, SLX, BLT, and BLC are pre-charged through the CCN-PP. Because the CCN-PP is composed of nFETS, there a threshold voltage drop for pre-charging voltages. That is, BLT and BLC are pre-charged to VDD − min(Vth,MS1, Vth,MS2).
- (2)
- Access phase 1 (PBE = 1): During this phase, the unselected column MUX transistors are turned off and the PBE is raised. As a result, MS6 is turned off and then the PBEd rises, boosting the VDDSA into VDD + ΔVC through C0 coupling. Thus, the SA inputs, SLXT and SLXC, are also pre-charged to VDD + ΔVC. Accordingly, BLT and BLC can be slightly raised. In this phase, the WL is activated, so BLT and BLC start to be developed according to bit-cell data.
- (3)
- Access phase 2 (PBE = 0, PCB = 1): With PCB rising, SLXT and SLXC are affected by the change in BLT and BLC through the CCN-PP. For example, when accessing the datum “1”, as shown in Figure 15b, BLC and SLC decrease, leading MS2 to be turned on while MS1 is kept turned off. The turned-on MS2 makes SLXC fall while SLXT is kept high, close to VDD + ΔVC. Due to the positive feedback nature of cross-coupled nFETs, the voltage difference between SLXT and SLXC is larger than that of BLT and BLC, meaning that the bit-line voltage is pre-amplified.
- (4)
- Evaluation phase (SAE = 1): High SAEs activate the SA to latch the data at SA outputs, SOT and SOC. In addition, similar to BP2SP, the bit-line equalization circuit is activated to provide proper bit-line initial conditions for the subsequent pre-charge phase.
3.5. Other Structures
4. Comparison
Funding
Institutional Review Board Statement
Informed Consent Statement
Data Availability Statement
Conflicts of Interest
References
- Zhu, H.; Kursun, V. A comprehensive comparison of data stability enhancement techniques with novel nanoscale SRAM cells under parameter fluctuations. IEEE Trans. Circuits Syst. I Regul. Pap. 2011, 61, 1062–1070. [Google Scholar] [CrossRef]
- Indumathi, G.; Aarthi alias Ananthakirupa, V.P.M.B. Energy optimization techniques on SRAM: A survey. In Proceedings of the 2014 International Conference on Communication and Network Technologies, Sivakasi, India, 18–19 December 2014; pp. 216–221. [Google Scholar] [CrossRef]
- Saleh, R.; Lim, G.; Kadowaki, T.; Uchiyama, K. Trends in low power digital system-on-chip designs. In Proceedings of the International Symposium on Quality Electronic Design, San Jose, CA, USA, 18–21 March 2002; pp. 373–378. [Google Scholar] [CrossRef]
- Lin, S.; Kim, Y.-B.; Lombardi, F. A 32nm SRAM design for low power and high stability. In Proceedings of the 2008 51st Midwest Symposium on Circuits and Systems, Knoxville, TN, USA, 10–13 August 2008; pp. 422–425. [Google Scholar] [CrossRef]
- Pelgrom, M.; Duinmaijer, A.C.J.; Wlebers, A.P.G. Matching properties of MOS transistors. IEEE J. Solid-State Circuits 1989, 24, 1433–1439. [Google Scholar] [CrossRef]
- Cho, K.; Park, J.; Oh, T.W.; Jung, S.-O. One-Sided Schmitt-Trigger-Based 9T SRAM Cell for Near-Threshold Operation. IEEE Trans. Circuits Syst. I Regul. Pap. 2020, 67, 1551–1561. [Google Scholar] [CrossRef]
- Nabavi, M.; Sachdev, M. A 290-mV 3.34-MHz 6T SRAM with pMOS access transistors and boosted wordline in 65-nm CMOS technology. IEEE J. Solid-State Circuits 2018, 53, 656–667. [Google Scholar] [CrossRef]
- Abbasian, E. A Highly Stable Low-Energy 10T SRAM for Near-Threshold Operation. IEEE Trans. Circuits Syst. I Regul. Pap. 2022, 69, 5195–5205. [Google Scholar] [CrossRef]
- Khayatzadeh, M.; Lian, Y. Average-8 T differential-sensing Subthreshold SRAM with bit Interleaving and 1kbits per Bitline. IEEE Trans. Very Large Scale Integr. (VLSI) Syst. 2014, 22, 971–982. [Google Scholar] [CrossRef]
- Teman, A.; Pergament, L.; Cohen, O.; Fish, A. A 250 mV 8 kb 40 nm ultra-low power 9 T supply feedback SRAM (SF-SRAM). IEEE J. Solid-State Circuits 2011, 46, 2713–2726. [Google Scholar] [CrossRef]
- Weste, N.; Harris, D. CMOS VLSI Design: A Circuits and Systems Perspective; Addison-Wesley: Boston, MA, USA, 2005. [Google Scholar]
- Mu, J.; Kim, H.; Kim, B. SRAM-Based In-Memory Computing Macro Featuring Voltage-Mode Accumulator and Row-by-Row ADC for Processing Neural Networks. IEEE Trans. Circuits Syst. I Regul. Pap. 2022, 69, 2412–2422. [Google Scholar] [CrossRef]
- Yu, C.; Yoo, T.; Kim, H.; Kim, T.T.-H.; Chuan, K.C.T.; Kim, B. A Logic-Compatible eDRAM Compute-In-Memory With Embedded ADCs for Processing Neural Networks. IEEE Trans. Circuits Syst. I Regul. Pap. 2021, 68, 667–679. [Google Scholar] [CrossRef]
- Yu, C.; Yoo, T.; Kim, T.T.-H.; Chuan, K.C.T.; Kim, B. A 16K Current-Based 8T SRAM Compute-In-Memory Macro with Decoupled Read/Write and 1-5bit Column ADC. In Proceedings of the 2020 IEEE Custom Integrated Circuits Conference (CICC), Boston, MA, USA, 22–25 March 2020; pp. 1–4. [Google Scholar] [CrossRef]
- Kim, H.; Kim, Y.; Ryu, S.; Kim, J.-J. Algorithm/Hardware Co-Design for In-Memory Neural Network Computing with Minimal Peripheral Circuit Overhead. In Proceedings of the 2020 57th ACM/IEEE Design Automation Conference (DAC), San Francisco, CA, USA, 20–24 July 2020; pp. 1–6. [Google Scholar] [CrossRef]
- Sun, X.; Peng, X.; Chen, P.-Y.; Liu, R.; Seo, J.-S.; Yu, S. Fully parallel RRAM synaptic array for implementing binary neural network with (+1, −1) weights and (+1, 0) neurons. In Proceedings of the 2018 23rd Asia and South Pacific Design Automation Conference (ASP-DAC), Jeju, Republic of Korea, 22–25 January 2018; pp. 574–579. [Google Scholar] [CrossRef]
- Lee, S.-T.; Woo, S.Y.; Lee, J.-H. Low-Power Binary Neuron Circuit with Adjustable Threshold for Binary Neural Networks Using NAND Flash Memory. IEEE Access 2020, 8, 153334–153340. [Google Scholar] [CrossRef]
- Liu, R.; Peng, X.; Sun, X.; Khwa, W.S.; Si, X.; Chen, J.J.; Li, J.F.; Chang, M.F.; Yu, S. Parallelizing SRAM Arrays with Customized Bit-Cell for Binary Neural Networks. In Proceedings of the 2018 55th ACM/ESDA/IEEE Design Automation Conference (DAC), San Francisco, CA, USA, 24–28 June 2018; pp. 1–6. [Google Scholar]
- Dong, Q.; Sinangil, M.E.; Erbagci, B.; Sun, D.; Khwa, W.-S.; Liao, H.-J.; Wang, Y.; Chang, J. 15.3 A 351TOPS/W and 372.4GOPS Compute-in-Memory SRAM Macro in 7nm FinFET CMOS for Machine-Learning Applications. In Proceedings of the 2020 IEEE International Solid-State Circuits Conference—(ISSCC), San Francisco, CA, USA, 16–20 February 2020; pp. 242–244. [Google Scholar] [CrossRef]
- Sun, J.; Wang, Y.; Liu, P.; Wen, S.; Wang, Y. Memristor-Based Neural Network Circuit With Multimode Generalization and Differentiation on Pavlov Associative Memory. IEEE Trans. Cybern. 2023, 53, 3351–3362. [Google Scholar] [CrossRef] [PubMed]
- Lai, Q.; Wan, Z.; Kuate, P.D.K. Generating Grid Multi-Scroll Attractors in Memristive Neural Networks. IEEE Trans. Circuits Syst. I Regul. Pap. 2023, 70, 1324–1336. [Google Scholar] [CrossRef]
- Lovett, S.J.; Gibbs, G.A.; Pancholy, A. Yield and matching implications for static RAM memory array sense amplifier design. IEEE J. Solid-State Circuits 2000, 35, 1200–1204. [Google Scholar] [CrossRef]
- Zhang, K.; Hose, K.; De, V.; Senyk, B. The scaling of data sensing schemes for high speed cache design in sub-0.18 μm technologies. In Proceedings of the 2000 Symposium on VLSI Circuits, Honolulu, HI, USA, 15–17 June 2000; pp. 226–227. [Google Scholar]
- Boley, J.; Calhoun, B. Stack based sense amplifier designs for reducing input-referred offset. In Proceedings of the Sixteenth International Symposium on Quality Electronic Design, Santa Clara, CA, USA, 2–4 March 2015; pp. 1–4. [Google Scholar]
- Reniwal, B.S.; Singh, P.; Vijayvargiya, V.; Vishvakarma, S.K. A new sense amplifier design with improved input referred offset characteristics for energy-efficient sram. In Proceedings of the 2017 30th International Conference on VLSI Design and 2017 16th International Conference on Embedded Systems (VLSID), Hyderabad, India, 7–11 January 2017; pp. 335–340. [Google Scholar]
- Patil, V.; Grover, A.; Parashar, A. Design of sense amplifier for wide voltage range operation of split supply memories in 22nm HKMG CMOS technology. In Proceedings of the 2020 33rd International Conference on VLSI Design and 2020 19th International Conference on Embedded Systems (VLSID), Bangalore, India, 4–8 January 2020; pp. 37–42. [Google Scholar]
- Saraswat, G.; Parashar, A. Voltage Boosted Schmitt Trigger Sense Amplifier (VBSTSA) with Improved Offset and Reaction Time For High Speed SRAMs. In Proceedings of the 2023 36th International Conference on VLSI Design and 2023 22nd International Conference on Embedded Systems (VLSID), Hyderabad, India, 8–12 January 2023. [Google Scholar]
- Liu, B.; Cai, J.; Yuan, J.; Hei, Y. A low-voltage SRAM sense amplifier with offset cancelling using digitized multiple body biasing. IEEE Trans. Circuits Syst. II Express Briefs 2017, 64, 442–446. [Google Scholar] [CrossRef]
- Dhong, S.; Takahashi, O.; White, M.; Asano, T.; Nakazato, T.; Silberman, J.; Kawasumi, A.; Yoshihara, H. A 4.8GHz fully pipelined embedded SRAM in the streaming processor of a CELL processor. In Proceedings of the ISSCC. 2005 IEEE International Digest of Technical Papers. Solid-State Circuits Conference, 2005, San Francisco, CA, USA, 10 February 2005; Volume 1, pp. 486–612. [Google Scholar]
- Chen, N.; Chaba, R. Dual Sensing Current Latched Sense Amplifier. U.S. Patent 12 731 623, 3 March 2010. [Google Scholar]
- Tsai, M.-F.; Tsai, J.-H.; Fan, M.-L.; Su, P.; Chuang, C.-T. Variation tolerant CLSAs for nanoscale bulk-CMOS and FinFET SRAM. In Proceedings of the 2012 IEEE Asia Pacific Conference on Circuits and Systems, Kaohsiung, Taiwan, 2–5 December 2012; pp. 471–474. [Google Scholar]
- Sarfraz, K.; He, J.; Chan, M. A 140-mV variation-tolerant deep sub-threshold SRAM in 65-nm CMOS. IEEE J. Solid-State Circuits 2017, 52, 2215–2220. [Google Scholar] [CrossRef]
- Patel, D.; Neale, A.; Wright, D.; Sachdev, M. Hybrid latch-type offset tolerant sense amplifier for low-voltage SRAMs. IEEE Trans. Circuits Syst. I Regul. Pap. 2019, 66, 2519–2532. [Google Scholar] [CrossRef]
- Kawasumi, A.; Takeyama, Y.; Hirabayashi, O.; Kushida, K.; Tachibana, F.; Niki, Y.; Sasaki, S.; Yabe, T. Energy efficiency deterioration by variability in SRAM and circuit techniques for energy saving without voltage reduction. In Proceedings of the 2012 IEEE International Conference on IC Design & Technology (ICICDT), Austin, TX, USA, 30 May–1 June 2012; pp. 1–4. [Google Scholar]
- Verma, N.; Chandrakasan, A.P. A High-Density 45 nm SRAM Using Small-Signal Non-Strobed Regenerative Sensing. IEEE J. Solid-State Circuits 2008, 44, 163–173. [Google Scholar] [CrossRef]
- Qazi, M.; Stawiasz, K.; Chang, L.; Chandrakasan, A. A 512kb 8T SRAM Macro Operating Down to 0.57 V with an AC-Coupled Sense Amplifier and Embedded Data-Retention-Voltage Sensor in 45nm SOI CMOS. IEEE J. Solid-State Circuits 2010, 46, 85–96. [Google Scholar] [CrossRef]
- Fragasse, R.; Dupaix, B.; Tantawy, R.; James, T.; Khalil, W. Sense amplifier offset cancellation and replica timing calibration for high-speed SRAMs. In Proceedings of the 2018 IEEE 9th Latin American Symposium on Circuits & Systems (LASCAS), Puerto Vallarta, Mexico, 25–28 February 2018; pp. 1–5. [Google Scholar]
- Sinangil, M.E.; Poulton, J.W.; Fojtik, M.R.; Greer, T.H.; Tell, S.G.; Gotterba, A.J.; Wang, J.; Golbus, J.; Zimmer, B.; Dally, W.J.; et al. A 28 nm 2 Mbit 6 T SRAM with highly configurable low-voltage write-ability assist implementation and capacitor-based sense-amplifier input offset compensation. IEEE J. Solid-State Circuits 2015, 51, 557–567. [Google Scholar] [CrossRef]
- Giridhar, B.; Pinckney, N.; Sylvester, D.; Blaauw, D. 13.7 A reconfigurable sense amplifier with auto-zero calibration and pre-amplification in 28nm CMOS. In Proceedings of the 2014 IEEE International Solid-State Circuits Conference Digest of Technical Papers (ISSCC), San Francisco, CA, USA, 9–13 February 2014. [Google Scholar]
- Fragasse, R.; Tantawy, R.; Dupaix, B.; Dean, T.; Disabato, D.; Belz, M.R.; Smith, D.; Mccue, J.; Khalil, W. Analysis of SRAM enhancements through sense amplifier capacitive offset correction and replica self-timing. IEEE Trans. Circuits Syst. I Regul. Pap. 2019, 66, 2037–2050. [Google Scholar] [CrossRef]
- Schinkel, D.; Mensink, E.; Klumperink, E.; van Tuijl, E.; Nauta, B. A Double-Tail Latch-Type Voltage Sense Amplifier with 18ps Setup+Hold Time. In Proceedings of the 2007 IEEE International Solid-State Circuits Conference. Digest of Technical Papers, San Francisco, CA, USA, 11–15 February 2007; pp. 314–315. [Google Scholar]
- Jeong, H.; Park, J.; Oh, T.W.; Rim, W.; Song, T.; Kim, G.; Won, H.-S.; Jung, S.-O. Bitline precharging and preamplifying switching pMOS for high-speed low-power SRAM. IEEE Trans. Circuits Syst. II Express Briefs 2016, 63, 1059–1063. [Google Scholar] [CrossRef]
- Lee, S.; Park, J.; Jeong, H. Cross-Coupled nFET Preamplifier for Low Voltage SRAM. IEEE Trans. Circuits Syst. II Express Briefs 2023, 70, 3604–3608. [Google Scholar] [CrossRef]
- Sharifkhani, M.; Rahiminejad, E.; Jahinuzzaman, S.M.; Sachdev, M. A compact hybrid current/voltage sense amplifier with offset cancellation for high-speed SRAMs. IEEE Trans. Very Large Scale Integr. VLSI Syst. 2011, 19, 883–894. [Google Scholar] [CrossRef]
- Shah, J.S.; Nairn, D.; Sachdev, M. An energy-efficient offset cancelling sense amplifier. IEEE Trans. Circuits Syst. II Express Briefs 2013, 60, 477–481. [Google Scholar] [CrossRef]
- Patel, D.; Neale, A.; Wright, D.; Sachdev, M. Body Biased Sense Amplifier With Auto-Offset Mitigation for Low-Voltage SRAMs. IEEE Trans. Circuits Syst. I Regul. Pap. 2021, 68, 3265–3278. [Google Scholar] [CrossRef]
- Zhao, Y.; Wang, J.; Tong, Z.; Wu, X.; Peng, C.; Lu, W.; Zhao, Q.; Lin, Z. An offset cancellation technique for SRAM sense amplifier based on relation of the delay and offset. Microelectron. J. 2022, 128, 105578. [Google Scholar] [CrossRef]
- Mohammad, B.; Dadabhoy, P.; Lin, K.; Bassett, P. Comparative study of current mode and voltage mode sense amplifier used for 28nm SRAM. In Proceedings of the 2012 24th International Conference on Microelectronics (ICM), Algiers, Algeria, 16–20 December 2012; pp. 1–6. [Google Scholar] [CrossRef]
- Pu, Y.; Zhang, X.; Huang, J.; Muramatsu, A.; Nomura, M.; Hirairi, K.; Takata, H.; Sakurabayashi, T.; Miyano, S.; Takamiya, M.; et al. Misleading energy and performance claims in sub/near threshold digital systems. In Proceedings of the 2010 IEEE/ACM International Conference on Computer-Aided Design (ICCAD), San Jose, CA, USA, 7–11 November 2010; pp. 625–631. [Google Scholar]
- Moritz, G.; Giraud, B.; Noel, J.; Turgis, D.; Grover, A. Optimization of a voltage sense amplifier operating in ultra wide voltage range with back bias design techniques in 28nm utbb fd-soi technology. In Proceedings of the 2013 International Conference on IC Design Technology (ICICDT), Pavia, Italy, 29–31 May 2013; pp. 53–56. [Google Scholar]
- Niki, Y.; Kawasumi, A.; Suzuki, A.; Takeyama, Y.; Hirabayashi, O.; Kushida, K.; Tachibana, F.; Fujimura, Y.; Yabe, T. A digitized replica bitline delay technique for random-variation-tolerant timing generation of SRAM sense amplifiers. IEEE J. Solid-State Circuits 2011, 46, 2545–2551. [Google Scholar] [CrossRef]
- Arslan, U.; McCartney, M.P.; Bhargava, M.; Li, X.; Mai, K.; Pileggi, L.T. Variation-tolerant SRAM sense-amplifier timing using configurable replica bitlines. In Proceedings of the IEEE Custom Integrated Circuits Conference (CICC), San Jose, CA, USA, 21–24 September 2008; pp. 415–418. [Google Scholar]
- Wang, P.; Zhou, K.; Zhang, H.; Gong, D. Design of replica bit line control circuit to optimize power for SRAM. J. Semicond. 2016, 37, 125002. [Google Scholar] [CrossRef]
- Lin, Z.; Wu, X.; Li, Z.; Guan, L.; Peng, C.; Liu, C.; Chen, J. A pipeline replica bitline technique for suppressing timing variation of SRAM sense amplifiers in a 28-nm CMOS process. IEEE J. Solid-State Circuits 2016, 52, 669–677. [Google Scholar] [CrossRef]
- Komatsu, S.; Yamaoka, M.; Morimoto, M.; Maeda, N.; Shimazaki, Y.; Osada, K. A 40-nm low-power SRAM with multi-stage replica-bitline technique for reducing timing variation. In Proceedings of the IEEE Custom Integrated Circuits Conference, San Jose, CA, USA, 13–16 September 2009; pp. 701–704. [Google Scholar]
- Amrutur, B.S.; Horowitz, M.A. Fast low-power decoders for RAMs. IEEE J. Solid-State Circuits 2001, 36, 1506–1515. [Google Scholar] [CrossRef]
- Chang, M.-F.; Yang, S.-M.; Chen, K.-T.; Liao, H.-J.; Lee, R. Improving the speed and power of compilable SRAM using dual-mode selftimed technique. In Proceedings of the 2007 IEEE International Workshop on Memory Technology, Design and Testing, Taipei, Taiwan, 3–5 December 2007; pp. 57–60. [Google Scholar]
- Kim, T.-H.; Liu, J.; Keane, J.; Kim, C.H. A 0.2 V, 480 kb subthreshold SRAM with 1 k cells per bitline for ultra-low-voltage computing. IEEE J. Solid-State Circuits 2008, 43, 518–529. [Google Scholar] [CrossRef]
- Wang, D.; Liao, H.; Yamauchi, H.; Chen, Y.; Lin, Y.; Lin, S.; Liu, D.C.; Chang, H.; Hwang, W. A 45nm dual-port SRAM with write and read capability enhancement at low voltage. In Proceedings of the 2007 IEEE International SOC Conference, Hsinchu, Taiwan, 26–29 September 2007; pp. 211–214. [Google Scholar]
- Karl, E.; Wang, Y.; Ng, Y.-G.; Guo, Z.; Hamzaoglu, F.; Bhattacharya, U.; Zhang, K.; Mistry, K.; Bohr, M. A 4.6 GHz 162 Mb SRAM design in 22 nm trigate CMOS technology with integrated active VMIN-enhancing assist circuitry. In Proceedings of the 2012 IEEE International Solid-State Circuits Conference, San Francisco, CA, USA, 19–23 February 2012. [Google Scholar]
- Chang, J.; Chen, Y.H.; Cheng, H.; Chan, W.M.; Liao, H.J.; Li, Q.; Chang, S.; Natarajan, S.; Lee, R.; Wang, P.W.; et al. A 20 nm 112Mb SRAM in highmetal-gate with assist circuitry for low-leakage and low-VMIN applications. In Proceedings of the 2013 IEEE International Solid-State Circuits Conference Digest of Technical Papers, San Francisco, CA, USA, 17–21 February 2013; pp. 316–333. [Google Scholar]
- Song, T.; Rim, W.; Park, S.; Kim, Y.; Yang, G.; Kim, H.; Baek, S.; Jung, J.; Kwon, B.; Cho, S.; et al. A 10 nm FinFET 128 Mb SRAM with assist adjustment system for power, performance, and area optimization. IEEE J. Solid State Circuits 2017, 52, 240–249. [Google Scholar] [CrossRef]
- Baek, G.; Jeong, H. High-Density SRAM Read Access Yield Estimation Methodology. IEEE Access 2021, 9, 128288–128301. [Google Scholar] [CrossRef]


















| Structure | Offset Reduction Technique | Components | Control Signals | Limitations | |
|---|---|---|---|---|---|
| VLSA | Figure 2a | - | 7 TR | PCB, SAE | Large VOS |
| CLSA | Figure 2b | - | 9 TR | PCB, SAE | Increased VOS due to additional TR pair |
| STSA | Figure 6a | Driving Internal Nodes of VLSA (ZT and ZC) | 11 TR | PCB, SAE | Speed degradation due to stack |
| VBSTSA | Figure 6b | STSA + Negative Boosting VSS | 14 TR + NVG (share) | PCB, SAE, BSTEN | Necessitating for NVG (power/area cost) |
| VTSA | Figure 7a | Pre-charging SOT and SOC to SLT and SLC in CLSA | 9 TR | PCB, SAE | Speed degradation due to stack |
| HYSA-QZ | Figure 7b | Pre-charging output nodes and internal nodes of CLSA | 11 TR | PCB, SAE | Speed degradation due to stack |
| TMSA | Figure 8a | Capturing Vth of pull-down nFETs through paired cap | 11 TR + INV + Buffer + 2 C | PCB, SAE | Capacitor mismatch, Cap power/area overhead |
| VTS-SA | Figure 10 | Capturing trip points of cross-coupled INVs with input acceptation via coupling cap pair | 12 TR + 2 C | EN, PCB, PRE, SAE | Capacitor mismatch, power/area overhead |
| CSACOC | Figure 12a | Capturing trip points of cross-coupled inverters via single capacitor | 16 TR + 1C +2 OR (shared) | PCB, SAE, ΦTrs, ΦTrb | Many switches, control signal circuit |
| BP2SP | Figure 14a | Capturing Vth of pre-amplifying pFET pair at BL pre-charge | 6TR + SA | PCB, SAE | Bit-line floating, unstable pre-charge level, power/area overhead |
| CCN-PP | Figure 15a | Pre-amplifying BL via cross-coupled nFET pair, while capturing Vth with boosted VDD | 4TR + 2C + Buffer + 1TR + SA | PCB, SAE, PBE | Bit-line floating, power/area overhead |
| OCCSA | [44] | Capturing Vth of MUX nFETs at BL pre-charge | 7 TR | PCB, SAE | Additional Vprebl voltage generator, different MUX signal |
| SAOC | [45] | Capturing Vth of input pFETs at SA pre-charge | 11 TR | PCB, SAE, OCEN | N1, N2 mismatch, control signal circuit |
| DIBBSA-FL, DIBBSA-PD | [46] | Body biasing | 7 TR, 9TR +Body contact | PCB, SAE | Inapplicable to the recent technology whose body effect is minimal |
| CDOR | [47] | Lowering input voltage according to SA mismatch | 15 TR | PCB, SAE, Q | Control signal circuit for added Q and different PCB, SAE operation |
| Standard Dev. of VOS (mV) | BL Delay (ps) | SA Delay (ps) | Energy Consumption for Four BLs (fJ) | SA Energy Consumption (fJ) | Area (µm2) | |
|---|---|---|---|---|---|---|
| VLSA | 16.46 | 203.86 | 15.25 | 93.86 | 2.94 | 6.48 |
| CLSA | 27.77 | 323.32 | 27.69 | 110.35 | 3.99 | 7.88 |
| STSA | 12.24 | 159.57 | 19.41 | 86.90 | 3.67 | 8.49 |
| VTSA | 11.54 | 152.21 | 17.67 | 87.47 | 3.37 | 6.79 |
| HYSA-QZ | 10.39 | 140.25 | 16.83 | 79.21 | 3.65 | 7.09 |
| TMSA | 9.96 | 138.46 | 13.47 | 95.43 | 25.23 | 8.63 |
| VTS-SA | 5.75 | 91.84 | 15.25 | 76.60 | 16.38 | 7.11 |
| CSACOC | 9.76 | 133.67 | 27.69 | 89.27 | 18.26 | 9.55 |
Disclaimer/Publisher’s Note: The statements, opinions and data contained in all publications are solely those of the individual author(s) and contributor(s) and not of MDPI and/or the editor(s). MDPI and/or the editor(s) disclaim responsibility for any injury to people or property resulting from any ideas, methods, instructions or products referred to in the content. |
© 2023 by the authors. Licensee MDPI, Basel, Switzerland. This article is an open access article distributed under the terms and conditions of the Creative Commons Attribution (CC BY) license (https://creativecommons.org/licenses/by/4.0/).
Share and Cite
Lee, S.; Park, G.; Jeong, H. Design of High-Speed, Low-Power Sensing Circuits for Nano-Scale Embedded Memory. Sensors 2024, 24, 16. https://doi.org/10.3390/s24010016
Lee S, Park G, Jeong H. Design of High-Speed, Low-Power Sensing Circuits for Nano-Scale Embedded Memory. Sensors. 2024; 24(1):16. https://doi.org/10.3390/s24010016
Chicago/Turabian StyleLee, Sangheon, Gwanwoo Park, and Hanwool Jeong. 2024. "Design of High-Speed, Low-Power Sensing Circuits for Nano-Scale Embedded Memory" Sensors 24, no. 1: 16. https://doi.org/10.3390/s24010016
APA StyleLee, S., Park, G., & Jeong, H. (2024). Design of High-Speed, Low-Power Sensing Circuits for Nano-Scale Embedded Memory. Sensors, 24(1), 16. https://doi.org/10.3390/s24010016

