Micro-Leakage Image Recognition Method for Internal Detection in Small, Buried Gas Pipelines
Abstract
1. Introduction
2. Image Sample Diversity
2.1. DCGAN
- Both the generator and discriminator of DCGAN discard the pooling layer of the CNN, the discriminator retains the overall architecture of the CNN, and the generator replaces the convolutional layer with a deconvolutional layer;
- Batch normalization layer (BNL) is used in the discriminator and generator to accelerate the model training and improve the training stability. However, since direct application of batch normalization (BN) to all layers leads to sample oscillation and model instability, the batch normalization layer is not used in the output layer of the generator and the input layer of the discriminator;
- ReLU is used as the activation function in the generator network, and Tanh is used as the activation function in the last layer;
- LeakyReLU is used as the activation function in the discriminator network to prevent gradient sparsity;
- Using the Adam optimizer, the value of the exponential decay rate of the first-order moment estimate is set to 0.5.
2.2. WGAN-GP
2.3. DCWGAN
2.3.1. Improved Generator
2.3.2. Improved Discriminator
3. Microleakage Image Recognition for Internal Detection
3.1. Original YOLOv5s
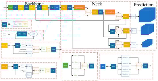
3.2. MS-YOLOv5s
3.2.1. BiFPN
3.2.2. Small Target Detection Layer
4. Experimental Design and Analysis of Results
4.1. DCWGAN Network Parameter Setting and Training
4.2. Image Generation Results and Evaluation
4.3. Establishment of Microleakage Image Dataset for Detection in Small Buried Gas Pipelines
4.4. Experimental Environment
4.5. Evaluation Metrics
4.6. Experimental Results
4.7. Discussion
5. Conclusions
- The traditional nongenerative data enhancement method is applied to expand the number of images, the DCWGAN generative data enhancement network is designed to generate images to achieve image sample diversity and further expand the number of images, and a microleakage image dataset for detection in small, buried gas pipelines is established through a combination of the two methods.
- In this paper, the following steps were taken: designing the MS-YOLOv5s network, introducing the BiFPN structure into the YOLOv5s original network, fusing feature information at different scales, adding cross-scale connecting lines in the feature fusion structure to retain more deep feature information, improving gas pipeline leak point recognition precision and recognition efficiency. The construction of a small target detection layer retains more shallow feature information to enhance the recognition of small leakage points and reduce the leakage detection rate, with the smallest identifiable leak size up to 1 mm. The comparison experiments of different network models show that the Precision, Recall, and mAP values of the MS-YOLOv5s network proposed in this paper are 95.04%, 94.86% and 96.31%, respectively, which have good recognition effects on microleakage points detected in small, buried gas pipelines.
Author Contributions
Funding
Institutional Review Board Statement
Informed Consent Statement
Data Availability Statement
Acknowledgments
Conflicts of Interest
References
- Liu, B.; Liu, S.; Guo, S.; Zhang, S. Economic study of a large-scale renewable hydrogen application utilizing surplus renewable energy and natural gas pipeline transportation in China. Int. J. Hydrogen Energy 2020, 45, 1385–1398. [Google Scholar] [CrossRef]
- Xu, H.; Bbosa, B.; Pereyra, E.; Volk, M.; Mannan, M.S. Oil transportation in pipelines with the existence of ice. J. Loss Prev. Process Ind. 2018, 56, 137–146. [Google Scholar] [CrossRef]
- Tian, Q.; Zhao, D.; Li, Z.; Zhu, Q. Robust and stepwise optimization design for CO2 pipeline transportation. Int. J. Greenh. Gas Control 2017, 58, 10–18. [Google Scholar] [CrossRef]
- Zhao, W.; Kamezaki, M.; Yamaguchi, K.; Konno, M.; Onuki, A.; Sugano, S. A wheeled robot chain control system for underground facilities inspection using visible light communication and solar panel receivers. IEEE/ASME Trans. Mechatron. 2022, 27, 180–189. [Google Scholar] [CrossRef]
- Barton, N.A.; Farewell, T.S.; Hallett, S.H.; Acland, T.F. Improving pipe failure predictions: Factors affecting pipe failure in drinking water networks. Water Res. 2019, 164, 114926. [Google Scholar] [CrossRef]
- Gong, Y.; Li, Y. STAMP-based causal analysis of China-donghuang oil transportation pipeline leakage and explosion accident. J. Loss Prev. Process Ind. 2018, 56, 402–413. [Google Scholar] [CrossRef]
- Quy, T.B.; Kim, J.M. Leak detection in a gas pipeline using spectral portrait of acoustic emission signals. Measurement 2020, 152, 107403. [Google Scholar]
- Wang, X.J.; Lambert, M.F.; Simpson, A.R.; Vítkovský, J.P. Leak detection in pipeline systems and networks: A review. Proc. Aust. Conf. Hydraul. Civil Eng. 2001, 391–400. [Google Scholar]
- Firouzeh, A.; Salerno, M.; Paik, J. Stiffness control with shape memory polymer in under actuated robotic origamis. IEEE Trans. Robot. 2017, 33, 765–777. [Google Scholar] [CrossRef]
- Wang, Z.; Gu, H. An bristle-based pipeline robot for Ill-constraint pipes. IEEE/ASME Trans. Mechatron. 2008, 13, 383–392. [Google Scholar] [CrossRef]
- Qi, H.; Zhang, X.; Chen, H.; Ye, J. Tracing and localization system for pipeline robot. Mechatronics 2009, 19, 76–84. [Google Scholar] [CrossRef]
- Yang, S.; Jeon, K.; Kang, D.; Han, C. Accident analysis of the gumi hydrogen fluoride gas leak using CFD and comparison with post-accidental environmental impacts. J. Loss Prev. Process Ind. 2017, 48, 207–215. [Google Scholar] [CrossRef]
- Walker, A.H.; Stern, C.; Scholz, D.; Nielsen, E.; Csulak, F.; Gaudiosi, R. Consensus ecological risk assessment of potential transportation-related Bakken and Dilbit crude oil spills in the Delaware bay watershed USA. J. Mar. Sci. Eng. 2016, 4, 23. [Google Scholar] [CrossRef]
- Patterson, L.A.; Konschnik, K.E.; Wiseman, H.; Fargione, J.; Maloney, K.O.; Kiesecker, J.; Nicot, J.P.; Baruch-Mordo, S.; Entrekin, S.; Trainor, A.; et al. Unconventional oil and gas spills: Risks mitigation priorities and state reporting requirements. Environ. Sci. Technol. 2017, 51, 2563. [Google Scholar] [CrossRef] [PubMed]
- Liu, C.; Li, Y.; Meng, L.; Wang, W.; Zhao, F.; Fu, J. Computational fluid dynamic simulation of pressure perturbations generation for gas pipelines leakage. Comput. Fluids 2015, 119, 213–223. [Google Scholar] [CrossRef]
- Liu, C.; Li, Y.; Fu, G.; Liu, G. Experimental study on acoustic propagation-characteristics-based leak location method for natural gas pipelines. Process Saf. Environ. Prot. 2015, 96, 43–60. [Google Scholar]
- Wang, Y.Q.; Wan, S.; Zhou, Y.C.; Yang, H.G. Research on technology of gas pipeline leakage detection based on infrasonic wave. Appl. Mech. Mater. 2013, 401, 1106–1109. [Google Scholar] [CrossRef]
- Ullah, N.; Ahmed, Z.; Kim, J.-M. Pipeline Leakage Detection Using Acoustic Emission and Machine Learning Algorithms. Sensors 2023, 23, 3226. [Google Scholar] [CrossRef]
- Chen, K.; Li, H.; Li, C.; Zhao, X.; Wu, S.; Duan, Y.; Wang, J. An Automatic Defect Detection System for Petrochemical Pipeline Based on Cycle-GAN and YOLO v5. Sensors 2022, 22, 7907. [Google Scholar] [CrossRef]
- Radford, A.; Metz, L.; Chintala, S. Unsupervised representation learning with deep convolutional generative adversarial networks. arXiv 2015, arXiv:1511.06434. [Google Scholar]
- Nair, A.; Deshmukh, J.; Sonare, A.; Mishra, T.; Joseph, R. Image Outpainting using Wasserstein Generative Adversarial Network with Gradient Penalty. In Proceedings of the 2022 6th International Conference on Computing Methodologies and Communication (ICCMC), Erode, India, 29–31 March 2022; pp. 1248–1255. [Google Scholar]
- Xiang, X.; Wang, Z.; Qiao, Y. An Improved YOLOv5 Crack Detection Method Combined With Transformer. IEEE Sens. J. 2022, 22, 14328–14335. [Google Scholar] [CrossRef]
- Wen, G.; Li, S.; Liu, F.; Luo, X.; Er, M.-J.; Mahmud, M.; Wu, T. YOLOv5s-CA: A Modified YOLOv5s Network with Coordinate Attention for Underwater Target Detection. Sensors 2023, 23, 3367. [Google Scholar] [CrossRef]
- Du, F.-J.; Jiao, S.-J. Improvement of Lightweight Convolutional Neural Network Model Based on YOLO Algorithm and Its Research in Pavement Defect Detection. Sensors 2022, 22, 3537. [Google Scholar] [CrossRef] [PubMed]
- Wang, X.; Guo, J.; Yi, J.; Song, Y.; Xu, J.; Yan, W.; Fu, X. Real-Time and Efficient Multi-Scale Traffic Sign Detection Method for Driverless Cars. Sensors 2022, 22, 6930. [Google Scholar] [CrossRef]
- Wang, X.; Wu, Z.; Jia, M.; Xu, T.; Pan, C.; Qi, X.; Zhao, M. Lightweight SM-YOLOv5 Tomato Fruit Detection Algorithm for Plant Factory. Sensors 2023, 23, 3336. [Google Scholar] [CrossRef] [PubMed]
















| Parameter Name | Value |
|---|---|
| Batch size | 64 |
| Learning rate G | 0.0002 |
| Learning rate D | 0.0002 |
| Epochs | 5000 |
| Betal | 0.5 |
| Z | 128 |
| Optimizer | Adam |
| Training Dataset | AP/% |
|---|---|
| 171 images of pipeline leakage points | 67.41 |
| 171 images of pipeline leak points + 300 generated images | 72.73 |
| 171 images of pipeline leak points + 600 generated images | 75.15 |
| Parameter Name | Value |
|---|---|
| Weight | Random |
| Epochs | 300 |
| Image size | 640 × 640 |
| Batch size | 16 |
| Optimizer | SGD |
| Workers | 8 |
Disclaimer/Publisher’s Note: The statements, opinions and data contained in all publications are solely those of the individual author(s) and contributor(s) and not of MDPI and/or the editor(s). MDPI and/or the editor(s) disclaim responsibility for any injury to people or property resulting from any ideas, methods, instructions or products referred to in the content. |
© 2023 by the authors. Licensee MDPI, Basel, Switzerland. This article is an open access article distributed under the terms and conditions of the Creative Commons Attribution (CC BY) license (https://creativecommons.org/licenses/by/4.0/).
Share and Cite
Zhao, Y.; Su, Z.; Zhao, H. Micro-Leakage Image Recognition Method for Internal Detection in Small, Buried Gas Pipelines. Sensors 2023, 23, 3956. https://doi.org/10.3390/s23083956
Zhao Y, Su Z, Zhao H. Micro-Leakage Image Recognition Method for Internal Detection in Small, Buried Gas Pipelines. Sensors. 2023; 23(8):3956. https://doi.org/10.3390/s23083956
Chicago/Turabian StyleZhao, Yuxin, Zhong Su, and Hui Zhao. 2023. "Micro-Leakage Image Recognition Method for Internal Detection in Small, Buried Gas Pipelines" Sensors 23, no. 8: 3956. https://doi.org/10.3390/s23083956
APA StyleZhao, Y., Su, Z., & Zhao, H. (2023). Micro-Leakage Image Recognition Method for Internal Detection in Small, Buried Gas Pipelines. Sensors, 23(8), 3956. https://doi.org/10.3390/s23083956

