A Portable Pull-Out Soil Profile Moisture Sensor Based on High-Frequency Capacitance
Abstract
1. Introduction
2. Design of the Soil Profile Moisture Sensor
2.1. The Measuring Principle
2.2. Hardware Circuit Design
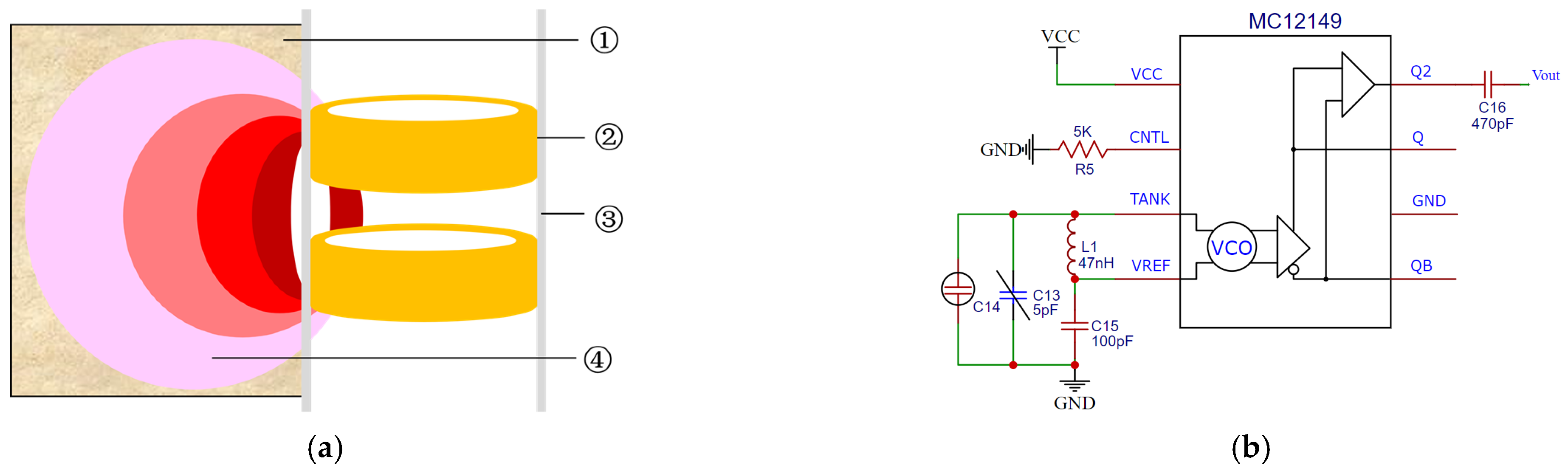
2.2.1. Moisture-Sensing Module Design
2.2.2. Data Processing Module Circuit Design
2.3. Software Design
2.4. Shell and Pull-Out Structure Design
- (1)
- The sensor tie rod is designed as a segmental type, which is convenient to freely increase or decrease the number of segments according to the soil depth measured according to needs.
- (2)
- The positioning card ring is designed with a specially shaped card slot that matches the segment (this sensor is diamond-shaped), and the automatic positioning of the probe can be realized by simply raising the height of the tie rod to the corresponding soil depth when measuring, and then rotating a certain angle for misalignment.
- (3)
- They draw on mineral water bottles and design the protective shell of the data processing unit into a large and small middle at both ends and a profile structure that is easy to grasp.
3. Sensor Performance Tests
3.1. Materials and Methods
3.1.1. Sensor Usage
3.1.2. Experimental Design
- (1)
- Maximum Detection Range Test
- (2)
- Soil Volumetric Moisture Content Calibration
- (3)
- Laboratory Verification Test of Measurement Accuracy
- (4)
- Field Verification Test of Measurement Accuracy
3.1.3. Data Processing Methods
- (1)
- Drying method for measuring soil volumetric moisture content
- (2)
- Sensor detection radius
- (3)
- Sensor measurement accuracy evaluation indexAccording to the relevant literature and product specifications of moisture sensors [36,37], the measurement accuracy evaluation indicators of moisture sensors mainly include root mean squared error, mean bias error, and maximum error.
- (1)
- Root mean square error (RMSE)
RMSE reflects the difference between the measured value of the moisture sensor and the actual moisture content value of the soil. RMSE is calculated according to Equation (13), where N is the sample size, M is the measured (soil sampling) value, P is the predicted (sensor measurement) value, and M is the average measured value.- (2)
- Mean bias error (MBE)
The mean bias error (MBE) is the sum of the deviations of the individual measurements of the moisture sensor from the actual moisture content value, divided by the number of measurements, representing the difference of any value in the moisture content measurement of the soil sample. MBE is calculated according to Equation (14), where N is the sample size, M is the measured (soil sampling) value, P is the predicted value (sensor measurement), and M is the average measured value.- (3)
- Maximum error
The maximum error of the sensor refers to the maximum fluctuation between the measured value of the sensor and the actual value, which is used to reflect the worst-case scenario of the measurement, and the calculation is carried out according to Equation (15), where M is the measured (soil sampling) value and P is the predicted (sensor measurement) value.
3.2. Test Results and Analysis
3.2.1. Maximum Detection Range
3.2.2. Moisture Measurement Model
3.2.3. Laboratory Measurement Accuracy
3.2.4. Field Measurement Accuracy
4. Discussion
5. Conclusions
- (1)
- The design of the sensor probe adopted an upper and lower ring electrode layout, which, together with the soil, forms a three-point LC resonant circuit equivalent capacitance. The MC12149 resonant circuit oscillates at 200 MHz, which reduces the influence of loamy-type soil on sensor measurements. The resonant frequency is divided twice by the frequency dividing/conditioning circuit, and finally, a low-frequency square wave signal that is easy to measure is obtained.
- (2)
- The data processing unit uses the Atmega328P microcomputer to measure the output frequency of the moisture sensor probe and communicates with the display terminal through the ESP8266 module. The lower computer uses the Arduino language for embedded system development based on the Arduino IDE environment, the upper computer uses the Java language for mobile app development based on the Eclipse environment, and the upper and lower computers use the Wi-Fi protocol for communication.
- (3)
- Using Solidworks to design segmental tie rods and gourd-shaped housings, the shell of the data processing unit was designed as a gourd-shaped package for easy grip, and the segmental tie rod and the card slot were misaligned to realize the hover measurement of the moisture-sensing probe. The tie rod and the card slot were used in order to enable the moisture-sensing probe to move up and down and allow the user to flexibly configure the segmented tie rod with different lengths according to the depth of the soil to be measured.
- (4)
- The data processing results for the laboratory soil sample testing of the sensor show that the maximum detection height of the sensor is 130 mm and the maximum detection radius is 96 mm. The equation of the moisture measurement model calibrated to obtain the sensor is , where R2 is 0.9719. The results of the laboratory and field accuracy verification test show that the root mean square error of the sensor was 0.020 m3/m3, the average deviation was ±0.009 m3/m3, and the maximum error was ±0.039 m3/m3.
- (5)
- According to the accuracy evaluation criteria for the soil moisture sensor (RMSE < 0.035 m3/m3; MBE = ±0.02 m3/m3), and upon comparing the measurement accuracy of the developed sensor with that of the commercial sensor WET-2 (maximum error = ±0.03 m3/m3) using a similar measurement principle, it can be seen that the sensor studied in the project has high measurement accuracy and low production cost.
Author Contributions
Funding
Institutional Review Board Statement
Informed Consent Statement
Data Availability Statement
Conflicts of Interest
References
- Hutton, R.J.; Loveys, B.R. A partial root zone drying irrigation strategy for citrus-effects on water use efficiency and fruit characteristics. Agric. Water Manag. 2011, 98, 1485–1496. [Google Scholar] [CrossRef]
- Hedley, C.B.; Yule, I.J. A method for spatial prediction of daily soil water status for precise irrigation scheduling. Agric. Water Manag. 2009, 96, 1737–1745. [Google Scholar]
- Fischer, G.; Tubiello, F.N.; van Velthuizen, H.; Wiberg, D.A. Climate change impacts on irrigation water requirements: Effects of mitigation, 1990–2080. Technol. Forecast. Soc. Chang. 2007, 74, 1083–1107. [Google Scholar] [CrossRef]
- Yang, R.; Gao, Q.J. Water-Saving Irrigation Promotion and Food Security: A Study for China. Sustainability 2021, 13, 12212. [Google Scholar] [CrossRef]
- Kang, S.Z.; Zhang, J.H. Controlled alternate partial root-zone irrigation: Its physiological consequences and impact on water use efficiency. J. Exp. Bot. 2004, 55, 2437–2446. [Google Scholar] [PubMed]
- McGourty, G.; Lewis, D.; Metz, J.; Harper, J.; Elkins, R.; Christian-Smith, J.; Papper, P.; Schwankl, L.; Prichard, T. Agricultural water use accounting provides path for surface water use solutions. Calif. Agr. 2020, 74, 46–51. [Google Scholar] [CrossRef]
- Gao, X.; Wu, P.; Zhao, X.; Zhang, B.; Wang, J.; Shi, Y. Estimating the spatial means and variability of root-zone soil moisture in gullies using measurements from nearby uplands. J. Hydrol. 2013, 476, 28–41. [Google Scholar] [CrossRef]
- Rallo, G.; Provenzano, G.; Castellini, M.; Sirera, A.P. Application of EMI and FDR Sensors to Assess the Fraction of Transpirable Soil Water over an Olive Grove. Water 2018, 10, 168. [Google Scholar] [CrossRef]
- Yu, L.; Gao, W.; Shamshiri, R.R.; Tao, S.; Ren, Y.; Zhang, Y.; Su, G. Review of research progress on soil moisture sensor technology. Int. J. Agric. Biol. Eng. 2021, 14, 32–42. [Google Scholar] [CrossRef]
- Meng, D.; Meng, F.; Duan, X.; Wang, Y. Design and experiment of portable wireless soil moisture measuring device based on frequency-domain method. Chin. Soc. Agric. Eng. 2017, 33, 114–116. [Google Scholar]
- Hardie, M. Review of Novel and Emerging Proximal Soil Moisture Sensors for Use in Agriculture. Sensors 2020, 20, 6934. [Google Scholar] [CrossRef]
- Topp, G.C.; David, J.L.; Annan, A.P. Electromagnetic determination of soil water content: Measurement in coaxial transmission lines. Water Retour. Res. 1980, 16, 574–582. [Google Scholar] [CrossRef]
- Topp, G.C.; Davis, J.L.; Bailey, W.G.; Zebehuk, W.D. The measurement of soil water content using a Portable TDR hand Probe. Can. J. Soil. SCI 1984, 64, 313–321. [Google Scholar] [CrossRef]
- Jia, Z.; Zhu, H.; Wang, J.; Ji, G. Application of Sensor Technology in Soil Moisture Monitoring based on Dielectrometry. Chin. Agric. Sci. Bull. 2015, 31, 246–252. [Google Scholar]
- Hu, J.; Tang, L.; Liu, X.; Cao, W.; Zhu, Y. Estimation method and parameter analysis on root length in wheat. Trans. Chin. Soc. Agric. Eng. 2011, 27, 114–115. [Google Scholar]
- Rose, D.A. The description of the growth of root systems. Plant Soil 1983, 75, 405–415. [Google Scholar] [CrossRef]
- Yun, Y.; Sheng, W.; Sun, Y. Design and experiment of soil water sensor monitoring soil moisture at three depths. Trans. Chin. Soc. Agric. Eng. 2014, 30, 64–71. [Google Scholar]
- Gao, Z.; Liu, W.; Zhao, Y.; Zhang, C. Design and performance analysis of multi-layer soil profile composite sensor. Chin. Soc. Agric. Mach. 2016, 47, 108–117. [Google Scholar]
- Gao, Z.R.; Zhu, Y.; Liu, C.; Qian, H.Z.; Cao, W.X.; Ni, J. Design and Test of a Soil Profile Moisture Sensor Based on Sensitive Soil Layers. Sensors 2018, 18, 1648. [Google Scholar] [CrossRef]
- Deng, X.; Gu, H.N.; Yang, L.; Lyu, H.F.; Cheng, Y.G.; Pan, L.P.; Fu, Z.J.; Cui, L.Q.; Zhang, L. A method of electrical conductivity compensation in a low-cost soil moisture sensing measurement based on capacitance. Measurement 2019, 150, 107052. [Google Scholar] [CrossRef]
- Shi, Q.L.; Shi, Y.J.; Liu, X.C.; Mei, S.L.; Feng, L. A high-sensitivity multilayer soil moisture monitoring sensor based on a double high-frequency tuning detection circuit. Int. J. Distrib. Sens. Netw. 2020, 16, 1–12. [Google Scholar]
- Escriba, C.; Bravo, E.G.A.; Roux, J.; Fourniols, J.Y.; Contardo, M.; Acco, P.; Soto-Romero, G. Toward Smart Soil Sensing in v4.0 Agriculture: A New Single-Shape Sensor for Capacitive Moisture and Salinity Measurements. Sensors 2021, 20, 6867. [Google Scholar] [CrossRef] [PubMed]
- Lloret, J.; Sendra, S.; Garcia, L.; Jimenez, J.M. A Wireless Sensor Network Deployment for Soil Moisture Monitoring in Precision Agriculture. Sensors 2021, 21, 7243. [Google Scholar] [CrossRef] [PubMed]
- IMKO Micromodultechnik GmbH, User Manual TRIME® -PICO T3/IPH44 and T3/IPH50. Available online: https://www.imko.de/wp-content/uploads/2018/12/Manual_TRIME-PICO-IPH.pdf (accessed on 20 September 2022).
- Delta-T Device, PR2 Profile Probe User Manual ver 5.0. Available online: https://delta-t.co.uk/wp-content/uploads/2017/02/PR2_user_manual_version_5.0.pdf (accessed on 20 September 2022).
- Sentek, EnviroSCAN Product Brochure. Available online: https://sentektechnologies.com/wp-content/uploads/2022/02/SEN5226_A4_EnviroSCAN_ProductBrochure_4LR_FINAL-1.pdf (accessed on 20 September 2022).
- Jabro, J.D.; Leib, B.G.; Jabro, A.D. Estimating soil water content using site-specific calibration of capacitance measurements from Sentek EnviroSCAN systems. Appl. Eng. Agric. 2005, 21, 393–399. [Google Scholar] [CrossRef]
- Kibirige, D.; Dobos, E. Off-Site Calibration Approach of EnviroScan Capacitance Probe to Assist Operational Field Applications. Water 2021, 13, 837. [Google Scholar] [CrossRef]
- Babakutigi, A.N.; Dim, L.A.; Odunze, A.C.; Umar, I.M. Soil water balance approach in root zone of maize (95 TZEE-Y) using capacitance probe (Diviner 2000) in northern Guinea Savannah of Nigeria. Bayero. J. Pure Appl. Sci. 2010, 3, 87–90. [Google Scholar]
- Starks, P.J.; Heathman, G.C.; Ahuja, L.R.; Ma, L. Use of limited soil property data and modeling to estimate root zone soil water content. J. Hydrol. 2003, 272, 131–147. [Google Scholar] [CrossRef]
- Peterson, A.M.; Helgason, W.D.; Ireson, A.M. Estimating field-scale root zone soil moisture using the cosmic-ray neutron probe. Hydrol. Earth Syst. Sci. Discuss. 2016, 12, 12789–12826. [Google Scholar] [CrossRef]
- Wilczek, A.; Szypłowska, A.; Skierucha, W.; Ciela, J.; Pichler, V.; Janik, G. Determination of Soil Pore Water Salinity Using an FDR Sensor Working at Various Frequencies up to 500 MHz. Sensors 2012, 12, 10890–10905. [Google Scholar] [CrossRef]
- Texas Instruments. 555 IC Datasheet. Available online: http://www.ti.com/lit/ds/symlink/ne555.pdf (accessed on 20 September 2022).
- Motorola. MC12149 IC Datasheet. Available online: https://pdf1.alldatasheet.com/datasheet-pdf/view/169177/FREESCALE/MC12149.html (accessed on 20 September 2022).
- Microchip, ATmega328P IC Datasheet. Available online: https://ww1.microchip.com/downloads/en/DeviceDoc/Atmel-7810-Automotive-Microcontrollers-ATmega328P_Datasheet.pdf (accessed on 20 September 2022).
- Zepeda, S.G.C.; Ferrarezi, R.S.; Lesmes-Vesga, R.A.; Futch, S.H. Performance of Soil Moisture Sensors in Florida Sandy Soils. Water 2020, 12, 358. [Google Scholar]
- Ferrarezi, R.S.; Nogueira, T.A.R.; Zepeda, S.G.C. Performance of Soil Moisture Sensors in Florida Sandy Soils. Agric. Water Manag. 2011, 12, 358. [Google Scholar] [CrossRef]
- Yu, R.Z.; Zaccaria, D.; Kisekka, I.; Kurtural, S.K. Soil apparent electrical conductivity and must carbon isotope ratio provide indication of plant water status in wine grape vineyards. Precis. Agric. 2021, 22, 1335–1347. [Google Scholar] [CrossRef]
- Habib-ur-Rahman, M.; Raza, A.; Ahrends, H.E.; Huging, H.; Gaiser, T. Impact of in-field soil heterogeneity on biomass and yield of winter triticale in an intensively cropped hummocky landscape under temperate climate conditions. Precis. Agric. 2021, 23, 915–927. [Google Scholar] [CrossRef]
- Tang, S.; Farooque, A.A.; Bos, M.; Abbas, F. Modelling DUALEM-2 measured soil conductivity as a function of measuring depth to correlate with soil moisture content and potato tuber yield. Precis. Agric. 2020, 21, 484–496. [Google Scholar] [CrossRef]
- Sepaskhah, A.R.; Karizi, A. Effects of alternate use of wastewater and fresh water on soil saturated hydraulic conductivity. Arch. Agron. Soil. SCI 2011, 57, 149–158. [Google Scholar] [CrossRef]
- Koehler, T.; Moser, D.S.; Botezatu, A.; Murugesan, T.; Kaliamoorthy, S.; Zarebanadkouki, M.; Bienert, M.D.; Bienert, G.P. Going underground: Soil hydraulic properties impacting maize responsiveness to water deficit. Plant. Soil. 2022, 478, 43–58. [Google Scholar] [CrossRef]
- Rothe, A.; Weis, W.; Kreutzer, K.; Matthies, D.; Hess, U.; Ansorge, B. Changes in soil structure caused by the installation of time domain reflectometry probes and their influence on the measurement of soil moisture. Water Retour. Res. 1997, 33, 1579–1581. [Google Scholar] [CrossRef]
- Qin, A.Z.; Ning, D.F.; Liu, Z.D.; Sun, B.; Zhao, B.; Xiao, J.F.; Duan, A.W. Insentek Sensor: An Alternative to Estimate Daily Crop Evapotranspiration for Maize Plants. Water 2020, 12, 25. [Google Scholar] [CrossRef]
- Zhao, Y.; Li, B.; Liu, W.; Song, R.; Mi, X. Edge electromagnetic field analysis of soil profile moisture sensor. Trans. Chin. Soc. Agric. Eng. 2021, 37, 177–178. [Google Scholar]






















| Composition | Air | Water | Ice | Basalt | Granite | Dry Fertilizer | Dry Sandy | Dry Loam |
|---|---|---|---|---|---|---|---|---|
| Dielectric constant | 1 | 78.2 | 3 (5 °C) | 12 | 7–9 | 3.5 | 2.5 | 2.68 |
| Index | Refer to the Oven-Drying Method | Refer to WET-2 | ||||
|---|---|---|---|---|---|---|
| RMSE | MBE | Maximum Error | RMSE | MBE | Maximum Error | |
| Value (m3/m3) | 0.017 | ±0.033 | ±0.031 | 0.018 | ±0.050 | ±0.033 |
| Index | RMSE | MBE | Maximum Error |
|---|---|---|---|
| Value (m3/m3) | 0.020 | ±0.009 | ±0.039 |
Disclaimer/Publisher’s Note: The statements, opinions and data contained in all publications are solely those of the individual author(s) and contributor(s) and not of MDPI and/or the editor(s). MDPI and/or the editor(s) disclaim responsibility for any injury to people or property resulting from any ideas, methods, instructions or products referred to in the content. |
© 2023 by the authors. Licensee MDPI, Basel, Switzerland. This article is an open access article distributed under the terms and conditions of the Creative Commons Attribution (CC BY) license (https://creativecommons.org/licenses/by/4.0/).
Share and Cite
Sheng, Z.; Liao, Y.; Zhang, S.; Ni, J.; Zhu, Y.; Cao, W.; Jiang, X. A Portable Pull-Out Soil Profile Moisture Sensor Based on High-Frequency Capacitance. Sensors 2023, 23, 3806. https://doi.org/10.3390/s23083806
Sheng Z, Liao Y, Zhang S, Ni J, Zhu Y, Cao W, Jiang X. A Portable Pull-Out Soil Profile Moisture Sensor Based on High-Frequency Capacitance. Sensors. 2023; 23(8):3806. https://doi.org/10.3390/s23083806
Chicago/Turabian StyleSheng, Zhentao, Yaoyao Liao, Shuo Zhang, Jun Ni, Yan Zhu, Weixing Cao, and Xiaoping Jiang. 2023. "A Portable Pull-Out Soil Profile Moisture Sensor Based on High-Frequency Capacitance" Sensors 23, no. 8: 3806. https://doi.org/10.3390/s23083806
APA StyleSheng, Z., Liao, Y., Zhang, S., Ni, J., Zhu, Y., Cao, W., & Jiang, X. (2023). A Portable Pull-Out Soil Profile Moisture Sensor Based on High-Frequency Capacitance. Sensors, 23(8), 3806. https://doi.org/10.3390/s23083806

