Micro-Three-Coil Sensor with Dual Excitation Signals Use Asymmetric Magnetic Fields to Distinguish between Non-Ferrous Metals
Abstract
1. Introduction
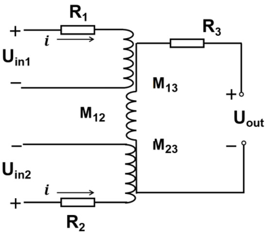
2. Sensor Model
3. Results and Discussions
3.1. Subsection
3.2. Micro-Three-Coil Sensor Detects Particles
3.3. Detection of Aluminum Particles Using a Dual Excitation Micro-Three-Coil Sensor
3.4. Detection of Iron Particles Using a Dual Excitation Micro-Three-Coil Sensor
3.5. Detection of 304 Stainless Steel Particles Using a Dual Excitation Micro-Three-Coil Sensor
3.6. Detection of Carbon Steel Particles Using a Dual Excitation Micro-Three-Coil Sensor
4. Discussion
5. Conclusions
Author Contributions
Funding
Conflicts of Interest
References
- Shen, M.-X.; Dong, F.; Zhang, Z.-X.; Meng, X.-K.; Peng, X.-D. Effect of abrasive size on friction and wear characteristics of nitrile butadiene rubber (NBR) in two-body abrasion. Tribol. Int. 2016, 103, 1–11. [Google Scholar] [CrossRef]
- Ma, L.; Shi, H.; Zhang, H.; Li, G.; Shen, Y.; Zeng, N. Capacitive–Inductive Magnetic Plug Sensor with High Adaptability for Online Debris Monitoring. Ocean Eng. 2020, 215, 107452. [Google Scholar] [CrossRef]
- Fan, B.; Li, B.; Feng, S.; Mao, J.; Xie, Y.-B. High-sensitivity distinguishing and detection method for wear debris in oil of marine machinery. Tribol. Int. 2017, 109, 114–123. [Google Scholar] [CrossRef]
- Cho, U.; A Tichy, J. Quantitative correlation of wear debris morphology: Grouping and classification. Tribol. Int. 2000, 33, 461–467. [Google Scholar] [CrossRef]
- Yuan, C.; Peng, Z.; Yan, X.; Zhou, X. Surface roughness evolutions in sliding wear process. Wear 2008, 265, 341–348. [Google Scholar] [CrossRef]
- Cao, W.; Zhang, H.; Wang, N.; Wang, H.W.; Peng, Z. The gearbox wears state monitoring and evaluation based on on-line wear debris features. Wear 2019, 426, 1719–1728. [Google Scholar] [CrossRef]
- Wu, T.; Peng, Y.; Sheng, C.; Wu, J. Intelligent identification of wear mechanism via on-line ferrograph images. Chin. J. Mech. Eng. 2014, 27, 411–417. [Google Scholar] [CrossRef]
- Jia, R.; Wang, L.; Zheng, C.; Chen, T. Online wear particle detection sensors for wear monitoring of mechanical equipment-A review. IEEE Sens. J. 2022, 22, 2930–2947. [Google Scholar] [CrossRef]
- Cao, W.; Dong, G.; Xie, Y.-B.; Peng, Z. Prediction of wear trend of engines via on-line wear debris monitoring. Tribol. Int. 2018, 120, 510–519. [Google Scholar] [CrossRef]
- Zhu, X.; Zhong, C.; Zhe, J. A high sensitivity wear debris sensor using ferrite cores for online oil condition monitoring. Meas. Sci. Technol. 2017, 28, 075102. [Google Scholar] [CrossRef]
- Shi, H.; Zhang, H.; Huo, D.; Yu, S.; Su, J.; Xie, Y.; Li, W.; Ma, L.; Chen, H.; Sun, Y. An Ultrasensitive microsensor based on impedance analysis for oil condition monitoring. IEEE Trans. Ind. Electron. 2021, 69, 7441–7450. [Google Scholar] [CrossRef]
- Du, L.; Zhu, X.; Han, Y.; Zhe, J. High throughput wear debris detection in lubricants using a resonance frequency division multiplexed sensor. Tribol. Lett. 2013, 51, 453–460. [Google Scholar] [CrossRef]
- Yu, Z.; Zeng, L.; Zhang, H.; Yang, G.; Wang, W.; Zhang, W. Frequencycharacteristic of resonant micro fluidic chip for oil detection based on resistance parameter. Micromachines 2018, 9, 344. [Google Scholar] [CrossRef]
- Shi, H.; Bai, C.; Xie, Y.; Li, W.; Zhang, H.; Liu, Y.; Zheng, Y.; Zhang, S.; Zhang, Y.; Lu, H.; et al. Capacitive–Inductive Magnetic Plug Sensor with High Adaptability for Online Debris Monitoring. IEEE Trans. Instrum. Meas. 2022, 71, 3507508. [Google Scholar] [CrossRef]
- Xie, Y.; Shi, H.; Zhang, H.; Yu, S.; Llerioluwa, L.; Zheng, Y.; Li, G.; Sun, Y.; Chen, H. A Bridge-Type Inductance Sensor With a Two-Stage Filter Circuit for High-Precision Detection of Metal Debris in the Oil. IEEE Sens. J. 2021, 21, 17738–17748. [Google Scholar] [CrossRef]
- Zeng, L.; Wang, W.; Rogers, F.; Zhang, H.; Zhang, X.; Yang, D. A High Sensitivity Micro Impedance Sensor Based on Magnetic Focusing for Oil Condition Monitoring. IEEE Sens. J. 2020, 20, 3813–3821. [Google Scholar] [CrossRef]
- Ren, Y.J.; Li, W.; Zhao, G.F.; Feng, Z.H. Inductive debris sensor using one energizing coil with multiple sensing coils for sensitivity improvement and high throughput. Tribol. Int. 2018, 128, 96–103. [Google Scholar] [CrossRef]
- Ren, Y.J.; Zhao, G.F.; Qian, M.; Feng, Z.H. A highly sensitive triple-coil inductive debris sensor based on an effective unbalance compensation circuit. Meas. Sci. Technol. 2018, 30, 015108. [Google Scholar] [CrossRef]
- Qian, M.; Ren, Y.; Zhao, G.; Feng, Z. Ultrasensitive Inductive Debris Sensor With a Two-Stage Autoasymmetrical Compensation Circuit. IEEE Trans. Ind. Electron. 2021, 68, 8885–8893. [Google Scholar] [CrossRef]
- Qian, M.; Zhao, G.; Ren, Y.; Diao, W.; Feng, Z.; Li, M. Triple-coil inductive debris sensor with special shielded coils for depressing interference of dielectric components. Procedia. Manuf. 2019, 39, 1279–1288. [Google Scholar] [CrossRef]
- Jia, R.; Ma, B.; Zheng, C.; Ba, X.; Wang, L.; Du, Q.; Wang, K. Comprehensive improvement of the sensitivity and detectability of a large-aperture electromagnetic wear particle detector. Sensors 2019, 19, 3162. [Google Scholar] [CrossRef]
- Zhang, X.; Zhang, H.; Sun, Y.; Chen, H.; Zhang, Y. Research on the output characteristics of microfluidic inductive sensor. J. Nanomater. 2014, 2014, 725246. [Google Scholar] [CrossRef]
- Zeng, L.; Zhang, H.; Zhang, X.; Sun, Y.; Bo, Z. Determination of escherichia coli in marine sewage by fluorescence using a microfluidic chip. Instrum. Sci. Technol. 2015, 43, 536–544. [Google Scholar] [CrossRef]
- Zhang, H.; Zeng, L.; Teng, H.; Zhang, X. A novel on-chip impedance sensor for the detection of particle contamination in hydraulic oil. Micromachines 2017, 8, 249. [Google Scholar] [CrossRef] [PubMed]
- Zeng, L.; Zhang, H.-P.; Yu, Z.-L.; Wu, Y. Characteristics of double-coil resonant microfluidic chip for oil detection. Guangxue Jingmi Gongcheng/Opt. Precis. Eng. 2017, 25, 144–150. [Google Scholar] [CrossRef]
- Liu, X.; Shi, H. Research on three-coil inner and outer layer inductive wear particle sensor. Transducer Microsyst. Technol. 2014, 33, 12–15. [Google Scholar]
- Xie, S.J.; Wu, L.; Ton, Z.F.; Chen, H.E.; Chen, Z.M.; Uchimoto, T.; Takagi, T. Influence of Plastic Deformation and Fatigue Damage on Electromagnetic Properties of 304 Austenitic Stainless Steel. IEEE Trans. Magn. 2018, 54, 6201710. [Google Scholar] [CrossRef]
- Zhu, Y.G.; Wu, L.; Xie, S.J.; Tong, Z.F.; Wang, G.; Chen, H.; Chen, Z.M.; Ren, G. Influences of plastic deformation and fatigue damage on electromagnetic characteristics of 304 austenitic stainless steel. Chin. J. Appl. Mech. 2017, 34, 842–847+1009. [Google Scholar] [CrossRef]
- Shi, H.; Du, S.; Sun, C.; Song, C.; Yang, Z.; Zhang, Y. Behavior of wear debris and its action mechanism on the tribological properties of medium-carbon steel with magnetic fiel. Materials 2018, 12, 45. [Google Scholar] [CrossRef] [PubMed]











Disclaimer/Publisher’s Note: The statements, opinions and data contained in all publications are solely those of the individual author(s) and contributor(s) and not of MDPI and/or the editor(s). MDPI and/or the editor(s) disclaim responsibility for any injury to people or property resulting from any ideas, methods, instructions or products referred to in the content. |
© 2023 by the authors. Licensee MDPI, Basel, Switzerland. This article is an open access article distributed under the terms and conditions of the Creative Commons Attribution (CC BY) license (https://creativecommons.org/licenses/by/4.0/).
Share and Cite
Hong, J.; Xie, Y.; Zhang, S.; Shi, H.; Liu, Y.; Zhang, H.; Sun, Y. Micro-Three-Coil Sensor with Dual Excitation Signals Use Asymmetric Magnetic Fields to Distinguish between Non-Ferrous Metals. Sensors 2023, 23, 1637. https://doi.org/10.3390/s23031637
Hong J, Xie Y, Zhang S, Shi H, Liu Y, Zhang H, Sun Y. Micro-Three-Coil Sensor with Dual Excitation Signals Use Asymmetric Magnetic Fields to Distinguish between Non-Ferrous Metals. Sensors. 2023; 23(3):1637. https://doi.org/10.3390/s23031637
Chicago/Turabian StyleHong, Jiaju, Yucai Xie, Shuyao Zhang, Haotian Shi, Yu Liu, Hongpeng Zhang, and Yuqing Sun. 2023. "Micro-Three-Coil Sensor with Dual Excitation Signals Use Asymmetric Magnetic Fields to Distinguish between Non-Ferrous Metals" Sensors 23, no. 3: 1637. https://doi.org/10.3390/s23031637
APA StyleHong, J., Xie, Y., Zhang, S., Shi, H., Liu, Y., Zhang, H., & Sun, Y. (2023). Micro-Three-Coil Sensor with Dual Excitation Signals Use Asymmetric Magnetic Fields to Distinguish between Non-Ferrous Metals. Sensors, 23(3), 1637. https://doi.org/10.3390/s23031637

