A Hand-Held Device Presenting Haptic Directional Cues for the Visually Impaired
Abstract
:1. Introduction
2. Materials and Methods
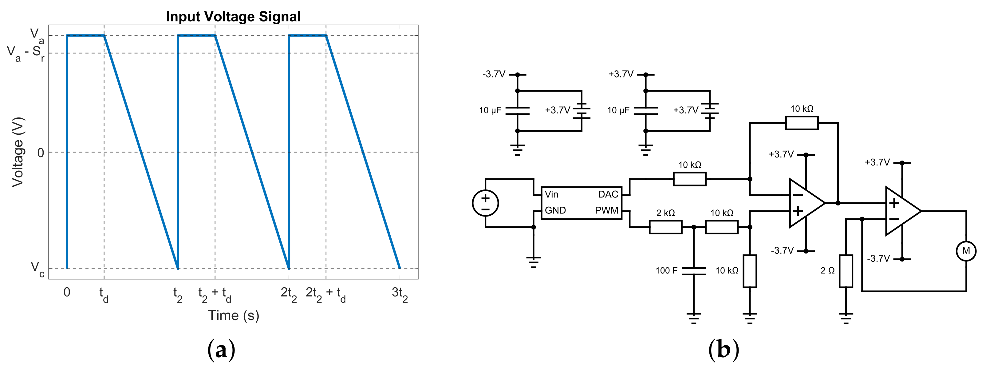
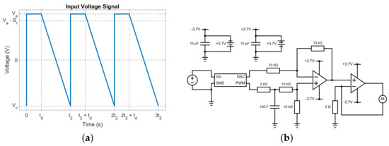
2.1. Source of Vibrations
2.2. Displacement Measurement
2.3. Human Perception Experiment
- Initial Display. Participants were asked to feel all nine configurations of haptic cues with the same order in the default direction (i.e., pointing forwards). A three-second rest time was provided between each configuration. Before continuing to the next session, a one-minute rest was provided to eliminate the learning effect.
- Left or Right. Participants were asked to specify left or right direction based on the current haptic cue. The same nine configurations were used but with random orders for different participants. After specifying the direction for each configuration, participants were also asked about their level of confidence in their answers. Confidence level was based on an ordinal scale with 0 being not sure and 1 being confident. The ideal configurations for each participant were recorded based on the correctness of direction and the confidence level. If multiple configurations were chosen, the most selected configuration would be used for the rest of the experiment. Each configuration was presented to the participants 1 time.
- Static Test. Participants were asked to specify a random direction based on the selected configuration in the previous session. The asymmetric vibration would provide directional haptic cues at a random angle between 0° and 180° in front of participants (i.e., a semicircle range). The angle of haptic cues was recorded by an absolute rotary encoder. A participant was then asked to specify this random angle based on haptic perception using another rotary encoder. This test was repeated five times.
- Dynamic Test. Participants were asked to specify directions with the help of a reference. During the test, the haptic cues would start from pointing forwards as a reference cue. The direction of the cues would then be gradually changed to a random angle in the same range as in the static test. Participants were expected to sense the change in haptic cues and were asked to specify the final direction using the same rotary encoder to match the perceived direction. This test was repeated five times. The final angle of the haptic cues and participant’s input would be recorded.
3. Results
3.1. Displacement Analysis
3.1.1. Delay Time
3.1.2. Ramp-Down Step Length
3.1.3. Cut-Off Voltage
3.2. Human Perception Experiment
- By introducing optimised cut-off voltage, the asymmetry between the positive stroke and negative stroke would be increased, which could benefit stronger and clearer haptic directional cues
- When vibration frequency was in a sensible range, there existed an optimised stroke ratio r that would produce clearer haptic directional cues.
- Participants could sense haptic directional cues better with the help of a reference cue.
- Shear forces can deliver clearer haptic directional cues than normal forces.
3.2.1. Left or Right
3.2.2. Static and Dynamic Tests
3.2.3. Normal Force and Shear Force
4. Discussion
5. Conclusions
Author Contributions
Funding
Institutional Review Board Statement
Informed Consent Statement
Data Availability Statement
Acknowledgments
Conflicts of Interest
Abbreviations
| VCR | Voice coil actuator |
| PWM | Pulse width modulation |
| DOF | Degree of freedom |
| DAC | Digital-analog converter |
| RMSE | Root Mean Square Error |
| RL | Absolute threshold |
| JND | Just noticeable differencce |
| 1I-2AFC | One-interval, two-alternative, forced-choice |
References
- Borja, E.F.; Lara, D.A.; Quevedo, W.X.; Andaluz, C.H. Haptic stimulation glove for fine motor rehabilitation in virtual reality environments. Proc. Augment. Real. Virtual Real. Comput. Graph. 2018, 10851, 211–229. [Google Scholar]
- Kato, F.; Inoue, Y.; Tachi, S. Haptic display glove capable of force/vibration/temperature. In Proceedings of the IEEE International Symposium on Measurement and Control in Robotics, Houston, TX, USA, 19–21 September 2019; pp. D2-2-1–D2-2-5. [Google Scholar]
- Iqbal, J.; Caldwell, D.G.; Tsagarakis, N.G. Four-fingered lightweight exoskeleton robotic device accommodating different hand sizes. Electron. Lett. 2015, 51, 888–890. [Google Scholar] [CrossRef]
- Gescheider, G.A.; Bolanowski, S.J.; Pope, J.V.; Verrillo, R.T. A four-channel analysis of the tactile sensitivity of the fingertip: Frequency selectivity, spatial summation, and temporal summation. Somatosens. Mot. Res. 2002, 19, 114–124. [Google Scholar] [CrossRef]
- Godier-McBard, L.R.; Castle, C.L.; Heinze, N.; Hussain, S.F.; Borowski, S.; Voge, D.S.; Gomes, R.S.M.; Fossey, M. A preliminary investigation of the well-being of visually impaired ex-service personnel in the United Kingdom. Br. J. Vis. Impair. 2022, 40, 274–288. [Google Scholar] [CrossRef]
- Bourne, R.R.; Taylor, H.R.; Flaxman, S.R.; Keeffe, J.; Leasher, J.; Naidoo, K.; Pesudovs, K.; White, R.A.; Wong, T.Y.; Resnikoff, S.; et al. Vision Loss Expert Group of the Global Burden of Disease Study. Number of people blind or visually impaired by glaucoma worldwide and in world regions 1990–2010: A meta-analysis. PLoS ONE 2022, 11, e0162229. [Google Scholar]
- Kim, J.E.; Bessho, M.; Koshizuka, N.; Sakamura, K. Enhancing public transit accessibility for the visually impaired using IoT and open data infrastructures. Proc. Int. Conf. IoT Urban Space 2014, 1, 80–86. [Google Scholar]
- Ehrlich, J.R.; Ramke, J.; Macleod, D.; Burn, H.; Lee, C.N.; Zhang, J.H.; Waldock, W.; Swenor, B.K.; Gordon, I.; Congdon, N.; et al. Association between vision impairment and mortality: A systematic review and meta-analysis. Lancet Glob. Health 2021, 9, 418–430. [Google Scholar] [CrossRef]
- Fukasawa, A.J.; Magatani, K. A navigation system for the visually impaired an intelligent white cane. In Proceedings of the 2012 Annual International Conference of the IEEE Engineering in Medicine and Biology Society, San Diego, CA, USA, 28 August–1 September 2012; pp. 4760–4763. [Google Scholar]
- Sharma, V.; Simpson, R.C.; LoPresti, E.F.; Schmeler, M. Clinical evaluation of semiautonomous smart wheelchair architecture (Drive-Safe System) with visually impaired individuals. J. Rehabil. Res. Dev. 2012, 49, 35–50. [Google Scholar] [CrossRef] [PubMed]
- Ramadhan, A.J. Wearable smart system for visually impaired people. Sensors 2018, 18, 843. [Google Scholar] [CrossRef]
- Choiniere, J.P.; Gosselin, C. Development and experimental validation of a haptic compass based on asymmetric torque stimuli. IEEE Trans. Haptics 2017, 10, 29–39. [Google Scholar] [CrossRef]
- Tanabe, T.; Nunokawa, K.; Doi, K.; Ino, S. Training system for white cane technique using illusory pulling cues induced by asymmetric vibrations. IEEE Trans. Neural Syst. Rehabil. Eng. 2022, 30, 305–313. [Google Scholar] [CrossRef] [PubMed]
- Amemiya, T.; Ando, H.; Maeda, T. Lead-me interface for a pulling sensation from hand-held devices. ACM Trans. Appl. Percept. 2008, 5, 1–17. [Google Scholar] [CrossRef]
- Amemiya, T.; Gomi, H. Distinct pseudo-attraction force sensation by a thumb-sized vibrator that oscillates asymmetrically. In Proceedings of the International Conference on Human Haptic Sensing and Touch Enabled Computer Applications, Berlin, Germany, 15 October 2014; pp. 88–95. [Google Scholar]
- Dong, S.; Gallagher, J.; Jackson, A.; Levesley, M. Modelling and design of asymmetric vibrations to induce bidirectional force sensation for portable rehabilitation devices. In Proceedings of the International Conference on Rehabilitation Robotics, Rotterdam, The Netherlands, 25–29 July 2022; pp. 1–6. [Google Scholar]
- Rekimoto, J. Traxion: A tactile interaction device with virtual force sensation. In Proceedings of the ACM Symposium on User Interface Software and Technology, St. Andrews, UK, 8–11 October 2013; pp. 427–432. [Google Scholar]
- Culbertson, H.; Walker, J.M.; Okamura, A.M. Modeling and design of asymmetric vibrations to induce ungrounded pulling sensation through asymmetric skin displacement. In Proceedings of the IEEE Haptics Symposium, Philadelphia, PA, USA, 2 May 2016; pp. 27–33. [Google Scholar]
- Tanabe, T.; Yano, H.; Iwata, H. Evaluation of the perceptual characteristics of a force induced by asymmetric vibrations. IEEE Trans. Haptics 2018, 11, 220–231. [Google Scholar] [CrossRef]
- Kim, H.; Yi, H.; Lee, H.; Lee, W. HapCube:A wearable tactile device to provide tangential and normal pseudo-force feedback on a fingertip. In Proceedings of the CHI Conference on Human Factors in Computing Systems, Montreal, QC, Canada, 21–26 April 2018; pp. 1–13. [Google Scholar]
- Moriyama, T.; Kajimoto, H. Wearable haptic device presenting sensations of fingertips to the forearm. IEEE Trans. Haptics 2022, 15, 91–96. [Google Scholar] [CrossRef] [PubMed]
- Tanabe, T.; Yano, H.; Endo, H.; Ino, S.; Iwata, H. Pulling illusion based on the phase difference of the frequency components of asymmetric bibrations. IEEE ASME Trans. Mechatron. 2020, 26, 203–213. [Google Scholar] [CrossRef]
- Brisbem, A.J.; Hsiao, S.S.; Johnson, K.O. Detection of bibration transmitted through an object grasped in the hand. J. Neurophysiol. 1999, 81, 1548–1558. [Google Scholar] [CrossRef]
- Craig, J.C. Difference threshold for intensity of tactile stimuli. Percept. Psychophys. 1972, 11, 150–152. [Google Scholar] [CrossRef]
- Francisco, E.; Tannan, V.; Zhang, Z.; Holden, J.; Tommerdahl, M. Vibrotactile amplitude discrimination capacity parallels magnitude changes in somatosensory cortex and follows Weber’s Law. Exp. Brain Res. 2008, 191, 49–56. [Google Scholar] [CrossRef]
- Tanabe, T.; Endo, H.; Ino, S. Effects of asymmetric vibration frequency on pulling illusions. Sensors 2020, 20, 7086. [Google Scholar] [CrossRef]
- Jones, L.A.; Tan, H.Z. Application of psychophysical techniques to haptic research. IEEE Trans. Haptics 2013, 6, 268–284. [Google Scholar] [CrossRef] [PubMed]
- Van Beek, F.E.; Tiest, W.M.B.; Kappers, A.M. Anisotropy in the haptic perception of force direction and magnitude. IEEE Trans. Haptics 2013, 6, 399–407. [Google Scholar] [CrossRef]
- Elhajj, I.; Weerasinghe, H.; Dika, A.; Hansen, R. Human perception of haptic force direction. In Proceedings of the IEEE/RSJ International Conference on Intelligent Robots and Systems, Beijing, China, 9–15 October 2006; pp. 989–993. [Google Scholar]














| (ms) | f (Hz) | v | r | ||
|---|---|---|---|---|---|
| 0 | 10.29 | 1.9151 | 0.0622 | 0.2486 | 0.2502 |
| 10 | 6.17 | 1.0993 | 0.1221 | 0.3270 | 0.3731 |
| 20 | 4.47 | 0.8101 | 0.0963 | 0.2745 | 0.3508 |
| 30 | 3.49 | 0.6314 | 0.0923 | 0.2851 | 0.3237 |
| 40 | 2.87 | 0.5112 | 0.1151 | 0.3231 | 0.3562 |
| 50 | 2.44 | 0.4413 | 0.1569 | 0.3786 | 0.4144 |
| f (Hz) | v | r | |||
|---|---|---|---|---|---|
| 64 | 1.88 | 0.3413 | 0.0528 | 0.2664 | 0.1982 |
| 128 | 3.13 | 0.5404 | 0.0563 | 0.2674 | 0.2104 |
| 256 | 4.47 | 0.8101 | 0.0963 | 0.2745 | 0.3508 |
| 512 | 5.71 | 1.0163 | 0.2115 | 0.4213 | 0.5020 |
| 1024 | 6.93 | 1.3293 | 0.2315 | 0.4850 | 0.4773 |
| (V) | f (Hz) | v | r | ||
|---|---|---|---|---|---|
| 0 | 4.47 | 0.8101 | 0.0963 | 0.2745 | 0.3508 |
| 0.41 | 4.65 | 0.8483 | 0.0920 | 0.2700 | 0.3407 |
| 0.82 | 4.91 | 0.8757 | 0.0710 | 0.2490 | 0.2851 |
| 1.10 | 5.21 | 0.9338 | 0.0255 | 0.1966 | 0.1297 |
| Configuration | Parameters | Features | ||||||
|---|---|---|---|---|---|---|---|---|
| (ms) | (V) | (Hz) | v | |||||
| 1 | 20 | 256 | 0 | 4.47 | 0.8101 | 0.0963 | 0.2745 | 0.3508 |
| 2 | 0 | 256 | 0 | 10.29 | 1.9150 | 0.0622 | 0.2486 | 0.2502 |
| 3 | 40 | 256 | 0 | 2.87 | 0.5141 | 0.1186 | 0.3107 | 0.3817 |
| 4 | 20 | 128 | 0 | 3.13 | 0.5404 | 0.0452 | 0.2374 | 0.1904 |
| 5 | 20 | 64 | 0 | 1.88 | 0.3413 | 0.0528 | 0.2664 | 0.1982 |
| 6 | 20 | 512 | 0 | 5.71 | 1.0280 | 0.2115 | 0.4213 | 0.5020 |
| 7 | 20 | 256 | 0.21 | 4.60 | 0.8395 | 0.0933 | 0.2719 | 0.3430 |
| 8 | 20 | 256 | 0.10 | 4.53 | 0.8234 | 0.0948 | 0.2732 | 0.3471 |
| 9 | 20 | 256 | 0.41 | 4.65 | 0.8483 | 0.0920 | 0.2700 | 0.3407 |
| Test | Mean | Standard Deviation | Upper Adjacent | Lower Adjacent |
|---|---|---|---|---|
| Static | 1.7852 | 42.4582 | 69.2885 | −57.5646 |
| Dynamic | 0.3152 | 19.2081 | 37.5115 | −39.7418 |
| Region | Static & Dynamic (149, 151) | Static (72, 78) | Dynamic (77, 73) |
|---|---|---|---|
| Zone 1 | |||
| Zone 2 | |||
| p value | 0.0444 | 0.0374 | 0.6484 |
Disclaimer/Publisher’s Note: The statements, opinions and data contained in all publications are solely those of the individual author(s) and contributor(s) and not of MDPI and/or the editor(s). MDPI and/or the editor(s) disclaim responsibility for any injury to people or property resulting from any ideas, methods, instructions or products referred to in the content. |
© 2023 by the authors. Licensee MDPI, Basel, Switzerland. This article is an open access article distributed under the terms and conditions of the Creative Commons Attribution (CC BY) license (https://creativecommons.org/licenses/by/4.0/).
Share and Cite
Dong, S.; Gallagher, J.; Jackson, A.; Levesley, M. A Hand-Held Device Presenting Haptic Directional Cues for the Visually Impaired. Sensors 2023, 23, 8415. https://doi.org/10.3390/s23208415
Dong S, Gallagher J, Jackson A, Levesley M. A Hand-Held Device Presenting Haptic Directional Cues for the Visually Impaired. Sensors. 2023; 23(20):8415. https://doi.org/10.3390/s23208415
Chicago/Turabian StyleDong, Shuhao, Justin Gallagher, Andrew Jackson, and Martin Levesley. 2023. "A Hand-Held Device Presenting Haptic Directional Cues for the Visually Impaired" Sensors 23, no. 20: 8415. https://doi.org/10.3390/s23208415
APA StyleDong, S., Gallagher, J., Jackson, A., & Levesley, M. (2023). A Hand-Held Device Presenting Haptic Directional Cues for the Visually Impaired. Sensors, 23(20), 8415. https://doi.org/10.3390/s23208415

