Research on Two-Stage Semi-Active ISD Suspension Based on Improved Fuzzy Neural Network PID Control
Abstract
:1. Introduction
2. Materials and Methods
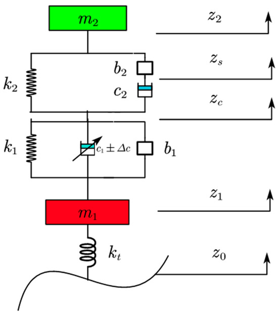
2.1. ISD Suspension Dynamics Model
2.2. Road Excitation Model
2.2.1. Stochastic Road Surface Model
2.2.2. Sinusoidal Road Surface Model
2.3. Controller Design
2.3.1. PID Control
2.3.2. FNN-PID Control
FNN-PID Algorithm
2.3.3. Optimal Fuzzy Neural Network PID Control Based on Grey Wolf Algorithm
Grey Wolf Optimization Algorithm
- Surrounding stage
- 2.
- Hunting and attacking stage
Choice of the Fitness Function
Hybrid Algorithm Optimization Process
3. Simulation Analysis and Results
4. Conclusions
Author Contributions
Funding
Institutional Review Board Statement
Informed Consent Statement
Data Availability Statement
Conflicts of Interest
References
- Zhang, J.; Huang, D.; Yao, J. Vibration Control of Vehicle Suspension System; National Defence Industry Press: Beijing, China, 2020. [Google Scholar]
- Manfred, M.; Henning, W. Automotive Dynamics, 5th ed.; Tsinghua University Press: Beijing, China, 2019. [Google Scholar]
- Al-Zahrnah, I.T. Performance Evaluation and Multiobjective Optimization of Passive Vehicle Suspension Systems. Ph.D. Thesis, King Fahd University of Petroleum and Minerals (Saudi Arabia), Dhahran, Saudi Arabia, 1993. [Google Scholar]
- Smith, M.C. Synthesis of mechanical networks: The inerter. IEEE Trans. Autom. Control 2002, 47, 1648–1662. [Google Scholar] [CrossRef]
- Ye, K.; Nyangi, P. H∞ optimization of tuned inerter damper with negative stiffness device subjected to support excitation. Shock Vib. 2020, 2020, 7608078. [Google Scholar] [CrossRef]
- Wang, R.; Huang, H.; Meng, X.P. Dynamic performance analysis of hydraulic isd suspension based on virtual prototype model. J. Mech. Eng. 2015, 51, 137–142. [Google Scholar] [CrossRef]
- Sun, X.; Chen, L.; Wang, S.; Yuan, C.; Zhang, X. Analysis of vibration isolation performance for nolinear inerter-spring-damper suspension. Trans. Chin. Soc. Agr. Eng. 2013, 29, 38–45. [Google Scholar] [CrossRef]
- Swift, S.J.; Smith, M.C.; Glover, A.R.; Papageorgiou, C.; Gartner, B.; Houghton, N.E. Design and modelling of a fluid inerter. Int. J. Control 2013, 86, 2035–2051. [Google Scholar] [CrossRef]
- Pires, L.; Smith, M.C.; Houghton, N.E.; McMahon, R.A. Design trade-offs for energy regeneration and control in vehicle suspensions. Int. J. Control 2013, 86, 2022–2034. [Google Scholar] [CrossRef]
- Marian, L.; Giaralis, A. Optimal design of a novel tuned mass-damper–inerter (TMDI) passive vibration control configuration for stochastically support-excited structural systems. Probabilistic Eng. Mech. 2014, 38, 156–164. [Google Scholar] [CrossRef]
- Zhang, X.; Niu, D.; Nie, J.; Chen, L. Modelling and testing of adjustable device integrated by inerter and damper. J. Guangxi Univ. (Nat. Sci. Ed.) 2020, 45, 1108–1120. [Google Scholar] [CrossRef]
- Zhang, X.L.; Zhang, H.X.; Jiang, T. Vehicle Road Test of ISD Suspension with Inerter and Damper Connected in Series. Autom. Eng. 2016, 38, 1391–1395. [Google Scholar] [CrossRef]
- Kuznetsov, A.; Mammadov, M.; Sultan, I.; Hajilarov, E. Optimization of improved suspension system with inerter device of the quarter-car model in vibration analysis. Arch. Appl. Mech. 2011, 81, 1427–1437. [Google Scholar] [CrossRef]
- Yang, X.; Shen, Y.; Chen, L. Design and performances analysis of vehicle ISD suspension based on dynamic vibration absorber theory. Autom. Eng. 2014, 36, 1262–1266. [Google Scholar] [CrossRef]
- Hu, Y.; Chen, M.Z.Q.; Sun, Y. Comfort-oriented vehicle suspension design with skyhook inerter configuration. J. Sound Vib. 2017, 405, 34–47. [Google Scholar] [CrossRef]
- Zhang, X.-J.; Ahmadian, M.; Guo, K.-H. On the benefits of semi-active suspensions with inerters. Shock Vib. 2012, 19, 257–272. [Google Scholar] [CrossRef]
- Wang, R.; Meng, X.; Shi, D.; Chen, B.; Chen, L.; Xi, N. Fuzzy control of vehicle semi-active suspension. Trans. Chin. Soc. Agric. Mach. 2013, 44, 1–5. [Google Scholar] [CrossRef]
- Mei, J. Research on Adaptive Fuzzy PID Control of Semi-Active Air Suspension. Master’s Thesis, Taiyuan University of Technology, Taiyuan, China, 2020. [Google Scholar]
- Saifi, D.; Kumar, P. Modeling of active suspension system for quarter car (PID Control, MATLAB). Int. J. Eng. Appl. Sci. Technol. 2021, 5, 155160. [Google Scholar] [CrossRef]
- Fang, H. Research on Fuzzy Neural Control Simulation of Automobile Active Suspension. Master’s Thesis, Chang’an University, Xi’an, China, 2014. [Google Scholar]
- Wang, L.; Ye, H.; Wang, P. Design and Simulation Analysis of Fuzzy PID Controller forSemi-Active Suspension. J. Chongqing Univ. Sci. Technol.-Nat. Sci. Ed. 2021, 23, 116–120. [Google Scholar] [CrossRef]
- Zeng, J.; Gu, Z.; Li, W.; Liang, X.; Peng, G. A Research on the Fuzzy PID Control for Vehicle Semi-active Suspension Based on Genetic Algorithm. Autom. Eng. 2010, 32, 429–433. [Google Scholar] [CrossRef]
- Jin, A. Design of direct torque control system based on fuzzy neural network. Sci. Technol. Innov. Herald 2010, 3, 16–18. [Google Scholar] [CrossRef]
- Wang, Z. Research on Vibration Control of EMU Active Suspension System Based on Fuzzy Neural Network. Master’s Thesis, Lanzhou Jiaotong University, Lanzhou, China, 2022. [Google Scholar]
- Phu, D.X.; Huy, T.D.; Mien, V.; Choi, S.-B. A new composite adaptive controller featuring the neural network and prescribed sliding surface with application to vibration control. Mech. Syst. Signal Process. 2018, 107, 409–428. [Google Scholar] [CrossRef]
- Cheng, X.; Tang, Q. Study of self-adaptive neural network fuzzy control for transverse vibration of high-speed railway vehicle. Railw. Locomot. Car 2012, 32, 10–14. [Google Scholar] [CrossRef]
- Tian, F.; Yang, J. Analysis and Test of Ride Comfort of Vehicle Active Suspension Based on Fuzzy Neural PID Control. Res. Explor. Labor. 2017, 36, 44–47. [Google Scholar] [CrossRef]
- Li, L.; Fu, Y.; Fung, J.C.H.; Qu, H.; Lau, A.K.H. Development of a back-propagation neural network and adaptive grey wolf optimizer algorithm for thermal comfort and energy consumption prediction and optimization. Energy Build. 2021, 253, 111439. [Google Scholar] [CrossRef]
- Fan, J. Automatic generation control method based on cascade PD fuzzy PID controller. Electron. Meas. Technol. 2021, 44, 87–92. Available online: https://kns.cnki.net/kcms/detail/detail.aspx?doi=10.19651/j.cnki.emt.2005569 (accessed on 20 August 2023).
- Li, X.-P.; Li, F.-J.; Cao, Z.; Yang, L.-X. Vibration performance of two-stage vehicle suspension with inerters. J. Northeast. Univ. (Nat. Sci.) 2019, 40, 1448–1453. [Google Scholar] [CrossRef]
- Zhao, Q.; Zhu, B. Multi-objective optimization of active suspension predictive control based on improved PSO algorithm. J. Vibroeng. 2019, 21, 1388–1404. [Google Scholar] [CrossRef]
- Sun, J.; Fu, M. A Multi-Strategy Combined Grey Wolf Optimization Algorithm. In Proceedings of the 2019 4th International Conference on Mechanical, Control and Computer Engineering (ICMCCE), Hohhot, China, 24–26 October 2019; IEEE: Piscataway, NJ, USA; pp. 898–8984. [Google Scholar]














| Road Grade | |
|---|---|
| A | 16 | 
| B | 64 | 
| C | 256 | 
| D | 1024 | 
| Parameters | Units | Value | 
|---|---|---|
| m1 | 50 | |
| m2 | 320 | |
| c1 | 1000 | |
| c2 | 1500 | |
| kt | 190,000 | |
| k1 | 15,000 | |
| k2 | 20,000 | |
| b1 | 500 | 
| Index | Class A | Class B | ||||
|---|---|---|---|---|---|---|
| ACC | STD | SWS | ACC | STD | SWS | |
| PID | 0.2563 | 103.4255 | 0.0106 | 0.507 | 205.9497 | 0.0225 | 
| FNN−PID | 0.2415 | 98.7322 | 0.0099 | 0.4827 | 197.3164 | 0.016 | 
| GWO−FNN−PID | 0.2089 | 95.6754 | 0.008 | 0.4175 | 191.2076 | 0.0118 | 
| Index | Class C | Class D | ||||
|---|---|---|---|---|---|---|
| ACC | STD | SWS | ACC | STD | SWS | |
| PID | 1.011 | 411.5452 | 0.044 | 2.0026 | 819.2036 | 0.0864 | 
| FNN−PID | 0.9653 | 394.5796 | 0.0319 | 1.9299 | 788.8753 | 0.0639 | 
| GWO−FNN−PID | 0.835 | 382.2369 | 0.0235 | 1.6692 | 764.0836 | 0.0471 | 
| Controller | Performance | ||
|---|---|---|---|
| ACC | STD | SWS | |
| PID | 0.7397 | 244.8036 | 0.017 | 
| FNN−PID | 0.6583 | 214.8947 | 0.0077 | 
| GWO−FNN−PID | 0.5189 | 176.6557 | 0.0055 | 
| Disclaimer/Publisher’s Note: The statements, opinions and data contained in all publications are solely those of the individual author(s) and contributor(s) and not of MDPI and/or the editor(s). MDPI and/or the editor(s) disclaim responsibility for any injury to people or property resulting from any ideas, methods, instructions or products referred to in the content. | 
© 2023 by the authors. Licensee MDPI, Basel, Switzerland. This article is an open access article distributed under the terms and conditions of the Creative Commons Attribution (CC BY) license (https://creativecommons.org/licenses/by/4.0/).
Share and Cite
Jin, L.; Fan, J.; Du, F.; Zhan, M. Research on Two-Stage Semi-Active ISD Suspension Based on Improved Fuzzy Neural Network PID Control. Sensors 2023, 23, 8388. https://doi.org/10.3390/s23208388
Jin L, Fan J, Du F, Zhan M. Research on Two-Stage Semi-Active ISD Suspension Based on Improved Fuzzy Neural Network PID Control. Sensors. 2023; 23(20):8388. https://doi.org/10.3390/s23208388
Chicago/Turabian StyleJin, Linhao, Jingjing Fan, Fu Du, and Ming Zhan. 2023. "Research on Two-Stage Semi-Active ISD Suspension Based on Improved Fuzzy Neural Network PID Control" Sensors 23, no. 20: 8388. https://doi.org/10.3390/s23208388
APA StyleJin, L., Fan, J., Du, F., & Zhan, M. (2023). Research on Two-Stage Semi-Active ISD Suspension Based on Improved Fuzzy Neural Network PID Control. Sensors, 23(20), 8388. https://doi.org/10.3390/s23208388
 
        
 
       