Research on Development 3D Ground Penetrating Radar Acquisition and Control Technology for Road Underground Diseases with Dual-Band Antenna Arrays
Abstract
:1. Introduction
2. System Architecture
3. Dual-Band Antenna Arrays
3.1. Antennas Selection
3.2. Antenna Layout
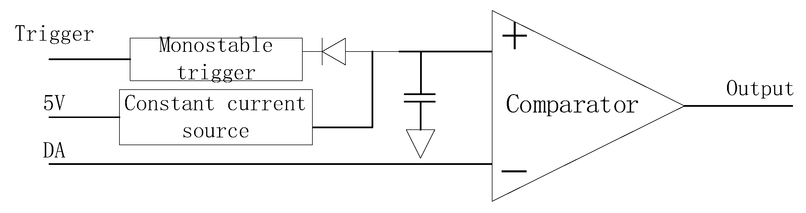
4. Control Center
4.1. Control Center Workflow
4.2. TDSM Switch Switching Method
4.3. Step Delay
5. Data Acquisition Center
6. Integration and Validation
7. Conclusions
Author Contributions
Funding
Institutional Review Board Statement
Informed Consent Statement
Data Availability Statement
Conflicts of Interest
References
- Solla, M.; Pérez-Gracia, V.; Fontul, S. A Review of GPR Application on Transport Infrastructures: Troubleshooting and Best Practices. Remote Sens. 2021, 13, 672. [Google Scholar] [CrossRef]
- Jin-sung, Y.; Minkyo, Y.; Sehwan, P.; Junkyeong, K. Technique for Detecting Subsurface Cavities of Urban Road Using Multichannel Ground-penetrating Radar Equipment. Sens. Mater. 2020, 32, 4413. [Google Scholar] [CrossRef]
- Trinks, I.; Johansson, B.; Gustafsson, J.; Emilsson, J.; Friborg, J.; Gustafsson, C.; Nissen, J.; Hinterleitner, A. Efficient, large-scale archaeological prospection using a true three-dimensional ground-penetrating Radar Array system. Archaeol. Prospect. 2010, 17, 175–186. [Google Scholar] [CrossRef]
- Gabryś, M.; Ortyl, A. Georeferencing of Multi-Channel GPR—Accuracy and Efficiency of Mapping of Underground Utility Networks. Remote Sens. 2020, 12, 2945. [Google Scholar] [CrossRef]
- Linck, R.; Stele, A.; Schuler, H.M. Evaluation of the benefits for mapping faint archaeological features by using an ultra-dense ground-penetrating-radar antenna array. Archaeol. Prospect. 2022, 29, 637–643. [Google Scholar] [CrossRef]
- Novo, A.; Dabas, M.; Morelli, G. The STREAM X Multichannel GPR System: First Test at Vieil-Evreux (France) and Comparison with Other Geophysical Data. Archaeol. Prospect. 2012, 19, 179–189. [Google Scholar] [CrossRef]
- Liu, Z.; Wu, W.; Gu, X.; Li, S.; Wang, L.; Zhang, T. Application of Combining YOLO Models and 3D GPR Images in Road Detection and Maintenance. Remote Sens. 2021, 13, 1081. [Google Scholar] [CrossRef]
- Dérobert, X.; Baltazart, V.; Simonin, J.M.; Todkar, S.S.; Norgeot, C.; Hui, H.Y. GPR Monitoring of Artificial Debonded Pavement Structures throughout Its Life Cycle during Accelerated Pavement Testing. Remote Sens. 2021, 13, 1474. [Google Scholar] [CrossRef]
- Eide, E.; Valand, P.A.; Sala, J. Ground-Coupled Antenna Array for Step-Frequency GPR; IEEE: Piscataway, NJ, USA, 2014. [Google Scholar]
- Liu, H.; Shi, Z.; Li, J.; Liu, C.; Meng, X.; Du, Y.; Chen, J. Detection of road cavities in urban cities by 3D ground-penetrating radar. Geophysics 2021, 86, WB25–WB33. [Google Scholar] [CrossRef]
- Feng, Y.; Quansheng, Z.; Pengyue, W. Research Ground Penetrating Radar Technologies for Roadbed; China Communications Press: Beijing, China, 2009. [Google Scholar]
- Kulpa, K.; Maslikowski, L. Detection Range Limitation in MIMO and SISO Noise Radar; Warsaw University of Technology: Warszawa, Poland, 2018. [Google Scholar]
- Gallagher, K.A.; Mazzaro, G.J.; Martone, A.F.; Sherbondy, K.D.; Narayanan, R.M. Derivation and Validation of the Nonlinear Radar Range Equation; SPIE: St Bellingham, WA, USA, 2016. [Google Scholar]
- Haynes, M.S.; Chapin, E.; Schroeder, D.M. Geometric Power Fall-Off in Radar Sounding. IEEE Trans. Geosci. Remote Sens. 2018, 56, 6571–6585. [Google Scholar] [CrossRef]
- Pérez-Gracia, V.; González-Drigo, R.; Di Capua, D. Horizontal resolution in a non-destructive shallow GPR survey: An experimental evaluation. NDT E Int. Indep. Nondestruct. Test. Eval. 2008, 41, 611–620. [Google Scholar] [CrossRef]
- Iwasaki, T.; Kuroda, S.; Saito, H.; Tobe, Y.; Suzuki, K.; Fujimaki, H.; Inoue, M. Monitoring Infiltration Process Seamlessly Using Array Ground Penetrating Radar. Agric. Environ. Lett. 2016, 1, 1–4. [Google Scholar] [CrossRef]
- Saito, H.; Kuroda, S.; Iwasaki, T.; Sala, J.; Fujimaki, H. Estimating infiltration front depth using time-lapse multioffset gathers obtained from ground-penetrating-radar antenna array. Geophysics 2021, 86, WB109–WB117. [Google Scholar] [CrossRef]
- Xia, Z.; Wu, S.; Meng, S.; Chen, J.; Fang, G.; Yin, H. Implementation of the UWB Radar with Two Transmitting and Four Receiving Channels Based on FPGA; IEEE: Piscataway, NJ, USA, 2012. [Google Scholar]
- Srivastav, A.; Nguyen, P.; McConnell, M.; Loparo, K.A.; Mandal, S. A Highly Digital Multiantenna Ground-Penetrating Radar (GPR) System. IEEE Trans. Instrum. Meas. 2020, 69, 7422–7436. [Google Scholar] [CrossRef]
- Takahashi, K.; Roberts, R.; Jiang, Z.; Memarzadeh, B. Statistical Evaluation of Signal-to-Noise Ratio and Timing Jitter in Equivalent-Time Sampling Signals. IEEE Trans. Instrum. Meas. 2021, 70, 1–4. [Google Scholar] [CrossRef]
- Ye, S.; Zhou, B.; Fang, G. Design of a Novel Ultrawideband Digital Receiver for Pulse Ground-Penetrating Radar. IEEE Geosci. Remote Sens. Lett. 2011, 8, 656–660. [Google Scholar] [CrossRef]
- Henault, S.; Jackson, B.R.; Antar, Y.M.M. Compensation of Time-Division Multiplexing Distortion in Switched Antenna Arrays With a Single RF Front-End and Digitizer. IEEE Trans. Antennas Propag. 2013, 61, 4383–4388. [Google Scholar] [CrossRef]
- Cui, C.; Zhang, D.; Zhang, J.; Wu, W. A Novel Single RF Channel Scheme for Smart Antenna Based on Optical Delay Lines; IEICE: Tokyo, Japan, 2014. [Google Scholar]
- Zhang, F.; Sun, G.; Zhou, Y.; Gao, B.; Pan, S. Towards High-Resolution Imaging with Photonics-Based Time Division Multiplexing MIMO Radar. IEEE J. Sel. Top. Quantum Electron. 2022, 28, 1–10. [Google Scholar] [CrossRef]
- Feghhi, R.; Winter, R.; Rambabu, K. A High-Performance UWB Gaussian Pulse Generator: Analysis and Design. IEEE Trans. Microw. Theory Tech. 2022, 70, 3257–3268. [Google Scholar] [CrossRef]
- Kamal, A.; Bhattacharya, A.; Tamrakar, M.; Roy, C. Low-ringing and reduced-cost step recovery diode based UWB pulse generators for GPR applications. Microw. Opt. Technol. Lett. 2014, 56, 2289–2294. [Google Scholar] [CrossRef]
- EBalzovsky, Y.; Buyanov, A.; Yurchenko, V.; Syryamkin, V.I. Research and Development of the Antenna Array for Ground Penetrating Radar. Matec Web Conf. 2016, 79, 1036. [Google Scholar] [CrossRef]
- Bai, X.; Yang, Y.; Wen, Z.; Wei, S.; Zhang, J.; Liu, J.; Li, H.; Tian, H.; Liu, G. 3D-GPR-RM: A Method for Underground Pipeline Recognition Using 3-Dimensional GPR Images. Appl. Sci. 2023, 13, 7540. [Google Scholar] [CrossRef]
















| Antenna | Investigation Depth (m) | Detect Target | Detect Target Size (Horizontal Resolution) (m) | Detect Target Size (Vertical Resolution) (m) |
|---|---|---|---|---|
| 1600 MHz | 0.6~0.8 | Surface thickness and surface fall through | 0.13 | 0.008~0.016 |
| 900 MHz | 1.0~1.2 | Roadbed structure | 0.20 | 0.014~0.028 |
| 400 MHz | 1.0~3.0 | Roadbed structure and foundation | 0.45 | 0.031~0.063 |
| 200 MHz | 1.0~5.0 | Roadbed structure and foundation | 0.81 | 0.063~0.125 |
| 100 MHz | 1.0~8.0 | Roadbed structure and foundation | 1.44 | 0.125~0.250 |
| Number | 1 | 2 | 3 | 4 | 5 | 6 | 7 | 8 | 9 | 10 | 11 | 12 | 13 |
|---|---|---|---|---|---|---|---|---|---|---|---|---|---|
| Transmitting antenna switch | T1 | T2 | T3 | T4 | T5 | T6 | T7 | T8 | T9 | T10 | T11 | T12 | T13 |
| Receiving antenna switch | R1 | R1 | R2 | R3 | R4 | R5 | R6 | R7 | R8 | R9 | R10 | R11 | R12 |
| R2 | R3 | R4 | R5 | R6 | R7 | R8 | R10 | R11 | R12 | R13 |
| Number | 1 | 2 | 3 | 4 | 5 | 6 | 7 | 8 | 9 | 10 | 11 | 12 | 13 |
|---|---|---|---|---|---|---|---|---|---|---|---|---|---|
| Transmitting antenna switch | T1 | T4 | T7 | T10 | T13 | T2 | T5 | T8 | T11 | T3 | T6 | T9 | T12 |
| Receiving antenna switch | R1 | R3 | R6 | R9 | R12 | R1 | R4 | R7 | R10 | R2 | R5 | R8 | R11 |
| R4 | R7 | R10 | R13 | R2 | R5 | R8 | R11 | R3 | R6 | R12 |
| Antenna Type | Antenna Array Main Frequency | Pulse Width | Reachable Depth | Reference Depth | Application |
|---|---|---|---|---|---|
| Single shielded antenna | 200 MHz | 5 ns | 1–5 m | 3 m | Roadbed structure and foundation |
| 400 MHz | 2.5 ns | 1–3 m | 2 m | Roadbed structure and foundation |
| Type | Novel 3D GPR System | Stream X |
|---|---|---|
| Number of channels | 24 | 16 |
| Pulse repetition frequency | 200 KHz | 50 KHz |
| Center frequency of antenna array | 200 MHz and 400 MHz | 200 MHz |
| Maximum sample rate | 7992 scans/s while 512 samples per scan | 1450 scans/s while 512 samples per scan |
| Antenna array layout | Common offset | Dipoles parallel to the forward (vertical polarization) direction |
| Antenna switching method | TDSM | TDM |
Disclaimer/Publisher’s Note: The statements, opinions and data contained in all publications are solely those of the individual author(s) and contributor(s) and not of MDPI and/or the editor(s). MDPI and/or the editor(s) disclaim responsibility for any injury to people or property resulting from any ideas, methods, instructions or products referred to in the content. |
© 2023 by the authors. Licensee MDPI, Basel, Switzerland. This article is an open access article distributed under the terms and conditions of the Creative Commons Attribution (CC BY) license (https://creativecommons.org/licenses/by/4.0/).
Share and Cite
Fang, L.; Yang, F.; Xu, M.; Liu, F. Research on Development 3D Ground Penetrating Radar Acquisition and Control Technology for Road Underground Diseases with Dual-Band Antenna Arrays. Sensors 2023, 23, 8301. https://doi.org/10.3390/s23198301
Fang L, Yang F, Xu M, Liu F. Research on Development 3D Ground Penetrating Radar Acquisition and Control Technology for Road Underground Diseases with Dual-Band Antenna Arrays. Sensors. 2023; 23(19):8301. https://doi.org/10.3390/s23198301
Chicago/Turabian StyleFang, Liang, Feng Yang, Maoxuan Xu, and Fengyu Liu. 2023. "Research on Development 3D Ground Penetrating Radar Acquisition and Control Technology for Road Underground Diseases with Dual-Band Antenna Arrays" Sensors 23, no. 19: 8301. https://doi.org/10.3390/s23198301
APA StyleFang, L., Yang, F., Xu, M., & Liu, F. (2023). Research on Development 3D Ground Penetrating Radar Acquisition and Control Technology for Road Underground Diseases with Dual-Band Antenna Arrays. Sensors, 23(19), 8301. https://doi.org/10.3390/s23198301

