Decentralized Sensor Fault-Tolerant Control of DC Microgrids Using the Attracting Ellipsoid Method
Abstract
1. Introduction
- (1)
- A new decentralized voltage tracker design is introduced. The new design technique is based on the Attracting Ellipsoid Approach that is a powerful technique in the robust control theory.
- (2)
- A decentralized state feedback with an integral control is proposed using the current and voltage magnitude of each DG which are the DG states.
- (3)
- To obtain the desired voltage reference tracking performance, it is proposed to use an augmented state feedback controller. Analyzing system stability demonstrates that the suggested controller tolerates sensor faults.
- (4)
- Unlike the difficulties in active fault control (detection and fault evaluation), the proposed robust control is much simpler (one controller), easy to implement, and can cope with sensor fault which is never detected or partially known.
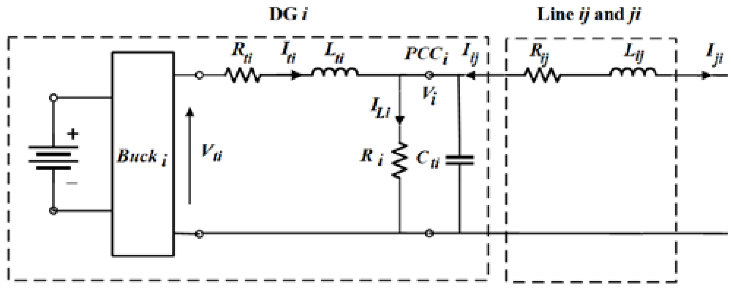
2. Problem Formulation and System Modeling
3. Decentralized Passive Sensor Fault-Tolerant Control
4. Simulation Validation
- -
- For a given scalar α, the matrix equations in Theorem 2 become linear, solves them by the Matlab LMI toolbox.
- -
- Calculates the objective function
- -
- Updates α iteratively till the minimum of the objective function is obtained (the Matlab command fminsearch can be used).
4.1. Scenario 1: The Sensor’s Effectiveness Reduction in one DG
4.1.1. Case 1: Sensor Failure in DG1
4.1.2. Sensor Failure in DG5
4.2. Scenario 2: Successive Sensor’s Effectiveness Degrades in Two DGs
4.3. Scenario 3: Concurrent Sensor’s Effectiveness Degrades in Two DGs inside the Designed Range
4.4. Scenario 4: Concurrent Sensor’s Effectiveness Degrades in Two DGs outside the Designed Range
5. Conclusions
Author Contributions
Funding
Institutional Review Board Statement
Informed Consent Statement
Data Availability Statement
Conflicts of Interest
Appendix A
References
- El-Sheikhi, F.A.; Soliman, H.M.; Ahshan, R.; Hossain, E. Regional Pole Placers of Power Systems under Random Failures/Repair Markov Jumps. Energies 2021, 14, 1989. [Google Scholar] [CrossRef]
- Soliman, H.M.; Ghommam, J. Reliable control of power systems. In Diagnosis, Fault Detection & Tolerant Control; Springer: Berlin/Heidelberg, Germany, 2020. [Google Scholar] [CrossRef]
- Bayoumi, E.H.E.; Soliman, H.M.; Albadi, M.; Soliman, M. Invariant set design of decentralized control for islanded microgrids under plug-and-play operation. Int. J. Electr. Power Energy Syst. 2021, 128, 106678. [Google Scholar] [CrossRef]
- Gershon, E.; Shaked, U. Robust Switching-Based Fault-Tolerant Control. In Advances in H∞ Control Theory: Switched, Delayed, and Biological Systems; Springer: Berlin/Heidelberg, Germany, 2019. [Google Scholar]
- Mahmoud, M.S.; Xia, Y. Analysis and Synthesis of Fault-Tolerant Control Systems; John Wiley & Sons, Ltd.: Hoboken, NJ, USA, 2014. [Google Scholar]
- Alwi, H.; Edwards, C.; Marcos, A. Fault reconstruction using a LPV sliding mode observer for a class of LPV systems. J. Frankl. Inst. 2012, 349, 510–530. [Google Scholar] [CrossRef]
- Dhahri, S.; Sellami, A.; Hmida, F.B. Robust sliding mode observer design for a class of uncertain linear systems with fault reconstruction synthesis. Int. J. Phys. Sci. 2012, 7, 1259–1269. [Google Scholar] [CrossRef]
- Shi, Y.-T.; Kou, Q.; Sun, D.-H.; Li, Z.-X.; Qiao, S.-J.; Hou, Y.-J. H∞ Fault Tolerant Control of WECS Based on the PWA Model. Energies 2014, 7, 1750–1769. [Google Scholar] [CrossRef]
- Faheem, M.; Butt, R.A.; Raza, B.; Ashraf, M.W.; Ngadi, M.A.; Gungor, V.C. Multi-channel distributed routing scheme for smart grid real-time critical event monitoring applications in the perspective of Industry 4.0. Int. J. Ad Hoc Ubiquitous Comput. 2019, 32, 236–256. [Google Scholar] [CrossRef]
- Dragičević, T.; Lu, X.; Vasquez, J.C.; Guerrero, J.M. DC microgrids—Part II: A review of power architectures, applications, and standardization issues. IEEE Trans. Power Electron. 2016, 31, 3528–3549. [Google Scholar] [CrossRef]
- Yang, Y.; Xu, D.; Ma, T.; Su, X. Adaptive Cooperative Terminal Sliding Mode Control for Distributed Energy Storage Systems. IEEE Trans. Circuits Syst. I Regul. Pap. 2021, 68, 434–443. [Google Scholar] [CrossRef]
- Bevrani, H.; Francois, B.; Ise, T. Microgrid Dynamics and Control; John Wiley & Sons, Inc.: Hoboken, NJ, USA, 2017. [Google Scholar]
- Wang, C.; Duan, J.; Fan, B.; Yang, Q.; Liu, W. Decentralized High-Performance Control of DC Microgrids. IEEE Trans. Smart Grid 2019, 10, 3355–3363. [Google Scholar] [CrossRef]
- Han, R.; Wang, H.; Jin, Z.; Meng, L.; Guerrero, J.M. Compromised Controller Design for Current Sharing and Voltage Regulation in DC Microgrid. IEEE Trans. Power Electron. 2019, 34, 8045–8061. [Google Scholar] [CrossRef]
- Severino, B.; Strunz, K. Enhancing Transient Stability of DC Microgrid by Enlarging the Region of Attraction Through Nonlinear Polynomial Droop Control. IEEE Trans. Circuits Syst. I Regul. Pap. 2019, 66, 4388–4401. [Google Scholar] [CrossRef]
- Tucci, M.; Meng, L.; Guerrero, J.M.; Ferrari-Trecate, G. Stable current sharing and voltage balancing in DC microgrids: A consensus-based secondary control layer. Automatica 2018, 95, 1–13. [Google Scholar] [CrossRef]
- Han, R.; Tucci, M.; Martinelli, A.; Guerrero, J.M.; Ferrari-Trecate, G. Stability Analysis of Primary Plug-and-Play and Secondary Leader-Based Controllers for DC Microgrid Clusters. IEEE Trans. Power Syst. 2019, 34, 1780–1800. [Google Scholar] [CrossRef]
- Chen, Z.; Yu, X.; Xu, W.; Wen, G. Modeling and Control of Islanded DC Microgrid Clusters with Hierarchical Event-Triggered Consensus Algorithm. IEEE Trans. Circuits Syst. I Regul. Pap. 2021, 68, 376–386. [Google Scholar] [CrossRef]
- Hou, X.; Sun, Y.; Han, H.; Liu, Z.; Yuan, W.; Su, M. A fully decentralized control of grid-connected cascaded inverters. IEEE Trans. Sustain. Energy 2019, 10, 315–317. [Google Scholar] [CrossRef]
- Soliman, H.M.; Bayoumi, E.H.E.; El-Sheikhi, F.A.; Ibrahim, A.M. Ellipsoidal-Set Design of the Decentralized Plug and Play Control for Direct Current Microgrids. IEEE Access 2021, 9, 96898–96911. [Google Scholar] [CrossRef]
- Guo, F.; Xu, Q.; Wen, C.; Wang, L.; Wang, P. Distributed Secondary Control for Power Allocation and Voltage Restoration in Islanded DC Microgrids. IEEE Trans. Sustain. Energy 2018, 9, 1857–1869. [Google Scholar] [CrossRef]
- Amiri, H.; Markadeh, G.R.A.; Dehkordi, N.M.; Blaabjerg, F. Fully decentralized robust backstepping voltage control of photovoltaic systems for DC islanded microgrids based on disturbance observer method. ISA Trans. 2020, 101, 471–481. [Google Scholar] [CrossRef] [PubMed]
- Hu, S.; Yuan, P.; Yue, D.; Dou, C.; Cheng, Z.; Zhang, Y. Attack-Resilient Event-Triggered Controller Design of DC Microgrids Under DoS Attacks. IEEE Trans. Circuits Syst. I Regul. Pap. 2020, 67, 699–710. [Google Scholar] [CrossRef]
- Mehdi, M.; Jamali, S.Z.; Khan, M.O.; Baloch, S.; Kim, C.-H. Robust control of a DC microgrid under parametric uncertainty and disturbances. Electr. Power Syst. Res. 2020, 179, 106074. [Google Scholar] [CrossRef]
- Wan, Y.; Long, C.; Deng, R.; Wen, G.; Yu, X.; Huang, T. Distributed Event-Based Control for Thermostatically Controlled Loads Under Hybrid Cyber Attacks. IEEE Trans. Cybern. 2021, 51, 5314–5327. [Google Scholar] [CrossRef] [PubMed]
- Sahoo, S.; Mishra, S. An Adaptive Event-Triggered Communication-Based Distributed Secondary Control for DC Microgrids. IEEE Trans. Smart Grid 2018, 9, 6674–6683. [Google Scholar] [CrossRef]
- Zhou, J.; Xu, Y.; Sun, H.; Wang, L.; Chow, M.-Y. Distributed Event-Triggered H∞ Consensus Based Current Sharing Control of DC Microgrids Considering Uncertainties. IEEE Trans. Ind. Inform. 2020, 16, 7413–7425. [Google Scholar] [CrossRef]
- Chen, P.; Yu, L.; Zhang, D. Event-Triggered Sliding Mode Control of Power Systems with Communication Delay and Sensor Faults. IEEE Trans. Circuits Syst. I Regul. Pap. 2021, 68, 797–807. [Google Scholar] [CrossRef]
- Sadabadi, M.S.; Shafiee, Q.; Karimi, A. Plug-and-Play Robust Voltage Control of DC Microgrids. IEEE Trans. Smart Grid 2018, 9, 6886–6896. [Google Scholar] [CrossRef]
- Khlebnikov, M.V.; Polyak, B.T.; Kuntsevich, V.M. Optimization of linear systems subject to bounded exogenous disturbances: The invariant ellipsoid technique. Autom Remote Control 2011, 72, 2227–2275. [Google Scholar] [CrossRef]
- Poznyak, A.; Polyakov, A.; Azhmyakov, V. Attractive Ellipsoids in Robust Control; Springer International Publishing: Cham, Switzerland, 2014. [Google Scholar]
- Awad, H.; Bayoumi, E.H.E.; Soliman, H.M.; De Santis, M. Robust Tracker of Hybrid Microgrids by the Invariant-Ellipsoid Set. Electronics 2021, 10, 1794. [Google Scholar] [CrossRef]
- Soliman, H.M.; El-Sheikhi, F.A.; Bayoumi, E.H.E.; De Santis, M. Ellipsoidal Design of Robust Stabilization for Markov Jump Power Systems under Normal and Contingency Conditions. Energies 2022, 15, 7249. [Google Scholar] [CrossRef]
- Soliman, H.M.; Saleem, A.; Bayoumi, E.H.E.; De Santis, M. Harmonic Distortion Reduction of Transformer-Less Grid-Connected Converters by Ellipsoidal-Based Robust Control. Energies 2023, 16, 1362. [Google Scholar] [CrossRef]
- Standard IEEE Std 1159-2009 (Revision IEEE Std 1159-1995); IEEE Recommended Practice for Monitoring Electric Power Quality. IEEE: Piscataway, NJ, USA, 2009; pp. 1–94. [CrossRef]
- Ye, Z.; Zhang, D.; Deng, C.; Yan, H.; Feng, G. Finite-time resilient sliding mode control of nonlinear UMV systems subject to DoS attacks. Automatica 2023, 156, 111170. [Google Scholar] [CrossRef]







| DGs | Parameters of the Buck Converter | Shunt Capacitance Ct (mF) | Load Parameter R (Ω) | Power Rating (W) | |
|---|---|---|---|---|---|
| Rt (Ω) | Lt (mH) | ||||
| DG1 | 7.22 | 72.2 | 25 | 160 | 1200 |
| DG2 | 7.22 | 72.2 | 32 | 80 | 600 |
| DG3 | 7.22 | 72.2 | 25 | 120 | 900 |
| DG4 | 7.22 | 72.2 | 30 | 160 | 1200 |
| DG5 | 7.22 | 72.2 | 18 | 100 | 800 |
| DG6 | 7.22 | 72.2 | 12 | 120 | 900 |
| Vdc (DC bus voltage) 100 V | fsw (Switching frequency) 40 kHz | fo (Nominal frequency) 50 Hz | |||
| Line Impedance (Zij) | Line Resistance (Rij) | Line Inductance (Lij) | ||||
|---|---|---|---|---|---|---|
| rij (Ω/m) | Cable Length (m) | Rij (Ω) | lij (μH/m) | Cable Length (m) | Lij (μH) | |
| Z12 | 0.05 | 180 | 9 | 1.8 | 180 | 324 |
| Z23 | 0.05 | 240 | 12 | 1.8 | 240 | 432 |
| Z34 | 0.05 | 300 | 15 | 1.8 | 300 | 540 |
| Z45 | 0.05 | 240 | 12 | 1.8 | 240 | 432 |
| Z56 | 0.05 | 264 | 13.2 | 1.8 | 264 | 475.2 |
| Controller | α | Ellipsoid Volume | K, KI |
|---|---|---|---|
| 1 | 0.05 | 1.6509 × 10−16 | [−14.649 −45.078], 42.592 |
| 2 | 0.42 | 1.639 × 10−16 | [−59.741 −74.988], 155.51 |
| 3 | 0.03 | 2.5792 × 10−16 | [−24.598 −55.922], 22.399 |
| 4 | 0.1 | 2.6294 × 10−16 | [−18.248 −43.158], 52.527 |
| 5 | 0.16 | 2.8791 × 10−16 | [−98.091 −114.53], 108.91 |
| 6 | 0.42 | 5.9235 × 10−16 | [−85.036 −86.043], 145.12 |
| Scenario Number | Case | DG Number | Time (s) | Effectiveness of the Sensor Signal |
|---|---|---|---|---|
| 1 | Case 1 | DG1 | at t = 7 s | [0.8 0.6] |
| Case 2 | DG5 | at t = 8 s | [0.9 0.7] | |
| 2 | One case only | Consecutive faults on DG2 and DG4 | at t = 8 s at t = 9 s | [0.8 0.65] (DG2) [0.9 0.75] (DG4) |
| 3 | One case only | Simultaneous faults on DG2 and DG4 (within the design control range) | at t = 9 s and at t = 9 s | [0.8 0.65] (DG2) [0.9 0.75] (DG4) |
| 4 | One case only | Simultaneous faults on DG2 and DG4 (outside the design control range) | at t = 9 s and at t = 9 s | [0.6 0.55] (DG2) [0.5 0.35] (DG4) |
| PI-Gains | DG1 | DG2 | DG3 | DG4 | DG5 | DG6 |
|---|---|---|---|---|---|---|
| Kp | 2.623101 | 1.554792 | 2.095479 | 1.958416 | 2.518254 | 2.428056 |
| Ki | 50.52526 | 23.36601 | 21.52614 | 21.11258 | 30.13315 | 54.55977 |
| % of Voltage Dip during Sensor Fault (%) | Control Response Parameters | ||||||||
|---|---|---|---|---|---|---|---|---|---|
| % Overshoot (%) | Settling Time (s) | Steady State Error (%) | |||||||
| PI-Tuned | Proposed | PI-Tuned | Proposed | PI-Tuned | Proposed | PI-Tuned | Proposed | ||
| Output Voltage | DG1 | 39.12 | 19.35 | ≈0.0 | ≈0.0 | 2.312 | 0.482 | 0.012 | ≈0.0 |
| DG2 | 12.32 | 0.252 | 9.843 | 2.871 | 1.834 | 0.435 | ≈0.0 | ≈0.0 | |
| DG3 | 4.781 | 0.323 | 2.351 | 0.335 | 1.237 | 0.351 | ≈0.0 | ≈0.0 | |
| DG4 | 0.431 | 0.031 | 0.734 | 0.0213 | 1.051 | 0.336 | ≈0.0 | ≈0.0 | |
| DG5 | 0.219 | 0.0017 | 0.204 | 0.00123 | 1.047 | 0.271 | ≈0.0 | ≈0.0 | |
| DG6 | 0.078 | 0.00042 | 0.197 | ≈0.0 | 1.039 | 0.123 | ≈0.0 | ≈0.0 | |
| % of Voltage Dip during Sensor Fault (%) | Control Response Parameters | ||||||||
|---|---|---|---|---|---|---|---|---|---|
| % Overshoot (%) | Settling Time (s) | Steady State Error (%) | |||||||
| PI-Tuned | Proposed | PI-Tuned | Proposed | PI-Tuned | Proposed | PI-Tuned | Proposed | ||
| Output Voltage | DG1 | 0.043 | 0.0044 | 0.047 | ≈0.0 | 1.037 | 0.311 | 0.0005 | ≈0.0 |
| DG2 | 0.106 | 0.013 | 0.148 | 0.035 | 1.049 | 0.413 | 0.0008 | ≈0.0 | |
| DG3 | 0.237 | 0.098 | 0.234 | 0.124 | 1.121 | 0.532 | 0.0009 | ≈0.0 | |
| DG4 | 2.232 | 0.217 | 1.12 | 1.45 | 1.534 | 0.456 | 0.047 | ≈0.0 | |
| DG5 | 12.07 | 9.841 | ≈0.0 | 0.129 | 1.765 | 0.512 | 0.051 | ≈0.0 | |
| DG6 | 2.354 | 0.221 | 1.17 | 0.892 | 1.627 | 0.488 | 0.0481 | ≈0.0 | |
| % of Voltage Dip during Sensor Fault (%) | Control Response Parameters | ||||||||
|---|---|---|---|---|---|---|---|---|---|
| % Overshoot (%) | Settling Time (s) | Steady State Error (%) | |||||||
| PI-Tuned | Proposed | PI-Tuned | Proposed | PI-Tuned | Proposed | PI-Tuned | Proposed | ||
| DG2 | DG4 | DG2 DG4 | DG2 DG4 | DG2 DG4 | DG2 DG4 | DG2 DG4 | DG2 DG4 | ||
| Output Voltage | DG1 | 9.743 | 0.031 | 3.85 1.03 | 1.65 0.15 | 1.52 1.77 | 0.51 0.17 | 0.08 0.02 | ≈0.0 ≈0.0 |
| DG2 | 60.972 | 19.972 | ≈0.0 1.45 | 2.47 0.37 | 1.67 1.96 | 0.57 0.37 | 0.09 0.08 | ≈0.0 ≈0.0 | |
| DG3 | 9.534 | 0.0287 | 2.13 3.27 | 2.78 1.34 | 1.48 2.34 | 0.49 0.49 | 0.03 0.47 | ≈0.0 ≈0.0 | |
| DG4 | 10.892 | 9.985 | 0.89 ≈0.0 | 0.51 1.73 | 1.29 5.92 | 0.31 0.52 | ≈0.0 1.89 | ≈0.0 ≈0.0 | |
| DG5 | 1.842 | 0.0224 | 0.72 1.13 | 0.37 0.46 | 1.15 3.46 | 0.26 0.34 | ≈0.0 0.69 | ≈0.0 ≈0.0 | |
| DG6 | 0.351 | 0.0169 | 0.19 0.78 | 0.03 0.23 | 1.07 1.78 | 0.19 0.24 | ≈0.0 0.35 | ≈0.0 ≈0.0 | |
| % of Voltage Dip during Sensor Fault (%) | Control Response Parameters | ||||||||
|---|---|---|---|---|---|---|---|---|---|
| % Overshoot (%) | Settling Time (s) | Steady State Error (%) | |||||||
| PI-Tuned | Proposed | PI-Tuned | Proposed | PI-Tuned | Proposed | PI-Tuned | Proposed | ||
| Output Voltage | DG1 | 8.729 | ≈0.0 | 0.4367 | 3.387 | 0.9219 | 0.6287 | 0.00781 | ≈0.0 |
| DG2 | 61.251 | 19.871 | ≈0.0 | 2.031 | 0.9512 | 0.6529 | 0.1034 | ≈0.0 | |
| DG3 | 8.5625 | ≈0.0 | 0.4298 | 1.436 | 0.9037 | 0.6194 | 0.00651 | ≈0.0 | |
| DG4 | 10.389 | 9.934 | ≈0.0 | 1.865 | 4.672 | 0.468 | 0.6621 | ≈0.0 | |
| DG5 | 1.9761 | ≈0.0 | 0.311 | 0.461 | 3.473 | 0.211 | 0.1036 | ≈0.0 | |
| DG6 | 0.8747 | ≈0.0 | 0.2984 | 0.207 | 1.267 | 0.1057 | 0.01453 | ≈0.0 | |
| % of Voltage Dip during Sensor Fault (%) | Control Response Parameters | ||||
|---|---|---|---|---|---|
| % Overshoot (%) | Settling Time (s) | Steady State Error (%) | |||
| Proposed | Proposed | Proposed | Proposed | ||
| Output Voltage | DG1 | Proposed ≈0.0 39.8734 ≈0.0 49.5439 ≈0.0 ≈0.0 | Proposed 3.1046 2.2641 12.037 1.3474 2.0413 0.2281 | Proposed 0.6387 0.7793 0.8367 0.8169 0.4536 0.1106 | Proposed ≈0.0 ≈0.0 ≈0.0 ≈0.0 ≈0.0 ≈0.0 |
| DG2 | |||||
| DG3 | |||||
| DG4 | |||||
| DG5 | |||||
| DG6 | |||||
Disclaimer/Publisher’s Note: The statements, opinions and data contained in all publications are solely those of the individual author(s) and contributor(s) and not of MDPI and/or the editor(s). MDPI and/or the editor(s) disclaim responsibility for any injury to people or property resulting from any ideas, methods, instructions or products referred to in the content. |
© 2023 by the authors. Licensee MDPI, Basel, Switzerland. This article is an open access article distributed under the terms and conditions of the Creative Commons Attribution (CC BY) license (https://creativecommons.org/licenses/by/4.0/).
Share and Cite
Soliman, H.M.; Bayoumi, E.H.E.; El-Sheikhi, F.A.; De Santis, M. Decentralized Sensor Fault-Tolerant Control of DC Microgrids Using the Attracting Ellipsoid Method. Sensors 2023, 23, 7160. https://doi.org/10.3390/s23167160
Soliman HM, Bayoumi EHE, El-Sheikhi FA, De Santis M. Decentralized Sensor Fault-Tolerant Control of DC Microgrids Using the Attracting Ellipsoid Method. Sensors. 2023; 23(16):7160. https://doi.org/10.3390/s23167160
Chicago/Turabian StyleSoliman, Hisham M., Ehab H. E. Bayoumi, Farag A. El-Sheikhi, and Michele De Santis. 2023. "Decentralized Sensor Fault-Tolerant Control of DC Microgrids Using the Attracting Ellipsoid Method" Sensors 23, no. 16: 7160. https://doi.org/10.3390/s23167160
APA StyleSoliman, H. M., Bayoumi, E. H. E., El-Sheikhi, F. A., & De Santis, M. (2023). Decentralized Sensor Fault-Tolerant Control of DC Microgrids Using the Attracting Ellipsoid Method. Sensors, 23(16), 7160. https://doi.org/10.3390/s23167160

