Next Article in Journal
Self-Enhanced Mixed Attention Network for Three-Modal Images Few-Shot Semantic Segmentation
Next Article in Special Issue
A Novel Cross-Sensor Transfer Diagnosis Method with Local Attention Mechanism: Applied in a Reciprocating Pump
Previous Article in Journal
Susceptibility Analysis of Glacier Debris Flow Based on Remote Sensing Imagery and Deep Learning: A Case Study along the G318 Linzhi Section
 
 
Font Type:
Arial Georgia Verdana
Font Size:
Aa Aa Aa
Line Spacing:
Column Width:
Background:
Article

Research on the Influence of Geometric Structure Parameters of Eddy Current Testing Probe on Sensor Resolution

1
College of Information, Mechanical and Electrical Engineering, Ningde Normal University, Ningde 352000, China
2
College of Mechanical and Electrical Engineering, Fujian Agriculture and Forestry University, Fuzhou 350002, China
3
Dongguan Xinghuo Gear Co., Ltd., Dongguan 523000, China
*
Author to whom correspondence should be addressed.
These authors contributed equally to this work.
Sensors 2023, 23(14), 6610; https://doi.org/10.3390/s23146610
Submission received: 26 May 2023 / Revised: 14 July 2023 / Accepted: 17 July 2023 / Published: 22 July 2023

Abstract

To study the influence of the geometric structure of the probe coil on the electromagnetic characteristics of the eddy current probe in the process of eddy current testing, based on the principle of eddy current testing, different probe coil models were established using finite element software. These geometric structure parameters include the difference between the inner and outer radius, thickness, and equivalent radius. The magnetic field distribution around the probe is simulated and analyzed under different parameters, and the detection performance of the probe is judged in combination with the change rate of the magnetic field around the probe coil. The simulation results show that at a closer position, increasing the difference between the inner and outer radii, reducing the thickness, and reducing the equivalent radius are beneficial to improve the resolution of the probe coil. At a far position, reducing the difference between the inner and outer radii, increasing the thickness, and reducing the equivalent radius are beneficial to improve the resolution of the probe coil. At the same time, the accuracy of the simulation data is verified by comparing the theoretical values with the simulated values under different conditions. Therefore, the obtained conclusions can provide a reference and basis for the optimal design of the probe structure.

1. Introduction

In practical engineering applications, mechanical equipment generally carries a variety of complex loads, and the various environments in which they continue to work are relatively harsh, including humidity, high pressure, and high temperature. The mechanical properties of this equipment will gradually decrease after a long time of work, and the equipment can even fail. The reason is that in the equipment there are crack defects and corrosion. Non-destructive testing (NDT) technology is significant because it can find these defects in time, which is conducive to ensuring the product quality of this equipment [1,2,3]. The basis of NDT technology is modern science and technology, which is a comprehensive subject. It is usually used to judge the internal or surface structure, physical properties, and state parameters of the tested part. The judgment is usually based on changes in parameters such as sound, light, and magnetism caused by electromagnetic fields, and usually will not destroy the measured object [4]. At present, the commonly used methods of NDT in engineering are mainly the following, such as magnetic particle testing (MT), ultrasonic testing (UT), eddy current testing (ECT), radiographic testing (RT), and penetration testing (PT). Among them, one of the most commonly used NDT techniques is ECT, because of its many characteristics, such as low requirements on the testing surface, no need for contact, fast testing speed, no need for coupling, easy operation, and no radiation to the human body. It plays an important part in some respects because of these advantages, such as testing and evaluating quality and structural integrity, and the detection objects are mainly metal materials, parts, and equipment [5,6,7].
As one of the NDT methods, ECT technology is based on the principle of electromagnetic induction. It uses the magnetic field (MF) energy coupling between the measured object and the probe coil to detect the measured object. This technology is very suitable for testing the integrity of the test piece [8]. When the conductivity, magnetic permeability, and distance between the measured object and the probe change, the corresponding magnetic field intensity will also change. The induced eddy currents induced within it change accordingly, ultimately leading to changes in the output signal of the probe [9,10]. As one of the core components in the eddy current testing system, the eddy current probe undertakes the task of generating the excitation magnetic field and picking up the information of the specimen [11]. The optimization of the probe structure has always been a hot spot in the research of eddy current testing systems.
Cui et al. [12] designed two structural excitation coil models for the detection of ferromagnetic plates, using rectangular coils to induce a directional propagating magnetic field in the plate. Xu et al. [13] carried out research on the optimal design of the far-field eddy current sensor in riveting structure defect detection based on the far-field eddy current detection technology and designed a new type of flat far-field eddy current sensor from two aspects of signal enhancement and magnetic field suppression. The U-shaped probe can generate a uniform magnetic field within a certain space range, and with the increase in the magnetic field strength, the penetration depth becomes deeper [14,15,16]. When the excitation coil is wound in dual excitation mode, the probe has a higher signal-to-noise ratio and is less affected by the lift-off effect [17,18]. Vyroubal conducted theoretical analysis by equating the sensor probe to a transformer model and obtained the relationship between the coil parameters of the probe and the sensitivity and linearity of the probe [19]. Capobianco studied the effects of geometric parameters of the probe coil (inner-to-outer diameter ratio, turns, wire diameter), metal permeability, magnetic core diameter and height, and lift-off height on sensor sensitivity [20]. Tomasz Chady optimized the working frequency and structure of the probe [21]. Young-Kil Shin et al. analyzed a high-performance differential probe structure through finite element simulation and validated the theoretical analysis results through experiments [22]. Chen et al. [23] used ANSYS software to simulate and optimize the size of the rectangular coil and accordingly designed a rectangular-circular probe, which effectively suppressed the impact of lift-off. Gong et al. [24] established a simulation model using the finite element method and analyzed the influence of pulse excitation parameters and excitation coil parameters on the detection sensitivity and resolution by taking the peak value of the differential signal as a feature. Yang et al. [25] proposed and developed a new type of circular eccentric Bobbin probe, which has the functions of axial scanning and eccentric circumferential scanning, and can effectively detect information on small-diameter tube defects. Ahmed et al. [26] proposed the ECECT simulation and hardware design, using the fuzzy logic technique for the development of the new methodology. The depths of the defect coefficients of the probe’s lift-off caused by the coating thickness were measured by using a designed setup. In this result, the ECECT gives an optimum correction for the lift-off, in which the reduction of error is only within 0.1% of its all-out value. Finally, the ECECT is used to measure lift-off in a range of approximately 1 mm to 5 mm, and the performance of the proposed method in non-linear cracks is assessed. Faraj et al. [27] proposed a study on a hybrid giant magneto-resistance/infrared probe to minimize the influence of lift-off for detecting depth defects. The proposed method is verified experimentally, and the result shows that the impact of lift-off noise is highly reduced in the eddy current testing technique and enhances the sensor accuracy. The depth defect error caused by 1 mm lift-off is reduced to 7.20%.
Poletkin et al. [28] derived sets of analytical formulas for the calculation of nine components of magnetic stiffness of corresponding force arising between two current-carrying circular filaments arbitrarily oriented in the space by using Babic’s method and the method of mutual inductance (Kalantarov–Zeitlin’s method). Dziczkowski et al. [29] presented a practical way of using the method of evaluating the metrological properties of eddy current sensors. The idea of the proposed approach consists of employing a mathematical model of an ideal filamentary coil to determine equivalent parameters of the sensor and sensitivity coefficients of tested physical quantities.
It can be seen from the above research that the magnitude and distribution of magnetic induction in eddy current probes are closely related to the resolution and sensitivity of the probe. Most studies focus on the optimization of the probe shape or even the use of dual coils, and there are few studies on the geometric parameters of the probe. Based on this, this paper analyzes the source of affecting the performance of the probe, that is, the magnetic induction intensity, and uses finite element simulation software to construct coil models with different geometric structures. The detection performance of the probe is analyzed by observing the distribution of the magnetic field around the coil, and the theoretical analysis data and simulation data are compared and verified.

2. Eddy Current Testing Theory

2.1. Eddy Current Testing Principle

One important application of the eddy current (EC) effect is ECT. The principle of ECT is shown in Figure 1. When an alternating current I1 of a certain frequency is loaded on both ends of the coil shown in the figure, an alternating magnetic field H1 will be excited around the coil. When the coil is close to the conductive test piece, the alternating magnetic field interacts with the test piece, so the induced current I2 is generated inside the test piece, and I2 presents a “vortex” inside the test piece and forms a loop, which is called “eddy current”. According to the principle of electromagnetic induction, I2 will excite another induced magnetic field H2. Due to the effect of Lenz’s law, the original magnetic field H1 and the induced magnetic field H2 have different directions, so the induced magnetic field will hinder the original magnetic field. The change in the coil impedance signal reflects this effect. By measuring the coil impedance, the detection of the defects of the test piece can be realized, so as to evaluate the performance of the test piece.
The application object of ECT technology is conductive materials. Usually, the bulk density of free charges of metal conductive materials is set to 0, because the movement time of free charges is very short. At this time, the Maxwell equations can be written as:
× H   =   ( σ + j ω ε ) E
× E = j ω μ H
H = 0
E = 0
Among them, taking the curl of Formula (1) and substituting it into Formula (2), we can obtain:
× × H = ( σ + j ω ε ) × E
According to the vector relationship, × × P = ( P ) 2 P , and in Formula (3), H = 0 ; then, we obtain:
2 H = ( σ + j ω ε ) × E
Substituting Formula (2) into Formula (6), we obtain:
2 H ( j ω μ σ ω 2 μ ε ) H = 0
From this, it can be found that the motion form of the electromagnetic field in the medium is a wave. In the actual calculation, it is found that the value of the first term in the brackets of Formula (7) is much larger than the value of the second term. This is because the electrical conductivity of the metal is about 107 Ω−1·m−1, and the vacuum dielectric constant ε0 = 8.85 × 10−12 F/m; at this time, the ratio of σ in the first item to ωε in the second item is about 10−9, so the second item can be ignored directly, then Formula (7) can be simplified as:
2 H j ω μ σ H = 0
Similarly, we can also obtain:
2 E j ω μ σ E = 0
2 J j ω μ σ J = 0
Equations (8) to (10) are called electromagnetic penetration equations, which are used to explore the propagation of electromagnetic energy in conductive metals and are also theoretical equations for ECT technology. The meanings of the physical quantities mentioned above are: × is the curl operator; H is the magnetic field strength in A/m; σ is the conductivity in Ω−1·m−1; ε is the dielectric constant in F/m; E is the electric field strength in C/m2; μ is the magnetic permeability in H/m; is the divergence operator; and J is the current density in A/m2.

2.2. Impedance Analysis Method

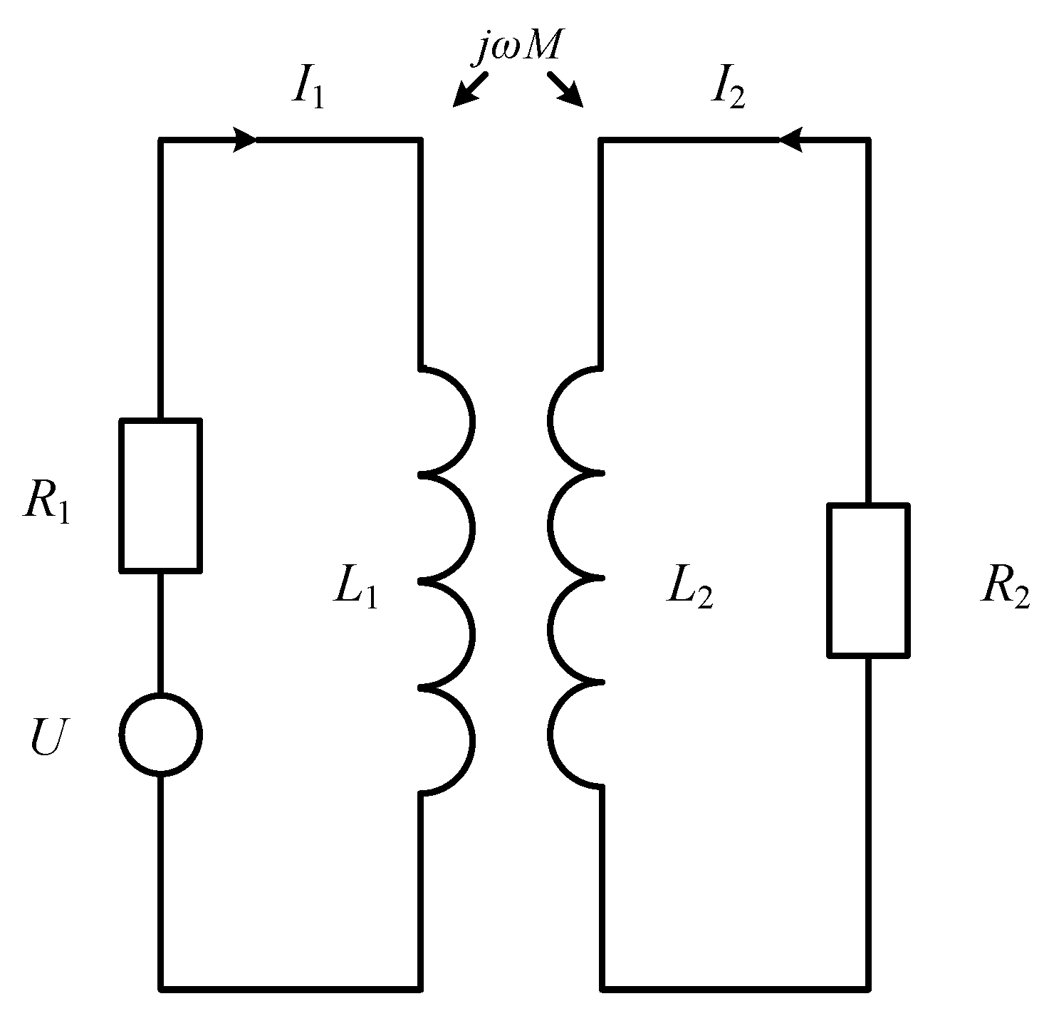
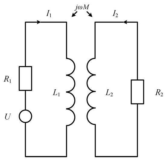
To understand the relationship between the parameters of the probe coil and the properties of the tested object, the researchers proposed an equivalent model, which includes two coil-coupled transformer-coupled mutual-inductance AC circuits. The volt-age effect is observed through the change in coil impedance because there is a similar law between the impedance change and the voltage change. This method is the impedance analysis method, which is widely used in ECT. The equivalent circuit diagram of the coil coupling is shown in Figure 2.
In Figure 2, R1 and R2 represent the resistance of the probe coil and the tested piece, respectively; L1 and L2 are the inductances of the probe coil and the tested piece, respectively; M is the mutual inductance between the probe coil and the tested piece; and U is the excitation voltage at both ends of the probe coil.
According to Kirchhoff’s voltage law, the voltage equations in the primary and secondary circuits are:
( R 1 + j ω L 1 ) I 1 j ω M I 2 = U ; ( R 2 + j ω L 2 ) I 2 j ω M I 1 = 0 .
Simultaneously solving the equations in (11), the equivalent impedance of the probe coil can be obtained as:
Z = U I 1 = R 1 + ( 2 π f ) 2 M 2 R 2 2 + ( 2 π f ) 2 L 2 2 R 2 + j [ 2 π f L 1 ( 2 π f ) 3 M 2 L 2 R 2 2 + ( 2 π f ) 2 L 2 2 ]
By further solving, the equivalent resistance of the real part and the equivalent inductance of the imaginary part of the coil can be obtained as follows:
R = R 1 + ( 2 π f ) 2 M 2 R 2 2 + ( 2 π f ) 2 L 2 2 R 2 ; L = 2 π f L 1 ( 2 π f ) 3 M 2 L 2 R 2 2 + ( 2 π f ) 2 L 2 2 .
where the equivalent resistance R is a function of the mutual inductance coefficient M. It can be observed that M increases due to the decrease in the distance between the probe and the tested object, which has nothing to do with whether the tested object is a magnetic material or not. Two effects will affect the equivalent inductance L: the magnetostatic effect affects L1, that is, whether the magnetic material of the test piece is related to L1; the eddy current effect affects L2, and the equivalent inductance is oppositely affected by the two effects. Therefore, when the soft magnetic material is used as the tested object, the static magnetostatic effect mainly affects the equivalent inductance in the coil. When the probe is close to the tested object, the equivalent inductance of the probe increases; when non-ferromagnetic material or hard magnetic material is used as the tested object, the eddy current effect mainly affects the equivalent inductance in the coil, and the equivalent inductance of the probe decreases.

2.3. Skin Effect

In the related problems of ECT, the attenuated magnetic field induces EC, which will cause the attenuation of the EC inside the conductor specimen. This phenomenon is called the skin effect, that is, the current decays with the increase in depth, and the surface current of the conductor specimen is visibly focused. The penetration depth refers to the distance that the EC penetrates into the conductor. The penetration depth when the EC density decays to 1/e (about 36.8%) of its surface value is defined as the standard penetration depth, also called the skin depth. The formula for calculating the penetration depth of EC is [30,31]:
δ = 1 π σ μ 1 f
where δ is the penetration depth in mm; f is the frequency of AC current in Hz; μ is the magnetic permeability of the conductor in H/m; σ is the conductivity of the conductor in S/m.

3. Finite Element Model of Eddy Current Detection Probe Coil

3.1. The Geometric Structure of the Eddy Current Probe

As the source of an exciting magnetic field and generating eddy current, the eddy current probe coil will directly affect the accuracy and even correctness of eddy current detection. Therefore, it is necessary to explore the influence of the geometric structure parameters of the eddy current probe on the resolution of the sensor, so as to provide a reference and basis for optimizing the probe in practical applications and improving the ability of eddy current flaw detection. The geometric structure parameters of the eddy current probe mainly include the inner diameter rc1, the outer diameter rc2, the difference between the inner and outer radii rc2rc1, the thickness h, and the equivalent radius ro, where ro = (rc2 + rc1)/2, as shown in Figure 3.
There are many kinds of probe coils, and the multi-turn winding method is selected in this paper. The magnetic induction intensity generated by the coil is distributed on its center line XY, as shown in Figure 4. The inner diameter of the coil is represented by rc1, the outer diameter is represented by rc2, the thickness is represented by h, and the distance between point X and point Y is represented by d. The greater the magnetic induction intensity generated by the coil at point Y and its rate of change, that is, the rate of change, the higher the resolution of the coil here [32].
The resistivity ρ and the cross-section S of the wire remain consistent in the simulation. The factors that will affect the resistance of the wire are the difference between the inner and outer radius of the coil rc2rc1, the thickness of the coil h, and the equivalent radius of the coil ro = (rc1 + rc2)/2. Keeping the coil excitation current constant, the difference between the inner and outer radii of the coil, the thickness of the coil, and the equivalent radius of the coil can be expressed as:
B = μ I 4 y ln r o + y + r o + y 2 + h 2 r o y + r o y 2 + h 2 + r o y r o y 2 + h 2 r o + y r o + y 2 + h 2
B = μ r o 2 I 2 ( r o 2 + h 2 ) 3 / 2
B = μ I 2 h d + h r o 2 + d + h 2 d r o 2 + d 2
d B d r o = μ r o I 2 1 r o 2 + d 2 3 / 2 3 r o 2 r o 2 + d 2 5 / 2
Among them, B is the magnetic induction intensity, I is the excitation current, ro is the equivalent radius of the coil, y = rc2rc1 is the difference between the inner and outer radii, h is the thickness of the coil, and d is the lift-off distance.

3.2. Material Selection

Air is selected as the material of the air field, copper is selected as the coil material, and stainless steel is selected as the material of the tested piece. The relative magnetic permeability μr, electrical conductivity σ, and relative permittivity εr of selected materials are shown in Table 1.

3.3. Addition of Physics

There are many modules in COMSOL; here, we select the “Low-Frequency Electromagnetic Fields” module as needed as the physical field of this model. The “Uniform Multi-Turn Coil” is set up in the magnetic field so that the number of turns of the coil and the applied current can be determined. The number of turns of the coil is chosen to be 500, a current signal of 0.05 A is selected as the excitation, and the Dirichlet boundary condition (that is, the magnetic vector potential is zero) is applied to the coil model of the eddy current probe.

3.4. Mesh Generation

In the time-varying electromagnetic field, the skin effect will appear in the rotating shaft conductor specimen. At the same time, the magnetic field distribution of defects and probe coil accessories is the key content of this research. Under the premise of not affecting the accuracy of the results, a free triangular mesh is used for the air domain and the probe coil, and the mesh size is selected to be extremely fine. Figure 5 shows the mesh division of the model. Both the eddy current probe and the rotating shaft adopt self-adaptive grids. Since the probe is relatively precise, the grid division is extremely fine, and the volume of the rotating shaft is relatively large, so conventional division can be used. Their specific grid settings are shown in Figure 6a,b as shown.

4. Results and Discussion

4.1. The Influence of the Difference between the Inner and Outer Radii on the Performance of the Eddy Current Sensor

The coil excitation is kept constant without changing the thickness and equivalent radius. By changing the difference between the inner diameter and the outer diameter of the coil, that is, the difference between the inner and outer radii, the change distribution map of the magnetic induction intensity can be obtained on the center line. When the thickness h = 5 mm and the equivalent radius ro = 3 mm, the frequency is kept at 1 kHz and the excitation current is kept constant at 0.05 A. When rc2rc1 are set to 2 mm, 3 mm, 4 mm, and 5 mm, respectively, the results obtained are shown in Figure 7.
It can be seen from Figure 7 that under different differences between the inner and outer radii, as the lift-off distance increases, the magnetic induction intensity first increases and then gradually decreases. In the two intervals of 0.5–1.5 mm and 6–9 mm, when the difference between the inner and outer radii of the coil gradually increases, the magnetic induction intensity generated by the probe coil gradually decreases. In the interval of 1.5–6 mm, when the difference between the inner and outer radii of the coil gradually increases, the magnetic induction intensity generated by the probe coil increases gradually. This change can be intuitively reflected in Figure 8, where the center line gradually transitions from blue-green to orange-red, and then gradually transitions to green and blue.
Since the slope of the curve in Figure 7 represents the change rate of the magnetic induction intensity, which is closely related to the resolution of the probe, it is necessary to explore its change under different differences between the inner and outer radii. Since the change curve of the magnetic induction intensity with lifting distance is nonlinear, by segmenting the curve, two intervals, near and far, are selected to analyze the change rate of magnetic induction intensity. The results are shown in Table 2.
It can be seen from Table 2 that the change rate of the magnetic induction intensity of the coil at a closer position will increase due to the increase in the difference between the inner and outer radii, while at a farther position, the change rate of the magnetic induction intensity will decrease. The rate of change in the magnetic induction is positively related to the resolution of the probe coil. Therefore, it can be seen that increasing the difference between the inner and outer radii can improve the resolution of the probe coil at a closer position, and reducing the difference between the inner and outer radii can improve the resolution of the probe coil at a farther position. This point is more intuitive in the relationship between the rate of change in magnetic induction intensity and the difference between the inner and outer radii, as shown in Figure 9.
In Figure 9, the black curve represents the average magnetic induction intensity change rate in the vicinity, and the red curve represents the far magnetic induction intensity change rate. It can be seen intuitively from the figure that the black curve shows an upward trend, and the red curve shows a downward trend. That is, with the increase in the difference between the inner and outer radii, the resolution of the probe coil is improved at close range, but gradually decreases at a distance.
Under the premise of keeping the assumed conditions consistent, Formulas (15)–(17) mentioned in the previous chapter can be used to calculate magnetic induction. When the difference between the inner and outer radii of the coil is 2 mm and the lift-off distances are 1.5 mm, 3.5 mm, 5.5 mm, and 7.5 mm, the theoretical values of the magnetic induction intensity B generated by the coil on its center line are 3.893 mT, 4.386 mT, 3.318 mT, and 1.491 mT, as shown in Table 3.
It can be seen from Table 3 that the simulated value of the magnetic induction on the center line of the coil is compared with the theoretical value, and the ratio of the value is close to 1, that is, it is roughly consistent. Therefore, on the one hand, the accuracy of the simulation data is verified, and on the other hand, the correctness of the law related to the difference between the inner and outer radius of the coil summarized by the simulation data is verified.

4.2. The Effect of Thickness on the Performance of Eddy Current Sensor

The excitation loaded on the coil is not changed, and the difference between the inner and outer radii and the equivalent radius remains unchanged. By changing the thickness of the coil, the change distribution of the magnetic induction intensity can be obtained on the center line. When the difference between the inner and outer radii rc2rc1 = 2 mm and the equivalent radius ro = 3 mm, the frequency is kept at 1 kHz and the excitation current remains constant at 0.05 A, and h is set to 1 mm, 3 mm, 5 mm, 7 mm and 9 mm, the obtained simulation data results are shown in Figure 10.
It can be seen from Figure 10 that under different probe coil thicknesses, as the lift-off distance increases, the magnetic induction intensity generated by the probe coil first increases and then decreases. Under different coil thicknesses, the position of the peak of the magnetic induction intensity change curve is not the same. As the thickness of the coil increases, the position of the peak value gradually moves backward, and the peak value gradually decreases. At closer distances, as the thickness of the coil increases, the magnetic induction decreases gradually. At a distance, with the increase in the thickness of the coil, the magnetic induction intensity gradually increases. The above changing law can be intuitively reflected in Figure 11.
Since the slope of the curve in Figure 10 represents the change rate of the magnetic induction intensity, which is closely related to the resolution of the probe, it is necessary to explore its change under different differences between the inner and outer radii. Since the change curve of magnetic induction intensity with lifting distance is not linear, the change rate of magnetic induction intensity is analyzed by segmenting the curve and selecting two intervals, near and far. The results are shown in Table 4.
It can be seen from Table 4 that when the thickness of the probe coil is increased, the rate of change in the magnetic induction intensity at a closer position first decreases, then increases, and then decreases again. However, at a farther distance, the rate of change in magnetic induction increases first and then decreases. The rate of change in the magnetic induction is positively related to the resolution of the probe coil. Therefore, it can be seen that reducing the thickness of the coil can improve the resolution of the probe coil in the near area as a whole, and increasing the thickness of the coil can improve the resolution of the probe coil in the distance as a whole. This point is more intuitive in the graph of the relationship between the rate of change in magnetic induction intensity and the thickness of the coil, as shown in Figure 12.
In Figure 12, the black curve represents the average magnetic induction intensity change rate in the vicinity, and the red curve represents the far magnetic induction intensity change rate. It can be seen intuitively from the figure that the black curve shows a downward trend as a whole, and the red curve shows an overall upward trend. That is, on the whole, reducing the thickness of the coil is conducive to improving the resolution of the probe coil in the vicinity, and increasing the thickness is conducive to improving the resolution of the probe coil in the distance.
Under the premise of keeping the assumed conditions consistent, Formulas (15)–(17), mentioned in the previous chapter, can be used to calculate magnetic induction. When the thickness of the coil is 3 mm and the lift-off distances are 1.5 mm, 3.5 mm, 5.5 mm, and 7.5 mm, the theoretical values of the magnetic induction intensity B generated by the coil on its center line are 5.299 mT, 4.665 mT, 2.147 mT, and 0.865 mT, as shown in Table 5.
It can be seen from Table 5 that comparing the simulated value of the magnetic induction intensity on the center line of the coil with the theoretical value, the numerical ratio tends to be 1, which is roughly consistent. On the one hand, it verifies the accuracy of the simulation data, and on the other hand, it verifies the correctness of the rules related to the coil thickness summarized through the simulation data.

4.3. The Influence of Equivalent Radius on the Performance of Eddy Current Sensor

The excitation applied to the coil remains constant, and the difference between the inner and outer radii and the thickness is kept constant. By changing the equivalent radius of the coil, the change distribution of the magnetic induction intensity is obtained on the center line. When the difference between the inner and outer radii rc2rc1 = 2 mm and the thickness h = 5 mm, the frequency is kept at 1 kHz and the excitation current remains constant at 0.05 A, and ro is set to 2 mm, 4 mm, 6 mm, and 8 mm, respectively, and the obtained simulation data results are shown in Figure 13.
It can be seen from Figure 13 that under different equivalent probe coil radii, as the lift-off distance increases, the magnetic induction intensity generated by the probe coil first increases and then decreases. Under different coil equivalent radii, the peak position of the magnetic induction intensity change curve is not the same. With the continuous increase in the equivalent radius of the coil, the position of the peak value gradually moves backward, and the peak value gradually decreases. At a closer distance, the magnetic induction intensity gradually decreases with the increase in the coil equivalent radius as a whole. At a distance, the magnetic induction intensity increases gradually with the increase in the thickness of the coil as a whole. The above variation law can be intuitively reflected in Figure 14.
Since the slope of the curve in Figure 13 represents the change rate of the magnetic induction intensity, which is closely related to the resolution of the probe, it is necessary to explore its change under different differences between the inner and outer radii. Since the change curve of the magnetic induction intensity with lifting distance is not linear, the change rate of magnetic induction intensity is analyzed by segmenting the curve and selecting two intervals, near and far. The results are shown in Table 6.
It can be seen from Table 6 that when the equivalent radius increases, the rate of change in magnetic induction intensity at closer positions will decrease, and at farther positions, the rate of change in the magnetic induction intensity will also gradually decrease. The rate of change in the magnetic induction is positively related to the resolution of the probe coil. Therefore, it can be seen that reducing the equivalent radius of the coil is beneficial to improving the resolution of the probe coil, no matter whether it is near or far away. This point is more intuitive in the graph of the relationship between the rate of change in magnetic induction intensity and the thickness of the coil, as shown in Figure 15.
Under the premise of keeping the assumed conditions consistent, Formulas (15)–(17), mentioned in the previous chapter, can be used to calculate magnetic induction. When the equivalent radius of the coil is 2 mm and the lift-off distances are 1.5 mm, 3.5 mm, 5.5 mm, and 7.5 mm, the theoretical values of the magnetic induction intensity B generated by the coil on its center line are 5.299 mT, 4.665 mT, 2.147 Mt, and 0.865 mT, as shown in Table 7.
It can be seen from Table 7 that the simulated value of the magnetic induction intensity on the center line of the coil is compared with the theoretical value, and the numerical ratio is close to 1, which is basically consistent. On the one hand, the accuracy of the simulation data is verified, and on the other hand, the correctness of the laws related to the equivalent radius summarized by the simulation data is verified.

5. Conclusions

This paper simulates and analyzes the eddy current detection probe models under several different geometric parameters. Mainly by observing the magnetic induction intensity and its rate of change, exploring the sensor resolution is affected by the geometry parameters of the probe. At the same time, the accuracy of the simulation data is verified by comparing the theoretical values with the simulated values under different conditions. Research shows that:
  • Increasing the difference between the inner and outer radii is beneficial to improving the resolution of the probe coil at a closer position, and reducing the difference between the inner and outer radii is conducive to improving the resolution of the probe coil at a farther position;
  • Reducing the thickness of the coil is conducive to increasing the resolution of the probe coil at close range, and increasing the thickness is conducive to increasing the resolution of the probe coil at a distance;
  • Whether it is near or far away, reducing the equivalent radius of the coil is beneficial to improving the resolution of the probe coil.

Author Contributions

Conceptualization, S.X.; methodology, S.X.; software, M.S. and M.L.; investigation, J.R.; data curation, J.R.; writing—original draft preparation, M.S. and M.L.; writing—review and editing, S.X.; visualization, M.L.; project administration, S.X.; funding acquisition, S.X. All authors have read and agreed to the published version of the manuscript.

Funding

This research received no external funding.

Institutional Review Board Statement

Not applicable.

Informed Consent Statement

Not applicable.

Data Availability Statement

The datasets generated and analyzed during the current study are not publicly available due the data also forming part of an ongoing study, but are available from the corresponding author on reasonable request.

Acknowledgments

This paper was supported by the following research projects: the Key Technology Innovation Project of Fujian Province (Grant No. 2022G02030), Young and middle-aged science, technology project of Ningde Normal College (Grant No. 2022ZQ102), Jiangxi Province key research and development project (Grant No. 20212BBE53028), the Natural Science Foundation of Fujian Province (Grant No. 2022J011223), and Collaborative Innovation Center project of Ningde Normal University (Grant No. 2023ZX01). These support is gratefully acknowledged.

Conflicts of Interest

The authors declare no conflict of interest.

References

  1. Ding, S.; Liu, F. New Technology and Application of Nondestructive Testing; Higher Education Press: Beijing, China, 2012. [Google Scholar]
  2. Shen, G. Progress of Nondestructive Testing and Evaluation Technology in China. In Proceedings of the 17th World Conference on Nondestructive Testing, Shanghai, China, 25–28 October 2008. [Google Scholar]
  3. Li, J.; Chen, J. NDT Brochure; Machinery Industry Press: Beijing, China, 2002. [Google Scholar]
  4. Zhu, S. A Review of Eddy Current Nondestructive Testing Technology. Light Ind. Technol. 2018, 34, 60–61. [Google Scholar]
  5. Yu, Z.; Fu, Y.; Jiang, L.; Yang, F. Detection of circumferential cracks in heat exchanger tubes using pulsed eddy current testing. NDT E Int. 2021, 121, 102444. [Google Scholar] [CrossRef]
  6. She, S.; Chen, Y.; He, Y.; Zhou, Z.; Zou, X. Optimal design of remote field eddy current testing probe for ferromagnetic pipeline inspection. Measurement 2020, 168, 108306. [Google Scholar] [CrossRef]
  7. Xie, L.; Gao, B.; Tian, G.; Tan, J.; Feng, B.; Yin, Y. Coupling pulse eddy current sensor for deeper defects NDT. Sens. Actuators A Phys. 2019, 293, 189–199. [Google Scholar] [CrossRef]
  8. Yin, H.; Wen, X.; Yang, S.; Wang, Y.; Li, C.; Liang, Y. Research on Eddy Current Imaging Detection Technology of Conductive Material Defects. Instrum. Technol. Sens. 2021, 83–88. [Google Scholar]
  9. Sophian, A.; Tian, G.Y.; Taylor, D.; Rudlin, J. Electromagnetic and eddy current NDT: A review. Insight 2001, 43, 302–306. [Google Scholar]
  10. Sophian, A.; Tian, G.Y.; Taylor, D.; Rudlin, J. A feature extraction technique based on principal component analysis for pulsed Eddy current NDT. NDT E Int. 2003, 36, 37–41. [Google Scholar] [CrossRef]
  11. Gao, Y.; Sun, X.; Li, D.; Yang, G. Overview of Eddy Current Testing of Aluminum Alloy Materials. Electron. World 2020, 22, 82–86. (In Chinese) [Google Scholar]
  12. Cui, W.; Zhu, R.; Yang, B.; Zhang, H.; Li, L. Design and Simulation Analysis of Far Field Eddy Current Sensors for Ferromagnetic Flat Plate Components. J. Air Force Eng. Univ. Nat. Sci. Ed. 2012, 13, 5. (In Chinese) [Google Scholar]
  13. Xu, J.; Yang, B.; Wang, X.; Zhang, H. Optimal Design of Remote Field Eddy Current Sensor for Detection of Cracks in Riveted Structure. J. Mech. Eng. 2017, 53, 120–127. [Google Scholar] [CrossRef]
  14. Li, W.; Chen, G.; Li, W.; Li, Z.; Liu, F. Analysis of the inducing frequency of a U-shaped ACFM system. NDT E Int. 2011, 44, 324–328. [Google Scholar] [CrossRef]
  15. Li, W.; Chen, G.; Yin, X.; Zhang, C.; Liu, T. Analysis of the Lift-off Effect of a U-Shaped ACFM System. NDT E Int. 2013, 53, 31–35. [Google Scholar] [CrossRef]
  16. Li, W.; Chen, G. Simulation Analysis of U-shaped ACFM Excitation Probe. J. Syst. Simul. 2007, 19, 5. [Google Scholar]
  17. Zhang, T.; Zuo, X.; Tian, G.; Fei, J. Optimization design and experimental verification of pulse magnetic flux leakage sensor. Nondestruct. Test. 2011, 33, 6. (In Chinese) [Google Scholar]
  18. Shu, L.; Songling, H.; Wei, Z. Development of Differential Probes in Pulsed Eddy Current Testing for Noise Suppression. Sens. Actuators A Phys. 2007, 135, 675–679. [Google Scholar] [CrossRef]
  19. Vyroubal, D. Impedance of the Eddy-Current Displacement Probe: The Transformer Model. IEEE Trans. Instrum. Meas. 2004, 53, 384–391. [Google Scholar] [CrossRef]
  20. Capobianco, T.E.; Splett, J.D.; Iyer, H.K. Eddy Current Probe Sensitivity as a Function of Coil Construction Parameters. Res. Nondestruct. Eval. 1990, 2, 169–186. [Google Scholar] [CrossRef]
  21. Chady, T.; Sikora, R. Optimization of eddy-current sensor for multifrequency systems. IEEE Trans. Magn. 2003, 39, 1313–1316. [Google Scholar] [CrossRef]
  22. Shin, Y.-K.; Choi, D.-M.; Kim, Y.-J.; Lee, S.-S. Signal characteristics of differential-pulsed eddy current sensors in the evaluation of plate thickness. NDT E Int. 2009, 42, 215–221. [Google Scholar] [CrossRef]
  23. Chen, Y.; Ji, H.; Qiu, J. Design of rectangular circular eddy current probe and non-destructive testing of carbon fiber prepreg. J. Nanjing Univ. Aeronaut. Astronaut. 2021, 53, 109–115. (In Chinese) [Google Scholar]
  24. Gong, H.; Hao, X.; Wang, A.; Sun, W.; Dai, Y. Optimization Design of Excitation Parameters and Excitation Coil Parameters for Pulse Eddy Current Testing. Nondestruct. Test. 2020, 42, 6. [Google Scholar] [CrossRef]
  25. Yang, Q.; Xie, S.; He, K.; Wang, K.; Tong, Z.; Chen, H.; Chen, Z. A Novel Circumferential Eccentric Eddy Current Probe and Its Application in Small Diameter Pipe Defect Detection. J. Mech. Eng. 2021, 57, 109–117. [Google Scholar] [CrossRef]
  26. Abdalla, A.N.; Ali, K.; Paw, J.K.S.; Rifai, D.; Faraj, M.A. A Novel Eddy Current Testing Error Compensation Technique Based on Mamdani-Type Fuzzy Coupled Differential and Absolute Probes. Sensors 2018, 18, 2108. [Google Scholar] [CrossRef] [PubMed]
  27. A Faraj, M.; Samsuri, F.; AbdAlla, A.N.; Rifai, D.; Ali, K.; Al-Douri, Y. Hybrid GMR/IR probe to reduce the effects of lift-off. Meas. Control. 2019, 52, 588–598. [Google Scholar] [CrossRef]
  28. Poletkin, K.; Babic, S. Magnetic stiffness calculation for the corresponding force between two current-carrying circular filaments arbitrarily oriented in the space. J. Magn. Magn. Mater. 2023, 568, 170067. [Google Scholar] [CrossRef]
  29. Dziczkowski, L.; Tytko, G. Evaluation of the Properties of Eddy Current Sensors Based on Their Equivalent Parameters. Sensors 2023, 23, 3267. [Google Scholar] [CrossRef]
  30. Xu, P.; Zeng, H.; Zhu, C.; Wang, P.; Geng, M.; Xu, Y. High speed track defect detection method based on enhanced magnetic field eddy current. China Mech. Eng. 2021, 32, 454–459. [Google Scholar]
  31. Li, S. Application of Eddy Current Testing Based on the Principle of Electromagnetic Induction in the Flaw Detection of Titanium Tubes in Condensers. Inf. Rec. Mater. 2020, 21, 2. [Google Scholar]
  32. Huang, S.; Wang, S. New Technologies in Electromagnetic Non-Destructive Testing; Springer: Singapore, 2016. [Google Scholar] [CrossRef]
Figure 1. Schematic diagram of eddy current testing.
Figure 1. Schematic diagram of eddy current testing.
Sensors 23 06610 g001
Figure 2. Equivalent circuit diagram.
Figure 2. Equivalent circuit diagram.
Sensors 23 06610 g002
Figure 3. Probe geometry parameter diagram.
Figure 3. Probe geometry parameter diagram.
Sensors 23 06610 g003
Figure 4. Probe coil schematic.
Figure 4. Probe coil schematic.
Sensors 23 06610 g004
Figure 5. Mesh division diagram of the model (vertical view).
Figure 5. Mesh division diagram of the model (vertical view).
Sensors 23 06610 g005
Figure 6. Shaft and probe mesh settings.
Figure 6. Shaft and probe mesh settings.
Sensors 23 06610 g006
Figure 7. The change curve of magnetic induction intensity when the differences between the inner and outer radii of the coil are different.
Figure 7. The change curve of magnetic induction intensity when the differences between the inner and outer radii of the coil are different.
Sensors 23 06610 g007
Figure 8. The distribution of magnetic induction intensity when the differences between the inner and outer radii of the coil are different.
Figure 8. The distribution of magnetic induction intensity when the differences between the inner and outer radii of the coil are different.
Sensors 23 06610 g008
Figure 9. The relationship between the change rate of the average magnetic induction intensity and the difference between the inner and outer radii.
Figure 9. The relationship between the change rate of the average magnetic induction intensity and the difference between the inner and outer radii.
Sensors 23 06610 g009
Figure 10. The influence of probe thickness on magnetic induction intensity.
Figure 10. The influence of probe thickness on magnetic induction intensity.
Sensors 23 06610 g010
Figure 11. The distribution of magnetic induction intensity when the thicknesses of the coil are different.
Figure 11. The distribution of magnetic induction intensity when the thicknesses of the coil are different.
Sensors 23 06610 g011
Figure 12. The relationship between the average magnetic induction intensity change rate and the thickness of the coil.
Figure 12. The relationship between the average magnetic induction intensity change rate and the thickness of the coil.
Sensors 23 06610 g012
Figure 13. The influence of coil equivalent radius on magnetic induction.
Figure 13. The influence of coil equivalent radius on magnetic induction.
Sensors 23 06610 g013
Figure 14. The distribution of magnetic induction intensity when the equivalent radii of the coil are different.
Figure 14. The distribution of magnetic induction intensity when the equivalent radii of the coil are different.
Sensors 23 06610 g014
Figure 15. The relationship between the change rate of the average magnetic induction intensity and the equivalent radius of the coil.
Figure 15. The relationship between the change rate of the average magnetic induction intensity and the equivalent radius of the coil.
Sensors 23 06610 g015
Table 1. Material parameters.
Table 1. Material parameters.
Materialμrσ/(S•m−1)εr
Air101
Copper15.998 × 1071
Stainless steel1001.137 × 1061
Table 2. The rate of change in the magnetic induction intensity at different differences between the inner and outer radii.
Table 2. The rate of change in the magnetic induction intensity at different differences between the inner and outer radii.
The Difference between Inner and Outer Radii rc2rc1 (mm)The Average Magnetic Field Change Rate When the Lift-Off Distance Is 0.5–3.5 mm (mT/mm)The Average Magnetic Field Change Rate When the Lift-Off Distance Is 6.5–9.5 mm (mT/mm)
20.42030.5708
30.44870.5664
40.48300.5532
50.55970.5280
Table 3. Comparison of simulated and theoretical values of magnetic induction on the center line of the coil when the difference between the inner and outer radii is 2 mm.
Table 3. Comparison of simulated and theoretical values of magnetic induction on the center line of the coil when the difference between the inner and outer radii is 2 mm.
Lift-Off Distance (mm)Theoretical Value (mT)COMSOL (mT)Ratio
1.53.8933.9011.002
3.54.3864.3750.997
5.53.3183.3080.996
7.51.4911.4951.003
Table 4. The rate of change in magnetic induction at different probe coil thicknesses.
Table 4. The rate of change in magnetic induction at different probe coil thicknesses.
Thickness h (mm)The Average Magnetic Field Change Rate When the Lift-Off Distance Is 0.5–3.5 mm (mT/mm)The Average Magnetic Field Change Rate When the Lift-Off Distance Is 6.5–9.5 mm (mT/mm)
10.90330.1872
30.09270.3293
50.42030.5708
70.38370.6570
90.33630.3220
Table 5. Comparison of simulated value and theoretical value of magnetic induction on the center line of the coil when the thickness is 3 mm.
Table 5. Comparison of simulated value and theoretical value of magnetic induction on the center line of the coil when the thickness is 3 mm.
Lift-Off Distance (mm)Theoretical Value (mT)COMSOL (mT)Ratio
1.55.2995.3021.001
3.54.6654.6610.999
5.52.1472.1531.003
7.50.8650.8630.998
Table 6. The rate of change in magnetic induction at different probe coil equivalent radii.
Table 6. The rate of change in magnetic induction at different probe coil equivalent radii.
Equivalent Radius ro (mm)The Average Magnetic Field Change Rate When the Lift-Off Distance Is 0.5–3.5 mm (mT/mm)The Average Magnetic Field Change Rate When the Lift-Off Distance Is 6.5–9.5 mm (mT/mm)
20.77570.6127
40.23430.4986
60.08930.3507
80.04970.2503
Table 7. Comparison of simulated value and theoretical value of magnetic induction intensity on the center line of the coil when the equivalent radius is 2 mm.
Table 7. Comparison of simulated value and theoretical value of magnetic induction intensity on the center line of the coil when the equivalent radius is 2 mm.
Lift-Off Distance (mm)Theoretical Value (mT)COMSOL (mT)Ratio
1.54.1524.1571.001
3.55.0895.1041.003
5.53.7683.7640.999
7.51.0921.0951.003
Disclaimer/Publisher’s Note: The statements, opinions and data contained in all publications are solely those of the individual author(s) and contributor(s) and not of MDPI and/or the editor(s). MDPI and/or the editor(s) disclaim responsibility for any injury to people or property resulting from any ideas, methods, instructions or products referred to in the content.

Share and Cite

MDPI and ACS Style

Song, M.; Li, M.; Xiao, S.; Ren, J. Research on the Influence of Geometric Structure Parameters of Eddy Current Testing Probe on Sensor Resolution. Sensors 2023, 23, 6610. https://doi.org/10.3390/s23146610

AMA Style

Song M, Li M, Xiao S, Ren J. Research on the Influence of Geometric Structure Parameters of Eddy Current Testing Probe on Sensor Resolution. Sensors. 2023; 23(14):6610. https://doi.org/10.3390/s23146610

Chicago/Turabian Style

Song, Mengmeng, Mengwei Li, Shungen Xiao, and Jihua Ren. 2023. "Research on the Influence of Geometric Structure Parameters of Eddy Current Testing Probe on Sensor Resolution" Sensors 23, no. 14: 6610. https://doi.org/10.3390/s23146610

APA Style

Song, M., Li, M., Xiao, S., & Ren, J. (2023). Research on the Influence of Geometric Structure Parameters of Eddy Current Testing Probe on Sensor Resolution. Sensors, 23(14), 6610. https://doi.org/10.3390/s23146610

Note that from the first issue of 2016, this journal uses article numbers instead of page numbers. See further details here.

Article Metrics

Back to TopTop