The Remaining Useful Life Prediction Method of a Hydraulic Pump under Unknown Degradation Model with Limited Data
Abstract
1. Introduction
2. Methods
2.1. Degradation Indicator
2.2. Degradation Path Model
- (1)
- Residual sum of squares (SSE): SSE represents the error between the curve fitting value and the test value, indicating the degree of model fitting. A smaller SSE value indicates better model fitting, as it reflects a closer match between the fitting method and the real test result. This leads to more successful data prediction.
- (2)
- Root Mean Square Error (RMSE): RMSE represents the standard deviation between the fitting value and the test value. A smaller RMSE value indicates a better fitting effect, as it reflects a closer match between the fitting result and the test value. When the RMSE is closer to 0, it means that the fitting result is closer to the test value, indicating a better fitting effect.
- (3)
- R-square (also known as the coefficient of determination): R-squared is a statistical measure that represents the square of the correlation coefficient between the measured data (test value) and the fitted value. Its value ranges from 0 to 1. A value closer to 1 indicates a better fitting effect, implying that the curve fitting method is more accurate. In other words, R-squared measures the proportion of the variation in the dependent variable (test value) that is explained by the independent variable (fitted value).
2.3. Probabilistic Distribution Model
2.3.1. Weibull Distribution Model
2.3.2. Model of Extreme Distribution
2.3.3. Lognormal Distribution Model
2.4. K-S Test
2.5. RUL Prediction
2.6. RUL Prediction Method
- (1)
- Determining the failure criteria of hydraulic pumps and investigating the degradation laws of degradation data over time.
- (2)
- Fitting the degradation curve, calculating the residual data, and eliminating outliers.
- (3)
- To achieve this, different fitting methods such as exponential fitting and linear fitting are used to characterize the optimal function that matches the degradation data over time. The best fitting method is selected through evaluation index. Additionally, a random variable is determined to characterize the random fluctuations of the degradation data around the degradation curve.
- (4)
- Based on the theory of probability and statistical analysis, the parameter identification of random variables in different probability distribution models is performed. The optimal probability distribution model is determined using the K-S test to quantify the uncertainty.
- (5)
- The failure time of the hydraulic pump is calculated by determining the given reliability probability of a given time .
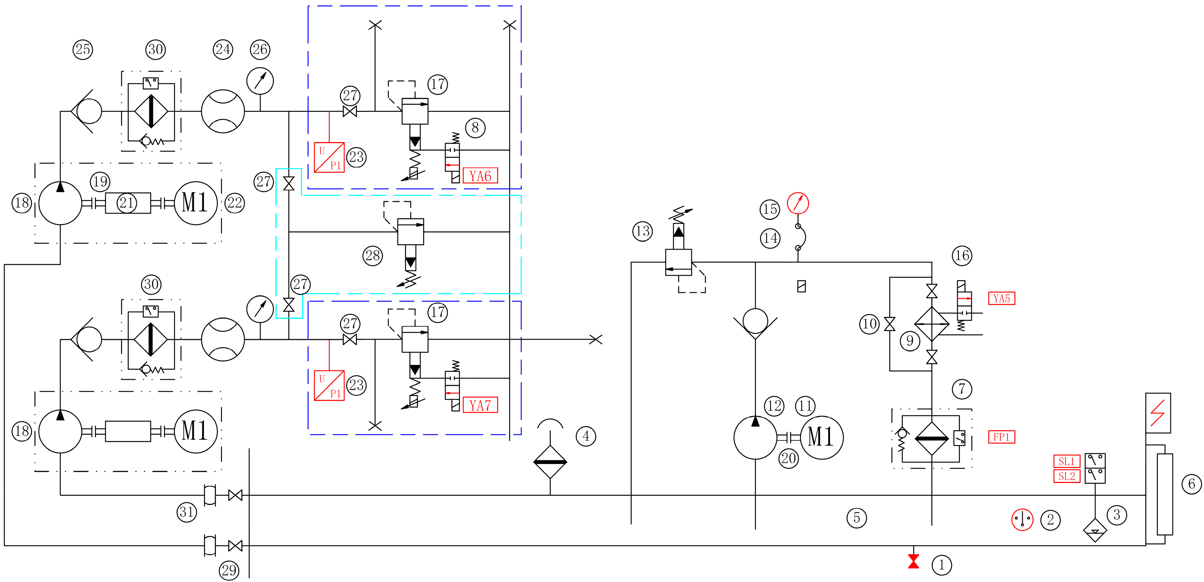
3. Test System
4. Discussion
4.1. Feature Extraction
4.2. Modelling
4.3. Results and Analysis
5. Conclusions
- (1)
- The RUL method proposed in this study constructs a degradation trajectory model using volumetric efficiency as the performance degradation indicator. The method achieves a prediction accuracy of over 85% while only using limited degradation data. Compared with traditional AdaBoost, Random Forest, and FCM-HSMM, the prediction error of the proposed method shows a monotonically decreasing trend, and the prediction fluctuation gradually decreases. Additionally, the computational complexity is low, ensuring both the accuracy and real-time performance of the prediction.
- (2)
- This study proposes an evaluation method for curve fitting and probability distribution models for unknown degradation models. The method selects the best degradation curve and probability distribution model, effectively revealing the degradation law of hydraulic pumps and quantifying the uncertainty of random effect.
- (3)
- This study proposes a verification method based on changing failure threshold, which enables the test verification of hydraulic pumps with long service lives and no failure data by assuming a failure threshold.
Author Contributions
Funding
Institutional Review Board Statement
Informed Consent Statement
Data Availability Statement
Conflicts of Interest
References
- Yang, Y.; Ding, L.; Xiao, J.; Fang, G.; Li, J. Current status and applications for hydraulic pump fault diagnosis: A Review. Sensors 2022, 22, 9714. [Google Scholar] [CrossRef]
- Zhou, Y.H.; Kang, R. Degradation model and application in life prediction of rotating-mechanism. Chin. J. Nucl. Sci. Eng. 2009, 29, 146–151. [Google Scholar]
- Zhou, H.; Huang, J.; Lu, F. Reduced kernel recursive least squares algorithm for aero-engine degradation prediction. Mech. Syst. Signal Process. 2017, 95, 446–467. [Google Scholar] [CrossRef]
- Fan, J.J.; Yung, K.C.; Pecht, M. Physics-of-Failure-Based Prognostics and Health Management for High-Power White Light-Emitting Diode Lighting. IEEE Trans. Device Mater. Reliab. 2011, 11, 407–416. [Google Scholar] [CrossRef]
- Si, X.S.; Wang, W.B.; Hu, C.H.; Zhou, D.H. Remaining useful life estimation-A review on the statistical data driven approaches. Eur. J. Oper. Res. 2011, 213, 1–14. [Google Scholar] [CrossRef]
- Li, X.; Xu, Y.X.; Li, N.P.; Yang, B.; Le, Y.G. Remaining useful life prediction with partial sensor malfunctions using deep adversarial networks. IEEE/CAA J. Autom. Sin. 2023, 10, 14. [Google Scholar] [CrossRef]
- Jin, R.B.; Wu, M.; Wu, K.Y.; Gao, K.Z.; Chen, Z.H.; Li, X.L. Position encoding based convolutional neural networks for machine remaining useful life prediction. IEEE/CAA J. Autom. Sin. 2022, 9, 1427–1439. [Google Scholar] [CrossRef]
- Chang, Z.H.; Yuan, W.; Huang, K. Remaining useful life prediction for rolling bearings using multi-layer grid search and LSTM. Comput. Electr. Eng. 2022, 101, 108083. [Google Scholar] [CrossRef]
- He, Q.; Yin, F.; Wu, X.; Jiang, G. Fault prediction of wind turbine gearbox based on long-short-term memory network. Acta Metrol. Sin. 2020, 41, 1284–1290. [Google Scholar]
- Karam, S.; Centobelli, P.; D’Addona, D.M.; Teti, R. Online prediction of cutting tool life in turning via cognitive decision making. Procedia CIRP 2016, 41, 927–932. [Google Scholar] [CrossRef]
- Zheng, J.B.; Liao, J.; Zhu, Y.Q. Two-stage Multi-channel Fault Detection and Remaining Useful Life Prediction Model of Internal Gear Pumps Based on Robust-resnet. Sensors 2023, 23, 2395. [Google Scholar] [CrossRef]
- Benkedjouh, T.; Medjaher, K.; Zerhouni, N.; Rechak, S. Health assessment and life prediction of cutting tools based on support vector regression. J. Intell. Manuf. 2015, 26, 213–223. [Google Scholar] [CrossRef]
- Peng, Y.; Dong, M. A prognosis method using age-dependent hidden semi-Markov model for equipment health prediction. Mech. Syst. Signal Process. 2011, 25, 237–252. [Google Scholar] [CrossRef]
- Yu, J.; Liang, S.; Tang, D.; Liu, H. A weighted hidden Markov model approach for continuous-state tool wear monitoring and tool life prediction. Int. J. Adv. Manuf. Technol. 2017, 91, 201–211. [Google Scholar] [CrossRef]
- Mosallam, A.; Medjaher, K.; Zerhouni, N. Data-driven prognostic method based on Bayesian approaches for direct remaining useful life prediction. J. Intell. Manuf. 2016, 27, 1037–1048. [Google Scholar] [CrossRef]
- Zhao, S.; Jiang, C.; Long, X. Remaining useful life estimation of mechanical systems based on the data-driven method and Bayesian theory. J. Mech. Eng. 2018, 54, 115–124. [Google Scholar] [CrossRef]
- Kapuria, A.; Cole, D.G. Integrating Survival Analysis with Bayesian Statistics to Forecast the Remaining Useful Life of a Centrifugal Pump Conditional to Multiple Fault Types. Energies 2023, 16, 3707. [Google Scholar] [CrossRef]
- Wang, X.; Cheng, Z.; Guo, B. Residual life forecasting of metallized film capacitor based on Wiener process. J. Natl. Univ. Def. Technol. 2011, 33, 146–151. [Google Scholar]
- Son, K.L.; Fouladirad, M.; Barros, A.; Levrat, E.; Lung, B. Remaining useful life estimation based on stochastic deterioration models: A comparative study. Reliab. Eng. Syst. Saf. 2013, 112, 165–175. [Google Scholar] [CrossRef]
- Pan, Y.; Wu, T.H.; Jing, Y.T.; Han, Z.D.; Lei, Y.G. Remaining useful life prediction of lubrication oil by integrating multi-source knowledge and multi-indicator data. Mech. Syst. Signal Process. 2023, 191, 110174. [Google Scholar] [CrossRef]
- Saha, B.; Goebel, K.; Poll, S.; Christophersen, J. Prognostics Methods for battery health monitoring using a bayesian framework. IEEE Trans. Instrum. Meas. 2009, 58, 291–296. [Google Scholar] [CrossRef]
- Santhosh, T.V.; Gopika, V.; Ghosh, A.K.; Fernandes, B.G. An approach for reliability prediction of instrumentation & control cables by artificial neural networks and Weibull theory for probabilistic safety assessment of NPPs. Reliab. Eng. Syst. Saf. 2018, 170, 31–44. [Google Scholar]
- Yang, Z.; Zhao, J.; Li, L.; Cheng, Z.; Guo, C. Reliability analysis and residual life estimation of bivariate dependent degradation system. J. Syst. Eng. Electron. 2020, 42, 259–266. [Google Scholar]
- Liu, X.J. Degradation process and maintenance planning based on random coefficient regression model. J. Control Decis. 2021, 36, 754–760. [Google Scholar]
- Li, T.; Pei, H.; Pang, Z.; Si, X.; Zheng, X. A Sequential Bayesian Updated Wiener Process Model for Remaining Useful Life Prediction. IEEE Access 2019, 8, 5471–5480. [Google Scholar] [CrossRef]
- Joseph, V.R.; Yu, I.T. Reliability improvement experiments with degradation data. IEEE Trans. Reliab. 2006, 55, 149–157. [Google Scholar] [CrossRef]
- Si, X.; Ren, Z.; Hu, X.; Hu, C.; Shi, Q. A Novel Degradation Modeling and Prognostic Framework for Closed-Loop Systems with Degrading Actuator. IEEE Trans. Ind. Electron. 2020, 67, 9635–9647. [Google Scholar] [CrossRef]
- Zhang, Z.; Hu, C.; Si, X.; Zhang, J.; Zheng, J. Stochastic degradation process modeling and remaining useful life estimation with flexible random effects. J. Frankl. Inst. 2017, 354, 2477–2499. [Google Scholar] [CrossRef]
- Ma, J.M.; Jin, Z.; Lu, Y.L.; Qi, X.Y.; Fu, Y.L.; Luo, J. Accelerated Lifetime Test for Aircraft Hydraulic Pump on Virtual Test. Chin. Hydraul. Pneum. 2016, 3, 7–13. [Google Scholar]
- Huang, W.; Dietrich, D.L. An alternative degradation reliability modeling approach using maximum likelihood estimation. IEEE Trans. Reliab. 2005, 54, 310–317. [Google Scholar] [CrossRef]
- Meeker, W.Q.; Wayne, N. Optimum accelerated life-tests for the weibull and extreme value distributions. IEEE Trans. Reliab. 1975, 24, 321–332. [Google Scholar] [CrossRef]
- Gebraeel, N. Sensory-updated residual life distributions for components with exponential degradation patterns. IEEE Trans. Autom. Sci. Eng. 2006, 3, 382–393. [Google Scholar] [CrossRef]
- Olea, R.A.; Pawlowsky, G.V. Kolmogorov–Smirnov test for spatially correlated data. Stoch. Environ. Res. Risk Assess. 2008, 23, 749–757. [Google Scholar] [CrossRef]











| Swash Plate Piston Pump | Inclined Shaft Piston Pump | ||||
|---|---|---|---|---|---|
| nominal displacement | 2.5 | ||||
| volumetric efficiency | |||||
| overall efficiency | |||||
| Use Time (Days) | Volumetric Efficiency (%) | Use Time (Days) | Volumetric Efficiency (%) |
|---|---|---|---|
| 0 | 92.62 | 64 | 91.68 |
| 4 | 92.35 | 68 | 91.47 |
| 8 | 92.95 | 72 | 91.59 |
| 12 | 92.2 | 76 | 90.89 |
| 16 | 91.29 | 80 | 91.16 |
| 20 | 91.9 | 84 | 91.56 |
| 24 | 91.25 | 88 | 90.97 |
| 28 | 92.36 | 92 | 91.61 |
| 32 | 91.85 | 96 | 91.32 |
| 36 | 92.36 | 100 | 90.59 |
| 40 | 91.07 | 104 | 91.83 |
| 44 | 91.87 | 108 | 90.11 |
| 48 | 91.8 | 112 | 90.47 |
| 52 | 91.75 | 116 | 90.32 |
| 56 | 90.97 | 120 | 90.63 |
| 60 | 91.85 |
| SSE | RMSE | R-Square | |
|---|---|---|---|
| exponential fitting | 14.5 | 0.4958 | 0.5507 |
| Fourier fitting | 24.8 | 0.6596 | 0.2301 |
| linear fitting | 13.7 | 0.4558 | 0.5907 |
| quadratic fitting | 14.5 | 0.5 | 0.5507 |
| Use Time (Days) | Use Time (Days) | ||
|---|---|---|---|
| 0 | −0.0446 | 64 | −0.2187 |
| 4 | 0.1558 | 68 | −0.0783 |
| 8 | −0.5139 | 72 | −0.2679 |
| 12 | 0.1665 | 76 | 0.3625 |
| 16 | / | 80 | 0.0228 |
| 20 | 0.3273 | 84 | −0.4468 |
| 24 | / | 88 | 0.0736 |
| 28 | −0.2720 | 92 | −0.6361 |
| 32 | 0.1684 | 96 | −0.4157 |
| 36 | −0.4113 | 100 | 0.2447 |
| 40 | / | 104 | / |
| 44 | −0.0605 | 108 | 0.5854 |
| 48 | −0.0601 | 112 | 0.1558 |
| 52 | −0.0798 | 116 | 0.2362 |
| 56 | 0.6306 | 120 | −0.1435 |
| 60 | −0.3190 |
| Weibull | Extreme Value | Lognormal | |
|---|---|---|---|
| h | 0 | 0 | 0 |
| p | 0.80416 | 0.7971 | 0.96173 |
Disclaimer/Publisher’s Note: The statements, opinions and data contained in all publications are solely those of the individual author(s) and contributor(s) and not of MDPI and/or the editor(s). MDPI and/or the editor(s) disclaim responsibility for any injury to people or property resulting from any ideas, methods, instructions or products referred to in the content. |
© 2023 by the authors. Licensee MDPI, Basel, Switzerland. This article is an open access article distributed under the terms and conditions of the Creative Commons Attribution (CC BY) license (https://creativecommons.org/licenses/by/4.0/).
Share and Cite
Wu, F.; Tang, J.; Jiang, Z.; Sun, Y.; Chen, Z.; Guo, B. The Remaining Useful Life Prediction Method of a Hydraulic Pump under Unknown Degradation Model with Limited Data. Sensors 2023, 23, 5931. https://doi.org/10.3390/s23135931
Wu F, Tang J, Jiang Z, Sun Y, Chen Z, Guo B. The Remaining Useful Life Prediction Method of a Hydraulic Pump under Unknown Degradation Model with Limited Data. Sensors. 2023; 23(13):5931. https://doi.org/10.3390/s23135931
Chicago/Turabian StyleWu, Fenghe, Jun Tang, Zhanpeng Jiang, Yingbing Sun, Zhen Chen, and Baosu Guo. 2023. "The Remaining Useful Life Prediction Method of a Hydraulic Pump under Unknown Degradation Model with Limited Data" Sensors 23, no. 13: 5931. https://doi.org/10.3390/s23135931
APA StyleWu, F., Tang, J., Jiang, Z., Sun, Y., Chen, Z., & Guo, B. (2023). The Remaining Useful Life Prediction Method of a Hydraulic Pump under Unknown Degradation Model with Limited Data. Sensors, 23(13), 5931. https://doi.org/10.3390/s23135931

