Simulation and Optimization Design of Inductive Wear Particle Sensor
Abstract
1. Introduction
- Establish a mathematical model for the induced electromotive force of an inductive wear particle sensor, and use finite element analysis software to simulate the effect of coil distance on the induced voltage. Based on the simulation results, the optimal coil distance of 1.5 mm was determined;
- The influence of permalloy thickness and alloy air gap spacing on the sensor sensitivity was analyzed. The optimal thickness of 0.1 mm and the optimal air gap of 0.3 mm were determined through simulation. The effect of permalloy chamfer on the induced voltage was also discussed in terms of optimization;
- Study the induced voltage of different types of sensors wrapped with permalloy, analyze and determine the optimal sensor is the full-coverage permalloy chamfer sensor, and determine the minimum allowable detection of 27.5 µm ferromagnetic particles through simulation.
2. Sensor Structure, Principle Model, and Original Sensor Simulation
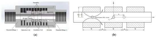
2.1. Sensor Structure and Principle
2.2. Inductive Voltage Model
2.3. Establishment of Original Sensor Simulation
2.4. Impact of Coil Distance on Original Sensor Performance
2.5. Effect of Coil Turns on Original Sensor Performance
3. Covered with Permalloy Type Wear Particle Sensor
3.1. Effect of Exciter Coil Covered with Permalloy on Sensor Performance
3.2. The Influence of Air Gap Spacing on Sensor Performance
3.3. Effect of Full-Coverage Permalloy on Sensor Performance
3.4. The Effect of Alloy Thickness on Sensor Performance
3.5. Effect of Full-Coverage Permalloy Chamfer on Sensor Performance
3.6. Minimum Allowable Detection
4. Discussion
5. Conclusions
Author Contributions
Funding
Institutional Review Board Statement
Informed Consent Statement
Data Availability Statement
Conflicts of Interest
References
- Sun, J.; Wang, L.; Li, J.; Li, F.; Li, J.; Lu, H. Online oil debris monitoring of rotating machinery: A detailed review of more than three decades. Mech. Syst. Signal Process. 2021, 149, 107341. [Google Scholar] [CrossRef]
- Chen, T.; Wang, L.; Gu, Y. Review on online inductive wear debris monitoring technology. J. Eng. 2019, 2019, 8518–8521. [Google Scholar] [CrossRef]
- Wei, H.; Cai, W.J.; Wang, S.P. Mechanical wear debris feature, detection, and diagnosis: A review. Chin. J. Aeronaut. 2018, 31, 867–882. [Google Scholar]
- Ding, Y.B.; Wang, Y.X.; Xiang, J.W. An online debris sensor system with vibration resistance for lubrication analysis. Rev. Sci. Instrum. 2016, 87, 025109. [Google Scholar] [CrossRef]
- Han, Z.; Wang, Y.; Qing, X. Characteristics Study of In-Situ Capacitive Sensor for Monitoring Lubrication Oil Debris. Sensors 2017, 17, 2851. [Google Scholar] [CrossRef]
- Wang, Y.; Han, Z.; Gao, T.; Qing, X. In-situ capacitive sensor for monitoring debris of lubricant oil. Ind. Lubr. Tribol. 2018, 70, 1310–1319. [Google Scholar] [CrossRef]
- Fan, B.; Feng, S.; Che, Y. An oil monitoring method of wear evaluation for engine hot tests. Int. J. Adv. Manuf. Technol. 2018, 94, 3199–3207. [Google Scholar] [CrossRef]
- Zhang, Z.Q.; Fan, B.; Liu, Y.; Zhang, P.; Wang, J.; Du, W. Rapid warning of wind turbine blade icing based on MIV-tSNE-RNN. J. Mech. Sci. Technol. 2021, 35, 5453–5459. [Google Scholar] [CrossRef]
- Guan, L.; Feng, X.; Xiong, G.; Xie, J. Application of dielectric spectroscopy for engine lubricating oil degradation monitoring. Sens. Actuators A Phys. 2011, 168, 22–29. [Google Scholar] [CrossRef]
- Wakiru, J.M.; Pintelon, L.; Muchiri, P.N.; Chemweno, P.K. A review on lubricant condition monitoring information analysis for maintenance decision support. Mech. Syst. Signal Process. 2019, 118, 108–132. [Google Scholar] [CrossRef]
- Fan, B.; Li, B.; Feng, S. Modeling and experimental investigations on the relationship between wear debris concentration and wear rate in lubrication systems. Tribol. Int. 2017, 109, 114–123. [Google Scholar] [CrossRef]
- Zhu, X.; Zhong, C.; Zhe, J. Lubricating oil conditioning sensors for online machine health monitoring—A review. Tribol. Int. 2017, 109, 473–484. [Google Scholar] [CrossRef]
- Li, Y.; Wu, J.; Guo, Q. Electromagnetic sensor for detecting wear debris in lubricating oil. IEEE Trans. Instrum. Meas. 2020, 69, 2533–2541. [Google Scholar] [CrossRef]
- Fan, B.; Liu, Y.; Zhang, C.; Wang, J.G. A deposition rate based index of debris concentration and its extraction method for on-line image visual ferrography. Tribol. Trans. 2021, 64, 1035–1045. [Google Scholar] [CrossRef]
- Zhang, F.Z.; Liu, B.D.; De Wu, Y.; Li, D.S. The Simulation Research of Detecting Metal Debris with Different Shape Parameters of Micro Inductance Sensor. Adv. Mater. Res. 2013, 791–793, 861–865. [Google Scholar] [CrossRef]
- Zeng, L.; Zhang, H.; Wang, Q.; Zhang, X. Monitoring of Non-Ferrous Wear Debris in Hydraulic Oil by Detecting the Equivalent Resistance of Inductive Sensors. Micromachines 2018, 9, 117. [Google Scholar] [CrossRef] [PubMed]
- López de Calle, K.; Ferreiro, S.; Roldán-Paraponiaris, C.; Ulazia, A. A Context-Aware Oil Debris-Based Health Indicator for Wind Turbine Gearbox Condition Monitoring. Energies 2019, 12, 3373. [Google Scholar] [CrossRef]
- Hong, W.; Wang, S.; Tomovic, M.M.; Liu, H.; Wang, X. A new debris sensor based on dual excitation sources for online debrismonitoring. Meas. Sci. Technol. 2015, 26, 095101. [Google Scholar] [CrossRef]
- Talebi, A.; Hosseini, S.V.; Parvaz, H.; Heidari, M. Design and fabrication of an online inductive sensor for identification of ferrous wear particles in engine oil. Ind. Lubr. Tribol. 2021, 73, 666–675. [Google Scholar] [CrossRef]
- Hong, W.; Wang, S.; Liu, H.; Tomovic, M.M.; Chao, Z. A hybrid method based on Band Pass Filter and Correlation Algorithm to improve debris sensor capacity. Mech. Syst. Signal Process. 2016, 82, 1–12. [Google Scholar] [CrossRef]
- Wang, C.; Bai, C.; Yang, Z.; Zhang, H.; Li, W.; Wang, X.; Zheng, Y.; Ilerioluwa, L.; Sun, Y. Research on High Sensitivity Oil Debris Detection Sensor Using High Magnetic Permeability Material and Coil Mutual Inductance. Sensors 2022, 22, 1833. [Google Scholar] [CrossRef]
- Ren, Y.J.; Li, W.; Zhao, G.F. Inductive debris sensor using one energizing coil with multiple sensing coils for sensitivity improvement and high throughput. Tribol. Int. 2018, 128, 96–103. [Google Scholar] [CrossRef]
- Zhu, X.; Du, L.; Zhe, J. A 3 × 3 wear debris sensor array for real time lubricant oil conditioning monitoring using synchronized sampling. Mech. Syst. Signal Process. 2017, 83, 296–304. [Google Scholar] [CrossRef]
- Muthuvel, P.; George, B.; Ramadass, G.A. A highly sensitive in-line oil wear debris sensor based on passive wireless LC sensing. IEEE Sens. J. 2020, 21, 6888–6896. [Google Scholar] [CrossRef]
- Qian, M.; Zhao, G.; Ren, Y. Triple-coil inductive debris sensor with special shielded coils for depressing interference of dielectric components. Procedia Manuf. 2019, 39, 1279–1288. [Google Scholar] [CrossRef]
- Feng, S.; Yang, L.; Qiu, G. An inductive debris sensor based on a high-gradient magnetic field. IEEE Sens. J. 2019, 19, 2879–2886. [Google Scholar] [CrossRef]
- Ma, L.; Xu, Z.; Zhang, H. Multifunctional detection sensor and sensitivity improvement of a double solenoid coil sensor. Micromachines 2019, 10, 377. [Google Scholar] [CrossRef]
- Zhu, X.; Zhong, C.; Zhe, J. A high sensitivity wear debris sensor using ferrite cores for online oil condition monitoring. Meas. Sci. Technol. 2017, 28, 075102. [Google Scholar] [CrossRef]
- Zheng, C.; Wang, X.; Jia, R. Study on the Sensitivity of Detachable Wear Particle Sensor Based on Iron-Based Amorphous Soft Magnetic Rings. IEEE Sens. J. 2022, 22, 12708–12718. [Google Scholar] [CrossRef]
- Kukharova, T.V.; Ilyushin, Y.V.; Asadulagi, M.-A.M. Investigation of the OA-300M Electrolysis Cell Temperature Field of Metallurgical Production. Energies 2022, 15, 9001. [Google Scholar] [CrossRef]
- Li, T.; Wang, S.; Zio, E.; Shi, J.; Hong, W. Aliasing Signal Separation of Superimposed Abrasive Debris Based on Degenerate Unmixing Estimation Technique. Sensors 2018, 18, 866. [Google Scholar] [CrossRef] [PubMed]
















| Excitation Current | Tube Radius | Wire Diameter | Number of Turns of Induction/Excitation Coils | Excitation Frequency | Coil Gap |
|---|---|---|---|---|---|
| 1 A | 4 mm | 0.2 mm | 140 | 100 kHz | 1 mm |
| Sensor Type | Maximum Value: Coil Voltage | Minimum Value: Coil Voltage |
|---|---|---|
| Full-coverage permalloy chamfer | 0.63154 V | −0.63098 V |
| Full-coverage permalloy | 0.63134 V | −0.63083 V |
| Exciting coil covered with permalloy chamfer | 0.52396 V | −0.52226 V |
| Exciter coil covered with permalloy | 0.52363 V | −0.52198 V |
| Original sensor | 0.23479 V | −0.23401 V |
Disclaimer/Publisher’s Note: The statements, opinions and data contained in all publications are solely those of the individual author(s) and contributor(s) and not of MDPI and/or the editor(s). MDPI and/or the editor(s) disclaim responsibility for any injury to people or property resulting from any ideas, methods, instructions or products referred to in the content. |
© 2023 by the authors. Licensee MDPI, Basel, Switzerland. This article is an open access article distributed under the terms and conditions of the Creative Commons Attribution (CC BY) license (https://creativecommons.org/licenses/by/4.0/).
Share and Cite
Fan, B.; Wang, L.; Liu, Y.; Zhang, P.; Feng, S. Simulation and Optimization Design of Inductive Wear Particle Sensor. Sensors 2023, 23, 4890. https://doi.org/10.3390/s23104890
Fan B, Wang L, Liu Y, Zhang P, Feng S. Simulation and Optimization Design of Inductive Wear Particle Sensor. Sensors. 2023; 23(10):4890. https://doi.org/10.3390/s23104890
Chicago/Turabian StyleFan, Bin, Lianfu Wang, Yong Liu, Peng Zhang, and Song Feng. 2023. "Simulation and Optimization Design of Inductive Wear Particle Sensor" Sensors 23, no. 10: 4890. https://doi.org/10.3390/s23104890
APA StyleFan, B., Wang, L., Liu, Y., Zhang, P., & Feng, S. (2023). Simulation and Optimization Design of Inductive Wear Particle Sensor. Sensors, 23(10), 4890. https://doi.org/10.3390/s23104890

