Detection of Water Changes in Plant Stems In Situ by the Primary Echo of Ultrasound RF with an Improved AIC Algorithm
Abstract
1. Introduction
2. Materials and Methods
2.1. Ultrasonic Detection Principle
2.2. Ultrasonic Detection of Water Content Changes in Stems
2.3. Detection of the Position of Ultrasonic Primary Echo for Stems Based on AIC Algorithm
2.3.1. Detection of Ultrasonic Echo Time Based on AIC
2.3.2. Ultrasonic Detection of Plant Stems Based on AIC Algorithm
2.4. Hybrid Difference AIC Algorithm
- Calculate AIC(n) values (AIC(n), n = 1, …, N);
- Extract AIC(n) from the sample of the minimal value (AICmin(index)) to the last sample N to form the AICseg(i), i = index, …, N;
- Compute the M order differences of AICseg(i), to obtain DiffAICseg(i);where △M is the M order difference.
- Compute the envelope of DiffAICseg(i) and normalize it;Because of the phase change of the ultrasonic echo signal, the upper and lower envelopes are retained.
- Multiply Envelope(i) and AICseg(i),
- Pick the maximum of the MixedAIC(i). The time of the maximum is the time of primary echo.
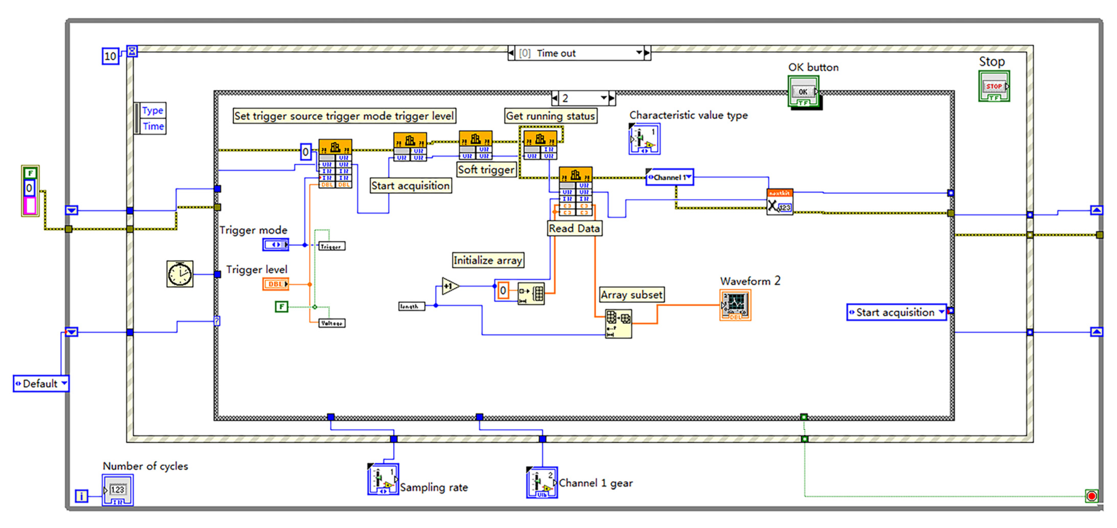
2.5. Ultrasonic Detection System
3. Results
3.1. Simulation Experiment
3.2. Ultrasonic Detection for Samples of Plant Stem
3.3. Location Detection of Ultrasonic Echo from the Stem Body of a Living Sunflower
4. Discussion and Conclusions
Author Contributions
Funding
Institutional Review Board Statement
Informed Consent Statement
Data Availability Statement
Conflicts of Interest
References
- Xiao, Y.; Jie, Z.; Wang, M.; Lin, G.; Wang, W. Leaf and Stem Anatomical Responses to Periodical Waterlogging in Simulated Tidal Floods in Mangrove Avicennia Marina Seedlings. Aquat. Bot. 2009, 91, 231–237. [Google Scholar] [CrossRef]
- Abbasi, M.; Faghani, E.; Khani, A.; Razzaghi, M. Evaluating Drought Resistant Wheat Cultivars Based on Stem Anatomical Characteristics. J. Exp. Biol. Agric. Sci. 2017, 5, 332–340. [Google Scholar] [CrossRef]
- Liu, Q.; Wang, Y.; Liu, J.; Liu, X.; Dong, Y.; Huang, X.; Zhen, Z.; Lv, J.; He, W. Degradability and Properties of PBAT-Based Biodegradable Mulch Films in Field and Their Effects on Cotton Planting. Polymers 2022, 14, 3157. [Google Scholar] [CrossRef]
- Yanagida, H.; Tamura, Y.; Kim, K.-M.; Lee, J.J. Development of Ultrasonic Time-of-Flight Computed Tomography for Hard Wood with Anisotropic Acoustic Property. Jpn. J. Appl. Phys. 2007, 46, 5321. [Google Scholar] [CrossRef]
- Trtik, P.; Dual, J.; Keunecke, D.; Mannes, D.; Niemz, P.; Stähli, P.; Kaestner, A.; Groso, A.; Stampanoni, M. 3D Imaging of Microstructure of Spruce Wood. J. Struct. Biol. 2007, 159, 46–55. [Google Scholar] [CrossRef]
- Zhao, Y.D.; Gao, C.; Zhang, X.; Xu, Q. Non-Destructive Measurement of Plant Stem Water Content Based on Standing Wave Ratio. Trans. CSAM 2016, 47, 310–316. [Google Scholar]
- Zhou, H.; Sun, Y.; Tyree, M.T.; Sheng, W.; Cheng, Q.; Xue, X.; Schumann, H.; Lammers, P.S. An Improved Sensor for Precision Detection of in Situ Stem Water Content Using a Frequency Domain Fringing Capacitor. New Phytol. 2015, 206, 471–481. [Google Scholar] [CrossRef]
- Miner, G.L.; Ham, J.M.; Kluitenberg, G.J. A Heat-Pulse Method for Measuring Sap Flow in Corn and Sunflower Using 3D-Printed Sensor Bodies and Low-Cost Electronics. Agric. For. Meteorol. 2017, 246, 86–97. [Google Scholar] [CrossRef]
- Arciniegas, A.; Prieto, F.; Brancheriau, L.; Lasaygues, P. Literature Review of Acoustic and Ultrasonic Tomography in Standing Trees. Trees 2014, 28, 1559–1567. [Google Scholar] [CrossRef]
- Espinosa, L.F.; Arciniegas, A.F.; Prieto, F.A.; Cortes, Y.; Brancheriau, L. Standing Tree Decay Detection by Using Acoustic Tomography Images. In Proceedings of the Twelfth International Conference on Quality Control by Artificial Vision 2015, Le Creusot, France, 3–5 June 2015; SPIE: Paris, France, 2015; Volume 9534, pp. 14–19. [Google Scholar]
- Bertoldo, C.; Gonçalves, R. Influence of Measurement Position, Tree Diameter, and Bulk Wood Density on Models That Predict Wave Propagation Velocity in Logs according to the Velocity in Trees. For. Prod. J. 2015, 65, 166–172. [Google Scholar] [CrossRef]
- Gao, S. Effects of Environmental Temperature on Acoustic and Mechanical Properties of American Red Pine Standing Trees and Logs. Ph.D. Thesis, Northeast Forestry University, Harbin, China, 2012. [Google Scholar]
- Hasegawa, M.; Takata, M.; Matsumura, J.; Oda, K. Effect of Wood Properties on Within-Tree Variation in Ultrasonic Wave Velocity in Softwood. Ultrasonics 2011, 51, 296–302. [Google Scholar] [CrossRef] [PubMed]
- Wu, Y.; Zhang, C.; Liu, W. Living Tree Moisture Content Detection Method Based on Intelligent UHF RFID Sensors and OS-PELM. Sensors 2022, 22, 6287. [Google Scholar] [CrossRef] [PubMed]
- Zhao, Y.; Tian, H.; Han, Q.; Gu, J.; Zhao, Y. Real-Time Monitoring of Water and Ice Content in Plant Stem Based on Latent Heat Changes. Agric. For. Meteorol. 2021, 307, 108475. [Google Scholar] [CrossRef]
- Peng, H.; Jiang, J.; Zhan, T.; Lü, J. Influence of Density and Moisture Content on Ultrasound Velocities along the Longitudinal Direction in Wood. Sci. Silvae Sin. 2016, 52, 117–124. [Google Scholar]
- Yu, B.; Gao, S.; Wang, L.; Xie, W.; Hou, Y. The Study on the Propagation Law of Ultrasonic Wave in Log. For. Eng. 2014, 30, 92–95. [Google Scholar] [CrossRef]
- Hasegawa, M.; Yano, Y.; Matsumura, J.; Oda, K. Prospects for within-Tree Variation of the Acoustoelastic Behaviors in Japanese Cedar. NDT E Int. 2012, 49, 57–63. [Google Scholar] [CrossRef]
- Gao, S.; Wang, L.; Yang, D.; Xu, W. Probe-Wood Contact and Gauge Pressure with Sylvatest-Duo for Precision Ultrasonic Measurements of Wood. J. Zhejiang AF Univ. 2016, 33, 875–880. [Google Scholar]
- Saadatnia, M.; Enayati, A.; Pourtahmasi, K.; Moradian, M. Investigation on Transversal Variation of Poplar Tension Wood Quality Using Ultrasound Wave Parameters. Wood Mater. Sci. Eng. 2016, 11, 201–208. [Google Scholar] [CrossRef]
- Li, R.; Jiang, Z.; Zhang, S.; Cai, J. A review of new research progress on the vulnerability of xylem embolism of woody plants. Chin. J. Plant Ecol. 2015, 39, 838–848. [Google Scholar]
- Paniagua, V.; Corrales, J.; Torres, C.; González-Rodrigo, B. Influence of Timber Moisture Content on the Ultrasonic Wave Velocity Measurement of Tectona grandis L.F. and Cupressus lusitanica M. from Costa Rica. Forests 2022, 13, 1296. [Google Scholar] [CrossRef]
- Sandoz, J.L. Moisture Content and Temperature Effect on Ultrasound Timber Grading. Wood Sci. Technol. 1993, 27, 373–380. [Google Scholar] [CrossRef]
- De Oliveira, F.G.R.; Candian, M.; Lucchette, F.F.; Luis Salgon, J.; Sales, A. A Technical Note on the Relationship between Ultrasonic Velocity and Moisture Content of Brazilian Hardwood (Goupia glabra). Build. Environ. 2005, 40, 297–300. [Google Scholar] [CrossRef]
- Dikrallah, A.; Kabouchi, B.; Hakam, A.; Brancheriau, L.; Bailleres, H.; Famiri, A.; Ziani, M. Study of Acoustic Wave Propagation through the Cross Section of Green Wood. Comptes Rendus Mécanique 2010, 338, 107–112. [Google Scholar] [CrossRef]
- Tomppo, L. Novel Applications of Electrical Impedance and Ultrasound Methods for Wood Quality Assessment. Ph.D. Thesis, Itä-Suomen Yliopisto, Joensuu, Finland, 2013. [Google Scholar]
- Yang, H.; Yu, L.; Wang, L. Effect of Moisture Content on the Ultrasonic Acoustic Properties of Wood. J. For. Res. 2015, 26, 753–757. [Google Scholar] [CrossRef]
- Maurer, H.; Schubert, S.I.; Bächle, F.; Clauss, S.; Gsell, D.; Dual, J.; Niemz, P. A Simple Anisotropy Correction Procedure for Acoustic Wood Tomography. Holzforschung 2006, 60, 567–573. [Google Scholar] [CrossRef]
- Beall, F.C. Overview of the Use of Ultrasonic Technologies in Research on Wood Properties. Wood Sci. Technol. 2002, 36, 197–212. [Google Scholar] [CrossRef]
- Quemada, C.; Iriarte, J.C.; Marin, D.; Miranda, C.; Ederra, I. A Real-Time Non-Destructive Water Status Monitoring System at Terahertz Band. In Proceedings of the 2018 15th European Radar Conference (EuRAD), Madrid, Spain, 26–28 September 2018. [Google Scholar]
- Fariñas, M.D.; Martínez-Gimeno, M.A.; Badal, E.; Tasa, M.; Bonet, L.; Manzano-Juárez, J.; Pérez-Pérez, J.G. Evaluation of Ultrasonic Parameters as a Non-Invasive, Rapid and in-Field Indicator of Water Stress in Citrus Plants. Agric. For. Meteorol. 2021, 310, 108651. [Google Scholar] [CrossRef]
- Dutta, S.; Chen, Z.; Kaiser, E.; Matamoros, P.M.; Steeneken, P.G.; Verbiest, G.J. Ultrasound Pulse Emission Spectroscopy Method to Characterize Xylem Conduits in Plant Stems. Research 2022, 2022, 9790438. [Google Scholar] [CrossRef]
- StOnge, A. Akaike Information Criterion Applied to Detecting First Arrival Times on Microseismic Data. In SEG Technical Program Expanded Abstracts 2011; SEG Technical Program Expanded Abstracts; Society of Exploration Geophysicists; Houston, TX, USA, 2011; pp. 1658–1662. [Google Scholar]
- Zhang, H.; Thurber, C.; Rowe, C. Automatic P-Wave Arrival Detection and Picking with Multiscale Wavelet Analysis for Single-Component Recordings. Bull. Seismol. Soc. Am. 2003, 93, 1904–1912. [Google Scholar] [CrossRef]
- Li, C.; Huang, L.; Duric, N.; Zhang, H.; Rowe, C. An Improved Automatic Time-of-Flight Picker for Medical Ultrasound Tomography. Ultrasonics 2009, 49, 61–72. [Google Scholar] [CrossRef]
- Zhang, X. Modeling Wood Properties of Larch Using Acousto-Ultrasonic Technology. Ph.D. Thesis, Chinese Academy of Forestry Sciences, Beijing, China, 2011. [Google Scholar]
- Arciniegas, A.; Brancheriau, L.; Lasaygues, P. Tomography in Standing Trees: Revisiting the Determination of Acoustic Wave Velocity. Ann. For. Sci. 2015, 72, 685–691. [Google Scholar] [CrossRef]
- Saadat-Nia, M.; Brancheriau, L.; Gallet, P.; Enayati, A.A.; Pourtahmasi, K.; Honavar, F. Ultrasonic Wave Parameter Changes during Propagation through Poplar and Spruce Reaction Wood. BioResources 2011, 6, 1172–1185. [Google Scholar]
- Akaike, H. Information Theory and an Extension of the Maximum Likelihood Principle. In Selected Papers of Hirotugu Akaike; Parzen, E., Tanabe, K., Kitagawa, G., Eds.; Springer Series in Statistics; Springer: New York, NY, USA, 1998; pp. 199–213. ISBN 978-1-4612-1694-0. [Google Scholar]







| Simulated Signals | The Minimal of AIC (ns) | Primary Echo Position (ns) | |
|---|---|---|---|
| Observed | Hybrid | ||
| 1 | 101 | 153 | 153 |
| 2 | 101 | 153 | 154 |
| 3 | 101 | 156 | 159 |
| 4 | 201 | 253 | 254 |
| 5 | 201 | 253 | 254 |
| 6 | 201 | 255 | 258 |
| 7 | 301 | 351 | 351 |
| 8 | 301 | 351 | 351 |
| 9 | 301 | 354 | 359 |
| Parameter | Diameter/cm | The Time for Samples Immersed in Water | ||||||||||||||
|---|---|---|---|---|---|---|---|---|---|---|---|---|---|---|---|---|
| 0 | 10 min | 20 min | 30 min | 40 min | 1 h | 4 h | 5 h | 22 h | 24 h | 30 h | 32 h | 48 h | 7D | 9D | ||
| Quality/g | 6.00 | 102.60 | 106.60 | 115.80 | 117.20 | 120.90 | 125.90 | 132.00 | 133.70 | 144.40 | 145.00 | 148.70 | 150.10 | 154.50 | 169.80 | 173.60 |
| 7.00 | 111.20 | 122.60 | 125.70 | 127.30 | 129.70 | 132.90 | 141.70 | 144.00 | 157.00 | 160.00 | 165.40 | 166.00 | 172.00 | 191.50 | 196.70 | |
| 10.00 | 294.00 | 311.00 | 320.80 | 328.70 | 331.40 | 339.20 | 366.20 | 373.10 | 410.20 | 415.00 | 426.10 | 429.20 | 448.20 | 494.10 | 506.70 | |
| Density/(g·m−3) | 6.00 | 0.60 | 0.63 | 0.68 | 0.69 | 0.71 | 0.74 | 0.78 | 0.79 | 0.85 | 0.85 | 0.88 | 0.88 | 0.91 | 1.00 | 1.02 |
| 7.00 | 0.41 | 0.46 | 0.47 | 0.47 | 0.48 | 0.49 | 0.53 | 0.53 | 0.58 | 0.59 | 0.61 | 0.62 | 0.64 | 0.71 | 0.73 | |
| 10.00 | 0.37 | 0.40 | 0.41 | 0.42 | 0.42 | 0.43 | 0.47 | 0.48 | 0.52 | 0.53 | 0.54 | 0.55 | 0.57 | 0.63 | 0.65 | |
| Velocity/(m·s−3) | 6.00 | 4.71 × 103 | 4.35 × 103 | 3.86 × 103 | 3.48 × 103 | 3.20 × 103 | 3.04 × 103 | 2.78 × 103 | 2.76 × 103 | 2.38 × 103 | 2.34 × 103 | 2.28 × 103 | 1.95 × 103 | 1.82 × 103 | 1.63 × 103 | 1.50 × 103 |
| 7.00 | 4.95 × 103 | 4.42 × 103 | 3.95 × 103 | 3.69 × 103 | 3.66 × 103 | 3.50 × 103 | 2.90 × 103 | 2.88 × 103 | 2.28 × 103 | 2.11 × 103 | 2.33 × 103 | 2.03 × 103 | 1.70 × 103 | 1.56 × 103 | 1.52 × 103 | |
| 10.00 | 5.14 × 103 | 4.55 × 103 | 4.43 × 103 | 4.34 × 103 | 4.12 × 103 | 3.97 × 103 | 3.77 × 103 | 3.68 × 103 | 2.84 × 103 | 2.77 × 103 | 2.60 × 103 | 2.49 × 103 | 2.16 × 103 | 1.74 × 103 | 1.64 × 103 | |
| Mass moisture content/% | 6.00 | 0.00 | 0.04 | 0.11 | 0.12 | 0.15 | 0.19 | 0.22 | 0.23 | 0.29 | 0.29 | 0.31 | 0.32 | 0.34 | 0.40 | 0.41 |
| 7.00 | 0.00 | 0.09 | 0.12 | 0.13 | 0.14 | 0.16 | 0.22 | 0.23 | 0.29 | 0.31 | 0.33 | 0.33 | 0.35 | 0.42 | 0.43 | |
| 10.00 | 0.00 | 0.05 | 0.08 | 0.11 | 0.11 | 0.13 | 0.20 | 0.21 | 0.28 | 0.29 | 0.31 | 0.32 | 0.34 | 0.40 | 0.42 | |
| volumetric moisture content/% | 6.00 | 0.00 | 0.02 | 0.08 | 0.09 | 0.11 | 0.14 | 0.17 | 0.18 | 0.25 | 0.25 | 0.27 | 0.28 | 0.31 | 0.40 | 0.42 |
| 7.00 | 0.00 | 0.04 | 0.05 | 0.06 | 0.07 | 0.08 | 0.11 | 0.12 | 0.17 | 0.18 | 0.20 | 0.20 | 0.23 | 0.30 | 0.32 | |
| 10.00 | 0.00 | 0.02 | 0.03 | 0.04 | 0.05 | 0.06 | 0.09 | 0.10 | 0.15 | 0.15 | 0.17 | 0.17 | 0.20 | 0.25 | 0.27 | |
Disclaimer/Publisher’s Note: The statements, opinions and data contained in all publications are solely those of the individual author(s) and contributor(s) and not of MDPI and/or the editor(s). MDPI and/or the editor(s) disclaim responsibility for any injury to people or property resulting from any ideas, methods, instructions or products referred to in the content. |
© 2022 by the authors. Licensee MDPI, Basel, Switzerland. This article is an open access article distributed under the terms and conditions of the Creative Commons Attribution (CC BY) license (https://creativecommons.org/licenses/by/4.0/).
Share and Cite
Lv, D.; Zi, J.; Gao, M.; Xi, R.; Huang, X. Detection of Water Changes in Plant Stems In Situ by the Primary Echo of Ultrasound RF with an Improved AIC Algorithm. Sensors 2023, 23, 20. https://doi.org/10.3390/s23010020
Lv D, Zi J, Gao M, Xi R, Huang X. Detection of Water Changes in Plant Stems In Situ by the Primary Echo of Ultrasound RF with an Improved AIC Algorithm. Sensors. 2023; 23(1):20. https://doi.org/10.3390/s23010020
Chicago/Turabian StyleLv, Danju, Jiali Zi, Mingyuan Gao, Rui Xi, and Xin Huang. 2023. "Detection of Water Changes in Plant Stems In Situ by the Primary Echo of Ultrasound RF with an Improved AIC Algorithm" Sensors 23, no. 1: 20. https://doi.org/10.3390/s23010020
APA StyleLv, D., Zi, J., Gao, M., Xi, R., & Huang, X. (2023). Detection of Water Changes in Plant Stems In Situ by the Primary Echo of Ultrasound RF with an Improved AIC Algorithm. Sensors, 23(1), 20. https://doi.org/10.3390/s23010020
