A Low-Current and Multi-Channel Chemiresistor Array Sensor Device
Abstract
:1. Introduction
2. Materials and Methods
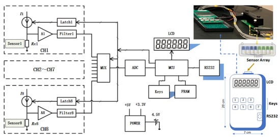
2.1. Design of Electronic Board to Couple with Chemiresistor Array
2.2. Sensor Fabrication
2.3. Sensor Measurement
3. Results and Discussion
3.1. Design and Specifications of the Multichannel Electronic Circuit Board
3.2. Performance Characteristic upon Coupling to the Nanostructured Chemiresistor Array
3.3. Array Responses to VOC and Performance Evaluation
4. Conclusions
Author Contributions
Funding
Institutional Review Board Statement
Informed Consent Statement
Data Availability Statement
Conflicts of Interest
References
- Konvalina, G.; Haick, H. Sensors for Breath Testing: From Nanomaterials to Comprehensive Disease Detection. Acc. Chem. Res. 2014, 47, 66–76. [Google Scholar] [CrossRef] [PubMed]
- Milyutin, Y.; Abud-Hawa, M.; Kloper-Weidenfeld, V.; Mansour, E.; Broza, Y.Y.; Shani, G.; Haick, H. Fabricating and Printing Chemiresistors Based on Monolayer-Capped Metal Nanoparticles. Nat. Protoc. 2021, 16, 2968–2990. [Google Scholar] [CrossRef] [PubMed]
- Snow, A.W.; Perkins, F.K.; Ancona, M.G.; Robinson, J.T.; Snow, E.S.; Foos, E.E. Disordered Nanomaterials for Chemielectric Vapor Sensing: A Review. IEEE Sens. J. 2015, 15, 1301–1320. [Google Scholar] [CrossRef]
- Olichwer, N.; Leib, E.W.; Halfar, A.H.; Petrov, A.; Vossmeyer, T. Cross-Linked Gold Nanoparticles on Polyethylene: Resistive Responses to Tensile Strain and Vapors. ACS Appl. Mater. Interfaces 2012, 4, 6151–6161. [Google Scholar] [CrossRef] [PubMed]
- Cheng, H.W.; Yan, S.; Shang, G.; Wang, S.; Zhong, C.J. Strain Sensors Fabricated by Surface Assembly of Nanoparticles. Biosens. Bioelectron. 2021, 186, 113268–113281. [Google Scholar] [CrossRef] [PubMed]
- Gardner, J.W.; Guha, P.K.; Udrea, F.; Covington, J.A. CMOS Interfacing for Integrated Gas Sensors: A Review. IEEE Sens. J. 2010, 10, 1833–1848. [Google Scholar] [CrossRef]
- Mu, X.; Covington, E.; Rairigh, D.; Kurdak, C.; Zellers, E.; Mason, A.J. CMOS Monolithic Nanoparticle-Coated Chemiresistor Array for Micro-Scale Gas Chromatography. IEEE Sens. J. 2012, 12, 2444–2452. [Google Scholar] [CrossRef] [Green Version]
- Rairigh, D.J.; Warnell, G.A.; Xu, C.; Zellers, E.T.; Mason, A.J. Baseline Tracking and Cancellation Instrumentation for Nanoparticle-Coated Chemiresistors. IEEE Trans. Biomed. Circuits. Syst. 2009, 3, 267–276. [Google Scholar] [CrossRef] [PubMed]
- Cai, Z.; Guerrero, L.E.R.; Louwerse, A.M.R.; Suy, H.; van Veldhoven, R.; Makinwa, K.A.A.; Pertijs, M.A.P. A CMOS Readout Circuit for Resistive Transducers Based on Algorithmic Resistance and Power Measurement. IEEE Sens. J. 2017, 17, 7917–7927. [Google Scholar] [CrossRef] [Green Version]
- Chang, C.L.; Chiu, S.W.; Tang, K.T. An ADC-Free Adaptive Interface Circuit of Resistive Sensor for Electronic Nose System. Annu. Int. Conf. IEEE Eng. Med. Biol. Soc. 2013, 1, 2012–2015. [Google Scholar]
- Chiu, S.W.; Tang, K.T. Towards a Chemiresistive Sensor-Integrated Electronic Nose: A Review. Sensors 2013, 13, 14214–14247. [Google Scholar] [CrossRef] [PubMed] [Green Version]
- Leung, C.K.; Wilson, D.M. Integrated Interface Circuits for Chemiresistor arrays. IEEE Int. Symp. Circuits Syst. 2005, 6, 5914–5917. [Google Scholar]
- Mu, X.; Rairigh, D.; Mason, A.J. 125ppm Resolution and 120dB Dynamic Range Nanoparticle Chemiresistor Array Readout Circuit. IEEE Int. Symp. Circuits Syst. 2011, 1, 2213–2216. [Google Scholar]
- Wang, L.; Shi, X.; Kariuki, N.N.; Schadt, M.; Wang, G.R.; Rendeng, Q.; Choi, J.; Luo, J.; Lu, S.; Zhong, C.J. Array of Molecularly-Mediated Thin Film Assemblies of Nanoparticles: Correlation of Vapor Sensing with Interparticle Spatial Properties. J. Am. Chem. Soc. 2007, 129, 2161–2170. [Google Scholar] [CrossRef] [PubMed]
- Zhao, W.; Rovere, T.; Weerawarne, D.; Osterhoudt, G.; Kang, N.; Joseph, P.; Luo, J.; Shim, B.; Poliks, M.; Zhong, C.J. Nanoalloy Printed and Pulse-Laser Sintered Flexible Sensor Devices with Enhanced Stability and Materials Compatibility. ACS Nano 2015, 9, 6168–6177. [Google Scholar] [CrossRef]
- Zhao, W.; Al-Nasser, L.F.; Shan, S.; Li, J.; Skeete, Z.; Kang, N.; Luo, J.; Lu, S.; Zhong, C.J.; Harris, R.; et al. Detection of Mixed Volatile Organic Compounds and Lung Cancer Breaths Using Chemiresistor Arrays with Crosslinked Nanoparticle Thin Films. Sens. Actuators B 2016, 232, 292–299. [Google Scholar] [CrossRef] [Green Version]
- Luo, J.; Luo, J.; Wang, L.; Shi, X.; Yin, J.; Crew, E.; Lu, S.; Lesperance, L.M.; Zhong, C.J. Nanoparticle-Structured Thin Film Sensor Arrays for Breath Sensing. Sens. Actuators B 2012, 161, 845–854. [Google Scholar] [CrossRef]
- Yan, S.; Liu, X.; Skeete, Z.; He, N.; Xie, Z.H.; Zhao, W.; Lombardi, J.P.; Liu, K.; Kang, N.; Luo, J.; et al. Decoration of Nanofibrous Paper Chemiresistors with Dendronized Nanoparticles towards Structurally-Tunable Negative-Going Response Characteristics to Human Breathing and Sweating. Adv. Mater. Interfaces 2017, 4, 1700380–1700391. [Google Scholar] [CrossRef]
- Kang, N.; Lin, F.; Zhao, W.; Lombardi, J.P.; Almihdhar, M.; Liu, K.; Yan, S.; Kim, J.; Luo, J.; Hsiao, B.S.; et al. Nanoparticle-Nanofibrous Membranes as Scaffolds for Flexible Sweat Sensors. ACS Sens. 2016, 1, 1060–1069. [Google Scholar] [CrossRef]
- Yan, S.; Shan, S.; Wen, J.; Li, J.; Kang, N.; Wu, Z.; Lombardi, J.; Cheng, H.W.; Wang, J.; Luo, J.; et al. Surface-Mediated Interconnections of Nanoparticles in Cellulosic Fibrous Materials Towards 3D Sensors. Adv. Mater. 2020, 32, 2002171–2002181. [Google Scholar] [CrossRef]
- Wang, L.; Kariuki, N.N.; Schadt, M.; Mott, D.; Luo, J.; Zhong, C.J.; Shi, X.; Zhang, C.; Hao, W.; Lu, S.; et al. Sensing Arrays Constructed from Nanoparticle Thin Films and Interdigitated Microelectrodes. Sensors 2006, 6, 667–679. [Google Scholar] [CrossRef] [Green Version]
- Wang, G.R.; Wang, L.; Rendeng, Q.; Wang, J.; Luo, J.; Zhong, C.J. Correlation between Nanostructural Parameters and Conductivity Properties for Thin Film Assemblies of Gold Nanoparticles. J. Mater. Chem. 2007, 17, 457–462. [Google Scholar] [CrossRef]
- Gavrilaș, S.; Ursachi, C.Ș.; Perța-Crișan, S.; Munteanu, F.-D. Recent Trends in Biosensors for Environmental Quality Monitoring. Sensors 2022, 22, 1513. [Google Scholar] [CrossRef]
- Hussein, H.A.; Hassan, R.Y.A.; Chino, M.; Febbraio, F. Point-of-Care Diagnostics of COVID-19: From Current Work to Future Perspectives. Sensors 2020, 20, 4289. [Google Scholar] [CrossRef] [PubMed]
- Cheng, H.W.; Xue, S.Y.; Li, J.; Gordon, J.S.; Wang, S.; Filippone, N.R.; Ngo, Q.M.; Zhong, C.J. Assessing Plasmonic Nanoprobes in Electromagnetic Field Enhancement for SERS Detection of Biomarkers. Sensors 2021, 21, 8345. [Google Scholar] [CrossRef] [PubMed]







| Resistance Range | Resolution | Nominal Current | Max Open Voltage (V) | Accuracy (One Year, TCAL ± 5 °C) |
|---|---|---|---|---|
| 30 Ω~50 kΩ | 1 Ω | 1.2 mA~29 μA | 3.3 | ±3 Ω |
| 350 kΩ | 1 Ω | 10 μA~4.7 μA | 3.3 | ±0.05% RD 1 |
| 4 MΩ | 10 Ω | 2.4 μA~0.39 μA | 3.3 | ±0.05% RD |
| 30 MΩ | 0.2 kΩ | 192 nA~55 nA | 3.3 | ±0.2% RD |
| 130 MΩ | 1 kΩ | 24 nA~12 nA | 3.3 | ±1% RD |
| 300 MΩ | 5 kΩ | 6 nA | 3.3 | ±2% RD |
| Resistance | KMM | HCD | ||
|---|---|---|---|---|
| Current | Open Circuit Voltage | Current | Open Circuit Voltage | |
| 10 kΩ | 100 μA | 6.6 V | 100 μA | 3.3 V |
| 100 kΩ | 10 μA | 12.8 V | 10 μA | 3.3 V |
| 1 MΩ | 10 μA | 12.8 V | 1.2 μA | 3.3 V |
| 10 MΩ | 0.7 μA | 7.0 V | 0.1 μA | 3.3 V |
| 100 MΩ | 70 nA | 7.0 V | 12 nA | 3.3 V |
| 300 MΩ | NA | NA | 6 nA | 3.3 V |
Publisher’s Note: MDPI stays neutral with regard to jurisdictional claims in published maps and institutional affiliations. |
© 2022 by the authors. Licensee MDPI, Basel, Switzerland. This article is an open access article distributed under the terms and conditions of the Creative Commons Attribution (CC BY) license (https://creativecommons.org/licenses/by/4.0/).
Share and Cite
Wang, Z.; Shang, G.; Dinh, D.; Yan, S.; Luo, J.; Huang, A.; Yang, L.; Lu, S.; Zhong, C.-J. A Low-Current and Multi-Channel Chemiresistor Array Sensor Device. Sensors 2022, 22, 2781. https://doi.org/10.3390/s22072781
Wang Z, Shang G, Dinh D, Yan S, Luo J, Huang A, Yang L, Lu S, Zhong C-J. A Low-Current and Multi-Channel Chemiresistor Array Sensor Device. Sensors. 2022; 22(7):2781. https://doi.org/10.3390/s22072781
Chicago/Turabian StyleWang, Zaiqi, Guojun Shang, Dong Dinh, Shan Yan, Jin Luo, Aimin Huang, Lefu Yang, Susan Lu, and Chuan-Jian Zhong. 2022. "A Low-Current and Multi-Channel Chemiresistor Array Sensor Device" Sensors 22, no. 7: 2781. https://doi.org/10.3390/s22072781
APA StyleWang, Z., Shang, G., Dinh, D., Yan, S., Luo, J., Huang, A., Yang, L., Lu, S., & Zhong, C.-J. (2022). A Low-Current and Multi-Channel Chemiresistor Array Sensor Device. Sensors, 22(7), 2781. https://doi.org/10.3390/s22072781

