Perception, Positioning and Decision-Making Algorithms Adaptation for an Autonomous Valet Parking System Based on Infrastructure Reference Points Using One Single LiDAR
Abstract
1. Introduction
- Outdoor scenarios are more unstructured environments than indoor parking lots, and metallic canopies are more difficult accurately detect than concrete columns.
- However, it is not feasible to monitor free and occupied parking spaces from poles with cameras, due to lack of visibility, and public outdoor parking lots are not equipped with sensors on the canopies. Therefore, the detection must be carried out from the vehicle itself.
- High GNSS positioning accuracy is not guaranteed for these maneuvers, while installation of solutions such as magnetic nails on the ground is not feasible in many cases, and other means of navigation are necessary. Cumulative errors must be reduced or removed.
- It is possible to use prior information from a digital map of the parking lot, but this information must be as reduced as much as possible to foster a widespread implementation, unlike other solutions that require highly detailed maps.
2. Related Work
3. System Definition
- A LiDAR for surrounding perception. The most convenient location is the vehicle roof, but other locations are also possible if a 360° view is achieved by means of sensor fusion.
- A simplified digital map of numbered parking spaces.
- A user interface, in which the driver selects the group of spaces in which the vehicle should be parked.
3.1. Control Architecture
3.2. Parking Digital Map
3.3. Route Definition
3.4. Guidance Function and Trajectory Tracking Subfunction
3.5. Obstacle Detection and Free Space Search Functions
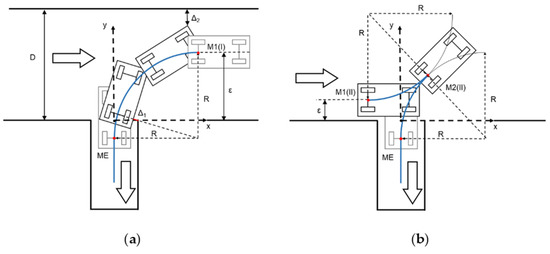
3.6. Parking Maneuver Function
4. Tests
4.1. Tests Definition
- (S1) It is considered that the vehicles in this area can coincide in this area, whereby the vehicles circulate along the center of the section (they can park in any of the two directions).
- (S2) This zone is considered to have two lanes, one in each direction, and the vehicles move using the correct lane (strictly, the vehicle can only park if the parking space is adjacent to the lane, unless expressly authorized).
- Initial parking space group selection by the driver (which conditions the search route):
- No selection/range selection.
- Availability of parking spaces in the selected group:
- No available spaces (the vehicle must finish at the exit zone)/only one available space/more than one available space (the first one must be occupied).
- Availability of parking spaces outside the selected group (these spaces must be discarded by the system in the search operation):
- No available spaces/available spaces.
- Circulation scenarios and free space identification:
- Case A: Scenario S1 driving along the center of zone 2 stretch (parking maneuver moving from 1 to 3).
- Case B: Scenario S1 driving along the center of zone 2 stretch (parking maneuver moving from 6 to 7).
- Case C: Scenario S2 driving using the right lane (parking maneuver moving from 1 to 3).
- Case D: Scenario S2 driving using the right lane (parking maneuver moving from 6 to 7, with prior authorization).
4.2. Tests Results
5. Conclusions
- A single LiDAR provides enough information for positioning, guidance, and parking maneuvers; therefore, the vehicle equipment is simplified and no additions to the infrastructure are necessary. The specific algorithms for the physical scenario (e.g., detection of canopies elements) improved the performance.
- The information in the digital map was substantially reduced, so their construction is easy and widespread implementation would be faster.
- Limited space in parking lots is a common problem for these kinds of automatic systems, but the option of choosing between two maneuver types and the criteria for this selection and the definition of main reference points make the system more efficient.
Author Contributions
Funding
Conflicts of Interest
References
- Lin, T.; Rivano, H.; Le Mouel, F. A survey of smart parking solutions. IEEE Trans. Intell. Transp. Syst. 2017, 18, 3229–3253. [Google Scholar] [CrossRef]
- Budd, L.; Ison, S.; Budd, T. An empirical examination of the growing phenomenon of off-site residential car parking provision: The situation at UK airports. Transp. Res. Part A Policy Pract. 2013, 54, 26–34. [Google Scholar] [CrossRef][Green Version]
- Löper, C.; Brunken, C.; Thomaidis, G.; Lapoehn, S.; Fouopi, P.P.; Mosebach, H.; Köster, F. Automated Valet Parking as Part of an Integrated Travel Assistance. In Proceedings of the 16th International IEEE Conference on Intelligent Transportation Systems (ITSC 2013), The Hague, The Netherlands, 6–9 October 2013; pp. 2082–2087. [Google Scholar] [CrossRef]
- Hayes, B. Leave the Driving to It. Am. Sci. 2011, 99, 362. [Google Scholar] [CrossRef]
- Zakharenko, R. Self-driving cars will change cities. Reg. Sci. Urban Econ. 2016, 61, 26–37. [Google Scholar] [CrossRef]
- Siddique, P.J.; Gue, K.R.; Usher, J.S. Puzzle-based parking. Transp. Res. Part C Emerg. Technol. 2021, 127, 103112. [Google Scholar] [CrossRef]
- Bansal, P.; Kockelman, K.M. Forecasting Americans’ long-term adoption of connected and autonomous vehicle technologies. Transp. Res. Part A Policy Pract. 2017, 95, 49–63. [Google Scholar] [CrossRef]
- SAE J3016; Taxonomy and Definitions for Terms Related to Driving Automation Systems for On-Road Motor Vehicles. SAE International: Warrendale, PA, USA; ISO: Geneva, Switzerland, 2021.
- Buehler, M.; Iagnemma, K.; Singh, S. The DARPA Urban Challenge Autonomous Vehicles in City Traffic; Springer: Berlin/Heidelberg, Germany, 2009. [Google Scholar]
- Jeevan, P.; Harchut, F.; Müller-Beßler, B.; Huhnke, B. Realizing Autonomous Valet Parking with Automotive Grade Sensors. In Proceedings of the 2010 IEEE/RSJ International Conference on Intelligent Robots and Systems, Taipei, Taiwan, 18–22 October 2010; pp. 3824–3829. [Google Scholar] [CrossRef]
- Stanek, G.; Langer, D.; Müller-Bessler, B.; Huhnke, B. Junior 3: A test platform for Advanced Driver Assistance Systems. In Proceedings of the 2010 IEEE Intelligent Vehicles Symposium, La Jolla, CA, USA, 21–24 June 2010; pp. 143–149. [Google Scholar] [CrossRef]
- Min, K.-W.; Choi, J.-D. Design and implementation of autonomous vehicle valet parking system. In Proceedings of the 16th International IEEE Conference on Intelligent Transportation Systems, The Hague, The Netherlands, 6–9 October 2013; pp. 2082–2087. [Google Scholar] [CrossRef]
- Schwesinger, U.; Burki, M.; Timpner, J.; Rottmann, S.; Wolf, L.; Paz, L.M.; Grimmett, H.; Posner, I.; Newman, P.; Hane, C. Automated valet parking and charging for e-mobility. In Proceedings of the 2016 IEEE Intelligent Vehicles Symposium (IV), Gothenburg, Sweden, 19–22 June 2016; pp. 157–164. [Google Scholar] [CrossRef]
- Klemm, S.; Essinger, M.; Oberlander, J.; Zofka, M.R.; Kuhnt, F.; Weber, M.; Kohlhaas, R.; Kohs, A.; Roennau, A.; Schamm, T. Autonomous multi-story navigation for valet parking. In Proceedings of the 2016 IEEE 19th International Conference on Intelligent Transportation Systems (ITSC), Rio de Janeiro, Brazil, 1–4 November 2016; pp. 1126–1133. [Google Scholar] [CrossRef]
- Mur-Artal, R.; Montiel, J.M.M.; Tardos, J.D. ORB-SLAM: A Versatile and Accurate Monocular SLAM System. IEEE Trans. Robot. 2015, 31, 1147–1163. [Google Scholar] [CrossRef]
- Naranjo, J.E.; Jiménez, F.; Aparicio, F.; Zato, J. GPS and Inertial Systems for High Precision Positioning on Motorways. J. Navig. 2009, 62, 351–363. [Google Scholar] [CrossRef]
- Martí, E.D.; Martín, D.; García, J.; De La Escalera, A.; Molina, J.M.; Armingol, J.M. Context-Aided Sensor Fusion for Enhanced Urban Navigation. Sensors 2012, 12, 16802–16837. [Google Scholar] [CrossRef] [PubMed]
- Klaudt, S.; Zlocki, A.; Eckstein, L. A-priori map information and path planning for automated valet-parking. In Proceedings of the 2017 IEEE Intelligent Vehicles Symposium (IV), Los Angeles, CA, USA, 11–14 June 2017; pp. 1770–1775. [Google Scholar] [CrossRef]
- Liyang, S.; Yu, H.; Xuezhi, C.; Changhao, J.; Miaohua, H. Path planning based on clothoid for autonomous valet parking. In Proceedings of the 2020 17th International Computer Conference on Wavelet Active Media Technology and Information Processing (ICCWAMTIP), Chengdu, China, 18–20 December 2020. [Google Scholar] [CrossRef]
- Hu, Y.; Yang, M.; Wang, B.; Wang, C.; Xu, B. Autonomous Exploration for Automated Valet Parking Based on Road Structure. In Proceedings of the 2019 Tenth International Conference on Intelligent Control and Information Processing (ICICIP), Marrakesh, Morocco, 14–19 December 2019. [Google Scholar] [CrossRef]
- LeddarTech. Automated Valet Parking: Sensing Technology Challenges and Solutions; LeddarTech Inc.: Quebec, QC, Canada, 2021. [Google Scholar]
- Zhang, J.; Li, Z.; Li, L.; Li, Y.; Dong, H. A bi-level cooperative operation approach for AGV based automated valet parking. Transp. Res. Part C: Emerg. Technol. 2021, 128, 103140. [Google Scholar] [CrossRef]
- Li, Y.; Hu, Z.; Cai, Y.; Wu, H.; Li, Z.; Sotelo, M.A. Visual Map-Based Localization for Intelligent Vehicles From Multi-View Site Matching. IEEE Trans. Intell. Transp. Syst. 2020, 22, 1068–1079. [Google Scholar] [CrossRef]
- Choi, J.-W.; Curry, R.; Elkaim, G. Path Planning Based on Bézier Curve for Autonomous Ground Vehicles. In Proceedings of the Advances in Electrical and Electronics Engineering—IAENG Special Edition of the World Congress on Engineering and Computer Science 2008, San Francisco, CA, USA, 22–24 October 2008; pp. 158–166. [Google Scholar] [CrossRef]
- Jiménez, F.; Clavijo, M.; Castellanos, F.; Alvarez, C. Accurate and Detailed Transversal Road Section Characteristics Extraction Using Laser Scanner. Appl. Sci. 2018, 8, 724. [Google Scholar] [CrossRef]
- Jiménez, F.; Clavijo, M.; Naranjo, J.E.; Gómez, Ó. Improving the Lane Reference Detection for Autonomous Road Vehicle Control. Sensors 2016, 2016, 9497524. [Google Scholar] [CrossRef]
- Thrun, S.; Montemerlo, M.; Dahlkamp, H.; Stavens, D.; Aron, A.; Diebel, J.; Fong, P.; Gale, J.; Halpenny, M.; Hoffmann, G.; et al. Stanley: The robot that won the DARPA Grand Challenge. J. Field Robot. 2006, 23, 661–692. [Google Scholar] [CrossRef]
- Wender, S.; Dietmayer, K. 3D vehicle detection using a laser scanner and a video camera. IET Intell. Transp. Syst. 2008, 2, 105–112. [Google Scholar] [CrossRef]
- Wong, J.Y. Theory of Ground Vehicles; John Wiley & Son: Hoboken, NJ, USA, 2001. [Google Scholar]
- Biagiotti, L.; Melchiorri, C. Trajectory Planning for Automatic Machines and Robots; Springer: Berlin/Heidelberg, Germany, 2008. [Google Scholar]











| Reference Element for Autonomous Navigation | ||
|---|---|---|
| Zone | Main | Secondary |
| 1 | Left curb | - |
| 2 | Left curb | Right canopy |
| 3 | Right curb | Left canopy |
| 4 | Right curb | - |
| 5 | Right curb | Vehicles/left curb |
| 6 | Building wall | Vehicles/right curb/left curb |
| 7 | Right curb | - |
| Vehicle Data (m) | Parking Lot Data and Safety Margin (m) | Parking Maneuver Function Parameters (m) | |||
|---|---|---|---|---|---|
| Lv | 2.5 | D | 6.4 | ME | (0; −0.9) |
| Lfv | 0.8 | W | 2.5 | M1(I)–theoretical | (4.0; 3.1) |
| Wv | 1.6 | Δ1 | 0.3 | εmax | 4.3 |
| R | 4.0 | Δ2 | 0.3 | ||
| Cases A, B | Case C | Case D | ||||
|---|---|---|---|---|---|---|
| ε (m) | 3.2 | 1.6 | 4.8 | |||
| Maneuver | Type I | Type II | Type I | |||
| Coordinates (m) | M1 (I) | (4.0; 3.2) | M1 (II) | (0.6; 1.6) | M1 (I) | (4.0; 4.3) |
| M2 (II) | (2.3; 3.0) | |||||
Publisher’s Note: MDPI stays neutral with regard to jurisdictional claims in published maps and institutional affiliations. |
© 2022 by the authors. Licensee MDPI, Basel, Switzerland. This article is an open access article distributed under the terms and conditions of the Creative Commons Attribution (CC BY) license (https://creativecommons.org/licenses/by/4.0/).
Share and Cite
Jiménez, F.; Clavijo, M.; Cerrato, A. Perception, Positioning and Decision-Making Algorithms Adaptation for an Autonomous Valet Parking System Based on Infrastructure Reference Points Using One Single LiDAR. Sensors 2022, 22, 979. https://doi.org/10.3390/s22030979
Jiménez F, Clavijo M, Cerrato A. Perception, Positioning and Decision-Making Algorithms Adaptation for an Autonomous Valet Parking System Based on Infrastructure Reference Points Using One Single LiDAR. Sensors. 2022; 22(3):979. https://doi.org/10.3390/s22030979
Chicago/Turabian StyleJiménez, Felipe, Miguel Clavijo, and Alejandro Cerrato. 2022. "Perception, Positioning and Decision-Making Algorithms Adaptation for an Autonomous Valet Parking System Based on Infrastructure Reference Points Using One Single LiDAR" Sensors 22, no. 3: 979. https://doi.org/10.3390/s22030979
APA StyleJiménez, F., Clavijo, M., & Cerrato, A. (2022). Perception, Positioning and Decision-Making Algorithms Adaptation for an Autonomous Valet Parking System Based on Infrastructure Reference Points Using One Single LiDAR. Sensors, 22(3), 979. https://doi.org/10.3390/s22030979

