Position Control of a Pneumatic Drive Using a Fuzzy Controller with an Analytic Activation Function
Abstract
1. Introduction
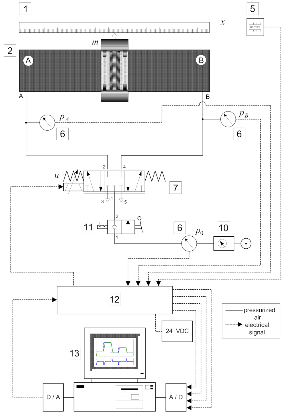
2. Materials and Methods
2.1. Design of a Fuzzy Logic Controller with an Analytic Activation Function
2.2. Fuzzification Process
2.2.1. Definition of Fuzzy Membership Functions
2.2.2. Input Variable Normalization
2.2.3. Distribution of Input Fuzzy Sets
2.3. Fuzzy Inference Engine
2.4. Defuzzification Process
2.5. Synthesis of Adaptive FLC Using Parameter β-Adaptation Algorithm
2.6. The Adjustment of the Controller Action to the Valve Flow Rate Characteristic
3. Results
4. Discussion
5. Conclusions
Author Contributions
Funding
Institutional Review Board Statement
Informed Consent Statement
Data Availability Statement
Acknowledgments
Conflicts of Interest
References
- Ross, T.J. Fuzzy Logic with Engineering Applications, 3rd ed.; John Wiley & Sons Ltd.: West Sussex, UK, 2010; pp. 89–112. [Google Scholar]
- Perry, A.G.; Feng, G.; Liu, Y.F.; Sen, P.C. A Design Method for PI-like Fuzzy Logic Controllers for DC–DC Converter. IEEE Trans. Ind. Electron. 2007, 54, 2688–2696. [Google Scholar] [CrossRef]
- Hu, B.; Mann, G.K.; Gosine, R.G. New Methodology for Analytical and Optimal Design of Fuzzy PID Controllers. IEEE Trans. Fuzzy Syst. 1999, 7, 521–539. [Google Scholar] [CrossRef]
- Lee, K.M.; Kim, D.; Lee, D. Control of Electric Motor Machine Tools Using Self-Organizing Fuzzy Logic Controller. J. Autom. Control Eng. 2015, 3, 442–446. [Google Scholar] [CrossRef]
- Lu, Q.; Mahfouf, M. A model-free self-organizing fuzzy logic control system using a dynamic performance index table. Trans. Inst. Meas. Control 2010, 32, 51–72. [Google Scholar] [CrossRef]
- Hou, S.; Fei, J.; Chen, C.; Chu, Y. Finite-Time Adaptive Fuzzy-Neural-Network Control of Active Power Filter. IEEE Trans. Power Electron. 2019, 34, 10298–10313. [Google Scholar] [CrossRef]
- Kaitwanidvilai, S.; Parnichkun, M. Force control in a pneumatic system using hybrid adaptive neuro-fuzzy model reference control. Mechatronics 2005, 15, 23–41. [Google Scholar] [CrossRef]
- Fung, R.F.; Lin, F.J.; Wai, R.J.; Lu, P.Y. Fuzzy neural network control of a motor-quick-return servomechanism. Mechatronics 2000, 10, 145–167. [Google Scholar] [CrossRef]
- Wang, Y.; Xie, X.; Chadli, M.; Xie, S.; Peng, Y. Sliding-Mode Control of Fuzzy Singularly Perturbed Descriptor Systems. IEEE Trans. Fuzzy Syst. 2021, 29, 2349–2360. [Google Scholar] [CrossRef]
- Thinh, N.; Ha, Q.; Shin, J.H.; Kim, W.H. Fuzzy sliding mode control for a robot manipulator. Artif. Life Robot. 2008, 13, 124–128. [Google Scholar] [CrossRef]
- López, J.; Pérez, K.; Rojas, E.; Rodríguez, S.; Calderón, J.M.; Weitzenfeld, A. Comparison between a fuzzy controller and classic controller applied to stabilize a humanoid robotic platform. In Proceedings of the 16th International Conference on Advanced Robotics (ICAR), Montevideo, Uruguay, 25–29 November 2013. [Google Scholar] [CrossRef]
- Castro, J. Fuzzy logic controllers are universal approximators. IEEE Trans. Syst. Man Cybern. 1995, 25, 629–635. [Google Scholar] [CrossRef]
- Novaković, B. Adaptive Fuzzy Logic Control Synthesis without a Fuzzy Rule Base. In Fuzzy Theory Systems: Techniques and Applications, 1st ed.; Academic Press: Cambridge, MA, USA, 1999; pp. 781–808. [Google Scholar]
- Šitum, Ž.; Pavković, D.; Novaković, B. Servo Pneumatic Position Control Using Fuzzy PID Gain Scheduling. J. Dyn. Syst. Meas. Control—Trans. ASME 2004, 126, 376–387. [Google Scholar] [CrossRef]
- Šitum, Ž. Control of a Pneumatic Drive Using Electronic Pressure Valves. Trans. Inst. Meas. Control 2013, 35, 1085–1093. [Google Scholar] [CrossRef][Green Version]











Publisher’s Note: MDPI stays neutral with regard to jurisdictional claims in published maps and institutional affiliations. |
© 2022 by the authors. Licensee MDPI, Basel, Switzerland. This article is an open access article distributed under the terms and conditions of the Creative Commons Attribution (CC BY) license (https://creativecommons.org/licenses/by/4.0/).
Share and Cite
Šitum, Ž.; Ćorić, D. Position Control of a Pneumatic Drive Using a Fuzzy Controller with an Analytic Activation Function. Sensors 2022, 22, 1004. https://doi.org/10.3390/s22031004
Šitum Ž, Ćorić D. Position Control of a Pneumatic Drive Using a Fuzzy Controller with an Analytic Activation Function. Sensors. 2022; 22(3):1004. https://doi.org/10.3390/s22031004
Chicago/Turabian StyleŠitum, Željko, and Danko Ćorić. 2022. "Position Control of a Pneumatic Drive Using a Fuzzy Controller with an Analytic Activation Function" Sensors 22, no. 3: 1004. https://doi.org/10.3390/s22031004
APA StyleŠitum, Ž., & Ćorić, D. (2022). Position Control of a Pneumatic Drive Using a Fuzzy Controller with an Analytic Activation Function. Sensors, 22(3), 1004. https://doi.org/10.3390/s22031004
