Real-Time Measurement of Refractive Index Using 3D-Printed Optofluidic Fiber Sensor
Abstract
:1. Introduction
2. Materials and Methods
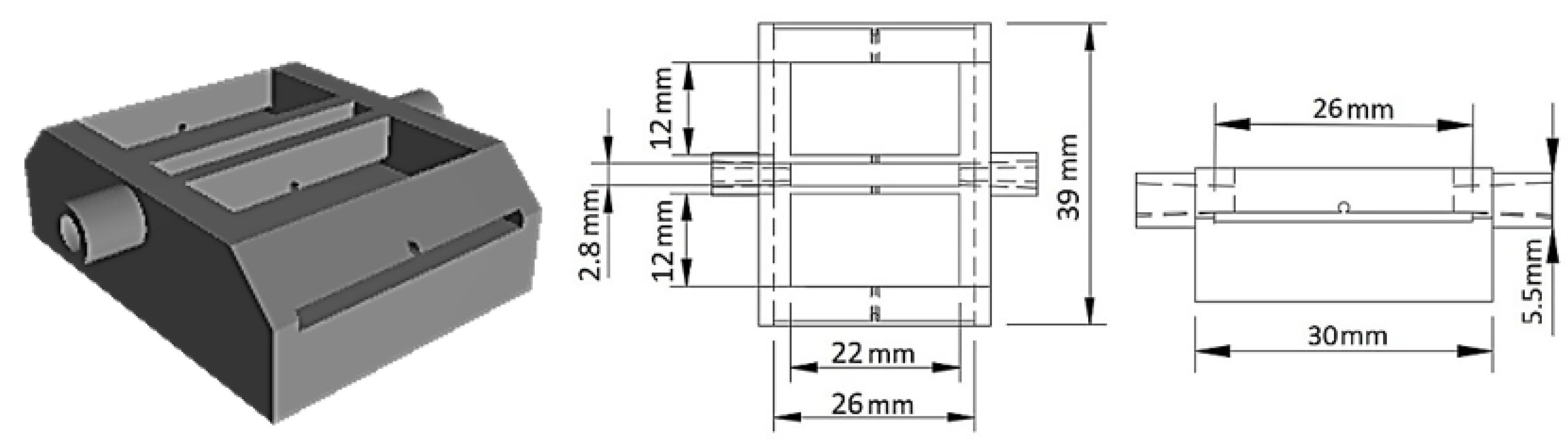
2.1. Optofluidic Platform Fabrication and Configuration
2.2. Experimental Setup
2.3. Glucose Solutions
3. Experiment Results and Discussion
4. Conclusions
Author Contributions
Funding
Acknowledgments
Conflicts of Interest
References
- Blue, R.; Duduś, A.; Uttamchandani, D. A review of single-mode fiber optofluidics. IEEE J. Sel. Top. Quantum Electron. 2016, 22, 380–391. [Google Scholar] [CrossRef] [Green Version]
- Psaltis, D.; Quake, S.R.; Yang, C. Developing optofluidic technology through the fusion of microfluidics and optics. Nature 2006, 442, 381–386. [Google Scholar] [CrossRef] [PubMed] [Green Version]
- Danchuk, A.I.; Komova, N.S.; Mobarez, S.N.; Doronin, S.Y.; Burmistrova, N.A.; Markin, A.V.; Duerkop, A. Optical sensors for determination of biogenic amines in food. Anal. Bioanal. Chem. 2020, 412, 4023–4036. [Google Scholar] [CrossRef] [PubMed]
- Umapathi, R.; Park, B.; Sonwal, S.; Rani, G.M.; Cho, Y.; Huh, Y.S. Advances in optical-sensing strategies for the on-site detection of pesticides in agricultural foods. Trends Food Sci. Technol. 2022, 119, 69–89. [Google Scholar] [CrossRef]
- Seki, A.; Narita, K.; Watanabe, K. Refractive index measurement in sucrose solution and beverage using surface plasmon resonance sensor based on hetero-core structured fiber optic. Procedia Chem. 2016, 20, 115–117. [Google Scholar] [CrossRef] [Green Version]
- Paixão, T.; Nunes, A.S.; Bierlich, J.; Kobelke, J.; Ferreira, M.S. Fabry-Perot interferometer based on suspended core fiber for detection of gaseous ethanol. Appl. Sci. 2022, 12, 726. [Google Scholar] [CrossRef]
- Cao, S.; Shang, X.; Yu, H.; Shi, L.; Zhang, L.; Wang, N.; Qiu, M. Two-photon direct laser writing of micro Fabry-Perot cavity on single-mode fiber for refractive index sensing. Opt. Express 2022, 30, 25536–25543. [Google Scholar] [CrossRef]
- Novais, S.; Ferreira, C.I.A.; Ferreira, M.S.; Pinto, J.L. Optical fiber tip sensor for the measurement of glucose aqueous solutions. IEEE Photon. J. 2018, 10, 1–9. [Google Scholar] [CrossRef]
- Esposito, F.; Ranjan, R.; Campopiano, S.; Iadicicco, A. Experimental study of the refractive index sensitivity in arc-induced long period gratings. IEEE Photon. J. 2017, 9, 1–10. [Google Scholar] [CrossRef]
- Yang, M.; Dai, J.; Li, X.; Wang, J. Side-polished fiber Bragg grating refractive index sensor with TbFeCo magnetoptic thin film. J. Appl. Phys. 2010, 108, 33102. [Google Scholar] [CrossRef]
- Yadav, T.K.; Narayanaswamy, R.; Abu Bakar, M.H.; Kamil, Y.M.; Mahdi, M.A. Single mode tapered fiber-optic interferometer based refractive index sensor and its application to protein sensing. Opt. Express 2014, 22, 22802–22807. [Google Scholar] [CrossRef]
- Jha, R.; Villatoro, J.; Badenes, G. Ultrastable in reflection photonic crystal fiber modal interferometer for accurate refractive index sensing. Appl. Phys. Lett. 2008, 93, 191106. [Google Scholar] [CrossRef]
- Silva, S.; Frazão, O.; Santos, J.L.; Malcata, F.X. A reflective optical fiber refractometer based on multimode interference. Sens. Actuators B Chem. 2012, 161, 88–92. [Google Scholar] [CrossRef] [Green Version]
- Frazão, O.; Baptista, J.M.; Santos, J.L.; Kobelke, J.; Schuster, K. Refractive index tip sensor based on Fabry-Perot cavities formed by a suspended core fibre. J. Eur. Opt. Soc. Rapid Publ. 2009, 4, 9041. [Google Scholar] [CrossRef] [Green Version]
- Chen, L.X.; Huang, X.G.; Li, J.Y.; Zhong, Z.B. Simultaneous measurement of refractive index and temperature by integrating an external Fabry-Perot cavity with a fiber Bragg grating. Rev. Sci. Instrum. 2012, 83, 53113. [Google Scholar] [CrossRef]
- Zhang, W.; Liu, Y.; Zhang, T.; Yang, D.; Wang, Y.; Yu, D. Integrated fiber-optic Fabry-Pérot interferometer sensor for simultaneous measurement of liquid refractive index and temperature. IEEE Sens. J. 2019, 19, 5007–5013. [Google Scholar] [CrossRef]
- Zheng, Y.; Chen, L.H.; Yang, J.; Raghunandhan, R.; Dong, X.; So, P.L.; Chan, C.C. Fiber optic Fabry–Perot optofluidic sensor with a focused ion beam ablated microslot for fast refractive index and magnetic field measurement. IEEE J. Sel. Top. Quantum Electron. 2017, 23, 322–326. [Google Scholar] [CrossRef]
- St-Gelais, R.; Masson, J.; Peter, Y.-A. All-silicon integrated Fabry–Pérot cavity for volume refractive index measurement in microfluidic systems. Appl. Phys. Lett. 2009, 94, 243905. [Google Scholar] [CrossRef]
- Tian, J.; Lu, Y.; Zhang, Q.; Han, M. Microfluidic refractive index sensor based on an all-silica in-line Fabry–Perot interferometer fabricated with microstructured fibers. Opt. Express 2013, 21, 6633–6639. [Google Scholar] [CrossRef] [Green Version]
- Duduś, A.; Blue, R.; Uttamchandani, D. Comparative study of microfiber and side-polished optical fiber sensors for refractometry in microfluidics. IEEE Sens. J. 2013, 13, 1594–1601. [Google Scholar] [CrossRef]
- Zhang, N.; Humbert, G.; Wu, Z.; Li, K.; Shum, P.P.; Zhang, N.M.Y.; Cui, Y.; Auguste, J.-L.; Dinh, X.Q.; Wei, L. In-line optofluidic refractive index sensing in a side-channel photonic crystal fiber. Opt. Express 2016, 24, 27674–27682. [Google Scholar] [CrossRef] [PubMed]
- Tang, J.; Qiu, G.; Wang, J. Recent development of optofluidics for imaging and sensing applications. Chemosensors 2022, 10, 15. [Google Scholar] [CrossRef]
- Bhattacharjee, N.; Urrios, A.; Kang, S.; Folch, A. The upcoming 3D-printing revolution in microfluidics. Lab Chip 2016, 16, 1720–1742. [Google Scholar] [CrossRef] [PubMed] [Green Version]
- Santos, D.M.; Cardoso, R.M.; Migliorini, F.L.; Facure, M.H.M.; Mercante, L.A.; Mattoso, L.H.C.; Correa, D.S. Advances in 3D printed sensors for food analysis. TrAC Trends Anal. Chem. 2022, 154, 116672. [Google Scholar] [CrossRef]
- Pereira, D.; Bierlich, J.; Kobelke, J.; Ferreira, M.S. Hybrid sensor based on a hollow square core fiber for temperature independent refractive index detection. Opt. Express 2022, 30, 17754–17766. [Google Scholar] [CrossRef]
- Zhao, J.R.; Huang, X.G.; He, W.X.; Chen, J.H. High-resolution and temperature-insensitive fiber optic refractive index sensor based on fresnel reflection modulated by Fabry–Perot interference. J. Light. Technol. 2010, 28, 2799–2803. [Google Scholar] [CrossRef]
- Romero, R.; Frazão, O.; Pereira, D.A.; Salgado, H.M.; Araújo, F.M.; Ferreira, L.A. Intensity-referenced and temperature-independent curvature-sensing concept based on chirped fiber Bragg gratings. Appl. Opt. 2005, 44, 3821–3826. [Google Scholar] [CrossRef]







Publisher’s Note: MDPI stays neutral with regard to jurisdictional claims in published maps and institutional affiliations. |
© 2022 by the authors. Licensee MDPI, Basel, Switzerland. This article is an open access article distributed under the terms and conditions of the Creative Commons Attribution (CC BY) license (https://creativecommons.org/licenses/by/4.0/).
Share and Cite
Leça, J.M.; Magalhães, Y.; Antunes, P.; Pereira, V.; Ferreira, M.S. Real-Time Measurement of Refractive Index Using 3D-Printed Optofluidic Fiber Sensor. Sensors 2022, 22, 9377. https://doi.org/10.3390/s22239377
Leça JM, Magalhães Y, Antunes P, Pereira V, Ferreira MS. Real-Time Measurement of Refractive Index Using 3D-Printed Optofluidic Fiber Sensor. Sensors. 2022; 22(23):9377. https://doi.org/10.3390/s22239377
Chicago/Turabian StyleLeça, João M., Yannis Magalhães, Paulo Antunes, Vanda Pereira, and Marta S. Ferreira. 2022. "Real-Time Measurement of Refractive Index Using 3D-Printed Optofluidic Fiber Sensor" Sensors 22, no. 23: 9377. https://doi.org/10.3390/s22239377
APA StyleLeça, J. M., Magalhães, Y., Antunes, P., Pereira, V., & Ferreira, M. S. (2022). Real-Time Measurement of Refractive Index Using 3D-Printed Optofluidic Fiber Sensor. Sensors, 22(23), 9377. https://doi.org/10.3390/s22239377

